4、双金属温度计操作规程.docx

上传人:p** 文档编号:1017527 上传时间:2024-06-15 格式:DOCX 页数:7 大小:18.22KB
下载 相关 举报
4、双金属温度计操作规程.docx_第1页
第1页 / 共7页
4、双金属温度计操作规程.docx_第2页
第2页 / 共7页
4、双金属温度计操作规程.docx_第3页
第3页 / 共7页
4、双金属温度计操作规程.docx_第4页
第4页 / 共7页
4、双金属温度计操作规程.docx_第5页
第5页 / 共7页
4、双金属温度计操作规程.docx_第6页
第6页 / 共7页
4、双金属温度计操作规程.docx_第7页
第7页 / 共7页
亲,该文档总共7页,全部预览完了,如果喜欢就下载吧!
资源描述

《4、双金属温度计操作规程.docx》由会员分享,可在线阅读,更多相关《4、双金属温度计操作规程.docx(7页珍藏版)》请在第壹文秘上搜索。

1、双金属温度计操作规程1范围本规程适用于测量范围在-80+500C,由双金属元件和护套组成温度检测元件且具有圆形度盘的双金属温度计的首次检定、后续检定和作用中检验。2术语2. 1可调角双金属温度计可以调整指示装置与检测元件轴线之间角度090的双金属温度计。2.2电接点双金属温度计一种带缓行开关式电气接触装置的双金属温度计。3概述双金属温度计用膨胀系数不同的两种金属(或合金)片牢固结合在一起组成感温元件,一般绕制成螺旋形,其一端固定,另一端(自由端)装有指针。当温度变更时,感温元件曲率发生变更,自由端旋转,带动指针在度盘上指示出温度数值。双金属温度计是一种适合测量中、低温的现场检测仪表,可用来干脆

2、测量气体、液体和蒸汽的温度。其原理是利用两种不同金属在温度变更时膨胀程度不同的原理工作的。工业用双金属温度计主要的元件是一个用两种或多种金属片叠压在一起组成的多层金属片。为提高测温灵敏度,通常将金属片制成螺旋卷形态。当多层金属片的温度变更时,各层金属膨胀或收缩量不等,使得螺旋卷卷起或松开。由于螺旋卷的一端固定而另一端和可以自由转动的指针相连,因此,当双金属片感受到温度变更时,指针即可在一圆形分度标尺上指示出温度来。这种仪表的测温范围通常是200650C,允许误差均为标尺刻度的1%左右。双金属温度计和棒状的玻璃液体温度计的用途相像,但可在机械强度要求更高的条件下运用。并且具有:防水、防腐蚀、耐振

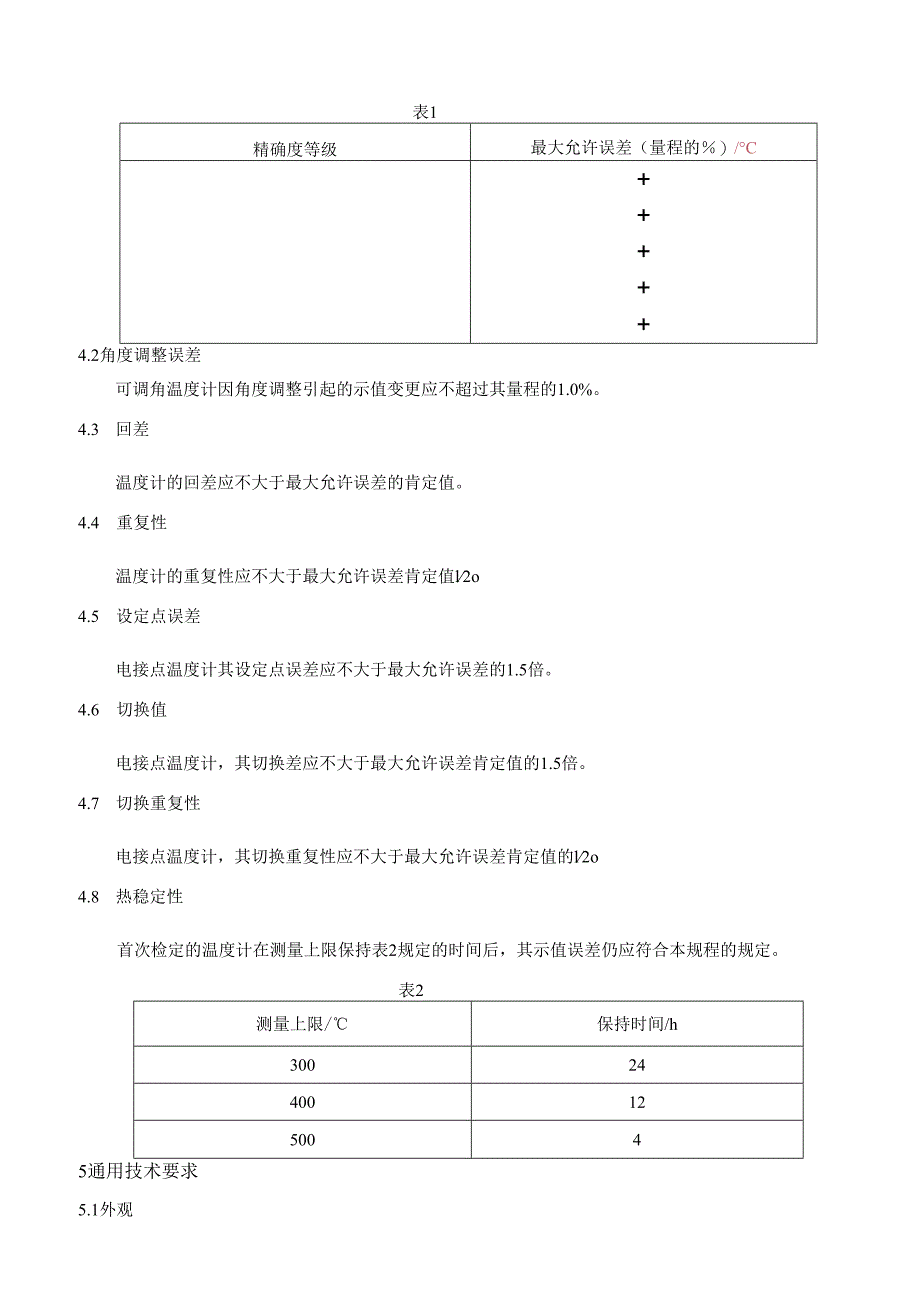
3、动、直观、易读数、无汞害、巩固耐用等特点。可取代其它很多形式的测温仪表,广泛应用于石油、化工、机械、船舶、发电、纺织、印染等工业和科研部门。实际应用中爱护管材有lGrl8Ni9Ti不锈钢和铝二钛,承压、防腐实力强。表盘构造形式有:轴向型、径向型、135度型、万向型等品种,适应于各种现场安装的须要。4计量性能要求4. 1精确度等级和最大允许误差温度计的精确度等级和最大允许误差(允许误差限)应符合表1的规定。表1精确度等级最大允许误差(量程的)/C+4.2角度调整误差可调角温度计因角度调整引起的示值变更应不超过其量程的1.0%。4.3 回差温度计的回差应不大于最大允许误差的肯定值。4.4 重复性温

4、度计的重复性应不大于最大允许误差肯定值l2o4.5 设定点误差电接点温度计其设定点误差应不大于最大允许误差的1.5倍。4.6 切换值电接点温度计,其切换差应不大于最大允许误差肯定值的1.5倍。4.7 切换重复性电接点温度计,其切换重复性应不大于最大允许误差肯定值的l2o4.8 热稳定性首次检定的温度计在测量上限保持表2规定的时间后,其示值误差仍应符合本规程的规定。表2测量上限/保持时间/h300244001250045通用技术要求5.1外观温度计各部件装配要牢固,不得松动,不得有锈蚀,爱护套应牢固、匀称和光滑。温度计表头所用的玻璃或其他透亮材料应保持透亮,不得有阻碍正确计数的缺陷或损伤。温度计

5、度盘上的刻线、数字和其他标记应完整、清楚、正确。温度计指针应遮盖1伸入)最短分度线的1434指针指示端宽度不应超过最短分度线的宽度。温度计指针与度盘平面间的距离应不大于5mm,但也不应触及度盘,对于可调角双金属温度计该项检查应在从轴向(或径向)位置到径向(或轴向)位置的全过程中进展。温度计度盘上应标有制造厂名(或厂标)、型号、出厂编号、国际温标摄氏度的符号“、精确度等级、制造年月以及计量器具制造许可证标记和编号。电接点温度计还应在度盘或外壳上标明接点额定功率、接点最高工作电压(沟通或直流、最大工作电流,接地端子的标记。5.2绝缘电阻在环境温度为1535C,相对湿度85%条件下,电接点温度计的输

6、出端子与接地端子(或外壳)之间以及各输出端子之间的绝缘电阻应不小于表3的规定值。表3额定电压/V直流试验电压/V绝缘电阻/MQ24DC1007220C500206计量器具限制计量器具限制包括:首次检定、后续检定和运用中检验。6.1检定用设备标准器检定温度计的标准器依据测量范围可分别选用二等标准水银温度计、标准汞基温度计、标准铜铜银热电偶和二等标准钳电阻温度计。配套设备恒温槽、冰点槽、I(X)V或500V的兆欧表检定环境条件温度:1535C,相对湿度:85%06.2检定工程如表5表5检定工程首次检定后续检定运用中检验外观+示值误差+角度调整误差+回差+十重复性+-一设定点误差+切换差+切换重复性

7、+-一热稳定性+一一绝缘电阻+注:表中“+表示必需检定,”-表示可不检定,亦可依据用户要求进展检定。6.3检定方法外观检查用目力视察温度计应符合本规程的规定,后续检定和运用中检验的温度计允许有不影响运用和正确读数的缺陷。绝缘电阻用额定直流电压为表3规定值的兆欧表分别测量输出端子之间、输出端子与接地端子之间的绝缘电阻,应符合本规程的规定。示值误差.1温度计的浸没长度应符合产品运用说明书的要求或按全浸检定。.2首次检定的温度计,检定点应匀称分布在整个测量范围上(必需包括测量上、下限),不得少于四点。考前须知:有Oe点的温度计应包括0。.3后续检定和运用中检验的温度计,检定点应匀称分布在整个测量范围

8、上(必需包括测量上、下限),不得少于三点。考前须知:有OC点的温度计应包括OC。.4温度计的检定应在正、反两个行程上分别向上限或下限方向逐点进展,测量上、下限值时只进展单行程检定。.5在读取被检温度计示值时,视线应垂直于度盘,运用放大镜读数时,视线应通过放大镜中心。读数时应估计到分度值的l10o.6可调角温度计的示值检定应在其轴向位置进展。.70C点的检定将温度计的检测元件插入盛有冰、水混合物的冰点槽中,待示值稳定后即可读数。考前须知:插入深度应在冰、水混合物临界点上。.8其他各点的检定将被检温度计的检测元件与标准温度计插入恒温槽中,待示值稳定后进展读数。在读数时,槽温偏离检定点温度不得超过土

9、(以标准温度计为准),分别登记标准温度计和被检温度计正、反行程的示值。在读数过程中,当槽温不超过300时,其槽温变更不应大于,槽温超过300时,其槽温变更不应大于0C。电接点温度计在进展示值检定时,应将其上、下限设定指针分别置于上、下限以外的位置上。温度计的示值误差应符合本规程的规定。考前须知:油槽温度过高,检定时穿戴好劳动爱护用品。回差温度计回差的检定与示值检定同时进展(检定点除上限值和下限值外),在同一检定点上正、反行程示值差值,即为温度计回差,应符合本规程的规定。重复性温度性在正或反行程示值检定中,在各检定点上分别重复进展屡次(至少三次)示值检定,计算出各点同一行程示值之间的最大差值即为

10、温度计的重复性,应符合本规程的规定。切换差首次检定的温度计,其切换差的检定与设定点误差的检定同时进展,在同一设定点上,上切换值平均值与下切换值平均值之差值即为该点的切换差。应符合本规程的规定。切换重复性首次检定的温度计,分别计算出在同一设定点上所测得的上切换值之间的最大差值和下切换值之间的最大差值,取其中最大值作为切换重复性。应符合本规程的规定热稳定性对首次检定的温度计经过示值检定后,将其插入恒温槽中,在上限温度(波动不大于2)持续表2所规定的时间后,取出冷却到室温,再做其次次示值检定。计算各点的示值误差,应符合本规程的规定。被检温度计示值误差的计算中选用二等标准水银温度计、标准汞基温度计做标

11、准时:恒温槽实际温度=标准温度计示值+该温度计的修正值被检温度计的示值误差=被检温度计示值一恒温槽实际温度检定过程中应留意以下几点:双金属温度计爱护管浸入被测介质中长度必需大于感温元件的长度,一般浸入长度大于100mm,050C量程的浸入长度大于150mm,以保证测量的精确性。各类双金属温度计不宜用于测量放开容器内介质的温度,带电接点温度计比翼在工作振动较大的场合的限制回路中运用。双金属温度计在保管、检定及运输中应防止碰撞爱护管,切勿使爱护管弯曲变型及将表当扳手运用。温度计在正常运用的状况下应定期检验。一般以每隔一年为宜。电接点温度计不允许在剧烈振动下检定,以免影响接点的牢靠性。6.5检定结果的处理经检定合格的温度计发给检定证书;经检定不合格的温度计发给检定结果通知书,并注明不合格工程。6.6检定周期温度计的检定周期,应依据详细运用状况确定,一般不超过1年。附录A双金属温度计检定记录格式送检单位:生产厂:证书编号:出厂编号:测量范围:型号规格:精确度:分度值:标准器:编号:外观检查:绝缘电阻:M环境温度:湿度:%RH示值检定行程检定点名义温度/正行程反行程回差角度调整误差设定点误差、切换差检定设定点温度/C上接点下接点上切换值/下切换值/上切换值/下切换值/切换平均值/C切换中值/设定点误差/切换差/结论:检定员:复核员:检定日期:

展开阅读全文
相关资源
猜你喜欢
相关搜索

当前位置:首页 > 论文 > 毕业论文

copyright@ 2008-2023 1wenmi网站版权所有

经营许可证编号:宁ICP备2022001189号-1

本站为文档C2C交易模式,即用户上传的文档直接被用户下载,本站只是中间服务平台,本站所有文档下载所得的收益归上传人(含作者)所有。第壹文秘仅提供信息存储空间,仅对用户上传内容的表现方式做保护处理,对上载内容本身不做任何修改或编辑。若文档所含内容侵犯了您的版权或隐私,请立即通知第壹文秘网,我们立即给予删除!