建筑施工现场粉尘治理检查表、记录表格式.docx

上传人:p** 文档编号:1020140 上传时间:2024-06-15 格式:DOCX 页数:4 大小:14.44KB
下载 相关 举报
建筑施工现场粉尘治理检查表、记录表格式.docx_第1页
第1页 / 共4页
建筑施工现场粉尘治理检查表、记录表格式.docx_第2页
第2页 / 共4页
建筑施工现场粉尘治理检查表、记录表格式.docx_第3页
第3页 / 共4页
建筑施工现场粉尘治理检查表、记录表格式.docx_第4页
第4页 / 共4页
亲,该文档总共4页,全部预览完了,如果喜欢就下载吧!
资源描述

《建筑施工现场粉尘治理检查表、记录表格式.docx》由会员分享,可在线阅读,更多相关《建筑施工现场粉尘治理检查表、记录表格式.docx(4页珍藏版)》请在第壹文秘上搜索。

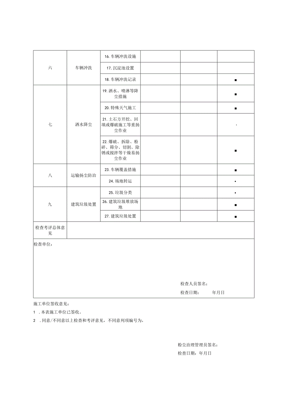
1、附录A(斐料性)建筑施工现场粉尘治理检查表A.1建筑施工现场粉尘治理检查表见表A.lo表AJ建筑施工现场粉尘治理检查表工程名称工程规模建设单位施工单位监理单位施工进度检查单位检查结果共计九类27项,本次检查涉及项,其中符合要求项,不符合要求项。检查内容检查情况及意见是否符合要求日常巡查检查项目一施工现场管理1.扬尘防治工作机构建立情况2.扬尘防治制度建立情况3.扬尘防治信息化建设情况二指标监测4.扬尘监测设备5.监测结果记录6.监测点设置三道路和场地7.主要道路硬化8.非主要道路、材料堆放区、加工区及大模板存放区地面9.办公、生活区绿化10.场地保洁四物料堆放11.物料堆放覆盖12.裸土覆盖五

2、封闭圉挡13.困挡材质14.围挡高度15.是否连续封闭六车辆冲洗16.车辆冲洗设施17.沉淀池设置18.车辆冲洗记录七洒水降尘19.洒水、喷淋等降尘措施20.特殊天气施工21.土石方开挖、回填或爆破施工等重扬尘作业22.爆破、拆除、粉碎、筛分、切割、除锈或搅拌等干燥易扬尘作业八运输扬尘防治23.车辆覆盖措施24.场地转运九建筑垃圾处置25.垃圾分类26.建筑垃圾堆放场地27.建筑垃圾处置检查考评总体意见检查单位:检查人员签名:检查日期:年月日施工单位签收意见:1 .本表施工单位已签收。2 .同意/不同意以上检查和考评意见,不同意列项编号为,粉尘治理管理员签名:检查日期:年月日注1:“”为日常巡

3、查应检查项目。注2:定期检查、不定期抽查应检查以上所有项目O注3:“是否符合要求”列结论以“是”或“否”填入。注4:本表可用于施工单位自评、监理单位考评、注5:本表被检查人签收后,存检查单位。建设单位现场考评,也可供质量监督主管部门考评时参考。附录B(斐料性)记录表格式B.1流量校准记录表格式见表B.lo表B.1流量校准记录表检查单位:检查人:日期:工程名称仪器名称工程报建号仪器编号施工单位校准时间校准前设定流量实测流量1实测流量2实测流量3相对误差是否需要调整流量校准后设定流量实测流量I实测流量2实测流量3相对误差是否符合要求B.2扬尘检测仪校准记录表格式见表B.2。表B.2扬尘检测仪校准记录表检查单位:检查人:日期:工程名称仪器名称工程报建号仪器编号施工单位校准时间校零校零前是否需要调整校零后是否合格校标校零前是否需要调整校零后是否合格

展开阅读全文
相关资源
猜你喜欢
相关搜索

当前位置:首页 > 办公文档 > 事务文书

copyright@ 2008-2023 1wenmi网站版权所有

经营许可证编号:宁ICP备2022001189号-1

本站为文档C2C交易模式,即用户上传的文档直接被用户下载,本站只是中间服务平台,本站所有文档下载所得的收益归上传人(含作者)所有。第壹文秘仅提供信息存储空间,仅对用户上传内容的表现方式做保护处理,对上载内容本身不做任何修改或编辑。若文档所含内容侵犯了您的版权或隐私,请立即通知第壹文秘网,我们立即给予删除!