IPQC岗位说明书.docx

上传人:p** 文档编号:1026719 上传时间:2024-06-15 格式:DOCX 页数:3 大小:13.68KB
下载 相关 举报
IPQC岗位说明书.docx_第1页
第1页 / 共3页
IPQC岗位说明书.docx_第2页
第2页 / 共3页
IPQC岗位说明书.docx_第3页
第3页 / 共3页
亲,该文档总共3页,全部预览完了,如果喜欢就下载吧!
资源描述

《IPQC岗位说明书.docx》由会员分享,可在线阅读,更多相关《IPQC岗位说明书.docx(3页珍藏版)》请在第壹文秘上搜索。

1、岗位名称IPQC岗位代码所属机构品质部岗位编制直接上级IPQC组长直接下级人数0工作联系内部研发,计划、工程、生产、ID工程师、包装设计工程师外部无工作概要:生产过程的发i量监控、质量事故原因分析、质量改善建议、质量仪器设备的使用。岗位主要职责权重业绩衡量标准数据来源职责一职责描述:.负责对首件的核对确认40%首件确认表品质部工作任务1:生产、工程确认后核对BOM,生产指令单、潘通号客户特殊要求等做首件,确认OK再开拉作业,)2:注油的首件需要装烟嘴硅胶+底部贴纸3:第一次大货每个口味需要5支首件,实验室每个口味2支(一支品质封样,一支带包装首件,一支留产线核对);职责二职责描述:制程巡检40

2、%制程品质标准文件、首件缺失率品质部工作任务1:确认拉线生产的型号、BOM对应物料核对、找对应型号样品,生产指令单,SIP;2:生产过程中检查5S,作业人员工衣工帽工鞋(鞋套)是否符合要求;3:检查监督作业人员是否严格按照SOP作业(手法,工装夹具,岗位要求,并做好记录);职责三职责描述:异常处理跟进20%产品异常处理品质部工作任务1:发现功能性不良与批量性不良,应停岗隔离,贴上不良标示卡,通知产线负责人与上级,同时开出异常单,待处理后再上岗作业;2:发现个别不良现象时,做出初步分析,通知产线负责人进行改善,同时记录巡检表上,并跟进改善结果3:考勤不随意请假旷工,工作态度服从上级安排,纪律:上

3、班时间不做与工作无关的事。职责四例行工作:(日、周、月)工作任务每日工作总结报告,日清日结每周提交周清表负责产品实现过程中质量管控,确保产品质量合格入库;配合主管维护制程产品质量稳定性的品质工作。岗位任职权限:供应商选择建议权,物料价格谈判权。基本任职资格条件教育与专业资质要求学历高中及以上专业不限培训经历有过ISO质量管理体系培训经验者优先资格证书/工作经验要求专业经验熟悉产品试制流程,熟悉电子烟品类的各项测试及检验标准要求;管理经验1年以上电子烟产品品质现场管理工作经验,较强的沟通协调和执行能力,抗压能力强知识要求业务知识熟悉测量设备,填写日报表。管理知识熟悉质量管理体系、GMP体系、14

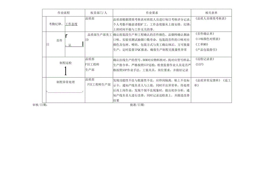
4、001管理体系要求;能力素质要求较强的沟通协调和执行能力,工作细心认真,有品质记录追溯及产品分析能力,原则性强,责任心强审核/日期:批准/口期:作业流程权责部门/人作业要求相关表单考勤纪律、工作态度品质部品质部根据绩效考核表对班组人员进行每日考核评分记录,个人考勤不随意请假旷工,工作态度服从上级安排,纪律:上班时间不做与工作无关的事。品质人员绩效考核表首件日r,认I品质部生产部美工ID确认组装段生产和工程确认的首件颜色、品烟师确认烟油口味、实验室测试抽烟口数寿命,包装段首件的口味对应颜色及包材、喷码、包装方式与美工确认OK后,方可批量生产;定时监督IPQC报表,确保生产制程无批量性异常首件确认单口味颜色对照表工单M0产品包装指引制程巡检1品质部PIE工程师生产部确认拉线生产的型号、BOM对应物料核对、找对应型号样品,生产指令单,严格按照SIP巡检;检查监督作业人员是否严格按照SOP作业手法,工装夹具,岗位要求,并做好记录巡检记录表SIP制程异常处理1品质部PIE工程师生产部发现功能性不良与批量性不良,应停岗隔离,贴上不良标示卡,通知产线负责人与上级,同时开出异常单,待处理后再上岗作业;发现个别不良现象时,做出初步分析,通知产线负责人进行改善,同时记录巡检表上,并跟进改善结果品质异常反馈单返工单审核/日期:批准/日期:

展开阅读全文
相关资源
猜你喜欢
相关搜索

当前位置:首页 > 管理/人力资源 > 质量管理

copyright@ 2008-2023 1wenmi网站版权所有

经营许可证编号:宁ICP备2022001189号-1

本站为文档C2C交易模式,即用户上传的文档直接被用户下载,本站只是中间服务平台,本站所有文档下载所得的收益归上传人(含作者)所有。第壹文秘仅提供信息存储空间,仅对用户上传内容的表现方式做保护处理,对上载内容本身不做任何修改或编辑。若文档所含内容侵犯了您的版权或隐私,请立即通知第壹文秘网,我们立即给予删除!