金属门窗安装分项工程(铝合金门窗)检验批质量验收记录模板.docx

上传人:p** 文档编号:1029868 上传时间:2024-06-15 格式:DOCX 页数:1 大小:11.33KB
下载 相关 举报
金属门窗安装分项工程(铝合金门窗)检验批质量验收记录模板.docx_第1页
第1页 / 共1页
亲,该文档总共1页,全部预览完了,如果喜欢就下载吧!
资源描述

《金属门窗安装分项工程(铝合金门窗)检验批质量验收记录模板.docx》由会员分享,可在线阅读,更多相关《金属门窗安装分项工程(铝合金门窗)检验批质量验收记录模板.docx(1页珍藏版)》请在第壹文秘上搜索。

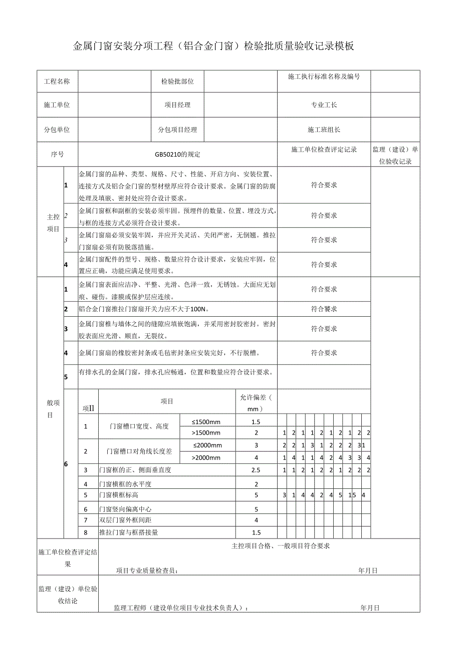
1、金属门窗安装分项工程(铝合金门窗)检验批质量验收记录模板工程名称检验批部位施工执行标准名称及编号施工单位项目经理专业工长分包单位分包项目经理施工班组长序号GB50210的规定施工单位检查评定记录监理(建设)单位验收记录主控项目1金属门窗的品种、类型、规格、尺寸、性能、开启方向、安装位置、连接方式及铝合金门窗的型材壁厚应符合设计要求。金属门窗的防腐处理及填嵌、密封处应符合设计要求。符合要求2金属门窗框和副框的安装必须牢固。预埋件的数量、位置、埋没方式,与框的连接方式必须符合设计要求。符合要求3金属门窗扇必须安装牢固,并应开关灵活、关闭严密,无倒翘。推拉门窗扇必须有防脱落措施。符合要求4金属门窗配

2、件的型号、规格、数量应符合设计要求,安装应牢固,位置应正确,功能应满足使用要求。符合要求般项目1金属门窗表面应洁净、平整、光滑、色泽一致,无锈蚀。大面应无划痕、碰伤。漆膜或保护层应连续。符合要求2铝合金门窗推拉门窗扇开关力应不大于100N。符合饕求3金属门窗椎与墙体之间的缝隙应填嵌饱满,并采用密封胶密封。密封胶表面应光滑、顺直,无裂纹。符合要求4金属门窗扇的橡胶密封条或毛毡密封条应安装完好,不行脱槽。符合要求5有排水孔的金属门窗,排水孔应畅通,位置和数量应符合设计要求。6项Il项目允许偏差(mm)1门窗槽口宽度、高度1500mm1.51500mm212112121222门窗槽口对角线长度差2000mm322131222312000mm414114243343门窗框的正、侧面垂直度2.511212212224门窗横框的水平度25门窗横框标高531442451546门窗竖向偏离中心57双层门窗外框间距48推拉门窗与框搭接量1.5施工单位检查评定结果主控项目合格、一般项目符合要求项目专业质量检查员:年月日监理(建设)单位验收结论监理工程师(建设单位项目专业技术负责人):年月日

展开阅读全文
相关资源
猜你喜欢
相关搜索

当前位置:首页 > 建筑/环境 > 建筑资料

copyright@ 2008-2023 1wenmi网站版权所有

经营许可证编号:宁ICP备2022001189号-1

本站为文档C2C交易模式,即用户上传的文档直接被用户下载,本站只是中间服务平台,本站所有文档下载所得的收益归上传人(含作者)所有。第壹文秘仅提供信息存储空间,仅对用户上传内容的表现方式做保护处理,对上载内容本身不做任何修改或编辑。若文档所含内容侵犯了您的版权或隐私,请立即通知第壹文秘网,我们立即给予删除!