刮板输送机司机作业流程标准.docx

上传人:p** 文档编号:1032051 上传时间:2024-06-15 格式:DOCX 页数:4 大小:11.39KB
下载 相关 举报
刮板输送机司机作业流程标准.docx_第1页
第1页 / 共4页
刮板输送机司机作业流程标准.docx_第2页
第2页 / 共4页
刮板输送机司机作业流程标准.docx_第3页
第3页 / 共4页
刮板输送机司机作业流程标准.docx_第4页
第4页 / 共4页
亲,该文档总共4页,全部预览完了,如果喜欢就下载吧!
资源描述

《刮板输送机司机作业流程标准.docx》由会员分享,可在线阅读,更多相关《刮板输送机司机作业流程标准.docx(4页珍藏版)》请在第壹文秘上搜索。

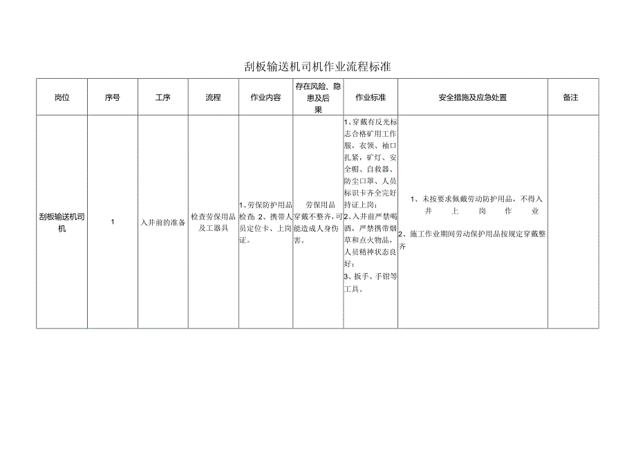
1、刮板输送机司机作业流程标准岗位序号工序流程作业内容存在风险、隐患及后果作业标准安全措施及应急处置备注刮板输送机司机1入井前的准备检查劳保用品及工器具1、劳保防护用品检查;2、携带人员定位卡、上岗证。劳保用品穿戴不整齐,可能造成人身伤害。1、穿戴有反光标志合格矿用工作服,衣领、袖口扎紧,矿灯、安全帽、自救器、防尘口罩、人员标识卡齐全完好,持证上岗;2、入井前严禁喝酒,严禁携带烟草和点火物品,人员精神状态良好;3、扳手、手钳等工具。1、未按要求佩戴劳动防护用品,不得入井上岗作业2、施工作业期间劳动保护用品按规定穿戴整齐2接班现场接班1、与上一班刮板输送机司机现场交接班;2、交接清相关内容。1、询问

2、上一班设备运行情况:2、询问上一班设备中遇到的问题、处理情况及本班需注意的事项;3、双方在交接班单上签字O3作业前的准备检查作业环境检查作业地点顶帮支护情况。作业地点支护良好,无漏顶、无片帮。检查设备检查刮板输送机刮板信号、按钮、各紧固件及机头、机尾固定情况。1、刮板输送机机头、机尾护罩齐全,地锚固定牢固;2、刮板输送机必须确保信号清晰、操作按钮灵敏可靠;3、刮板无缺失、弯曲、变形、螺丝紧固,大链紧固程度事宜,压链块完好;4、电机、减速器、链轮完好,无异常声响。刮板输送机司机刮板输送机司机4试运行送电通知电工送电电工合上馈电开关发出开机信号,试运行。按开机信号规定发出信号,点动试运行。开机前不

3、发出信号,或未收到回复信号误启动,可能造成刮板输送机误启动伤人。开机前必须发出信号,收到回复信号后,执行点动试机,观察机器各部位运转声音正常,无飘链,出槽现象,方可正常开机。开机前必须发出信号,收到回复信号后,方可开机。5启动按下启动按钮按规定操作按钮启动。运行过程中现场作业人员违规跨越煤溜可能造成伤害。1、无信号或信号不清晰严禁启动;2、严禁超负荷启动。在刮板输送机上设置过人桥。6停机停机闭锁按停机信号停机、闭锁控制开关。停机未执行停机闭锁,可能造成输送机误启动收停机信号后必须立即停机、并将控制开关手把严格执行停机闭锁。伤人。打到闭锁位置。7收尾工作清理现场,填写记录。1、清理现场;2、填写记录。1、机头、机尾卫生清理干净,工具排放整齐;2、记录填写的内容准确、清晰、无涂改、无缺页。8交班现场交班1、作业现场交接班;2、双方共同检查设备完好情况,交待本班设备运行的情况;3、双方在交接班单上签字。1、交接班人员现场交接班;2、告知接班人员本班设备运行情况及存在的问题;3、交接班记录填写的内容准确、清晰、无涂改。

展开阅读全文
相关资源
猜你喜欢
相关搜索

当前位置:首页 > 汽车/机械/制造 > 制造加工工艺

copyright@ 2008-2023 1wenmi网站版权所有

经营许可证编号:宁ICP备2022001189号-1

本站为文档C2C交易模式,即用户上传的文档直接被用户下载,本站只是中间服务平台,本站所有文档下载所得的收益归上传人(含作者)所有。第壹文秘仅提供信息存储空间,仅对用户上传内容的表现方式做保护处理,对上载内容本身不做任何修改或编辑。若文档所含内容侵犯了您的版权或隐私,请立即通知第壹文秘网,我们立即给予删除!