光伏土建工程质量{沟道盖板安装质量}验收通用标准.docx

上传人:p** 文档编号:1038711 上传时间:2024-06-15 格式:DOCX 页数:1 大小:7.68KB
下载 相关 举报
光伏土建工程质量{沟道盖板安装质量}验收通用标准.docx_第1页
第1页 / 共1页
亲,该文档总共1页,全部预览完了,如果喜欢就下载吧!
资源描述

《光伏土建工程质量{沟道盖板安装质量}验收通用标准.docx》由会员分享,可在线阅读,更多相关《光伏土建工程质量{沟道盖板安装质量}验收通用标准.docx(1页珍藏版)》请在第壹文秘上搜索。

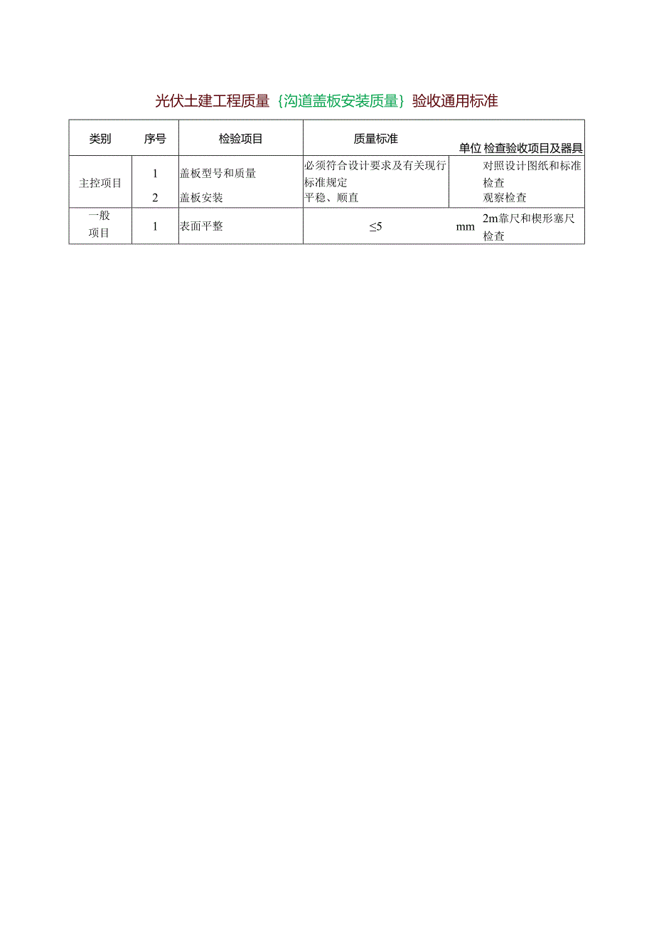
光伏土建工程质量沟道盖板安装质量验收通用标准类别序号检验项目质量标准单位检查验收项目及器具主控项目1盖板型号和质量必须符合设计要求及有关现行标准规定对照设计图纸和标准检查2盖板安装平稳、顺直观察检查一般项目1表面平整5mm2m靠尺和楔形塞尺检查

展开阅读全文
相关资源
猜你喜欢
相关搜索

当前位置:首页 > 建筑/环境 > 施工组织

copyright@ 2008-2023 1wenmi网站版权所有

经营许可证编号:宁ICP备2022001189号-1

本站为文档C2C交易模式,即用户上传的文档直接被用户下载,本站只是中间服务平台,本站所有文档下载所得的收益归上传人(含作者)所有。第壹文秘仅提供信息存储空间,仅对用户上传内容的表现方式做保护处理,对上载内容本身不做任何修改或编辑。若文档所含内容侵犯了您的版权或隐私,请立即通知第壹文秘网,我们立即给予删除!