油罐火灾爆炸现场处置卡.docx

上传人:p** 文档编号:1042415 上传时间:2024-06-16 格式:DOCX 页数:1 大小:17.94KB
下载 相关 举报
油罐火灾爆炸现场处置卡.docx_第1页
第1页 / 共1页
亲,该文档总共1页,全部预览完了,如果喜欢就下载吧!
资源描述

《油罐火灾爆炸现场处置卡.docx》由会员分享,可在线阅读,更多相关《油罐火灾爆炸现场处置卡.docx(1页珍藏版)》请在第壹文秘上搜索。

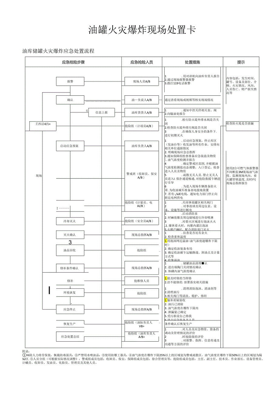
1、油罐火灾爆炸现场处置卡油库储罐火灾爆炸应急处置流程应急抢险步骤应急抢险人员处置措施提示1 .用对讲机向油库负资人报告2 .通过现场报警器报警3 .拨打119电话报警内容包括:发生时间、罐号、设备及部位、介顺、火灾情况、风向、人员伤亡、财产损失情况等报警现场人员A/B确认油负说人A/B通过杳看现场或视频等核实现场情况4信息上报油库货货人A/B1 .通知中控关停相关泵、阀2 .向输油处报告1 .检行防火堤外排水阀是否关闭2 .检查防火堤外排污阀是否关闭3 .在确保人身安全的条件下.进行初期灭火1 .后动应急预案,停止库区(发油台等)收发油等所有作业,安排向相关单位通报情况2 .明确现场应急总指挥3

2、 .通知保障组检杳准备应急装翁及物资.油气浓度检测并报告4 .确定警戒区范囹,并根据油气浓度检测值动态调整,入口登记、检杳进入人员及物资5 .疏散无关人员.禁止无关人员进入I.保扑通道畅通,对抢险救援乍辆进行引导6 .为进入现场车辆准备防火罩.为收油城军准备部电接地袋置7 .若有1JE电线,通知电力部门停止向附近电网供电壬西法4/1抢险组(计靖员A/B)检查防火堤是否溶漏启动应急预案油库负货人A/B现场警戒班(收卸员、保安A/B)使用2台可燃气体报警器不间断监3M现场油气浓度、监测现场风向,着火罐管壁温度,及时I句现场总指挥报告抢险组计量员、电IA/B)1 .关闭事故罐区相关阀门2 .对事故球

3、及周边仪表、设备、设施等进行断电I1 .后动消防泉2 .时W故雄及周边储域进行冷却喷淋3 .对蓿火区域进行泡沫火火,1.窿休着火时,向雄内濯注泡沫5.火梢产IR时,配合消防部门灭火冷却灭火抢险组(安全员A/B)灭火确认现场总指挥A/B1 .拉杳是否还有余火2 .检查雀体温度-31.用泡沐网近溢油条件确认后恢复生产1 .对人员及应急物资、袋备的调动及管理情况的评价2 .时抢除级的评价3 .对报警、指挥、信息传递及沟通等方面的评价应急处置总结抢险组(油库负责人AB附录:Hi险人力将劳保装,佩戢防毒面具:严禁用水喷油品:使用防爆工器具:油气浓度在爆炸下限25%以上的区域划为警戒疏散区,油气浓度在爆炸下限50%以上的区域划为隔J区.人员分组(可根据实际情况调整:警戒组成员包括:收卸员、保安:保障组成员包括:徐合管理员等:抢险组成员包括:主任、副主任、技术员、作业部长、设备管理员、计蛾员、收卸员、发油员、化胎员、管理员及其他人员,

展开阅读全文
相关资源
猜你喜欢
相关搜索

当前位置:首页 > 行业资料 > 公共安全/安全评价

copyright@ 2008-2023 1wenmi网站版权所有

经营许可证编号:宁ICP备2022001189号-1

本站为文档C2C交易模式,即用户上传的文档直接被用户下载,本站只是中间服务平台,本站所有文档下载所得的收益归上传人(含作者)所有。第壹文秘仅提供信息存储空间,仅对用户上传内容的表现方式做保护处理,对上载内容本身不做任何修改或编辑。若文档所含内容侵犯了您的版权或隐私,请立即通知第壹文秘网,我们立即给予删除!