现场安全文明评分表(海外工程类).docx

上传人:p** 文档编号:1043199 上传时间:2024-06-16 格式:DOCX 页数:6 大小:23.79KB
下载 相关 举报
现场安全文明评分表(海外工程类).docx_第1页
第1页 / 共6页
现场安全文明评分表(海外工程类).docx_第2页
第2页 / 共6页
现场安全文明评分表(海外工程类).docx_第3页
第3页 / 共6页
现场安全文明评分表(海外工程类).docx_第4页
第4页 / 共6页
现场安全文明评分表(海外工程类).docx_第5页
第5页 / 共6页
现场安全文明评分表(海外工程类).docx_第6页
第6页 / 共6页
亲,该文档总共6页,全部预览完了,如果喜欢就下载吧!
资源描述

《现场安全文明评分表(海外工程类).docx》由会员分享,可在线阅读,更多相关《现场安全文明评分表(海外工程类).docx(6页珍藏版)》请在第壹文秘上搜索。

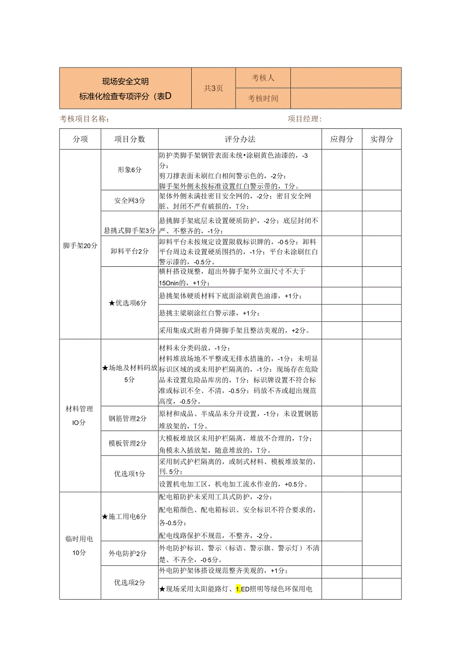
1、现场安全文明标准化检查专项评分(表D共3页考核人考核时间考核项目名称:项目经理:分项项目分数评分办法应得分实得分脚手架20分形象6分防护类脚手架钢管表面未统涂刷黄色油漆的,-3分:剪刀撑表面未刷红白相间警示色的,-2分:脚手架外侧未按标准设置红白警示带的,T分。安全网3分架体外侧未满挂密目安全网的,-2分;密目安全网脏、封闭不严有破损的,T分:悬挑式脚手架3分悬挑脚手架底层未设置硬质防护,-2分;底层封闭不严、不整齐的,-1分:卸料平台2分卸料平台未按规定设置限载标识牌的,-05分:卸料平台周边未设置硬质围挡的,-1分;平台未涂刷红白警示漆的,-0.5分。优选项6分横杆搭设规整,超出外脚手架外

2、立面尺寸不大于15Onin的,+1分;悬挑架体硬质材料下底面涂刷黄色油漆,+1分;悬挑主梁刷涂红白警示漆,+1分;采用集成式附着升降脚手架且整洁美观的,+2分。材料管理IO分场地及材料码放5分材料未分类码放,-1分:材料堆放场地不平整或无排水措施的,-1分:未明显标识区域的或未用护栏隔离的,-1分:现场存在危险品未设置危险品库房的,T分;标识牌设置不符合标准或标识不全、不清,-0.5分:码放不齐或超出规范高度,-0.5分。钢筋管理2分原材和成品、半成品未分开设置,-1分:未设置钢筋堆放架的,T分。模板管理2分大模板堆放区未用护栏隔离,堆放不合理的,T分;角模未入插放架,随意堆放的,T分。优选项

3、1分采用制式护栏隔离的,或制式材料、模板堆放架的,刊.5分;设置机电加工区,机电加工流水作业的,+0.5分。临时用电10分施工用电6分配电箱防护未采用工具式防护,-2分:配电箱颜色、配电箱标识、安全标识不符合要求的,各-0.5分:配电线路保护不规范,不整齐,-2分。外电防护2分外电防护标识、警示(标语、警示旗、警示灯)不清楚、不齐全,-05分。优选项2分外电防护架体搭设规范整齐美观的,+1分;现场采用太阳能路灯、1.ED照明等绿色环保用电设施的,+1分。安全防护20分防护棚3分人员进出建筑物通道未搭设防护棚的,-1分;通道两侧未封闭的,T分;安全通道架管未刷漆的,T分;临边防护2分防护栏杆未刷

4、警示漆的,T分;未按照规定设置挡脚板并刷漆的,T分。洞口防护2分洞口防护未刷红白警示漆的,T分:未按照规定设置挡脚板并刷漆的,1分。电梯井防护5分电梯井口未采用工具式防护栏杆的,-2分:工具式防护栏杆未做牢固固定的,-1分;未按照规定设置挡脚板并刷警示漆的,-1分。安全标志1分通道上方未悬挂安全标志的,-0.5分:通道两侧未悬挂标语、标识的,-05分。马道搭设2分马道防护栏杆未刷警示漆的,-1分:未按规定设施挡脚板的,T分:优选项5分防护棚采用标准工具式,安全警示标语齐全的,+1分I临边防护全部采用标准工具式防护栏杆的,+2分;楼梯防护全部采用标准工具式防护的,+1分采用标准工具式马道防护或基

5、坑爬梯的,+1分。施工机械10分运料平台4分施工升降机运料平台临边防护未采用工具式防护门,-3分:防护门上中建标识不齐全、不清晰,-0.5分;门框及防护栏杆未刷警示漆的,-1分。加工棚3分钢筋加工棚、小型机械防护棚、切割机、电焊机防护罩设置不规范未刷漆,无安全标识的,-2分:木工加工棚搭设不整洁美观的,T分。标识、标牌2分未悬挂施工升降机限较标识牌、验收牌、塔式起重机编号牌、操作规程牌等的,各-0.5分。各类标识标牌未采用中文、当地语言或英文对照的,T分优选项1分全部采用标准工具式钢筋加工棚、中小型机械防护棚的,+0.5分;塔式起重机采用标准工具式基础圉挡和防攀爬设施的,却.5分。消防管理10

6、分消防设施6分未设置临时消防系统的,-2分;消防泵设置少于两台,未达到互为备用的,T分:重点防护部位未设置消防器材或设置不合理的,-1分;消火栓未设置警示标志的,T分;施工现场未张挂防火宣传标志,-1分。气瓶存运3分未使用专用推车运送气瓶,-2分:未按要求制作气瓶托架的,T分。优选项1分设置标准消防设施墙的,+0.5分;设置标准消防泵房且整洁美观的,+0.5分.生活区管理理分宿舍管理8分生活区与施工区未明确划分,封闭管理的,-2分:生活区用房不密闭、安全、美观的,-2分;未悬挂生活区管理制度、宿舍管理制度、消防防火管理制度(双语)图牌的,T分:无防雨晾衣区,衣物晾晒混乱的,-1分:生活垃圾未采

7、用分类回收处理,或未设置封闭式垃圾池,垃圾未及时清运的,-1分;无有效的排水措施,卫生差的,-I分。优选项2分采用模块化集装箱临建用房的,+1分;设置医疗系统,配备必要医疗器材和药物的,+0.5分;生活区采用太阳能热水、绿化较好、设置空调及食堂油烟净化器等设施的,+0.5分。安全文化10分安全标语、标识2分现场未按要求悬挂双语安全标语、标识的,-2分。安全图牌4分现场未按要求设置双语安全管理制度牌的,T分;现场未按要求设置双语楼层提示牌、验收牌、危险源公示牌等的,每项-0.5分。临时设施2分现场未设置移动厕所的,-1分:现场未设置烟茶亭的,T分。优选项2分现场按要求设置安全文化长廊的,+0.5

8、分;采用移动式工具箱培训、体验式安全教育的,+1分;现场设置安全讲评台且整洁美观的,+0.5分.总应得分,总得分:实得分I现场安全文明安全管理专项评分(表2)共3页考核人考核时间考核项目名称:项目经理:分项项目分数评分办法应得分实得分内业资料管理40分组织保障5分未按要求设置安全管理部门,扣1分;未按要求配备专职安全生产管理人员,扣2分;未审核分包资质,未签订总分包安全管理协议书的,扣2分。人员管理2分未按时做好人员出入场记录的,T分:雇用当地工人时,未成立外籍雇工管理机构,并做好审查手续或记录不全的,7分;安全策划2分项目未开展安全生产策划的,扣2分;安全策划书审批不合格的,扣1分;安全策划

9、书没有针对性的,扣1分。技术管理3分未落实安全技术方案的编制、审核、审批、交底程序,每缺1项扣1分;未对超过一定规模的危险性较大的分部分项工程编制专项方案和组织专家论证的,扣3分。安全费用投入3分未制定安全费用投入总计划和年度计划的,扣2分:费用投入没有建立统计台帐,扣1分。教育培训6分特种作业人员未持有效证件上岗的,扣1分:外派人员未开展出国前安全教育的,扣2分;未对新入场人员进行岗前安全培训教育,扣1分:未开展班前和班后总结的,每发现1次扣1分:教育培训内容未包括当地法律法规、风俗习惯、传染性疾病防治常识、突发紧急事件应急处置等,缺一项扣0.5分安全教育培训记录不全,扣1分;未开展项目安全

10、管理手册宣贯培训,扣1分。安全检查5分项目负责人未按规定履行领导带班生产职责,记录每缺1次扣1分;每周开展不少于1次的大检查,每缺1次扣1分:每月开展不少于1次的综合大检查,每缺1次扣2分:未对检查情况进行总结分析,每缺1次扣1分:未在规定时间内完成隐患整改,每次扣1分;安全检查资料不完整,隐患整改记录不齐全,每次扣1分。安全验收3分未对进场的机具、大型设备、临时设施、防护用品等进行安全验收,每缺1项扣1分。安全活动2分未开展“行为安全之星”活动(召开启动会并实施)的,扣2分;未开展“安全教育月”“安全生产月”等安全活动的,扣1分。手机APP使用3分未使用项目安全管理手机APP系统,扣3分;检

11、查时间间隔超过1周,每发生1次扣1分:安全隐患未按期整改的,每发生1次,扣0.5分;重大安全隐患未上线,每发生1次扣2分。内业资料40分应急管理3分未编制境外突发事件现场处置方案,扣3分:未制定演练计划,扣2分;未落实培训演练,缺1次扣1分。职业健康管理3分未制定项目职业健康管理工作计划、医疗应急反应预案,各-1分;未建立符合项目自身需求的现场医疗人员、器械、药品配置,扣1分;未开展入场人员体检并建立员工健康档案的,扣1分现场实体60分基坑支护5分基坑周边安全防护设施失效,扣1分;基坑周边排水不畅通,扣05分:坑壁支护不符合方案要求,扣1分:基坑周边堆物不符合要求,扣1分;基坑人行上下通道搭设

12、不符合要求,扣0.5分:基坑防护栏未设置警示牌和夜间警示灯,扣1分:未对基坑支护进行沉降变形监测并采取应对措施,扣1分。脚手架8分脚手架搭设、安装不符合方案要求,扣3分;脚手架与建筑结构拉结不符合要求,扣3分;脚手板铺设与防护不符合要求,扣2分:脚手架立面全封闭防护不符合要求,扣2分;脚手架人行通道搭设不符合要求,扣1分;悬挑脚手架锚固粱固定不符合要求,扣2分:卸料平台制作、安装不符合要求,扣2分;卸料平台荷载未在规定范围内,扣2分。现场实体60分模板支架6分模板支撑系统搭设、安装不符合规范和方案设计要求,扣5分;支撑系统自由端超出规范规定扣2分:混凝土浇筑时施工荷载未控制在规定范围内,扣3分

13、混凝土浇筑时未搭设可靠作业平台,扣3分:模板拆除前未经拆模巾清并批准,扣2分。安全防护8分安全帽、安全带、安全网使用不符合要求,扣2分:楼梯口、电梯井口、预留洞口、通道口的安全防护不符合要求,扣2分;阳台、楼梯、楼层及屋面周边等临边防护不符合要求,扣2分。主体结构坠落半径未设水平防护或不符合要求,扣2分。临时用电6分小于安全距离的外电防护不符合要求,扣2分;未严格执行“三相五线制”,“三级配电、两级保护”的原则,扣8分;现场未做到“一机、一闸、一漏”,扣2分;电闸箱安装、电缆架设或埋设不符合要求,扣2分;临时用电重复接地、防雷接地不符合要求,测试记录不齐全,扣1分:临时用电高压、低压照明系统未

14、分开设置,扣1分。塔吊与起重吊装6分塔吊基础设计、施工、验收不符合要求,扣2分:设备安全装置不灵敏或失效,发现一项扣1分;附墙装置设计、制造、安装不符合要求,扣2分;未制定群塔作业防碰撞措施,扣2分:起重吊装作业钢丝绳、地锚或吊点选择不符合要求,扣2分。物料提升机与施工电梯5分设备无生产许可证、产品合格证,扣1分:缆风绳、地锚、附墙装置设置不符合要求,扣1分;钢丝绳质量及其使用不符合要求,扣1分;设备安全装置失效或不灵敏,发现项扣1分;电梯吊笼出入口、吊篮首层进料口未搭设防护棚,扣1分。高处作业吊篮3分设备无生产许可证、产品合格证,扣1分:设备安全装置不灵敏或失效,发现一项扣1分;悬挂机构的安装、使用不符合要求,发现项扣1分:

展开阅读全文
相关资源
猜你喜欢
相关搜索

当前位置:首页 > 建筑/环境 > 安全文明施工

copyright@ 2008-2023 1wenmi网站版权所有

经营许可证编号:宁ICP备2022001189号-1

本站为文档C2C交易模式,即用户上传的文档直接被用户下载,本站只是中间服务平台,本站所有文档下载所得的收益归上传人(含作者)所有。第壹文秘仅提供信息存储空间,仅对用户上传内容的表现方式做保护处理,对上载内容本身不做任何修改或编辑。若文档所含内容侵犯了您的版权或隐私,请立即通知第壹文秘网,我们立即给予删除!