1#B区_叠合板计算书.docx

上传人:p** 文档编号:1044959 上传时间:2024-06-18 格式:DOCX 页数:8 大小:47.45KB
下载 相关 举报
1#B区_叠合板计算书.docx_第1页
第1页 / 共8页
1#B区_叠合板计算书.docx_第2页
第2页 / 共8页
1#B区_叠合板计算书.docx_第3页
第3页 / 共8页
1#B区_叠合板计算书.docx_第4页
第4页 / 共8页
1#B区_叠合板计算书.docx_第5页
第5页 / 共8页
1#B区_叠合板计算书.docx_第6页
第6页 / 共8页
1#B区_叠合板计算书.docx_第7页
第7页 / 共8页
1#B区_叠合板计算书.docx_第8页
第8页 / 共8页
亲,该文档总共8页,全部预览完了,如果喜欢就下载吧!
资源描述

《1#B区_叠合板计算书.docx》由会员分享,可在线阅读,更多相关《1#B区_叠合板计算书.docx(8页珍藏版)》请在第壹文秘上搜索。

1、(2)钢筋参数钢筋类型直径钢筋等级钢筋排布间距沿板宽度方向8HRB400200沿板长度方向8HRB400200钢筋相对位置沿跨长方向钢筋在上(3)钢筋桁架参数桁架规格B80排列参数200,600X3,200桁架焊接点跨距(Ps)200mm桁架截面高(三)80mm桁架跨宽(Bt)80mm上弦钢筋直径(dl)IOmtn上弦钢筋等级HRB400下弦钢筋直径(d3)811un下弦钢筋等级HRB400腹杆钢筋直径(d2)6腹杆钢筋等级HPB300(4)板吊件参数吊件种类桁架加强筋钢筋等级HRB400吊件长度280mm钢筋直径8mm(5)计算参数混凝土强度等级C30混凝土容重25.0kNm3吊装动力系数1

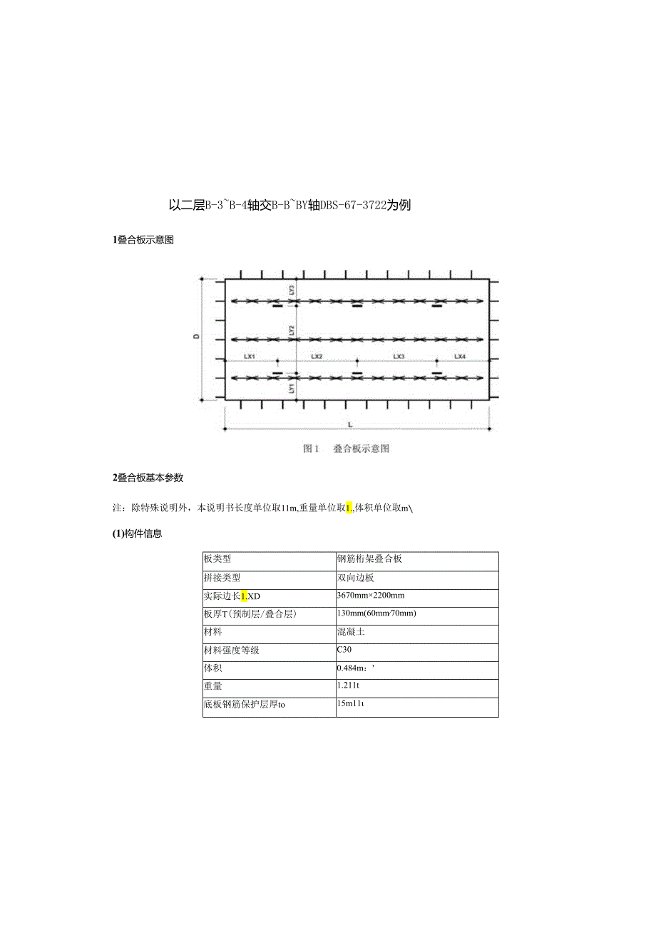
2、.5以二层B-3B-4轴交B-BBY轴DBS-67-3722为例1叠合板示意图2叠合板基本参数注:除特殊说明外,本说明书长度单位取11m,重量单位取1.,体积单位取m(1)构件信息板类型钢筋桁架叠合板拼接类型双向边板实际边长1.XD3670mm2200mm板厚T(预制层/叠合层)130mm(60mm70mm)材料混凝土材料强度等级C30体积0.484m:重量1.211t底板钢筋保护层厚to15m11国R超合厢:气,度示意图组合梁的(当a0l时,ba=0.5a-0.3al公式3-2当aRO时,ba=0.2l0;相邻桁架下弦筋形心间距=600-80+8=52811三Vlo=3670mm;b.=(0

3、.5-0.3X528/3670)X528=241.211mm:即B=241.2112+72=554.422mma=600ran,则B=554.422mm:板宽范围B内与桁架筋平行的板内分布钢筋配筋面积:A1=3JI820.25=150.811m钢筋与预制板混凝土的弹性模量之比:af=EsE,=200000/30000=6.71.中性轴(含桁驴筋合但乎可)Bt(h+(,h1+Ah)(ar-1)2IlssEy=h公式3-3Bt+(1+)(ar-1)+Xar1sEcE根据公式3-3,代入相关值求得y。=30.9mm2.惯性矩(含桁架筋合成截面)292In=Aa(h-yn)+y-(h-h)A+y-(h

4、-h)A(a-1)VVC*UVJ1.USSCt913+(y0工)XBXt下XBXt公式3-4根据公式3-3及公式3-4,代入相关值得Io=123857OO111m,3.被面抵抗矩(含桁架筋合成截面)1)混凝土截面上边缘:Wc=I(t-y0)=425475mm,2)混凝土截面下边缘:W,=Iayo=400963mm脱模动力系数1.2脱模吸附力1.5kN/m吊索与竖直方向的夹角B0.0预埋吊件安全系数。4.0脱模时混凝上强度百分比75.0%3截面分析(1)平行桁架方向板截面分析上弦筋截面面积At=111020.25=78.5mm-下弦筋截面面积K=11:FX0.252=100.5mm2腹杆筋右亓而

5、积A.=610.25=28.3mm2由2底到上弦筋形心的距离h、与桎合筋平行的板内分布钢筋形心到上主和上弦筋的形心距离瓦:=h-t-d-公式37d+dCShs=H-计算h、Mh、的值分别为:h三,5+8+80-102=98mmhl=98-15-8-8/2=7Immh=80-(10+8)/2=7Imms脱模时按构件混凝土强度达到标准值的75.0%,经验算cfc75.0%fu=1.51N11n,满足要求!(2)垂直桁架方向脱模及吊装工况验算吊点第1列第2列跨长1.l(mm)200200跨长1.2Gnm)600600跨长1.3(mm)12001200跨长1.4(mm)200200支座弯矩最大值Mn=

6、-O.23kNm跨中弯矩最大值Mmm=O.20kNm存合板弹性抵抗矩:W=332653mms混凝土拉应力:。北=MuJW=-0.69N11W脱模时按构件混凝土强度达到标准值的75.0%,经验算k107)2s其中:加为上弦钢筋强度标准值:3)组合截面上边缘(上弦筋位置):W1=Io/(h-y0)=184557三,(2)垂直桁架方向板截面分析计算垂克桁架方向,取任意板带混凝土底板的截面梁进行计算。为与平行桁架方向结果方便对比分析,板带宽度值取的有效宽度B值。截面抵抗矩:W=Bt76=332653mm4荷载计算根据装配式混凝土结构技术规程JGJ-2014第6.2.2条、6.2.3条:板自重标准值G=

7、VX=0.484425.0=12.11kN脱模荷载1Qll=G1.2+1.5VH=12.11X1.2+1.5X0.48/0.06=26.64kN脱模荷载2电=GX1.5=12.11X1.5=18.17kN吊装荷载电=GX1.5=12.111.5=18.17kN荷载标准值Q=max(Qtl,Qc,Qu)=26.64kN5预制板脱模吊装容许应力验算根据混凝土结构工程施工规范6850666-2011第9.2.3条(1)平行桁架方向脱模及吊装工况裂缝验第吊点跨长1.l(mm)跨长1.2(mm)跨长1.3(mm)第1行8352000835第2行8352000835第3行8352000835计算线荷载q=

8、QkB(1.D)1000=1.830kNm平行桁架方向跨中弯矩最大值中=0.28kNm平行桁架方向支座弯矩最大值MwW1.-0.64kNm跨中时,截面抵抗矩:W=Wo=40096311ms跨中时,混凝土拉应力:,k=M,ntW=0.69Nmm1支座时,截面抵抗矩:W=W三=42547511ms支座时,混凝土拉应力:=M,W2=-1.50N三因此:V=21.5Nsinsin=5.69kN(4)桁架筋验算结果验算内容验算容许值内力结果上弦筋屈服弯矩M,=7.38kNnMm,戈=-0.64kN11满足上弦筋失稳弯矩M.,.=1.28kNmMf,.(.=0.28kNm满足下弦筋屈服弯矩M.,=4.76

9、kNmMi产0.28kNm满足腹杆钢筋失稔剪力V=5.69kNV=1.83kN满足7吊件拉力验算吊装及脱模埋件选用吊桁架桁架腹杆直径6nun腹杆材质HPB300吊点数量6个单个吊件脱模吊装荷载计算:z=lcos=1.000Fl=Gzn=2.02kN桁架吊点许用承载力标准值腹杆钢筋类别承载力标准值(kN)HRB400、HRB500.CRB550或CRB600H20HPB300.CPB55015预埋吊件安全系数丫尸4.0桁架吊点许用承载力设计值:Ro=R/.=3.75kNFdVR,桁架吊点满足要求。11为上弦钢筋长细比膨响系数,取值为2.1286:为上弦钢筋自由段长细比,=li=80.0其中,1为

10、上弦钢筋焊接节点间距,此值为20OnIni,为上弦前截而回转半径,此值为2.5mm经计算,Mlc=Aae0sch,=l.28kNin(2)叠合板下弦筋及板内分布筋屈服弯矩Mcy=TT(1Xf1.h,+XflXh)公式6-21.51Iyk1ssyks代入相关值求得M1,=4.76kN-m(3)腹杆钢筋失稳剪力V=Nsinsin其中:公式6-3=arctan(Hbh)=0.674741=arctan(2Hb)=1.10715注:b;为下弦筋外包距离此时值为8。廊;1为桁架焊接点跨度此时值为2。画;式出:f-n(99)yk2O=99)ds其中:3为腹杆钢筋强度标准值:n腹杆钢筋长细比影响系数,取值0.9476:=0.7lrif=31.7:1.计篁公式如下:Ir=1F+(b02)2+(1/2)2-tsinsin=67.94mm求得腹杆钢筋失稳应力。“=269.95NW则N=4rAr7632.77N

展开阅读全文
相关资源
猜你喜欢
相关搜索

当前位置:首页 > 建筑/环境 > 设计及方案

copyright@ 2008-2023 1wenmi网站版权所有

经营许可证编号:宁ICP备2022001189号-1

本站为文档C2C交易模式,即用户上传的文档直接被用户下载,本站只是中间服务平台,本站所有文档下载所得的收益归上传人(含作者)所有。第壹文秘仅提供信息存储空间,仅对用户上传内容的表现方式做保护处理,对上载内容本身不做任何修改或编辑。若文档所含内容侵犯了您的版权或隐私,请立即通知第壹文秘网,我们立即给予删除!