平瓦屋面施工工艺标准模板.docx

上传人:p** 文档编号:1046530 上传时间:2024-06-18 格式:DOCX 页数:8 大小:45.18KB
下载 相关 举报
平瓦屋面施工工艺标准模板.docx_第1页
第1页 / 共8页
平瓦屋面施工工艺标准模板.docx_第2页
第2页 / 共8页
平瓦屋面施工工艺标准模板.docx_第3页
第3页 / 共8页
平瓦屋面施工工艺标准模板.docx_第4页
第4页 / 共8页
平瓦屋面施工工艺标准模板.docx_第5页
第5页 / 共8页
平瓦屋面施工工艺标准模板.docx_第6页
第6页 / 共8页
平瓦屋面施工工艺标准模板.docx_第7页
第7页 / 共8页
平瓦屋面施工工艺标准模板.docx_第8页
第8页 / 共8页
亲,该文档总共8页,全部预览完了,如果喜欢就下载吧!
资源描述

《平瓦屋面施工工艺标准模板.docx》由会员分享,可在线阅读,更多相关《平瓦屋面施工工艺标准模板.docx(8页珍藏版)》请在第壹文秘上搜索。

1、平瓦屋面施工工艺标准第1章适用范围本施工工艺适用于防水等级为11级、In级、IV级屋面防水,在大风或地震地区,则应采用措施使瓦与屋面基层固定牢固第2章原料准备平瓦种类较多,主要为粘土平瓦、水泥平瓦与基层固定牢固平瓦名称规格(mm)每块重量kg)每块有效面积(m2)每平方米(块)粘土平瓦(360400)(220-240)X-1416)3.10.053-0.06718.9-15.0水泥平瓦(385-400)(235-250)(1516)3.30.062-0.07016.1-14.3硅酸盐平瓦400240163.20.06715.0炉渣平瓦390230123.00.06216.1水泥炉渣平瓦4002

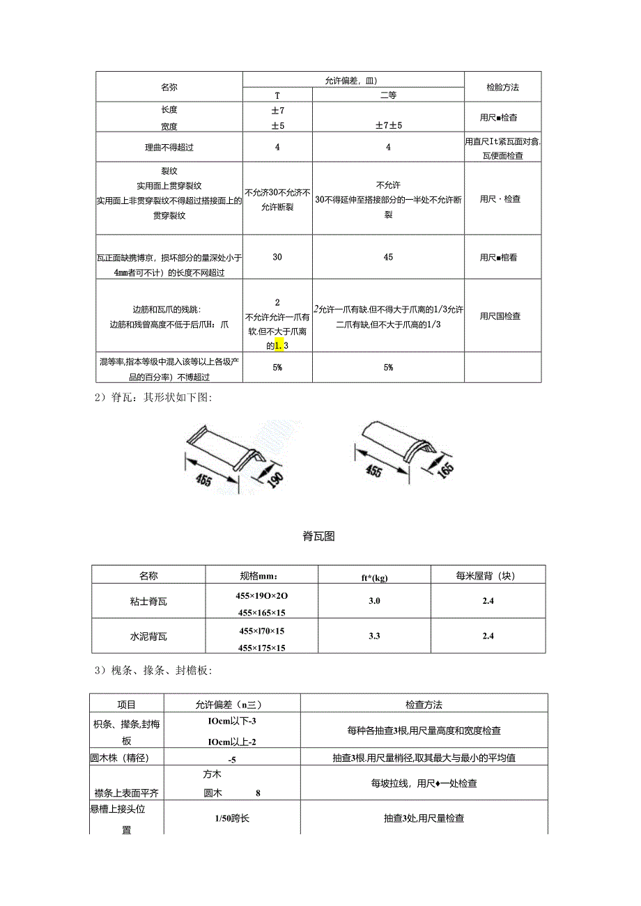
2、40(13-15)320.06715.0碳化灰砂瓦0.05518.2煤石干石平瓦390240(14-15)350250200.0650.06015.416.7水泥大平瓦7OO5OO15690X430X(12-15)14.00.260.223.84.5注:上表所列的重量、有效面积、每平方米块数供参考。1)粘土平瓦(模压成形)的形状见图,220*240粘土平瓦(模压)1瓦头:2、瓦尾:3、瓦脊:4、瓦槽:5、边筋;6、前爪;7、后爪:8、外槽:9、内槽其外观检讨内容和方法见下表:名弥允许偏差,皿)检脸方法T二等长度宽度7575用尺检杳理曲不得超过44用直尺It紧瓦面对翕.瓦便面检查裂纹实用面上贯穿

3、裂纹实用面上非贯穿裂纹不得超过搭接面上的贯穿裂纹不允济30不允济不允许断裂不允许30不得延伸至搭接部分的一半处不允许断裂用尺检查瓦正面缺携博京,损坏部分的量深处小于4mm者可不计)的长度不网超过3045用尺棺看边筋和瓦爪的残跳:边筋和残曾高度不低于后爪H:爪2不允许允许一爪有软.但不大于爪离的1.32允许一爪有缺.但不得大于爪离的1/3允许二爪有缺,但不大于爪高的1/3用尺国检查混等率,指本等级中混入该等以上各圾产品的百分率)不博超过5%5%2)脊瓦:其形状如下图:脊瓦图名称规格mm:ft*(kg)每米屋背(块)粘士脊瓦45519O2O455165153.02.4水泥背瓦455l7015455

4、175153.32.43)槐条、掾条、封檐板:项目允许偏差(n三)检查方法枳条、撵条,封梅板IOcm以下-3IOcm以上-2每种各抽查3根,用尺量高度和宽度检查圆木株(精径)-5抽查3根.用尺量梢径,取其最大与最小的平均值襟条上表面平齐方木圆木8每坡拉线,用尺一处检查悬槽上接头位置1/50跨长抽查3处,用尺量检查封樵板平直8每个工程抽查3处,拉10米线和尺量检查第3章施工机具瓦刀、泥桶、线坠、墨斗、铁抹子、方尺、铁水平、水桶、喷壶、靠尺、锹、扁塞子、手推车、沥青壶、长毛刷、扁毛刷、尼龙线、钉锤、木锤、运动扳手、螺丝刀、角钢桌、卷尺、手锯、钢丝钳、上弯扳手、下弯扳手、开口器、皮带吊索、吊具、橡皮

5、锤、电动砂轮、切割机、手电钻、射钉枪和射钉、铐钢电动圆盘锯第4章施工工艺流程第1节操作工艺顺序清理基层一干铺卷材一钉顺水条一钉挂瓦条一铺瓦一检讨验收一淋水实验第2节操作要点1 .基层上的的灰尘、杂物清扫洁净后,自上而下、平行于屋脊干铺一层卷材。卷材搭接顺序流水方向,搭接宽度不少于50mm。按设计要求间距在卷材上钉顺水条压实。顺水条表面应平整。2 .在顺水条上拉通线铺钉挂瓦条,其间距应依据瓦的尺寸和屋面坡度确定。挂瓦条应铺贴牢固,上棱成一直线,表面平整。3 .铺瓦前要选瓦。凡缺边、掉角、裂缝、砂眼、翘曲不平、张口缺爪的瓦,不得使用。通过铺瓦预排,山墙和天沟处如有半瓦,应预先锯号。4 .上瓦要自上

6、而下两坡同时对称上,严禁单坡上瓦,以防屋架受力不均导致变形,挂瓦宜采用“一步九块瓦”方法。上瓦时九块平瓦整齐捆成一摞,均匀平稳的摆在屋面上,地位应相互交错。5 .挂瓦应从两坡的檐口同时对称开头。每坡屋面从左侧山头推进。屋面端头用半瓦错缝。瓦要与挂瓦条挂牢,瓦爪与瓦槽要搭接密切,并保证搭接长度。檐口瓦要用镀锌铁丝栓牢于檐口挂瓦条上。当屋面坡度大于50%时、大风和地震地区,每片瓦均需用镀锌铁丝固定于刮瓦条上。瓦搭接要避开主导风向,以防漏水。檐口要铺成一条直线,瓦头挑出檐口长度5070mmo天沟处的瓦要依据宽度及斜度弹线锯料,沟边瓦要按设计规定伸入天沟内50-70mm,靠近屋脊瓦处的第一排瓦应用水泥

7、砂浆固定牢。但切忌灰浆突出瓦外,以防止此处渗漏。整坡瓦面应平整,行列横平竖直,无翘角和张口现象。6 .脊瓦要在平瓦挂完后拉线铺放。接口需顺主导风向。扣脊瓦要用1:2.5石灰麻刀砂浆铺座平实,其搭接缝用水泥石灰砂浆嵌填,缝口平直,砂浆严密。铺好的屋脊斜脊表观平直无起伏现象。在泥背或钢筋混凝土基层上铺放平瓦时,前后坡应自上而下同时对称、分别分两层铺抹,待第一层干燥后再抹铺第二层,随抹随铺平瓦。第5章质量标准第1节主控项目1 .平瓦及脊瓦的质量必须符合设计要求,检讨出厂合格证,质量检验批报告.2 .平瓦必须铺置牢固,地震设防地区或坡度大于5%的屋面,应采用固定加强措施。第2节一般项目1 .挂瓦条应分

8、档均匀,铺钉平整、牢固:瓦面平整,行列整齐,搭接密切,檐口平直,脊瓦在两坡面瓦上的搭盖宽度,每边不小于40m11i;瓦伸入天沟、檐沟的长度为5070mm;天沟、檐沟的防水层伸入瓦内的宽度不小于150mm;瓦头挑出封檐板的长度为5070mm;突出屋面的墙或烟囱的侧面瓦伸入泛水宽度不小于50mm。2 .脊瓦应搭盖正确,间距均匀,封堵严密,屋脊和斜脊应顺直,无起伏现象。3 .泛水做法应符合设计要求,顺直整齐,结合严密,无渗漏,平瓦屋面与立墙及突出屋面结构等交接处,均应做泛水处置。天沟、檐沟的防水层,应采用合成高分子防水卷材、高聚物改性沥青防水卷材、沥青防水卷材、金属板材或塑料板材等原料铺设。第6章成

9、品保护瓦屋面属非上人屋面,严禁在瓦屋面上行走及堆放原料。第7章安全与环境1 .卷扬机操作工应持证上岗。2 .屋面对边应有护栏及竖挂安全网进行围挡。3 .操作工人进岗前应进行三级安全教育o4 .对操作工人进行安全技术交底。5 .操作工人在屋面作业时严禁乱扔乱抛原料。6 .操作工人上岗前正确佩戴安全帽并严禁酒后作业。7 .现场临时用电应按照三级配电,二级保护进行设置。8 .破损原料应集中运到渣滓堆放区。第8章施工注意事项1 .平瓦屋面的横缝、竖缝,一般不得同砂浆封堵。如需封堵时,封堵砂浆不应露出缝口之外,可将砂浆嵌入瓦下,避免砂浆干缩开裂后,水从裂缝中渗入漏水;2 .挂瓦时,操作工人应避免在瓦上行

10、走。如必须时,脚应踩在瓦的端头,使瓦不被踩断。挂瓦进程中发现坏瓦,应及时剔除更换。第9章质量记载1 .使用的各种原料的出厂合格证(质量保证书)及进场的复试记载;2 .隐蔽工程检讨资料及各工序的质量评定资料;3 .施工中的配合比、计量记载、养护记载,工序间的交接资料;4 .专项施工方案和技术交底;5 .施工日志施工现场安全施工注意事项1、施工人员进入施工现场前,必须要进行施工安全、消防知识的教育和考核工作,对考核不合格的职工,禁止进入施工现场参加施工。2、进入施工现场必须戴好安全帽,系好帽带,并正确使用个人劳动防护用品.3、严格执行操作规程,不得违章指挥和违章作业,对违章作业的指令有权拒绝并有责

11、任制止他人违章作业。4、施工作业时必须正确穿戴个人防护用品,进入施工现场必须戴安全帽。不许私自用火,严禁酒后操作。5、穿拖鞋、高跟鞋、赤脚或赤膊不准进入施工现场。6、穿硬底鞋不得进行登高作业。7、在高空、钢筋、结构上作业时,一定要穿防滑鞋.8、现场用电,一定要有专人管理,同时设专用配电箱,严禁乱接乱拉,采取用电挂牌制度,尤其杜绝违章作业,防止人身、线路,设备事故的发生。9、电钻、电锤、电焊机等电动机具用电、配电箱必须要有漏电保护装置和良好的接地保护地线,所有电动机具和线缆必须定期检查,保证绝缘良好,使用电动机具时应穿绝缘鞋,戴绝缘手套。10、工地施工照明用电,必须使用36伏以下安全电压,所有电

12、器机具在不使用时,必须随时切断电源,防止烧坏设备.11、在用喷灯、电焊机以及必要生火的地方,要填写用火申请登记和设专人看管,随带消防器材等,保证消防措施的落实。施焊时,特别注意检查下方有无易燃物,并做好相应的防护,用完后要检查,确认无火后再离开.12、未经安全教育培训合格不得上岗,非操作者严禁进入危险区域;特种作业必须持特种作业资格证上岗。13、凡2m以上的高处作业无安全设施,必须系好安全带;安全带必须先挂牢后再作业。14、高处作业材料和工具等物件不得上抛下掷.15、从事高空作业人员要定期体验。凡患有高血压、心脏病、贫血症、癫痫病以及不适于高空作业的人员,不得从事高空作业。16、机械设备、机具

13、使用,必须做到“定人、定机”制度;未经有关人员同意,非操作人员不得使用。17、电动机械设备,必须有漏电保护装置和可靠保护接零,方可启动使用.18、未经有关人员批准,不得随意拆除安全设施和安全装置;因作业需要拆除的,作业完毕后,必须立即恢复。19、井字架吊篮、料斗不准乘人。20、酒后不准上班作业.21、作业前应对相关的作业人员进行安全技术交底。22、在高空以及施工现场作业,如配管放配线,设备安装及开通调试中,必须要严格执行安全技术规程,顺利进行作业严禁违章操作,造成不应发生的事故。23、在整个施工过程中,必须严格执行国家、省市、各部委关于工程消防法规和有关条款。24、经常配齐、保养消防器材,做到

14、会保养、会使用。认真贯彻逐级消防责任制,做好消防工作。25、现场人工断料,所用工具必须牢固,掌饕子和打锤要站成斜角,注意扔锤区域内的人和物体。切断小于30Cm的短钢筋,应用钳子夹牢,禁止用手把扶,并在外侧设置防护箱笼罩或朝向无人区。26、多人合运钢筋,起、落、转、停动作要一致,人工上下传送不得在同一直线上.钢筋堆放要分散、稳当、防止倾倒和塌落。27、在高空、深坑绑扎钢筋和安装骨架,须搭设脚手架和马道。28、绑扎立柱、墙体钢筋,不得站在钢筋骨架上和攀登骨架上下。柱筋在4m以内,重量不大,可在地面或楼面上绑扎,整体竖起;柱筋在4m以上,应搭设工作台。柱梁骨架应用临时支撑拉牢,以防倾倒。29、绑扎基础钢筋时,应按施工设计规定摆放钢筋支架或马凳架起上部钢筋,不得任意减少支架或马凳。30、绑扎高层建筑的圈梁、挑檐、外墙、边柱钢筋,应搭设外架或安全网。绑扎时挂好安全带。31、起吊钢筋骨架,下方禁止站人,必须待骨架降落到离地Im以下始准靠近,就位支撑好方可摘钩。32、吊运短钢筋应使用吊笼,吊运超长钢筋应加横担,捆绑钢筋应使用钢丝绳千斤头,双条绑扎,禁止用单条千斤头或绳索绑吊。33、吊运在楼层搬运、绑扎钢筋,应注意不要靠近和碰撞电线。并注意与裸体电线的安全距离(IkV以下4m,1-10kv6m).34、夜间施工灯光要充足,不准把灯具挂在竖起的钢筋上或其他金属构件上,导线应架空.

展开阅读全文
相关资源
猜你喜欢
相关搜索

当前位置:首页 > 建筑/环境 > 建筑资料

copyright@ 2008-2023 1wenmi网站版权所有

经营许可证编号:宁ICP备2022001189号-1

本站为文档C2C交易模式,即用户上传的文档直接被用户下载,本站只是中间服务平台,本站所有文档下载所得的收益归上传人(含作者)所有。第壹文秘仅提供信息存储空间,仅对用户上传内容的表现方式做保护处理,对上载内容本身不做任何修改或编辑。若文档所含内容侵犯了您的版权或隐私,请立即通知第壹文秘网,我们立即给予删除!