施工升降机接高、附着验收表.docx

上传人:p** 文档编号:1047058 上传时间:2024-06-18 格式:DOCX 页数:1 大小:9.68KB
下载 相关 举报
施工升降机接高、附着验收表.docx_第1页
第1页 / 共1页
亲,该文档总共1页,全部预览完了,如果喜欢就下载吧!
资源描述

《施工升降机接高、附着验收表.docx》由会员分享,可在线阅读,更多相关《施工升降机接高、附着验收表.docx(1页珍藏版)》请在第壹文秘上搜索。

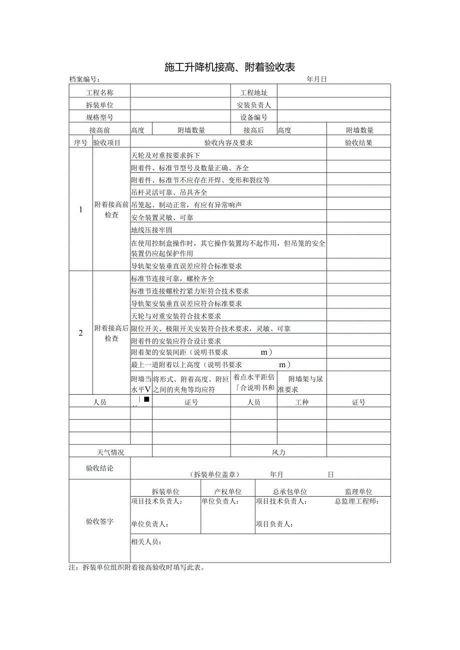
施工升降机接高、附着验收表档案编号:年月日工程名称工程地址拆装单位安装负责人规格型号设备编号接高前高度附墙数量接高后高度附墙数量序号验收项目验收内容及要求验收结果1附着接高前检查天轮及对重按要求拆下附着件、标准节型号及数量正确、齐全附着件、标准节不应存在开焊、变形和裂纹等吊杆灵活可靠、吊具齐全吊笼起、制动正常,有应有异常响声安全装置灵敏、可靠地线压接牢固在使用控制盒操作时,其它操作装置均不起作用,但吊笼的安全装置仍应起保护作用导轨架安装垂直误差应符合标准耍求2附着接高后检查标准节连接可靠,螺栓齐全标准节连接螺栓拧紧力矩符合技术要求导轨架安装垂直误差应符合标准要求天轮与对重安装符合技术要求限位开关、极限开关安装符合技术要求,灵敏、可靠附着件的安装应符合设计要求附着架的安装间距(说明书要求m)最上一道附着以上高度(说明书要求m)附墙当水平V将形式、附着高度、附叵之间的夹角等均应符着点水平距倍合说明书和彳附墙架与尿准要求人员证号人员工种证号天气情况风力验收结论(拆装单位盖章)年月日验收签字拆装单位产权单位总承包单位监理单位项目技术负责人:单位负责人:单位负责人:项目技术负责人:项目负责人:总监理工程师:相关人员:注:拆装单位组织附着接高验收时填写此表。

展开阅读全文
相关资源
猜你喜欢
相关搜索

当前位置:首页 > 建筑/环境 > 施工组织

copyright@ 2008-2023 1wenmi网站版权所有

经营许可证编号:宁ICP备2022001189号-1

本站为文档C2C交易模式,即用户上传的文档直接被用户下载,本站只是中间服务平台,本站所有文档下载所得的收益归上传人(含作者)所有。第壹文秘仅提供信息存储空间,仅对用户上传内容的表现方式做保护处理,对上载内容本身不做任何修改或编辑。若文档所含内容侵犯了您的版权或隐私,请立即通知第壹文秘网,我们立即给予删除!