模板及装配式工程检查内容.docx

上传人:p** 文档编号:1047324 上传时间:2024-06-18 格式:DOCX 页数:2 大小:10.60KB
下载 相关 举报
模板及装配式工程检查内容.docx_第1页
第1页 / 共2页
模板及装配式工程检查内容.docx_第2页
第2页 / 共2页
亲,该文档总共2页,全部预览完了,如果喜欢就下载吧!
资源描述

《模板及装配式工程检查内容.docx》由会员分享,可在线阅读,更多相关《模板及装配式工程检查内容.docx(2页珍藏版)》请在第壹文秘上搜索。

1、模板及装配式工程检查内容序号检查项目检查内容说明1模板工程模板制作加工按规定采取木制拼装模板的加固措施;按规定设置大钢模板支撑系统、操作平台。2吊环、安全装置按规定设置木制拼装模板、大钢模板吊环;模板吊运或吊装的索具应按规定选择和使用;模板入位后或拆除前临时固定应按规定设置保险装置。3模板吊运模板吊运前应清理干净,零散构配件应采用容器吊运;操作平台应稳定可靠。4安装与拆除安装与拆除应按规定采取作业面防护、稳定措施;按工艺和施工顺序安装与拆除模板。5模板存放无支腿模板应采用专用插放架存放或稳定存放;有支腿模板采用两点均衡受力支立,且支腿应安装牢固可靠;存放场地应封闭管理,设专人负责。6支撑体系构

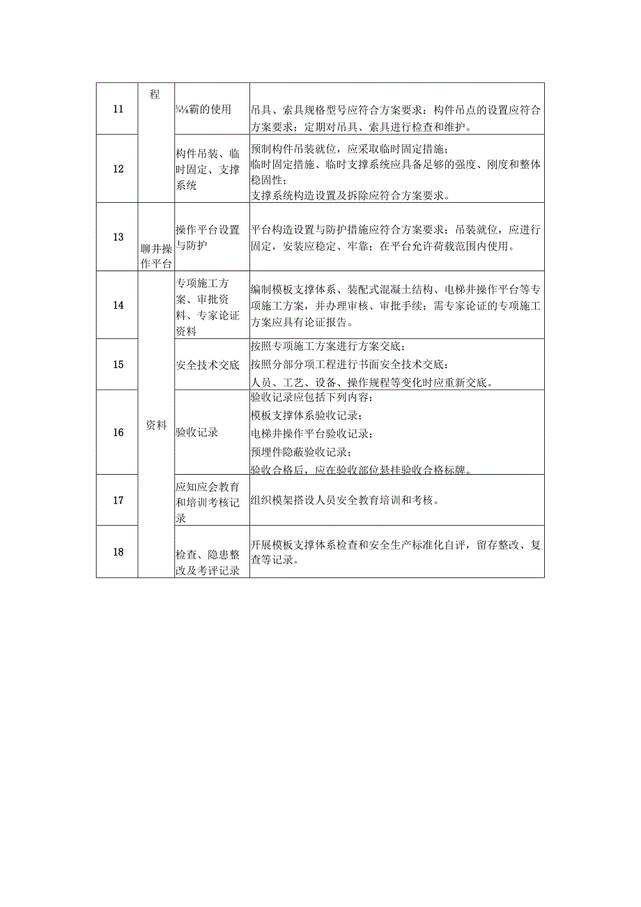
2、配件材质钢管、构配件的规格、型号、材质应符合规范要求:扣件应经复试合格,且具有复试报告;使用扣件时,应对扣件螺栓紧固力矩进行抽查。7支架地基与基础设置地基应平整、夯实、排水畅通;立杆基础应垫设底座(固定或可调)或垫木;纵横向扫地杆的设置应符合方案要求;特殊部位做法应符合方案要求。8支架构造及构配件设置按规定设置架体纵距、横距、步距;立杆、纵横向水平杆的设置与连接应符合方案要求:按规定设置架体竖向剪刀撑、水平剪刀撑、竖向斜撑杆;架体连墙件的位置、覆盖面积及设置形式应符合方案要求;独立架体高宽比大于3,应按方案采取稳定措施;按规定设置架体底座或托撑,自由端高度应符合方案要求:架体拆除应办理审批手续

3、,且应按工艺和施工顺序拆除架体;特殊部位做法应符合方案要求。9施工荷载、作业防护设置架体使用应采取荷载控制措施;按规定设置安全平(立)网;作业层临边、洞口应采取防护措施。10装配式工构件场内运输、装卸、存放场内运输应设专人指挥;装卸点、操作平台或爬梯的设置应符合方案要求;起重机械起重量和站立位置应满足方案要求;存放区应进行封闭管理,设专人负责管理。11程霸的使用吊具、索具规格型号应符合方案要求:构件吊点的设置应符合方案要求;定期对吊具、索具进行检查和维护。12构件吊装、临时固定、支撑系统预制构件吊装就位,应采取临时固定措施;临时固定措施、临时支撑系统应具备足够的强度、刚度和整体稳固性;支撑系统

4、构造设置及拆除应符合方案要求。13聊井操作平台操作平台设置与防护平台构造设置与防护措施应符合方案要求;吊装就位,应进行固定,安装应稳定、牢靠;在平台允许荷载范围内使用。14资料专项施工方案、审批资料、专家论证资料编制模板支撑体系、装配式混凝土结构、电梯井操作平台等专项施工方案,并办理审核、审批手续;需专家论证的专项施工方案应具有论证报告。15安全技术交底按照专项施工方案进行方案交底;按照分部分项工程进行书面安全技术交底:人员、工艺、设备、操作规程等变化时应重新交底。16验收记录验收记录应包括下列内容:模板支撑体系验收记录;电梯井操作平台验收记录;预埋件隐蔽验收记录;验收合格后,应在验收部位悬挂验收合格标牌。17应知应会教育和培训考核记录组织模架搭设人员安全教育培训和考核。18检查、隐患整改及考评记录开展模板支撑体系检查和安全生产标准化自评,留存整改、复查等记录。

展开阅读全文
相关资源
猜你喜欢
相关搜索

当前位置:首页 > 办公文档 > 说明文书

copyright@ 2008-2023 1wenmi网站版权所有

经营许可证编号:宁ICP备2022001189号-1

本站为文档C2C交易模式,即用户上传的文档直接被用户下载,本站只是中间服务平台,本站所有文档下载所得的收益归上传人(含作者)所有。第壹文秘仅提供信息存储空间,仅对用户上传内容的表现方式做保护处理,对上载内容本身不做任何修改或编辑。若文档所含内容侵犯了您的版权或隐私,请立即通知第壹文秘网,我们立即给予删除!