施工现场临时用电检查验收用表.doc

上传人:p** 文档编号:1051107 上传时间:2024-06-26 格式:DOC 页数:10 大小:88.50KB
下载 相关 举报
施工现场临时用电检查验收用表.doc_第1页
第1页 / 共10页
施工现场临时用电检查验收用表.doc_第2页
第2页 / 共10页
施工现场临时用电检查验收用表.doc_第3页
第3页 / 共10页
施工现场临时用电检查验收用表.doc_第4页
第4页 / 共10页
施工现场临时用电检查验收用表.doc_第5页
第5页 / 共10页
施工现场临时用电检查验收用表.doc_第6页
第6页 / 共10页
施工现场临时用电检查验收用表.doc_第7页
第7页 / 共10页
施工现场临时用电检查验收用表.doc_第8页
第8页 / 共10页
施工现场临时用电检查验收用表.doc_第9页
第9页 / 共10页
施工现场临时用电检查验收用表.doc_第10页
第10页 / 共10页
亲,该文档总共10页,全部预览完了,如果喜欢就下载吧!
资源描述

《施工现场临时用电检查验收用表.doc》由会员分享,可在线阅读,更多相关《施工现场临时用电检查验收用表.doc(10页珍藏版)》请在第壹文秘上搜索。

1、施工现场临时用电检查验收用表1、施工现场施工用电检查评分表(表SA-C1-13)2、施工现场施工临时用电验收表(表SA-C6-1)3、施工现场电气线路绝缘强度测试记录表(表SA-C6-2)4、施工现场临时用电接地电阻测试记录表(表SA-C6-3)5、施工现场电工巡检维修记录(表SA-C6-4)施工现场施工用电检查评分表表SA-C1-13工程名称: 施工单位:检查项目扣分标准标准分值扣减分数实得分数保证项目1、外电防护小于安全距离又无防护措施的扣20分防护措施不符合要求、封闭不严密的扣510分202、接地与接零保护系统工作接地与重复接地不符合要求的扣710分未采用TNS系统的扣10分专用保护零线

2、设置不符合要求的扣58分保护零线与工作零线混接的扣l0分103、配电箱 开关箱不符合“三级配电两级保护”要求的扣10分开关箱(末级)无漏电保护或保护器失灵,每一处扣5分漏电保护装置参数不匹配,每发现一处扣2分电箱内无隔离开关及相应设施每一处扣2分违反“一机、一闸、一漏、一箱”的每一处扣57分安装位置不当、周围杂物多等不便操作的每一处扣5分闸具损坏、闸具不符合要求的每一处扣5分配电箱内多路配电无标记的每一处扣5分电箱下引出线混乱每一处扣2分电箱无门、无锁、无防雨措施的每一处扣2分204、现场照明照明专用回路无漏电保护扣5分灯具金属外壳未作接零保护的每1处扣2分室内线路及灯具安全高度低于2.4m未

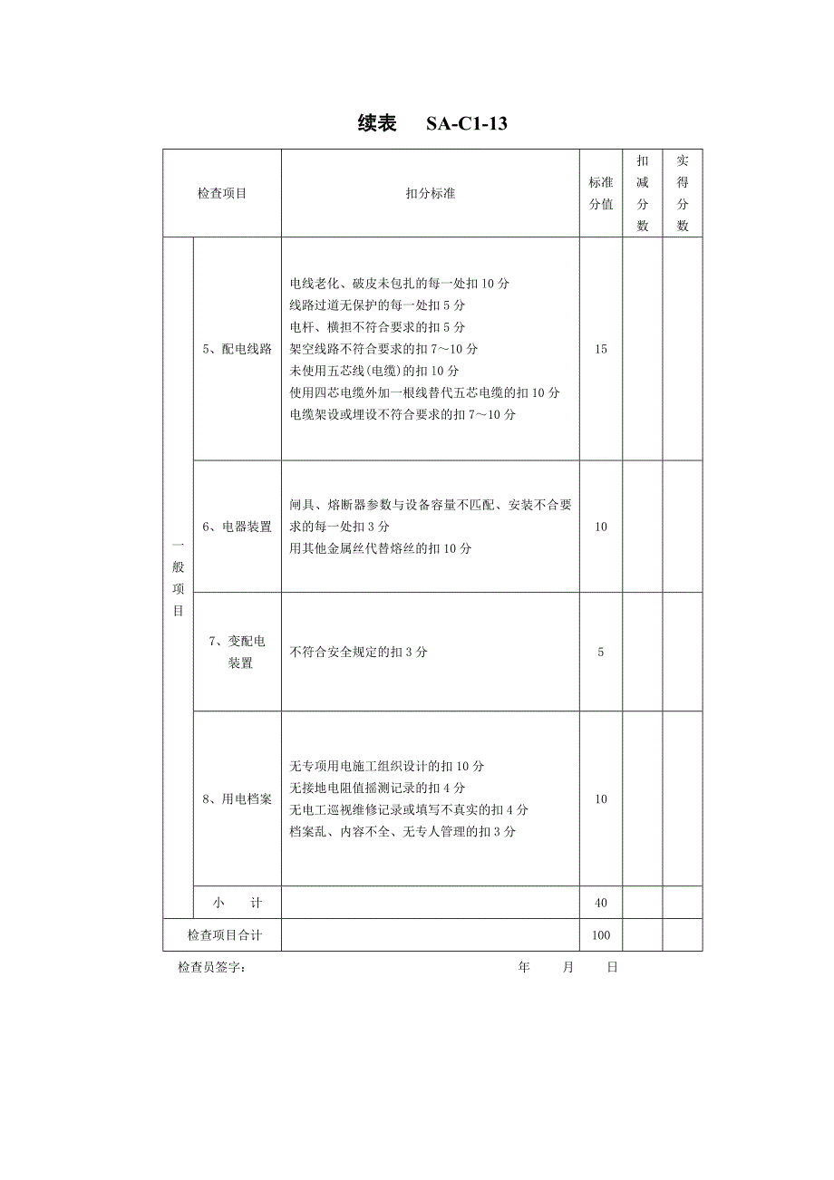
3、使用安全电压供电的扣10分潮湿作业未使用36V以下安全电压的扣10分使用36V安全电压照明线路混乱和接头处未用绝缘布包扎扣5分手持照明灯未使用36V及以下电源供电扣10分10小 计60续表 SA-C1-13检查项目扣分标准标准分值扣减分数实得分数一般项目5、配电线路电线老化、破皮未包扎的每一处扣l0分线路过道无保护的每一处扣5分电杆、横担不符合要求的扣5分架空线路不符合要求的扣710分未使用五芯线(电缆)的扣l0分使用四芯电缆外加一根线替代五芯电缆的扣10分电缆架设或埋设不符合要求的扣710分156、电器装置闸具、熔断器参数与设备容量不匹配、安装不合要求的每一处扣3分用其他金属丝代替熔丝的扣1

4、0分107、变配电 装置不符合安全规定的扣3分58、用电档案无专项用电施工组织设计的扣10分无接地电阻值摇测记录的扣4分无电工巡视维修记录或填写不真实的扣4分档案乱、内容不全、无专人管理的扣3分10小 计40检查项目合计100 检查员签字: 年 月 日施工现场施工临时用电验收表表SA-C6-1工程名称: 施工单位: 编号:临时用电工程作业电工验收时间 年 月 日检查项目检查内容与要求检查结论1、施工组织方案用电设备5台以上或设备总容量在50kW以上者,应编制临时用电施工组织设计。2、外电防护小于安全距离时应有安全防护措施;防护措施应符合要求。3、接地与接 零保护系统应采用TN-S系统供电;重复

5、接地符合要求,其电阻值应不大于10;各种电气设备和施工机械的金属外壳、金属支架和底座必须按规定采取可靠的接零或接地保护。4、三级配电配电室的设置应符合要求;现场实行三级配电,总配电箱应装设电压表、总电流表、总电度表及其他仪表;总配电箱的电器应具备电源隔离,正常接通与分断电路,以及短路、过载、漏电保护功能。分配电箱应设总开关和分开关,总开关应采用自动空气开关(具有可见分断点),分开关可采用漏电开关或刀闸开关并配备熔断器。开关箱内须安装断路器(具有可见分断点)或熔断器,以及漏电保护器。5、漏电保护器须实行两级漏电保护;严格实行“一机、一闸、一漏、一箱”;漏电保护装置应灵敏、有效,参数应匹配;在总配

6、电箱上安装的漏电保护开关的漏电动作电流应为50 mA100mA;开关箱安装的漏电保护器,其额定漏电动作电流30mA, 额定漏电动作时间0.1S。续表SA-C6-1检查项目检查内容与要求检查结论6、配电箱 设置配电箱安装位置应符合要求,箱体应采用铁板或优质绝缘材料制作,不得使用木质材料制作,箱体应牢固、防雨;箱内电器安装板应为绝缘材料;金属箱体等不带电的金属体必须作保护接零;进线口和出线口应设在箱体的下面,并加护套保护;工作零线、保护零线应分设接线端子板,并通过端子板接线;箱内接线应采用绝缘导线,接头不得松动,不得有带电体明露;闸具、容断器参数与设备容量应匹配,安装应符合要求;不得用其他导线替代

7、熔丝;箱内应设有线路图7、配电线路电缆架设或埋设符合规定要求;须使用五芯线电缆,电缆完好,无老化、破皮现象。8、其他照明灯具金属外壳须作保护接零,使用行灯和低压照明灯具,其电源电压不应超过36V;行灯和低压灯的变压器应装设在电箱内,符合户外电气安装要求;交流电焊机须装设专用防触电保护装置、电焊把线应双线到位、电缆线应绝缘无破损。9、其他增加 的验收项目验收结论:项目安全负责人: 电气负责人: 年 月 日注:本表由施工单位填写,监理单位、施工单位各存一份。施工现场电气线路绝缘强度测试记录表表SA-C6-2工程名称: 施工单位: 编号:计量单位M(兆欧)测试日期 年 月 日仪表型号电压天气情况晴阴

8、雨雪: 气温:最高 最低 测试项目相 间相 对 零相 对 地零对地测试内容A-BB-CC-AA-NB-NC-NA-EB-EC-EN-E测试结论:项目安全负责人: 测试电工(二人):电气负责人: 年 月 日注:1 本表由施工单位填写,建设单位、施工单位各存一份;2 本表适用于单相、单相三线、三相四线制、三相五线制的照明、动力线路及电缆线路、电机、设备电器等绝缘电阻的测试;3 表中A代表第一相、B代表第二相、C代表第三相、N代表零线(中性线)、E代表接地线。施工现场临时用电接地电阻测试记录表表SA-C6-3工程名称: 施工单位: 编号:仪表型号测试日期 年 月 日计量单位天气情况晴阴雨雪: 气温:

9、最高 最低 接地类型测试内容 防雷接地保护接地重复接地其他接地设计要求 测试结论:项目安全负责人: 测试电工(二人):电气负责人: 年 月 日注:本表由施工单位填写,监理单位、施工单位各存一份。封面施工现场电工巡检维修记录( 年 月 日 年 月 日)表SA-C6-4工程名称: 施工单位: 施工现场电工巡检维修记录表SA-C6-4工程名称: 施工单位: 编号:电工姓名值班时间 时 分 至 时 分供电方式额定容量巡视检查项目巡视检查内容发现隐患维修结果1、高压线防护按方案进行防护并做到严密,安全可靠。2、接地或接零 保护系统工作接地、重复接地牢固可靠。系统保护零线重复接地不少于3处。工作接地电阻4

10、,定期检测重复接地电阻,电阻值10。保护零线正确,采用绿/黄双色线其截面与工作零线截面相同或不小于相线的1/2。3、配电箱开关箱总配电箱中应在电源隔离开关(可视明显断开点)的负荷侧装置漏电保护器,并灵敏可靠。分配电箱设置正确并与开关箱距离不大于30m,固定开关箱(一机一闸一漏一箱)漏电保护装置在设备负荷侧,灵敏可靠,并距离设备不大于3m,固定配电箱、开关箱装位置正确,高度在1.41.6m。 移动配电箱、开关箱安装高度在0.81.6m。电箱底进出线,标识明确,并应加绝缘护套采用固定线夹成束卡固在箱体花栏架构上。箱内无杂物,有门、锁、编号、防触电标志及防雨措施。闸具、保护零线端子、工作零线端子齐全

11、完好。箱门与箱体之间必须采用编制软铜线电气连接。电器用途明确标识。箱内不应有带电明露点。箱内应有本箱体的配电系统图。续表SA-C6-4巡视检查项目巡视检查内容发现隐患维修结果4、现场、生活区照明现场照明回路有漏电保护器,动作灵敏可靠。灯具金属外壳应做保护接零。室内220V灯具安装高度大于2.5m,低于2.5m使用安全电压供电。手持照明灯具必须使用电压36V(含)以下照明,电源线必须采用橡套电缆线,不得使用塑绞线,手柄及外防护罩完好无损。低压安全变压器应放置在专用配电箱内。碘钨灯照明必须采用密闭式防雨灯具,金属灯具和金属支架应做好保护接零,架杆手持部位应采取绝缘措施,电源线必须采用橡套电缆线,电源侧应装设漏电保护器。5、配电线路配电线路无老化、破损、断裂现象,与交通线路交叉的电源线应符合有关安装架设标准有线路过路保护。 架空线路架符合有关规定,严禁架在树木、脚手架上。6、变配电装置露天变压器设置符合规定要求,配电元器件间距符合

展开阅读全文
相关资源
猜你喜欢
相关搜索

当前位置:首页 > 建筑/环境 > 安全文明施工

copyright@ 2008-2023 1wenmi网站版权所有

经营许可证编号:宁ICP备2022001189号-1

本站为文档C2C交易模式,即用户上传的文档直接被用户下载,本站只是中间服务平台,本站所有文档下载所得的收益归上传人(含作者)所有。第壹文秘仅提供信息存储空间,仅对用户上传内容的表现方式做保护处理,对上载内容本身不做任何修改或编辑。若文档所含内容侵犯了您的版权或隐私,请立即通知第壹文秘网,我们立即给予删除!