钢筋机械连接作业指导书.docx

上传人:p** 文档编号:1054066 上传时间:2024-06-26 格式:DOCX 页数:15 大小:160.42KB
下载 相关 举报
钢筋机械连接作业指导书.docx_第1页
第1页 / 共15页
钢筋机械连接作业指导书.docx_第2页
第2页 / 共15页
钢筋机械连接作业指导书.docx_第3页
第3页 / 共15页
钢筋机械连接作业指导书.docx_第4页
第4页 / 共15页
钢筋机械连接作业指导书.docx_第5页
第5页 / 共15页
钢筋机械连接作业指导书.docx_第6页
第6页 / 共15页
钢筋机械连接作业指导书.docx_第7页
第7页 / 共15页
钢筋机械连接作业指导书.docx_第8页
第8页 / 共15页
钢筋机械连接作业指导书.docx_第9页
第9页 / 共15页
钢筋机械连接作业指导书.docx_第10页
第10页 / 共15页
亲,该文档总共15页,到这儿已超出免费预览范围,如果喜欢就下载吧!
资源描述

《钢筋机械连接作业指导书.docx》由会员分享,可在线阅读,更多相关《钢筋机械连接作业指导书.docx(15页珍藏版)》请在第壹文秘上搜索。

1、钢筋机械连接作业指导书1、目的明确钢筋机械连接作业的工艺流程、操作要点和相应的工艺标准,指导、规范钢筋机械连接作业施工。2、适用的条件及范围适用于贵广铁路GGTJ12标段钢筋的机械连接。3,施工工艺1.滚压直螺纹连接作业设备型号B1.GS-40系列外形尺寸(Inn)1260X580X1070(最大外型)滚轮型号1622202528323640加工钢筋规格16、18、20,2220、22、2528、3236、40螺跑(11三),2.53.0工作电质(V380(50Hz.三相四线制)设各Igit(kg.450-600主电机功率ktt)4水泵电机功率kU)0.121. JM钢筋剥肋滚丝设备钢筋莉肋滚

2、丝机是现场加工钢筋丝头的机械,是决定丝头质量和加工效率的关键因JM型钢筋剥肋滚丝机由电控箱、虎钳组、张刀剥肋滚丝机构、减速机构、冷却机构、电机、机架等组成。主要参数见F表:2. JM刹肋潦压口螺纹连接套简口螺纹套筒是构成接头的宙要组成部分,用45号优质碳素结构钢加工而成。机械性能应符合下表要求:项目性能指标屈服强度MPaH355抗拉强度MPa600延伸率%16套筒尺寸参数如下:型号规格BG16BG18BG20BG22BG25BG28BG32BG36GlO适用钢筋门可-,1820222528323610套筒尺度404550556066759099套筒外径D25283133.53842.54854

3、60螺纹大径M17M19M21M23M26侬M33M37MllX2.52.52.52.52.5X3.03.0X3.0X3.0备注符合上表尺寸参数的H螺纹套筒满足HRB335、HRBlOO钢筋I娘接头连接要求3.丝头加工工艺及接头组接2.1 准备工作2.1.1 设备、工具、附件、配电装置的准备滚丝机必须平稳着落在坚实的地面上,保证工作时稳固可奈。滚丝机机头前须搭设钢筋支架,待加工钢筋放在支架上,钢筋轴线与机头中心应在同一平面上。常用工具有:螺纹环规、定位块与棒、丝头保护帽、呆扳手(管钳)、测力扳手等。加工现场要配备有涧电保护器的配电箱,箱内有三相四线插座(380V、20A)和接地端子。其它附件、

4、易损易耗件:冷却润滑液、滚轮、滚针、垫片、滚轮轴,剥肋刀等。3. 1.2钢筋的准备钢筋端面要平整,并与钢筋轴线垂直。任何可能影响滚压螺纹牙型完整度的缺陷均应处理,如切口马蹄、翅边、坡度等。距钢筋端头05米范困内不得有影响钢筋好.头加工痂量的弯曲,距钢筋端头0.3米范圉内不得粘结沙上、砂浆等附着物。4. 1.3人员的准备加工钢筋丝头班组,每台滚丝机配操作人员一名,还要有接头组接入抗和辅助人员若干。操作人员和接头组接人员必须经过培训,培训合格并取得操作证后方能上岗作业。操作人员负贵丝头加工和质量自检:辅助人员负揖搬运钢筋,绐钢筋丝头拧上塑料保护帽或套筒:组接人员负责工位安装组接钢筋接头。3.2丝头

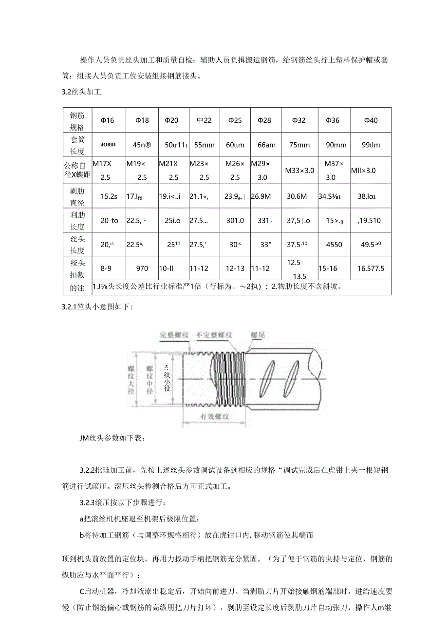
5、加工钢筋规格161820中222528323640套筒长度4OlllD45n50r1155mm60m66am75mm90mm99Im公称自径X蝶距M17X2.5M192.5M21X2.5M232.5M262.5M293.0M333.0M373.0Mll3.0剥肋直径15.2s17.Iftl19.i.,19.510丝头长度20,s22.5x,251127.5,30s3337.510455049.5x0统头扣数8-997010-ll11-1212-1311-1212.5-13.515-1616.577.5的注1.J头长度公差比行业标准严1倍(行标为。2执):2.物肋长度不含斜坡。3.2.1竺头小意

6、图如下:纹小役JM丝头参数如下表:3.2.2批珏加工前,先按上述丝头参数调试设备到相应的规格“调试完成后在虎钳上夹一根短钢筋进行试滚压。滚压丝头检测合格后方可正式加工。3.2.3滚压按以下步骤进行:a把滚丝机机座退至机架后极限位置:b将待加工钢筋(与调整环规格相符)放在虎钳口内,移动钢筋使其端而顶到机头前放置的定位块,再用力扳动手柄把钢筋充分紧固,(为了便于钢筋的央持与定位,钢筋的纵肋应与水平面平行);C启动机器,冷却液潦出稳定后,开始向前进刀。当剥肋刀片开始接触钢筋端部时,进给速度要慢(防止钢筋偏心或钢筋的高纵朋把刀片打坏),剥肋至设定长度后剥肋刀片自动张刀,操作人m继续转动行走手柄,进行第

7、二道工序一滚压:d滚轮刚开始滚压钢防时,操作力度要适当,操作力过小,机头无法跟进,力量过大则影响螺纹加工精度,滚轮滚压螺纹三、四圈后就会自动跟刀,此时可脱离人工操作,操作者可松开行走机构手柄,让机器自动滚压螺纹,到达设定长度后机器就会自动反转退回:e当滚轮退出丝头后,再转动行走机构手柄把机头退回后极限位践。按动主机停止按钮停机,取出钢筋,检查丝头螺纹痂显,合格后立刻拧上塑料保护帽或套筒,抬至成品库码放待安装。3.3 接头组接1. 3.1组接直螺纹接头时应使用管钳或专用呆扳手.3. 3.2在组接时,再将钢筋丝头保护箱拆下,保证丝头清洁、无碰撞变形。4. 3.3般接头的连接,先把套筒用手(或扳手)

8、拧在侧钢筋丝头上,到外露一扣左右:再将另一根钢筋拧进套筒的另一端,用扳手拧紧直到设定的力矩值为止:扳手要靠近套筒两侧。5. 3.4对于异径接头,应先拧粗钢筋,再拧细钢筋。6. 3.5对于钢筋不能转动的场合,需要用正反丝扣型接头。安装时:先把套筒正丝扣一端靠紧有正丝扣的钢筋、反丝扣一端靠紧有反丝扣的钢筋,并使三者在一条轴线:然后用手(或扳手)顺时针拧套筒,使两端的丝头旋入套筒内:再用两把扳手锁紧套筒两端的钢筋,用第三把扳手拧转套筒,直到钢筋顶紧,拧不动为止。3.4 两个钢筋笼之间的对接安装钢筋笼成型后,钢筋不能转动,当需要将两个钢筋笼在工位接长时,只能采用旋转套筒的方式。旋转套筒的方式有两种.种

9、是正反丝扣型,种是加长丝扣型。正反丝扣型在连接的过程中钢筋需要轴向移动,对单根不能旋转的钢筋采用这种形式是可行的,如隧道圆孤钢筋、墩身与帽承台之间的拐筋等,但对于钢筋笼的对接,要求连接每一个接头时整体钢筋笼均要轴向移动,操作难度极高,往往有一个接头拧不进去,整个钢筋笼无法连接,因而,一般采用加长丝扣空。(注:加长丝拉不能保证100%达到I级接头指标,可以达到Il级,需要设计同菽方可采用)。采用加长丝扣型接头连接钢筋笼的工艺流程图及钢筋笼连接示意图见附件4.现场质量检验4.1 丝头检验削筋规格161820222528323610拧紧力矩80N.m160N.m230N.m300N.m360N.4.

10、1.1丝头的尺寸应符合3.2.1表中要求.1.1.1 1.2丝头牙形及螺纹光洁度:用目测检食该丝头有效长度内的牙形、螺纹光活度及偏心,丝头牙型应饱满光洁,不完整螺纹(牙顶宽度大于0.3P)累计长度不超过二扣。4.1.3 加工的丝头应逐个进行自检,不合格的应重新加工;自检合格的丝头,应由现场质检员随机抽样进行检验。个工作班加工的统头为批,陵机抽检10%,且不少于10个。4.1.4 丝头抽检合格率应不小于95%。当小于95%时,应另抽取同样数量的丝头重新检验。两次检验的总合格率不小95%时,该批合格。若小丁95%,则逐个检验,合格者方可使用。4.2接头外观检验4.2.1钢筋连接完毕后,检查标准型接

11、头连接套筒外应有外露有效螺纹,且套简单边外露有效螺经不得超过2扣。钢筋连接完毕后,拧紧力矩值应符合卜表要求。4.2.2接头的外观质员应1期自检,不合格的应重新调整或采取其他仃效连接措施:自检合格的接头,应由现场质检员随机抽样进行检验.相同施工条件的同规格连续牛产的500个接头为一个检验批,不足500个也按一个检验批算。每批随机抽检15%,且不少于75个。4.2.3现场接头的外观抽检合格率应不小于95%o当小于95%时,应另抽取同样数量的空头重新检验。两次检验的总合格率不小于95$时,该批合格。若小于95%,则逐个检验,在检验出的不合格接头中,抽取三根接头进行抗拉强度检验,这三根全部合格时,该批

12、外观合格。4.3接头力学性能检验1.1.1 3.1施工前,每种规格制作三根试件按JGJlo7规定进行工艺检验,合格后方可施工。1.1.2 同条件同规格连续生产的500个接头为一个检验批,不足500个也按一个检验批算。按JGJIO7规定进行检验。1.1.3 在现场连续检验1()批,拉伸试件全部一次合格时,检验批接头数珏可扩大为100o个。引用标准1 .钢筋机械连接通用技术规程?JGJ1072 .滚轧宜螺触钢筋连接接头JG163第二部分锹粗直螺触连接作业指导书1.JM钢筋微粗设备及套丝设备钢筋锻相机和套丝机是现场加工纲筋丝头的机械,是决定丝头质量和加工效率的关键因素“JM里钢筋自动锁粗机主要由锻粗

13、主机、自动泵站、电控系统、油管、电缆等组成。主要参数见下表:.型号1.DJTO额定压力(MPa)80功率(Z)5.5锹粗速度(秒/头)20-30泵站尺寸(Iwn)943X590X980泵站乘量(含油)kg300主机尺寸(nm)137010001350主机电量(kg)1700JM型套丝机主要由机架、减速机构、夹持机构(虎钳)、张刀机构、行走机构、车削机构、调整机构、冷却系统、电控系统等组成,主要参数见下表:.型号GTS40系列机头转数(转/分)50W主电机功率(kW)4水泵电机功率kW)0.12外形尺寸(nm)II5O47OIO7O(kg)35O-57O2.JM锹粗直螺纹连接套筒直螺纹套筒是构成接头的重要组成部分,用45号优质碳素结构钢加工而成.机械性能应符合下表要求:项目性能指标屈服强度MPaH355抗拉强度MPaN600延伸率%16套筒尺寸参数如E:型号规格DZG16DZG18DZG20DZG22DZG25DZG28DZG32DZG36DZG40适用钢筋出径161820222528323640套筒长度3236-1044505661728。套筒外径D25283133.5

展开阅读全文
相关资源
猜你喜欢
相关搜索

当前位置:首页 > 建筑/环境 > 设计及方案

copyright@ 2008-2023 1wenmi网站版权所有

经营许可证编号:宁ICP备2022001189号-1

本站为文档C2C交易模式,即用户上传的文档直接被用户下载,本站只是中间服务平台,本站所有文档下载所得的收益归上传人(含作者)所有。第壹文秘仅提供信息存储空间,仅对用户上传内容的表现方式做保护处理,对上载内容本身不做任何修改或编辑。若文档所含内容侵犯了您的版权或隐私,请立即通知第壹文秘网,我们立即给予删除!