环保型高导电塑料护套综合贯通地线.docx

上传人:p** 文档编号:105692 上传时间:2022-12-27 格式:DOCX 页数:4 大小:48.72KB
下载 相关 举报
环保型高导电塑料护套综合贯通地线.docx_第1页
第1页 / 共4页
环保型高导电塑料护套综合贯通地线.docx_第2页
第2页 / 共4页
环保型高导电塑料护套综合贯通地线.docx_第3页
第3页 / 共4页
环保型高导电塑料护套综合贯通地线.docx_第4页
第4页 / 共4页
亲,该文档总共4页,全部预览完了,如果喜欢就下载吧!
资源描述

《环保型高导电塑料护套综合贯通地线.docx》由会员分享,可在线阅读,更多相关《环保型高导电塑料护套综合贯通地线.docx(4页珍藏版)》请在第壹文秘上搜索。

1、环保型高导电塑料护套综合贯通地线范围本说明规定了环保型高导电塑料护套综合贯通地线(以下简称贯通地线)的使用特性、型号、规格、技术要求、试验方法、检验规则、标志、包装、运输及贮存。本标准规定的环保型高导电塑料护套综合贯通地线适用于铁路信号系统轨道电路区段与电缆同沟敷设的贯通地线,亦适用于铁路客运专线综合接地系统、电气化铁路电力牵引回流地线或电气设备的接地线。使用特性产品机械强度高,弯曲能力和抗冲击能力强。可用于震动较为剧烈、使用条件较为恶劣的铁路运输环境。产品的敷设温度不低于-IOCoO产品的使用环境温度范围:40Co+60Co,导体长期工作温度不超过700%产品的允许弯曲半径应不小于产品外径的

2、15倍。产品所用材料均无毒,不会对环境造成污染。型号、名称、规格及产品表示方法产品的型号、名称如下表型号名称DHS环保型铜芯高导电塑料护套综合贯通地线产品规格应符合下表的规定。名称规格接地铜缆标称截面mm2535507095产品表示方法产品用型号、规格表示。示例1:环保型铜芯高导电塑料护套综合贯通地线,标称截面35mm,表示为:DHS135技术要求与试验方法1导体导体应采用符合GB3953规定的TR型软圆铜线。对于DHS型贯通地线,导体应采用GB/T3956规定的第2种绞合导体。绞合时的最外层绞合节距为绞合外径的1015倍,内层绞合节距为不大于内层绞合外径的20倍。最外层绞合方向为右向,相邻层

3、绞向相反。绞合后的导体表面应光洁、无氧化、无毛刺、无油污、无凸起或断裂的单线。允许单根导体接续,接续处的抗张强度不得小于无接续导体抗张强度的90%,试验方法应符合GB/T4909.3规定。绞合导体不允许整股接续,参与绞合的单根导体同一层内相邻两个接头之间的距离不小于300mmo2高导电塑料护套高导电塑料护套标称厚度为l2mmo高导电塑料护套的任一点最小厚度应不小于LOmm,试验方法为采用精度不低于0.02E的卡尺测量。高导电塑料护套挤出要求包覆紧密,表面光滑圆整,无气泡、脱胶进水、刮伤现象。高导电塑料护套材料的机械物理性能及电性能应符合下表的规定。序号项目单位指标试验方法1抗张强度MPa10,

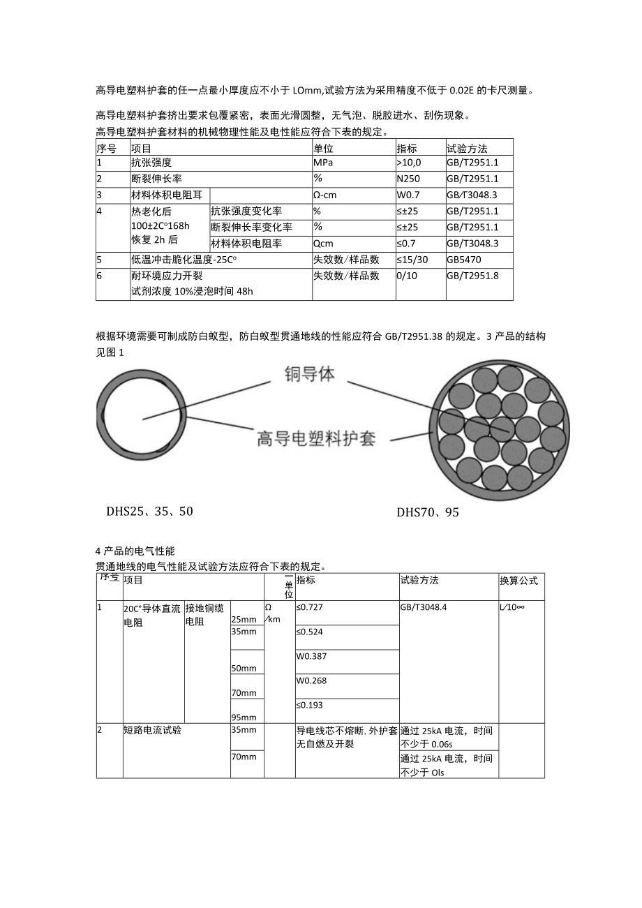
4、0GB/T2951.12断裂伸长率%N250GB/T2951.13材料体积电阻耳-cmW0.7GB3048.34热老化后1002Co168h恢复2h后抗张强度变化率%25GB/T2951.1断裂伸长率变化率%25GB/T2951.1材料体积电阻率Qcm0.7GB/T3048.35低温冲击脆化温度-25Co失效数/样品数15/30GB54706耐环境应力开裂试剂浓度10%浸泡时间48h失效数/样品数0/10GB/T2951.8根据环境需要可制成防白蚁型,防白蚁型贯通地线的性能应符合GB/T2951.38的规定。3产品的结构见图1DHS70、95DHS25、35、504产品的电气性能贯通地线的电气

5、性能及试验方法应符合下表的规定。序号项目一单位指标试验方法换算公式120C导体直流电阻接地铜缆电阻25mmkm0.727GB/T3048.4L1035mm0.52450mmW0.38770mmW0.26895mm0.1932短路电流试验35mm导电线芯不熔断,外护套无自燃及开裂通过25kA电流,时间不少于0.06s70mm通过25kA电流,时间不少于Ols5高导电塑料护套再生压片后的常温性能高导电塑料护套再生压片后的常温性能及试验方法应符合表6的规定。表6序号项目单位指标试验方法1抗张强度中值MPa10GB/T2951.12断裂伸长率中值%2250GB/T2951.13材料体积电阻率cm0.7

6、GB/T3048.36高导电塑料护套热收缩试验护套热收缩试验应依据GB29513进行。试验时烘箱预热温度为1002b,护套放置时间为4ho护套热收缩率应不大于5%o7高导电塑料护套材料环保性能试验贯通地线高导电塑料护套的重金属含量及漠性耐燃剂应符合表的规定。序号有害物质项极限含量值PPm1重金属镉(Cd)1002铅(Pb)10003汞(Hg)10004六价格(CrVI)10009溪性耐燃剂聚澳联苯酸(PBDE/PBBE)100010聚溪联苯(PBB)1000注:m=mgkg产品交货长度为1000、1500、2000、2500、3000m,也可根据双方协议长度交货。产品长度计*误差应不超过0.5

7、%。检验规则产品应由公司技术部检验合格后出厂,出厂产品应附有产品合格证。产品应按下表的规定进行检验。序号试验项目试验类型1结构尺寸1.1高导电塑料护套厚度T、R2产品电气性能2.1接地铜缆直流电阻T、S2.2短路电流试验T3高导电塑料护套材料的机械物理性能及电性能T4高导电塑料护套再生压片后的常温性能T、S5护套热收缩率1002Co4hT6高导电塑料护套材料环保性能试蛤T抽样试验应从每批送检产品中抽取10%,但不少于一盘。如有一项不合格时,应就不合格项目加倍抽检,如仍不合格时,则该批产品应全部进行检验。型式试验规定每三年做一次。有下列情况之一时,应进行型式试验:a)产品首批生产;b)正式生产后

8、,如结构、材料、工艺等有较大改变,可能影响产品性能时;c)长期停产后,恢复生产时;d)出厂检脸结果与上次型式试验有较大差异时;e)国家质量监督机构提出进行型式试验要求时。标志、包装、运输、贮存1标志产品护套外表面上应印有公司名称、产品型号、规格。长度标志产品护套外表面上应印有白色能永久辨认的清晰长度标志,长度标志以米为单位。若第一次标志不符合上述要求,允许在产品另一侧用黄色重新标志,以示区别。电缆盘标识成品电缆盘上应标明:a)公司名称;b)产品型号、规格;c)长度m;d)毛重kg;e)出厂编号;f)制造日期年月;g)表示电缆盘正确旋转方向箭头。2包装产品应整齐地卷绕在电缆盘上交货。电缆盘筒体半径不小于产品外径的20倍。产品两端应采用专用套封头。每盘产品应附带产品合格证。3运输、贮存产品应妥善存放,防止导体进水或受潮,避免日光长期照射。装卸时严禁从高出抛下装有贯通地线的线盘,产品在运输中应避免碰撞或机械损伤。线盘不允许平放贮存及以平放方式吊装及运输,以防线盘损坏伤及产品。电缆盘滚动方向应与线盘所标方向一致。

展开阅读全文
相关资源
猜你喜欢
相关搜索

当前位置:首页 > 论文 > 大学论文

copyright@ 2008-2023 1wenmi网站版权所有

经营许可证编号:宁ICP备2022001189号-1

本站为文档C2C交易模式,即用户上传的文档直接被用户下载,本站只是中间服务平台,本站所有文档下载所得的收益归上传人(含作者)所有。第壹文秘仅提供信息存储空间,仅对用户上传内容的表现方式做保护处理,对上载内容本身不做任何修改或编辑。若文档所含内容侵犯了您的版权或隐私,请立即通知第壹文秘网,我们立即给予删除!