电力通信光缆寿命评估指标体系、损伤机理和失效模式、寿命计算方法.docx

上传人:p** 文档编号:106111 上传时间:2022-12-27 格式:DOCX 页数:8 大小:88.83KB
下载 相关 举报
电力通信光缆寿命评估指标体系、损伤机理和失效模式、寿命计算方法.docx_第1页
第1页 / 共8页
电力通信光缆寿命评估指标体系、损伤机理和失效模式、寿命计算方法.docx_第2页
第2页 / 共8页
电力通信光缆寿命评估指标体系、损伤机理和失效模式、寿命计算方法.docx_第3页
第3页 / 共8页
电力通信光缆寿命评估指标体系、损伤机理和失效模式、寿命计算方法.docx_第4页
第4页 / 共8页
电力通信光缆寿命评估指标体系、损伤机理和失效模式、寿命计算方法.docx_第5页
第5页 / 共8页
电力通信光缆寿命评估指标体系、损伤机理和失效模式、寿命计算方法.docx_第6页
第6页 / 共8页
电力通信光缆寿命评估指标体系、损伤机理和失效模式、寿命计算方法.docx_第7页
第7页 / 共8页
电力通信光缆寿命评估指标体系、损伤机理和失效模式、寿命计算方法.docx_第8页
第8页 / 共8页
亲,该文档总共8页,全部预览完了,如果喜欢就下载吧!
资源描述

《电力通信光缆寿命评估指标体系、损伤机理和失效模式、寿命计算方法.docx》由会员分享,可在线阅读,更多相关《电力通信光缆寿命评估指标体系、损伤机理和失效模式、寿命计算方法.docx(8页珍藏版)》请在第壹文秘上搜索。

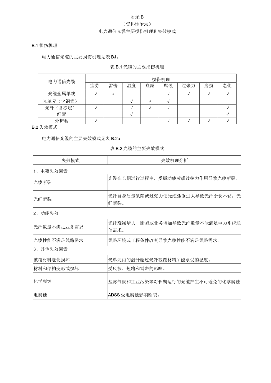
1、附录A(资料性附录)电力通信光缆寿命评估指标体系电力通信光缆寿命评估指标体系见表A.1。表A.1光缆寿命评估指标体系1级因子权重2级因子权重3级因子权重备注设计参数50光缆设计参数30光缆型号20OPGWsOPPC.ADSS.普通光缆光缆芯数40/光纤类型40Bl、B4线路设计参数60长度10线路长度影响环境参数-覆冰情况30覆冰区等级环境参数-雷击情况30雷暴日转角情况20非转角、转角线路类型10架空、管道、埋地附件设计参数10接头盒50接头盒数量、运行情况防振50是否有防振状态参数50光缆参数60使用年限20/断股修复30是否有使用光纤占比30/备用光纤情况20可用情况光纤参数40光路损耗

2、50定期检测光纤劣化50/附录B(资料性附录)电力通信光缆主要损伤机理和失效模式B.1损伤机理电力通信光缆的主要损伤机理见表BJ。表B.1光缆的主要损伤机理电力通信光缆损伤机理疲劳雷击温度衰减腐蚀过张力磨损老化光缆金属单线光单元(含钢管)光纤(含涂层)纤膏外护套B.2失效模式电力通信光缆的主要失效模式见表B.2o表B.2光缆的主要失效模式失效模式失效机理分析1、主要失效因素光缆断裂光缆在长期运行过程中,受振动疲劳或过拉力作用导致光缆断裂。光纤断裂光纤自身质量缺陷或过张力使光缆弧垂过大导致光纤余长不够,光纤断裂。2、功能失效光纤数量不满足业务需求光纤衰减增大、断裂或业务增加导致光纤数量不能满足电

3、力系统通信需求。光缆性能不满足线路需求线路环境或工程条件改变导致光缆性能不满足线路需求。3、其他失效因素被覆材料老化损坏光单元内的温升超过光纤被覆材料所能承受的温度。材料和结构变形或损坏受风振、短路和雷击的影响。化学腐蚀盐雾气候和工业污染等对长期运行的光缆产生不可避免的化学腐蚀。电腐蚀ADSS受电腐蚀影响断裂。附录C(资料性附录)基于筛选试验的光纤寿命计算方法实际工程中,引入复绕筛选时每公里断裂次数Np。(C-I)(nt尸N,=%(C-2)将(C-2)带入(CT)式,并用筛选应变P来表示筛选应力。P,用施加应变a来表示施加应力可得光纤寿命计算模型:9LaS)WJOf/31557600(年)(C

4、-4)式中:F一一筛选后施加应变为与时光纤的断裂概率;品复绕筛选时施加的应变,单位为GPa;4一二次复绕筛选或者筛选后使用的应变,单位为GPa;NP一复绕筛选时每公里断裂次数;L光纤的总长度,单位为m;tp筛选时光纤承受张力的时间,单位为S;Ia筛选后二次加力寿命或者使用时的光纤寿命;n光纤疲劳参数;m光纤威布尔参数。附录D(资料性附录)基于健康指数的光缆寿命评估方法根据OPGW光缆的失效模式和老化机理,影响OPGW光缆寿命的因素可以从不同侧面与不同层次上反映OPGW光缆运行情况的好坏,但如果全面考虑这些信息,状态评估采用单一-模型将会比较复杂,难以实现;如果减少信息量,即指标数量,又会使评估

5、的准确性、可靠性受到影响。D.1光缆健康指数计算公式光缆健康水平指数计算公式为:川广山OXeB(TF)X4(D-I)式中:HIt最终的健康指数;HI0初始健康指数,由设备原始信息确定,包括原始技术规格参数、设计;B老化系数;T0一一H/o对应的年份,一般为设备投运年份:T一一与所要计算的对应的年份,可为当前年份,也可为未来年份;fm0d修正系数,由故障、缺陷、环境等因素确定。修正系数d定义如下:a)如果任一状态或修正系数1,那么Anod就取这些系数的最大值,再加上其余系数的个数乘于步长的和;b)如果任一状态或修正系数Wl,那么An”就取这些系数最小值。D.2确定光缆老化系数B值确定健康指数变化

6、率需先确定B值,通常采用的方法是评估健康指数从0.5-5.5变化时的情况。不同的设备类型以及运行情况,其预期使用寿命也会不一样。因此,必须根据运行环境(比如污区、环境恶劣区域等)为每一设备计算一个老化常数。光缆老化系数B计算公式如下:B=k(D-2)n式中:B一一老化系数;n预期寿命;k一一环境修正系数。表D.1健康指数与故障概率和剩余寿命的关系状态健康指数剩余寿命故障发生概率报废(更换)1000很差7V8年高差5.58-15年中一般415-30年低很好030年很低D. 3光缆剩余寿命计算模型光缆的剩余使用寿命EOL是以光缆当前健康指数来推算到其报废或更换的健康指数的时间。利用式D-I和式D-

7、2可知光缆的剩余使用寿命为:EOL=n7HI1B式中:EOL剩余寿命;HIt一一当前年的健康指数;B老化系数。D.4评估模型中系数、权重的确定(1)污秽系数环境污移系数如表D-2所示。表D-2用于计算的污秽系数污秽等级污秽特征附盐密度(mgcm2)污秽系数a大气清洁地区及离海岸线盐场50km以上无明显污染地区0.030.95b大气轻度污染地区,工业区和人口低密集区,离海岸盐场10-5Okm地区。在污闪季干燥少雾(含毛毛雨)或雨量较多时0.03-0.061.00C大气中等污染地区,轻盐碱和炉烟污染地区,离海岸盐场3T0km地区,在污闪季节中潮湿多雾(含毛毛雨)或雨量较少时0.06-0.101.0

8、5d大气污染较严重地区,垂雾和重盐喊地区,近海岸盐场l-3km地区,工业与人口密度较大地区,离化学污源和炉烟污秽300-1500m的较严重污秽地区0.10-0.251.10e大气特别严重污染地区,离海岸盐场Ikm以内,离化学污源和炉烟污秽300m以内的地区0.25-0.351.15(2)气象系数气象系数影响因素参考了架空输电线路的气象设计标准,主要由覆冰厚度和风速二者来确定,取值为1。(3)平均使用寿命平均使用寿命由电网运行环境和工程经验确定。(4)状态系数根据光缆线路和模型特点,OPGW光缆的状态系数见表D-3。表D-3OPGW光缆状态系数表状态因素描述状态系数1接续维护由于故障或其他原因打

9、开接头盒进行维护1.052断股修补由于雷击等因素导致断股,修补后继续使用1.13光纤衰减增大由于环境、人为等因素导致光纤衰减增大1.14光纤衰减超标由于环境、人为等因素导致光纤衰减超标1.2(5)光缆缺陷系数光缆缺陷系数由缺陷等级和缺陷次数决定。光缆缺陷系数等级表如表D-4所示。表D-4OPGW光缆缺陷系数表缺陷次数缺陷系数最小值最大值OO1.0O11.05121.125L13IOO1.2D.5寿命评估计算举例(I)数据收集收集的某OPGW光缆情况如表D-5所示。表D-5OPGW光缆情况OPGW情况描述备注投运时间1995年-型号规格0PGW-36B1-120-气象条件B-电压等级220kV-

10、运行状态运行状态良好,1次遭受雷击损伤断1股修复,由于工程需要2次接头盒进行维护(打开维护),3根光纤发生超标现象。不完全统计(2)寿命评估过程1)健康指数的计算由表D-5可知,该光缆运行年限为22年,污移等级为b。根据光缆建设及运行情况确定光缆平均寿命为30年。查表得环境系数为1.0,状态系数为1.2,缺陷系数为1.1。老化系数B由式D-2计算得:Cln,ln7n , B =9k =In7/In 0.5221.0= 0.11老化系数B代入式DT,代入缺陷系数,计算得当前光缆的健康指数:HL=HIOXeB(TF)X&=0.50,x221.2=6.752)剩余使用寿命理论值由式D-3计算得理论剩

11、余寿命为:EOL=nlHItln76.75B0.11=2.623)剩余使用寿命经验值由于健康指数为6.75,根据表DT表明OPGw光缆健康状态较差,在实际运行情况下,剩余寿命大概还有4-5年。附录E(资料性附录)基于性能退化的光缆寿命评估方法E.1基于Wiener过程的退化寿命评估模型基于wiener过程的产品退化寿命T的分布为逆高斯分布,其分布函数和概率密度函数分别为:F= (W9D1/二ITCXP 2P产品寿命的T的期望和方差分别为:(-Dr-t(Di)222t(E-I)DfDtE(T)= , Var(T) = -7 “式中: 漂移参数;(E-2)2扩散参数;Df(DfO)失效阈值,即损耗

12、量的最大上限。t_试验时间,利用极大似然法计算漂移参数和扩散参数?的估计值:1A = -,2=-iJ=I (x )(Z 3V VA_LLig 尸I %y r.工H一 mi(E-3)将A和32带入式(E-2)可计算出寿命T的分布函数,带入式(E-3)可计算出寿命T的期望。式中: 第i个样本在第网次测量的退化量;N = tjT-,测量的时间间隔;.r= x,-1,。时刻的退化量与时刻退化量的差值,即退化量增量;mi第i个样本的测量次数;i样品序号,i = 12j测量时刻, = 1,2,.w, oE-2正态型退化分布模型如果性能退化量y服从均值为%(t)(位置参数)、标准差为y(t)(形状参数)的正

13、态分布, 则其寿命分布与性能退化分布之间的关系如公式X所示:F(r)= P(xDy) = l-(D1-(E-4)利用极大似然估计法计算x(/)和l(/)的值,A(z)=,W=(-)2(E-5)分别得到W2”时刻性能退化量均值估计值总)4(幻/、(&)、总体标准差估计值伉),无。2),瓦(骞)。建立退化量均值和标准差退化模型,常用的如线性模型、对数模型、指数模型等,代入(8-5)即可对产品平均寿命、可靠寿命等特征量进行评估。式中:%样品i在弓时刻的退化量;。时刻所有样本退化量的均值。E. 3基于加速试验的光纤疲劳裂纹增长寿命模型寿命评估模型为logtx=-nxlogx+logkx(E-6)式中:凡一一静态疲劳参数;ks恒定参数;s恒定外加应力。不同的应力

展开阅读全文
相关资源
猜你喜欢
相关搜索

当前位置:首页 > 论文 > 自然科学论文

copyright@ 2008-2023 1wenmi网站版权所有

经营许可证编号:宁ICP备2022001189号-1

本站为文档C2C交易模式,即用户上传的文档直接被用户下载,本站只是中间服务平台,本站所有文档下载所得的收益归上传人(含作者)所有。第壹文秘仅提供信息存储空间,仅对用户上传内容的表现方式做保护处理,对上载内容本身不做任何修改或编辑。若文档所含内容侵犯了您的版权或隐私,请立即通知第壹文秘网,我们立即给予删除!