电工技术习题解.docx

上传人:p** 文档编号:1068361 上传时间:2024-06-29 格式:DOCX 页数:30 大小:552.05KB
下载 相关 举报
电工技术习题解.docx_第1页
第1页 / 共30页
电工技术习题解.docx_第2页
第2页 / 共30页
电工技术习题解.docx_第3页
第3页 / 共30页
电工技术习题解.docx_第4页
第4页 / 共30页
电工技术习题解.docx_第5页
第5页 / 共30页
电工技术习题解.docx_第6页
第6页 / 共30页
电工技术习题解.docx_第7页
第7页 / 共30页
电工技术习题解.docx_第8页
第8页 / 共30页
电工技术习题解.docx_第9页
第9页 / 共30页
电工技术习题解.docx_第10页
第10页 / 共30页
亲,该文档总共30页,到这儿已超出免费预览范围,如果喜欢就下载吧!
资源描述

《电工技术习题解.docx》由会员分享,可在线阅读,更多相关《电工技术习题解.docx(30页珍藏版)》请在第壹文秘上搜索。

1、电工技术习题解1.5.1在图中,五个元件代表电源或负载.通过实验测员得知:/,=-4AI3=GA/,=10M=14OV=-90Vt-=60V=-WVq=3OV解:(1)一、2为电源,3、4、5为负载电压和电流的参考向如图所示,今P26(2) 也(3) PI=I40X4=56OWP2=906=540WP3=6O1O=6O()WA=80X4=32(WP5=306=i80V1.5.2在图中已知=3mAP1+P2=PP4+PS功率平衡2=1mA试行定电路元件3中的电流人和其两头的电压S,并说明是电源仍是负校.校验整个电路的功率平衡.解:/)-/:-l-3=-2nv5=X0+30=3X10+30=6OV

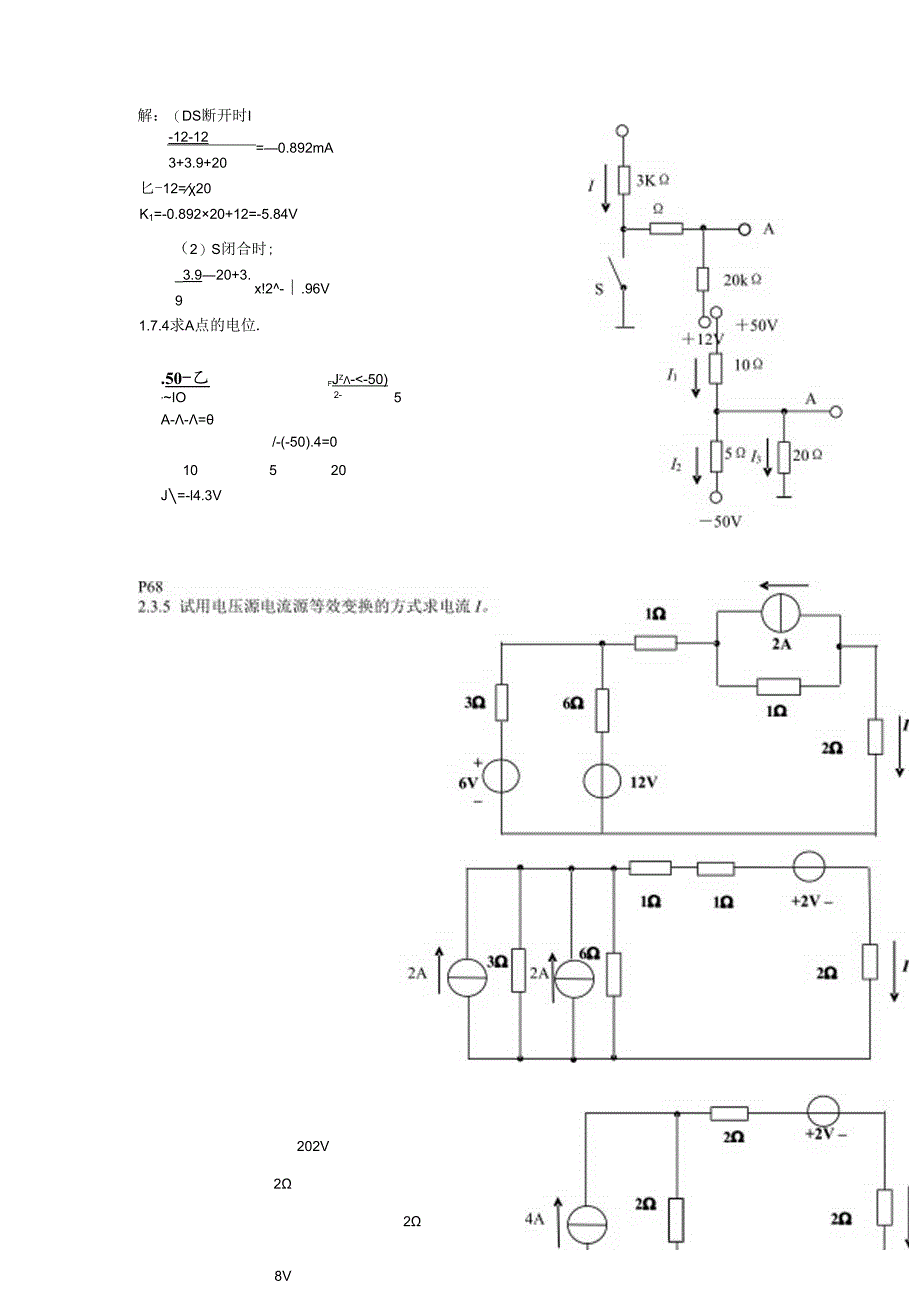
2、元件3为电源3O3IO+(3105)21()IO+(IIO,)22O1O5=8OIIO,+6O2IO功率平衡.1.7.1求图示电路中A点的电位。解:I=-=-IA2+1F.=l+6=-l+6=5V+6(OKT20kQ盛JfHtQ)UfIQA+3v-1141.7.3在开关断开和闭合时试求A戊的电位。-12V解:(DS断开时I-12-123+3.9+20=0.892mA匕-12=20K1=-0.89220+12=-5.84V(2)S闭合时;_3.920+3.9x!2-.96V1.7.4求A点的电位.50-乙fJz-50),IO2-5A-=/-(-50).4=010520J=-l4.3V202V22

3、8V2.5.3用结点电压法求电压U,并计算理想电流的功率,12.8V(=44U=)6+!2.8=28.8V2.6.1(I)当开关S合在a点时求电流小乐(I)的结果用叠加原理来电流A,h,h.解:(I)S在a点时:KC1.:/,+/,-3=OKV1.:/,4+l2-130=0Ax4+/,X2-120=0求解:*,-2I1=Ib-246V2+7x4.(2)S在b点时:204/.=-=-4A2I2x42+42+42020,2x42+4Z42+4(2)开关S合在b点时,利用+h()2OV7j()130V1.2h2O11a/I5A=T3S短只有20V电源起作历时:2。-4Q,-5=4j5+1+4K=10

4、x(2+-)+1O-=36V1+41+4r2=s2+O=IO2=2OV4IK=10-l-1O-i-=6l=6V4+14+1匕=0+10P=IoVVv=0+IOJz=IOV44K=IOx+IOx=16V4+14+1G=sls=3610=360W发出=r,s=200=200V片=匕人=6x6=36W=s=102=20WPt=VJt.=0x4=40V取用/;=F4,1=164=64Wl=15-4=112=10+6=163=25+2=272.6.3用叠加原理计算电路中各支路中的电流及各元件两头的电压,井说明功率关系.解:IS=0+10=10Al=4IO-=6/11 4+1/,=XlO+也=444 4+

5、14+1,八10.jZ5=()+=2A2.7.6用岐维宁定理和诺顿定理计算电路中R1中的电流.解:戴维宁定理EUu=tr-/?,=IO-24=2Vo=/?,=4F27.=-=-=-=O.I54A1R,+o9+4诺顿定理:=V05as=-0.5=0.154AA+&9+42.7.9如图所示的电路中,当R-4。时,/-2A.求R=9。时/=?解:)7Ro=二=12+2/=f=(+o)=2(4+l)=10V&+R,10,4/=IA1+9P963.2.1 图示电路在换路前已达到稳固状态,试求换路后其中的电流0.)和,(8).解:(八)t(.)=3=I.5Az(0.)=3A=(0.)/(0+)=j(8)=

6、q=3AMt(0J=6V=uc(0,)KO+)=6-nt.(0.)=6-6=0vZ(OO)=-=1.5AC)Q1(O)=6A=il(O.)12(0J=0A=i,(0.)/(O+)=ia(O.)-12(O,)=6-O=6A/()=OA“(0.)=yx6=3V=uc(0.)一十一MO+)=6-11c(0,)6-32+2=2+20.75A=IA3.2.2 图示电路在换路前已达到稳固状态,试求换路后M吹,is的初始值和枪态值./.(0)=1.A=(O)2115+0+1030+15330+15两7喘净)=MJ30+15/lYO+)=端T(O+)哈-渭Al()=OA11c()=15=7.5V&()=葛=0

7、75A3.3.3图中=10mA,1-3k11.2三3kQ.AZkaq2冏状态.求,No时M和j井Ai出它们的曲线.解:(Dr=O.时:w)=OV3)时刻常数-+3)102106=IO26r=(,+1)C=(-+,)C=(F.在开关S闭合前电路达到柩Kl+A,Jwc()=ttc(oo)+(Mc(0.)-Mc()et=0+(60-0)e,=-C-=-210*60t,o,(-100)=d/1=60eTV3.3.2图中G=20V,1=12kO,r=6kQ,C1=IOV,G=2OF.电容元件原先均未储能.当开关S闭合后求电容元件两头的电压M.解:(1) mc(0J=uc(0.)=0V(2) mc()=(

8、=20V(3) r=,-=610-l0-6=4l0-2SC1+C210+20uc=20+(0-20)e7=20-20e25,V1I1C2=1.3.3.3解:3.4.2解:图示电路,开关S闭合前电路已达到稳网状态.求开关闭合后的电压版.(1) uC(O+)=mC(0-)=96=54V6x3uC(oo)=9-=I8V6+3(3) r=-10210-,=410,S6+3“c=18+(54-18)eFA=18+36esfhV图示电路.求/NO时(D电容电压c.(2)B点的电位VB.(3)A点的电位va换路西电路达到稳固状态.O)c(0.)=c(0-)=x5=1V6-vb(0)=6CIX0b+10+25

9、B(OJ=6-6-6-lXlO=2.86VB10+25va(0.)-(-6)=6t6bl25*10+25v(0,)=6-6-125-6=l.86V10+256-(-6)(2)Mr()=-X5=1.5Vc10+5+256-vb()=vb(x)=6-X1Q10+5+256二(9io=3V10+5+25v()-(-6)=-U6)_2510+5+25va()=6(25-6=1.5V10+5+25(3)r=(1255Xio3X100xIO42=4375IO7S10+25+5IMt.=J.5+(1-1.5k,w,=1.5-0.5-2“0,Vtv1,=3+(286-3)e=3-O,I4e229,o,VIva=l.5+(1.86-l.5/*2=1.5+0.36e229,V343图示电路,换路演己达到稳固状态.求换路后的解:(I)mc(O.)=mc(O.)=Ix20-10=IOV(2)uf(oo)=-2O-IO=-5VC20+10+102sin(*+30,)Vl=-4-3=5N-143试别图用三角函数、正弦波形及相量图去则又如何?i=5,2sin(y/-143)4=4-3=5Z-36.8J/-5、2sin(zv-368).44.5.1解:求AO和VO的读数.o=l02+102=IO2J4=等=K)五52+525&l=IOJ/=l1+-21,cos45=JlO2+(

展开阅读全文
相关资源
猜你喜欢
相关搜索

当前位置:首页 > 高等教育 > 习题/试题

copyright@ 2008-2023 1wenmi网站版权所有

经营许可证编号:宁ICP备2022001189号-1

本站为文档C2C交易模式,即用户上传的文档直接被用户下载,本站只是中间服务平台,本站所有文档下载所得的收益归上传人(含作者)所有。第壹文秘仅提供信息存储空间,仅对用户上传内容的表现方式做保护处理,对上载内容本身不做任何修改或编辑。若文档所含内容侵犯了您的版权或隐私,请立即通知第壹文秘网,我们立即给予删除!