管材承插式密封圈连接及密封圈要求.docx

上传人:p** 文档编号:107283 上传时间:2022-12-28 格式:DOCX 页数:2 大小:66.67KB
下载 相关 举报
管材承插式密封圈连接及密封圈要求.docx_第1页
第1页 / 共2页
管材承插式密封圈连接及密封圈要求.docx_第2页
第2页 / 共2页
亲,该文档总共2页,全部预览完了,如果喜欢就下载吧!
资源描述

《管材承插式密封圈连接及密封圈要求.docx》由会员分享,可在线阅读,更多相关《管材承插式密封圈连接及密封圈要求.docx(2页珍藏版)》请在第壹文秘上搜索。

1、承插式密封圈连接及密封圈要求A.1A型管材承插式密封圈连接A.1.1A型管材采用承插式密封圈连接方式示意见图A.1,宜设置两个橡胶密封圈,橡胶密封圈宜间隔一个波谷。橡胶密封圈a)橡胶密封圈应采用具有耐油、酸、碱、污水腐蚀性能的天然橡胶、三元乙丙橡胶(EPDM)、丁睛橡胶(NBR)或硅橡胶,其性能应符合现行国家标准橡胶密封件给、排水管及污水管道用接口密封圈材料规范GB/T21873的规定,其物理性能要求应符合表A.1的规定。表AJ橡胶密封圈物理性能要求性能要求硬度等级50-70公称硬度的允许公差/IRHD5拉伸强度/MPa9拉断伸长率小200400压缩永久变形(70C。,24h)/%25热空气老

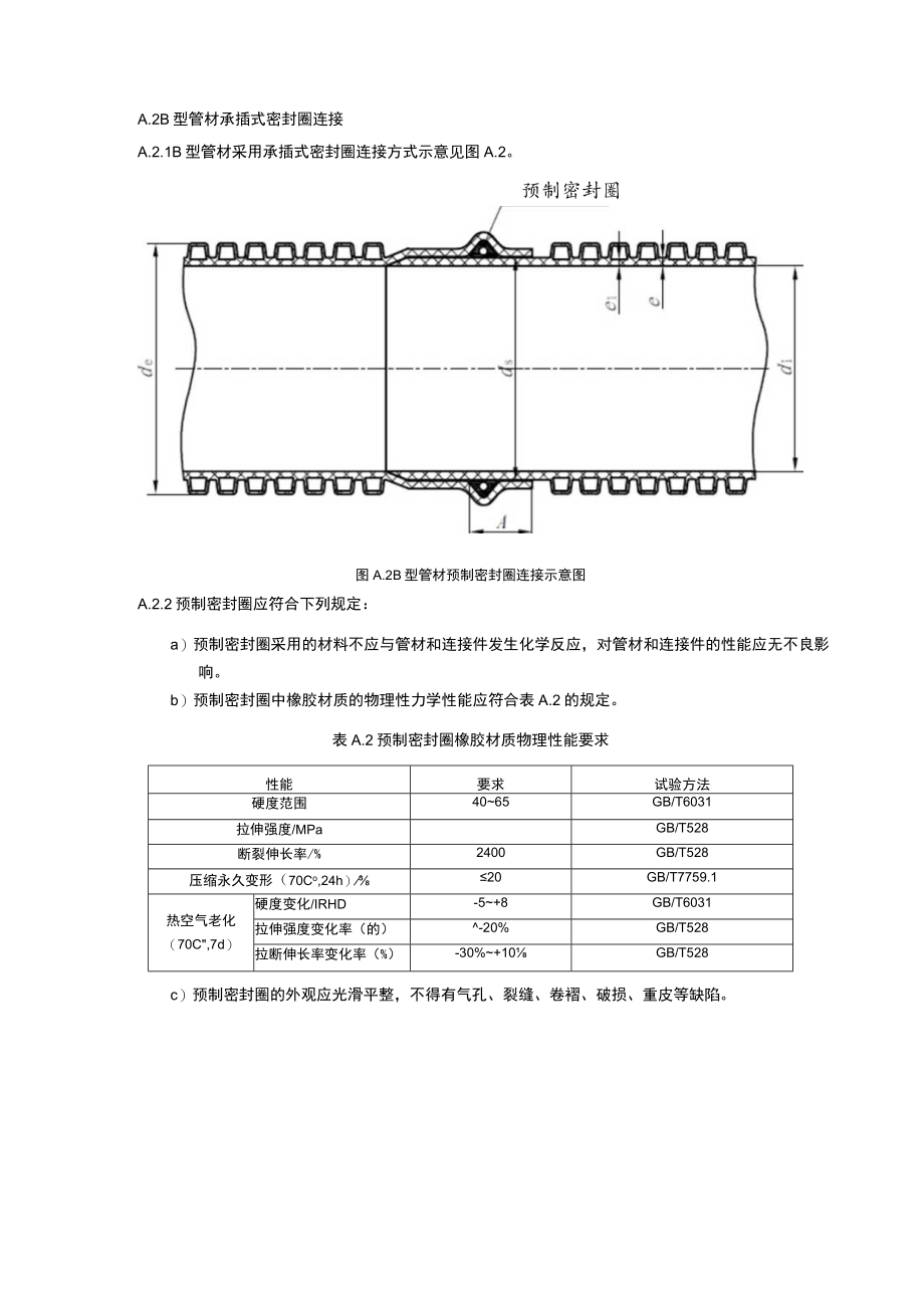
2、化(70Co,7d)硬度变化/IRHD-5-+8拉伸强度变化率/%-20%拉断伸长率变化率小-30%-+10%b)橡胶密封圈的外观应光滑平整,不得有气孔、裂缝、卷褶、破损、重皮等缺陷。c)橡胶密封圈的规格尺寸应与管材的规格尺寸相匹配。A.2B型管材承插式密封圈连接A.2.1B型管材采用承插式密封圈连接方式示意见图A.2。预制密封圈图A.2B型管材预制密封圈连接示意图A.2.2预制密封圈应符合下列规定:a)预制密封圈采用的材料不应与管材和连接件发生化学反应,对管材和连接件的性能应无不良影响。b)预制密封圈中橡胶材质的物理性力学性能应符合表A.2的规定。表A.2预制密封圈橡胶材质物理性能要求性能要求试验方法硬度范围4065GB/T6031拉伸强度/MPaGB/T528断裂伸长率/%2400GB/T528压缩永久变形(70Co,24h)20GB/T7759.1热空气老化(70C,7d)硬度变化/IRHD-5+8GB/T6031拉伸强度变化率(的)-20%GB/T528拉断伸长率变化率(%)-30%+10GB/T528c)预制密封圈的外观应光滑平整,不得有气孔、裂缝、卷褶、破损、重皮等缺陷。

展开阅读全文
相关资源
猜你喜欢
相关搜索

当前位置:首页 > 建筑/环境 > 给排水/暖通与智能化

copyright@ 2008-2023 1wenmi网站版权所有

经营许可证编号:宁ICP备2022001189号-1

本站为文档C2C交易模式,即用户上传的文档直接被用户下载,本站只是中间服务平台,本站所有文档下载所得的收益归上传人(含作者)所有。第壹文秘仅提供信息存储空间,仅对用户上传内容的表现方式做保护处理,对上载内容本身不做任何修改或编辑。若文档所含内容侵犯了您的版权或隐私,请立即通知第壹文秘网,我们立即给予删除!