ADC0832中文资料.docx

上传人:p** 文档编号:1078365 上传时间:2024-06-29 格式:DOCX 页数:7 大小:145.20KB
下载 相关 举报
ADC0832中文资料.docx_第1页
第1页 / 共7页
ADC0832中文资料.docx_第2页
第2页 / 共7页
ADC0832中文资料.docx_第3页
第3页 / 共7页
ADC0832中文资料.docx_第4页
第4页 / 共7页
ADC0832中文资料.docx_第5页
第5页 / 共7页
ADC0832中文资料.docx_第6页
第6页 / 共7页
ADC0832中文资料.docx_第7页
第7页 / 共7页
亲,该文档总共7页,全部预览完了,如果喜欢就下载吧!
资源描述

《ADC0832中文资料.docx》由会员分享,可在线阅读,更多相关《ADC0832中文资料.docx(7页珍藏版)》请在第壹文秘上搜索。

1、A/D转换芯片ADC0832的应用作者I杜洋2005年10月11日ADCo832是美国国家半导体公司生产的一种位辨别率、双通道A/D转换芯片.由于它体积小,兼容性强,性价比育而深受单片机爱好者及企业欢题,其目前已经有很高的普及率.学习并运用ADC0832可是使我们了解VD转换器的原理,有助于我们单片机技术水平的提高.ADCO832具有以下特点: 8位辨别率; 双通道A/D转换I ,入,出电平与TTICMOS相兼容1 5V电源供电时,入电压在0-5V之间; 工作频率为250KHZ,转换时间为32S, 一般功耗仅为1511W KP.14PDIP(双列直播)、PICC多种封装; 商用级芯片温宽为CT

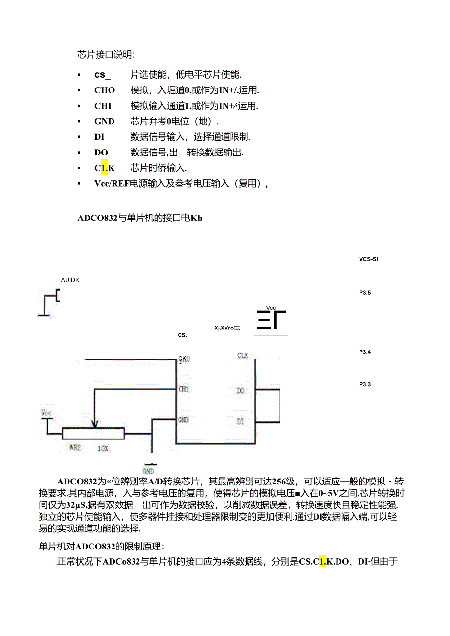
2、Cto+70P,工业级芯片源宽为-40Pto+85笛;ADC08322-ChannelMUXDual-In-1.inePackage(N)芯片顶视图I(图1、图2)ADC08322-ChannelMUXSmallOutlinePackage(WM)COMinte11allyconnectedtoGNJ.VREFintemalyConnUCTedtoV凭.lpVW电子工程技TopView电子罂件选购平台:芯片接口说明: cs_片选使能,低电平芯片使能. CHO模拟,入堀道0,或作为IN+/.运用. CHI模拟输入通道1,或作为IN+运用. GND芯片弁考0电位(地). DI数据信号输入,选择通道

3、限制. DO数据信号,出,转换数据输出. C1.K芯片时侨输入. Vcc/REF电源输入及叁考电压输入(复用),ADCO832与单片机的接口电KhUIDKVccXXVrc三CS.CKOVCS-SlP3.5P3.4P3.3ADCO832为位辨别率A/D转换芯片,其最高辨别可达256级,可以适应一般的模拟转换要求.其内部电源,入与参考电压的复用,使得芯片的模拟电压入在05V之间.芯片转换时间仅为32S,据有双效据,出可作为数据校验,以削减数据误差,转换速度快且稳定性能强.独立的芯片使能输入,使多器件挂接和处理器限制变的更加便利.通过Dl数据幅入端,可以轻易的实现通道功能的选择.单片机对ADCO83

4、2的限制原理:正常状况下ADCo832与单片机的接口应为4条数据线,分别是CS.C1.K.DO、DI但由于DO端与DI端在通信时并未同时有效并与单片机的接口是双向的,所以电路设计时可以将DO和DI并联在一根数据线上运用.(见图3)当ADC0K32末工作时其CS输入端应为高电平,此时芯片禁用,C1.K和DO/DI的电平可随意.当要进行A/D转换时,须先将CS便能墙置于低电平并且保持低电平直到转换完全结束.此时芯片起先转换工作,同时由处理器向芯片时钟输入*C1.K输入时钟脉冲,DO/DI*则运用Dl螭输入通道功能选算的数据信号.在第1个时钟脉冲的下沉之前DI必需是高电平,表示启始信号.在第2、3个

5、脉冲下沉之前Dl端应输入2位数据用于选择通道功能,其功能项麻I.TAB1.E6.MUXAddressing:ADCO832Single-EndedMUXModeMUXAddressChannel#SG1./DTFODD/SIGNO11O11+COh/li三irtdrically,ti三JtoAONDTAB1.E7.MUAddressing:ADCO832DifferentialMUXModeMUXAddressChannel#SG1./DIFODD/SIGNO1OOO1+如表1所示,当此2位数据打1”、“f时,只对CHO进行单通道转换.当2位数据为“1”、“广时,只对CHl进行单通道转换.当2

6、位数据为“0”、“0”时,将CHO作为正输入端IN+,CHl作为负输入端IN.进行输入.当2位数据为“0”、I”时,将CHO作为负输入*IN-,CIIl作为正输入端IN+进行,入.到第3个豚冲的下沉之后DI端的输入电平就失去,入作用,此后DOZDI游则起先利用数据输出DO进行转换数据的读取.从第4个脉冲下沉起先由DO输出转换数据最高位DATA7,嬉后每一个脉冲下沉DO*出下一位数据.直到第H个脉冲时发出最低位数据DATAO,一个字节的数据输出完成.也正是从今位起先输出下一个相反字节的数据,即从第H个字节的下沉,出DATDO.随后,出8位数据,到第19个脉冲时数据出完成,也标记着一次A/D转换的

7、结束.最终将CS量高电平禁用芯片,干脆将转换后的数据进行处理就可以了.更具体的时序说明请见表2.ADC0832TimingfCTIHRBIUM7IS)IIt1:JI1(7DC0832数据读取程序流程:作为单通道模拟信号输入时ADCo832的输入电压是05V且位辨别率时的电压精度为19.53mV,假如作为由IN+与IN入的,入时,可是将电压值设定在某一个较大范Hl之内,从而提高转换的宽度。但值得留意的是,在进行!N+与N的输入时,假如IN-的电压大于IN+的电压则转换后的数据结果始终为OflH.ADCo832芯片接口程序的编写:为了高速有效的实现通信,我们采纳汇编语盲编写接口程序.由于ADCo8

8、32的数据转换时间仅为32S,所以A/D转换的数据采样U率可以根快,从而也保证的某些场合对VD转换数据实时性的要求.数据读取程序以子程序调用的形式出现,便利了程序的移植.程序占用资源有累加舞A,工作寄存器R7,通用寄存器B和特别寄存器CY.通道功能寄存叁和转换值共用寄存器B.在运用转换子程序之前必需确定通道功能寄存卷B的值,其X值语句为MOVB.#data”(OoH-03H)运行转换子程序后的转换数据值被放入B中.子程序退出后即可以对B中数据处理.电f附件选购1”ADC喉却芯片接Q程序愀细虹:感谢您试用AnyBiZSoftPDFtoWord0试用版仅能转换5页文档.要转换全部文档,免费获得注册码请访问

展开阅读全文
相关资源
猜你喜欢
相关搜索

当前位置:首页 > 通信/电子 > 运营商及厂商资料

copyright@ 2008-2023 1wenmi网站版权所有

经营许可证编号:宁ICP备2022001189号-1

本站为文档C2C交易模式,即用户上传的文档直接被用户下载,本站只是中间服务平台,本站所有文档下载所得的收益归上传人(含作者)所有。第壹文秘仅提供信息存储空间,仅对用户上传内容的表现方式做保护处理,对上载内容本身不做任何修改或编辑。若文档所含内容侵犯了您的版权或隐私,请立即通知第壹文秘网,我们立即给予删除!