FANUC-0i-MC的逻辑图和维修方法.docx

上传人:p** 文档编号:1083233 上传时间:2024-06-29 格式:DOCX 页数:3 大小:92.90KB
下载 相关 举报
FANUC-0i-MC的逻辑图和维修方法.docx_第1页
第1页 / 共3页
FANUC-0i-MC的逻辑图和维修方法.docx_第2页
第2页 / 共3页
FANUC-0i-MC的逻辑图和维修方法.docx_第3页
第3页 / 共3页
亲,该文档总共3页,全部预览完了,如果喜欢就下载吧!
资源描述

《FANUC-0i-MC的逻辑图和维修方法.docx》由会员分享,可在线阅读,更多相关《FANUC-0i-MC的逻辑图和维修方法.docx(3页珍藏版)》请在第壹文秘上搜索。

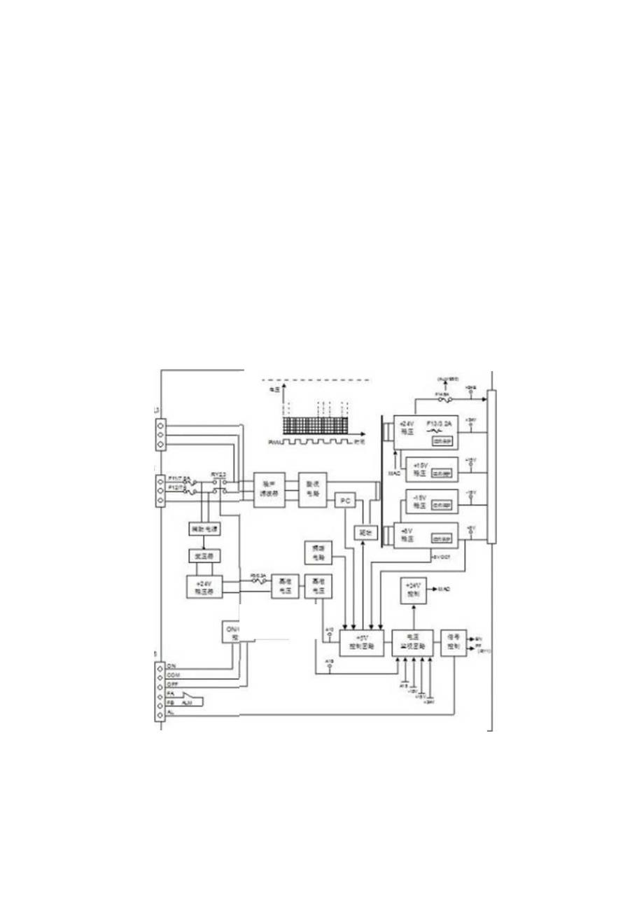
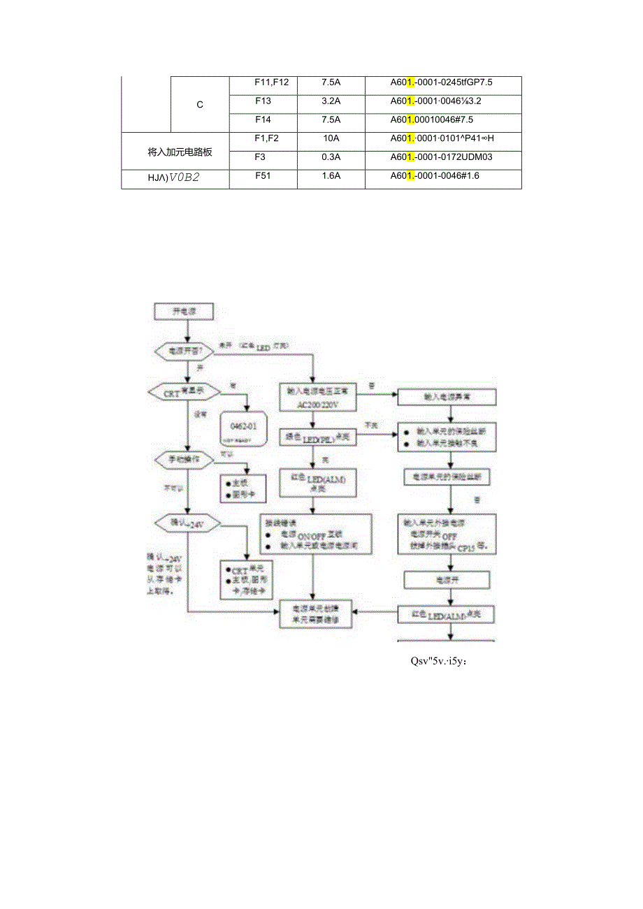
革元名移备件代号容量1件规格号电源单元AF11,F125AA601.-0001-0194#5.0F133.2ASA601.-0001-0075*3.2F145AA601.-00010146#5.0AlF11,F127.5AA601.00010245#GP75F133.2ASA601.-0001-0075tf3.2FM5AA601.-O001-O04t5.OF10.3AA601.-0001-0172DM03B2F11,F125AA601.0001-0194#5.0F133.2ASA601.00010075#3.2F147.5AA601.-0001-00467.5CF11,F127.5AA601.-0001-0245tfGP7.5F133.2AA601.-000100463.2F147.5AA601.00010046#7.5将入加元电路板F1,F210AA601.00010101P41HF30.3AA601.-0001-0172UDM03HJ)V0B2F511.6AA601.-0001-0046#1.6Qsv5v.i5y:

展开阅读全文
相关资源
猜你喜欢
相关搜索

当前位置:首页 > 汽车/机械/制造 > 数控机床

copyright@ 2008-2023 1wenmi网站版权所有

经营许可证编号:宁ICP备2022001189号-1

本站为文档C2C交易模式,即用户上传的文档直接被用户下载,本站只是中间服务平台,本站所有文档下载所得的收益归上传人(含作者)所有。第壹文秘仅提供信息存储空间,仅对用户上传内容的表现方式做保护处理,对上载内容本身不做任何修改或编辑。若文档所含内容侵犯了您的版权或隐私,请立即通知第壹文秘网,我们立即给予删除!