2024全国大学生化工设计竞赛-设计文档质量评审细则.docx

上传人:p** 文档编号:1083705 上传时间:2024-07-03 格式:DOCX 页数:5 大小:21.67KB
下载 相关 举报
2024全国大学生化工设计竞赛-设计文档质量评审细则.docx_第1页
第1页 / 共5页
2024全国大学生化工设计竞赛-设计文档质量评审细则.docx_第2页
第2页 / 共5页
2024全国大学生化工设计竞赛-设计文档质量评审细则.docx_第3页
第3页 / 共5页
2024全国大学生化工设计竞赛-设计文档质量评审细则.docx_第4页
第4页 / 共5页
2024全国大学生化工设计竞赛-设计文档质量评审细则.docx_第5页
第5页 / 共5页
亲,该文档总共5页,全部预览完了,如果喜欢就下载吧!
资源描述

《2024全国大学生化工设计竞赛-设计文档质量评审细则.docx》由会员分享,可在线阅读,更多相关《2024全国大学生化工设计竞赛-设计文档质量评审细则.docx(5页珍藏版)》请在第壹文秘上搜索。

1、“设计文档质量”专项评审评分实施细则一、可行性报告(6分)参照的编制方法是中国石油和化学工业联合会发布的g化工投资项目可行性探讨报告编制方法2024年修订版)(中石化联产发2024)115号)(以下简称“编制方法1 .建设规模及产品方案(1分)参考编制方法第3章(第15页)1.1 产业政策等符合性分析(0.3分)产业政策符合性分析,+01.分.标准写法是:“本项目符合产业结构调整指导书目(2024年本)(修正)中的第一类激励类第十一项石化化工第4条20万吨/年及以上合成气制乙二修”或者“本项目未列入产业结构调整指导书目(2024年本(修正)中的限制类或淘汰类”.此推断必需有,没有则不得分.参号

2、的判据是产业结构调整指导书目(2024年本,(修正)或者外商投资产业指导书日(2024年修订)等。行业准入符合性分析,+0.1分假如没有相应的行业准入政策,则得分1.1.3所在地或园区发展规划符合性分析,0.1分假如没有相应的发展规划,则得分.1.2 建设规模和产品方案的选算和比较(0.7分)列出了建设规模,02分列出了主要产品,+02分列出了主要副产品,+0.1分.假如没有副产品(不是有而没有列出),则得分.1.2.4进行了建设规模(产品方案)多方案(至少两个)比选的,+0.2分,没有进行比选的则不得分.2 .原料需求清单及来源(1分)参考编制方法第5.1章节(第26页)2.1 刊出了主要原

3、料(+0.2分)及其用猫(+0.1分)2.2 列出了协助原料(+0.1分)及其用量(+0.1分)2.3 列出了主要原料来源,+0.2分.须要进行分析,没有分析的,1分2.4 科出了协助原料来源,+0.1分2.5 列出了原料的运输方式,M.2分假如列出了16制方法中的表5.1.1,则可以得0.9分.表中的“包装要求”不要求.5.1-1主要原材料、协助材料.燃料来源表项目名林数量Wa)来源包装要求运输方式需注原料协助材料燃料3 .公用工程需求表(1分)参考6编制方法3第5.4章节(第27页)3.1 列出了主要公用工程名称,+0.3分3.2 列出了主要公用工程消耗量,0.3分3.3 说明白是连续运用

4、还是间新运用,02分3.4 列出了主要公用工程来源,+0.2分.须要进行分析,没有分析的,01分4 .三废排放表(1分)参考编制方法第13.3章节(第68页)4.1 列出废水名称01.分,废水量+0.1分,废水也成M1.分,处理方法和去向+0.1分4.2 列出废气名称+0.1分,废气量+0.1分,处理方法和去向+0.1分4.3 列出废固名称MU分,废固量+0.1分,处理方法和去向+0.1分假如列出了伪制方法中的表13313,则可以得0.9分.5 .投资估算表(1分)参考编制方法第19章节(第81页)5.1 建设投资估算,+0.3分需附建设投资估算表5.2 建设期利息估算,+0.3分需附建设期利

5、息估算表5.3 流淌资金估算,+0.3分需附流淌资金估算表5.4 总投资估算,O.1分需附总投资估算表6 .经济效益分析表(1分)参考G编制方法3第21章节.(第89页)6.1 成本和费用估算,+0.1分需附成本和费用估算表6.2 债售收入和税金估算,+0.1分需附产品销售收入及税金计算表6.3 税后利润,+0.1分需附利润与利润安排表6.4 投资回收期,+0.1分6.5 项目财务内部收益率,+0.1分需附项目财务现金流置表6.6 财务净现值,+0.1分6.7 权益投资内部收益率,+0.1分需附权益投资财务现金流量表6.8 借款偿还期,+0.1分6.9 敏感性分析,+0.1分6.10 盈亏平衡

6、分析,+0.1分二、初步设计说明书(10分)参照6化工工厂初步设计文件内容深度规定(HGT206882000)(以下简称“深度规定)进行编制。1.内容符合标准HGzT20688-2000(1分)主要章节满意HG/T206882000标准的要求,必需包含有:总论(+0.2分)、总图运输(+0.1分)、化工工艺与系统(+0.1分)、布与配管(O1分)、自动限制及仪表(+0.1分)、供配电(+01.分)、给排水(+0.1分)、消防(+0.1分)、概算(+0.1分).对每个章节的深度在此不作要求.工艺方案论证(5分)2.1 列出常用的工艺技术方案,+1分2.2 不同技术方案投资的文字说明(孰高孰低),

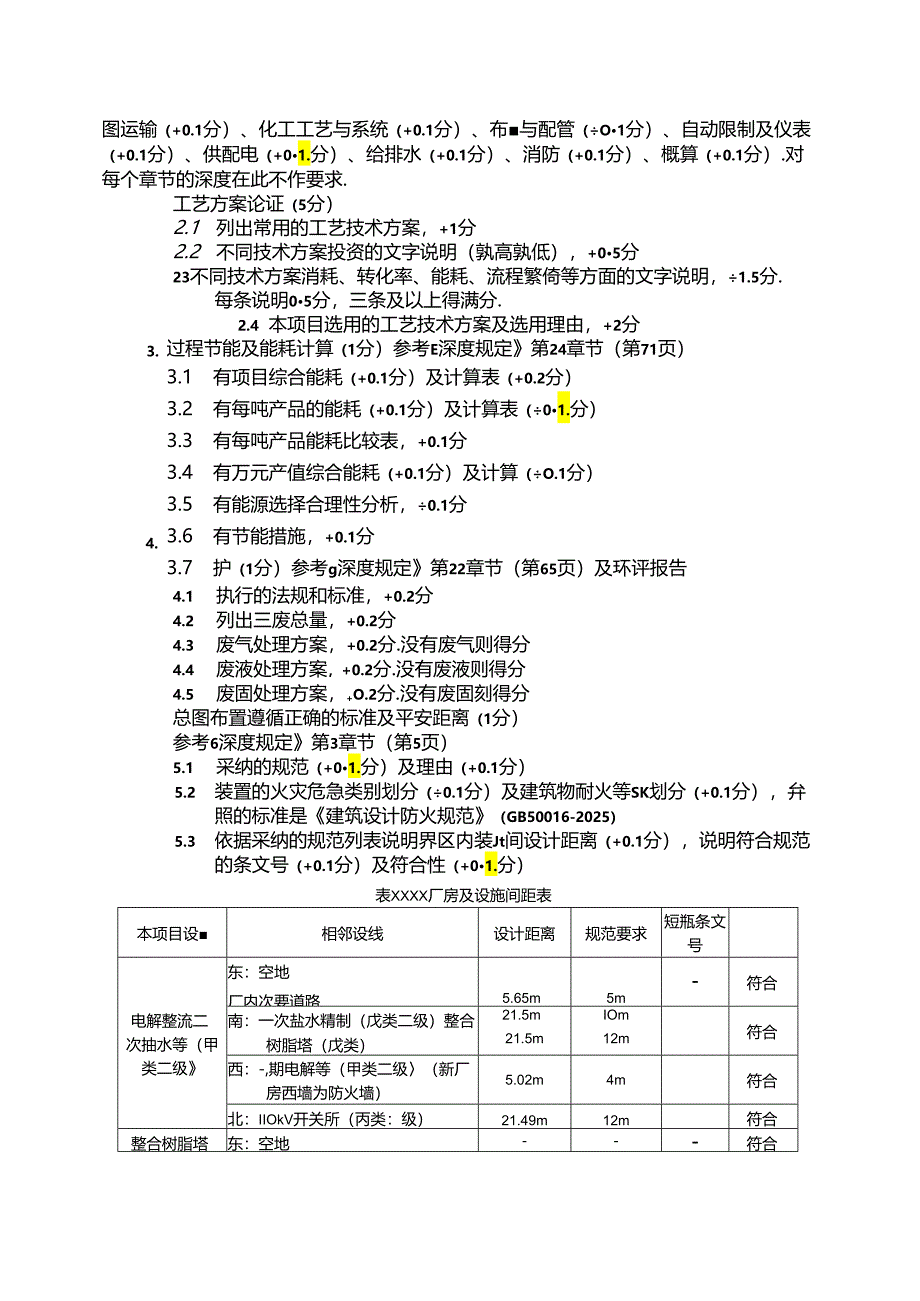
7、+05分23不同技术方案消耗、转化率、能耗、流程繁倚等方面的文字说明,1.5分.每条说明05分,三条及以上得满分.2.4 本项目选用的工艺技术方案及选用理由,+2分3.4.过程节能及能耗计算(1分)参考E深度规定第24章节(第71页)3.1 有项目综合能耗(+0.1分)及计算表(+0.2分)3.2 有每吨产品的能耗(+0.1分)及计算表(01.分)3.3 有每吨产品能耗比较表,+0.1分3.4 有万元产值综合能耗(+0.1分)及计算(O.1分)3.5 有能源选择合理性分析,0.1分3.6 有节能措施,+0.1分3.7 护(1分)参考g深度规定第22章节(第65页)及环评报告4.1 执行的法规和

8、标准,+0.2分4.2 列出三废总量,+0.2分4.3 废气处理方案,+0.2分.没有废气则得分4.4 废液处理方案,+0.2分.没有废液则得分4.5 废固处理方案,+O.2分.没有废固刻得分总图布置遵循正确的标准及平安距离(1分)参考6深度规定第3章节(第5页)5.1 采纳的规范(+01.分)及理由(+0.1分)5.2 装置的火灾危急类别划分(0.1分)及建筑物耐火等SK划分(+0.1分),弁照的标准是建筑设计防火规范(GB50016-2025)5.3 依据采纳的规范列表说明界区内装Jt间设计距离(+0.1分),说明符合规范的条文号(+0.1分)及符合性(+01.分)表XXXX厂房及设施间距

9、表本项目设相邻设线设计距离规范要求短瓶条文号电解整流二次抽水等(甲类二级东:空地厂内次要道路5.65m5m-符合南:一次盐水精制(戊类二级)整合树脂塔(戊类)21.5m21.5mIOm12m符合西:-,期电解等(甲类二级(新厂房西墙为防火墙)5.02m4m符合北:IIOkV开关所(丙类:级)21.49m12m符合整合树脂塔东:空地-符合本项目设Xi相邻设线设计距离痍范要求规范条文号(戊类露天设备)两:冷冻及飘压缩(乙类二级)41mIOm符合西:一次盐水精切(戊类二级)11.75mIOm3.4.6符合北:电解整流二次盐水等(甲类二级)21.5m12m符合冷冻及氯压缩(乙类二级)东:305变电所戊

10、类:级17.05mIOm符合由:乳处理及盐酸(甲类二级)23.3m12m符合西:-期级气处理(乙类二级)11.61mIOm符合北:一次盐水精刈(戊类.级)27.9mIOm符合5.4 依据采纳的规范列表说明本项目与周边的设计距离(+0.1分),说明符合规范的条文号(+01.分)及符合性(+0.1分)表XXXX建设项目与厂区周边环境间距一览表序号周边的位名称本项目装置设施名称设计距离(m)规范问距15.115符合IOkV电力线(杆高10aXX1.ff1.形池(甲类)16.2IS符合6.重大危急源分析及相应平安措施(1分)参照的标准是E危急化学品重大危急源辨识3(GB18218-202S)6.1 大

11、危急源物质分析,+02分6.2 重大危急源分析,+03分6.3 HAZOP分析,+0.2分6.4 实行的平安措施,+0.3分三、设备设计文档(4分)1 .塔设备计算说明书(1分)1.1 输入数据,设计压力、设计度、设备直径及计算长度,0.3分.有三项就得满分.1.2 核算内容:风险荷计算、地震险荷计算,+0.2分1.3 计算结果,设备简体壁厚、封头壁厚、裙座(或支耳)厚度、地脚螺栓大小及个数.+0.5分2 .换热器设计结果表(1分)此处所指的换焦器是指管亮式换热器.假如没有非标管壳式换热给,则得分.2.1 入数据:管程及壳程的设计压力、设计温度、设备(换热管)直径及计算长度,+0.6分2.2

12、计算结果:设备筒体壁厚、封头壁厚、管板厚度、设备法兰复核,+0.4分3 .反应叁设计说明书(1分)此处所指的反应卷是指容卷类反应器.假如是固定床管壳式反应器,则叁照换热器的评分细则.假如没有4厮反应器(如只有搪麦釜等),则得分.3.1 输入数据,设备内筒及夹套(或盘管等)的设计压力、设计温度、设备直径及计算长度,O6分3.2 计算结果:设备倚体及夹套壁厚、封头厚、设备法兰复核,+04分4 .工艺设备一览表(1分)4.1 正确区分定型设备和非标设备,M1.分4.2 列出主要设备位号,+0.1分4.3 列出主要设备技术规格,+0.3分4.4 列出主要设备型号或图号,O.2分4.5 列出主要设备材质,+0.2分4.6 列出主要设备数*,+0.1分

展开阅读全文
相关资源
猜你喜欢
相关搜索

当前位置:首页 > 管理/人力资源 > 质量管理

copyright@ 2008-2023 1wenmi网站版权所有

经营许可证编号:宁ICP备2022001189号-1

本站为文档C2C交易模式,即用户上传的文档直接被用户下载,本站只是中间服务平台,本站所有文档下载所得的收益归上传人(含作者)所有。第壹文秘仅提供信息存储空间,仅对用户上传内容的表现方式做保护处理,对上载内容本身不做任何修改或编辑。若文档所含内容侵犯了您的版权或隐私,请立即通知第壹文秘网,我们立即给予删除!