建筑风环境标准模型、高层建筑风荷载标准模型.docx

上传人:p** 文档编号:1098210 上传时间:2024-07-23 格式:DOCX 页数:4 大小:103.46KB
下载 相关 举报
建筑风环境标准模型、高层建筑风荷载标准模型.docx_第1页
第1页 / 共4页
建筑风环境标准模型、高层建筑风荷载标准模型.docx_第2页
第2页 / 共4页
建筑风环境标准模型、高层建筑风荷载标准模型.docx_第3页
第3页 / 共4页
建筑风环境标准模型、高层建筑风荷载标准模型.docx_第4页
第4页 / 共4页
亲,该文档总共4页,全部预览完了,如果喜欢就下载吧!
资源描述

《建筑风环境标准模型、高层建筑风荷载标准模型.docx》由会员分享,可在线阅读,更多相关《建筑风环境标准模型、高层建筑风荷载标准模型.docx(4页珍藏版)》请在第壹文秘上搜索。

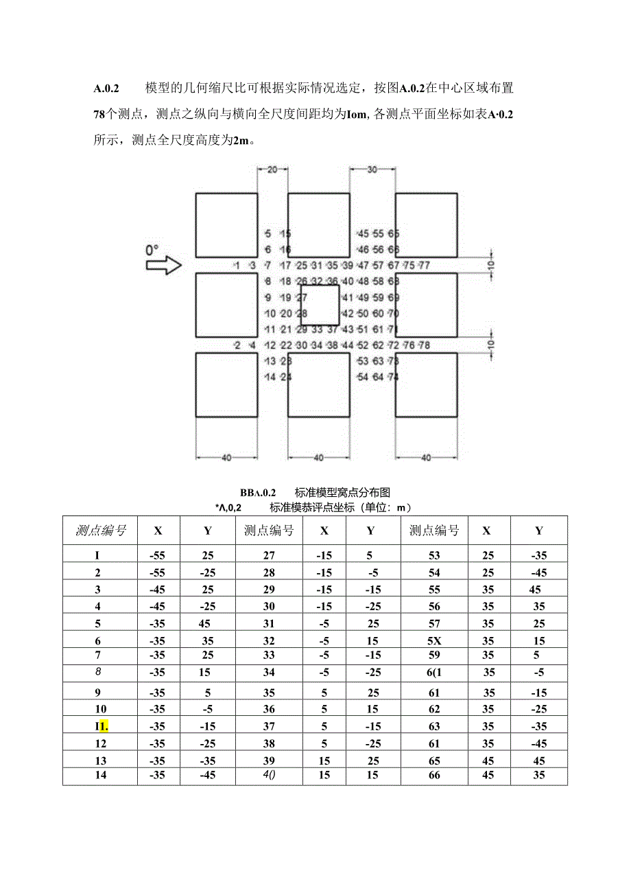
1、附录A建筑风环境标准模型.0.1标准模唱如图AO11所示,中间较高建筑实际尺寸为25m25m1.(X)m,周闹建筑实际尺寸为40m40m1.()n.平面分布图如图A.O.I-2所示。WinddirectionBa.o.i-1标准模型轴,图ff1.A.O.1-2标准模型平面分布图(单位,m)A.0.2模型的几何缩尺比可根据实际情况选定,按图A.0.2在中心区域布置78个测点,测点之纵向与横向全尺度间距均为Iom,各测点平面坐标如表A0.2所示,测点全尺度高度为2m。BB.0.2标准模型窝点分布图*,0,2标准模恭评点坐标(单位:m)测点编号XY测点编号XY测点编号XYI-552527-15553

2、25-352-55-2528-15-55425-453-452529-15-155535454-45-2530-15-255635355-354531-5255735256-353532-5155X35157-352533-5-15593558-351534-5-256(135-59-355355256135-1510-35-5365156235-25I1.-35-15375-156335-3512-35-25385-256135-4513-35-3539152565454514-35-454()1515664535测点编号XY测点编号XY测点编号XY15-254541155674525犊表A

3、.0.2标准搐型,点坐标(单位,m)测点编号XY测点编号XY测点编号XY16-25354215-568451517-25254315-156945518-25154415-257045-519-2554525457145-1520-25-54625357245-2521-25-154725257345-3522-25-254825157445-IS23-25-354925575552524-25-455025-57655-2525-15255125-1577652526-15155225-257865-25A.0.3风场来流风剖面按指数律分布,地面粗糙度指数为025在I(N)m高度处风速为6.6Ws.模拟后应测证标准模型周围的风速分布值,并将模拟值与风涧试验值进行对比,以判断数值方法的准确性。风向角应取O度,此时风洞试验结果见图A03,图中纵坐标风速比即测点风速与来流100米高度风速的比值。图A.0.3。度风向风满试验结果附录B高层建筑风荷载标准模型B.0.1标准模型采用CAARC标准模型,如图B.O.I所示,建筑实际尺寸为30.48m45.72mx182.88nuOW(4O.2W)图B.0.1CAAR(标准模型尺寸、窝点布及风向角定义

展开阅读全文
相关资源
猜你喜欢
相关搜索

当前位置:首页 > 行业资料 > 国内外标准规范

copyright@ 2008-2023 1wenmi网站版权所有

经营许可证编号:宁ICP备2022001189号-1

本站为文档C2C交易模式,即用户上传的文档直接被用户下载,本站只是中间服务平台,本站所有文档下载所得的收益归上传人(含作者)所有。第壹文秘仅提供信息存储空间,仅对用户上传内容的表现方式做保护处理,对上载内容本身不做任何修改或编辑。若文档所含内容侵犯了您的版权或隐私,请立即通知第壹文秘网,我们立即给予删除!