18.钢塔拼装施工安全技术交底.docx

上传人:p** 文档编号:1118176 上传时间:2024-08-04 格式:DOCX 页数:13 大小:184.18KB
下载 相关 举报
18.钢塔拼装施工安全技术交底.docx_第1页
第1页 / 共13页
18.钢塔拼装施工安全技术交底.docx_第2页
第2页 / 共13页
18.钢塔拼装施工安全技术交底.docx_第3页
第3页 / 共13页
18.钢塔拼装施工安全技术交底.docx_第4页
第4页 / 共13页
18.钢塔拼装施工安全技术交底.docx_第5页
第5页 / 共13页
18.钢塔拼装施工安全技术交底.docx_第6页
第6页 / 共13页
18.钢塔拼装施工安全技术交底.docx_第7页
第7页 / 共13页
18.钢塔拼装施工安全技术交底.docx_第8页
第8页 / 共13页
18.钢塔拼装施工安全技术交底.docx_第9页
第9页 / 共13页
18.钢塔拼装施工安全技术交底.docx_第10页
第10页 / 共13页
亲,该文档总共13页,到这儿已超出免费预览范围,如果喜欢就下载吧!
资源描述

《18.钢塔拼装施工安全技术交底.docx》由会员分享,可在线阅读,更多相关《18.钢塔拼装施工安全技术交底.docx(13页珍藏版)》请在第壹文秘上搜索。

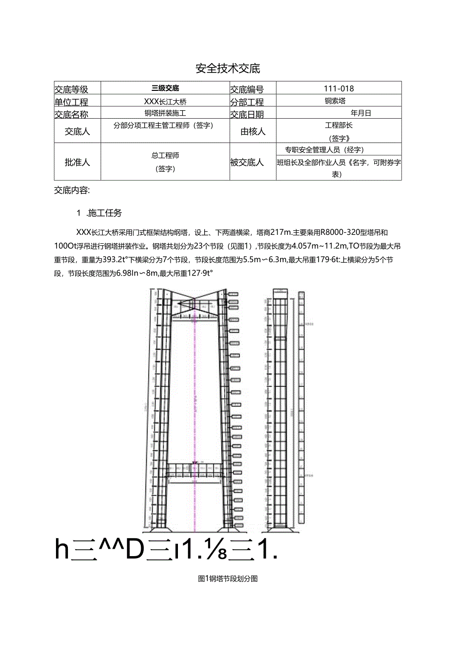
1、安全技术交底交底等级三级交底交底编号111-018单位工程XXX长江大桥分部工程铜索塔交底名称铜塔拼装施工交底日期年月日交底人分部分项工程主管工程师(签字)由核人工程部长(签字批准人总工程师(签字)被交底人专职安全管理人员(经字)班组长及全部作业人员名字,可附券字表)交底内容:1 .施工任务XXX长江大桥采用门式框架结构纲塔,设上、下两道横梁,塔商217m.主要枭用R8000-320型塔吊和100Ot浮吊进行钢塔拼装作业。钢塔共划分为23个节段(见图1),节段长度为4.057m11.2m,TO节段为最大吊重节段,重量为393.2t下横梁分为7个节段,节段长度范围为5.5m6.3m,最大吊重17

2、96t:上横梁分为5个节段,节段长度范围为6.98In8m,最大吊重1279th三D三1.三1.图1钢塔节段划分图2 .工艺流程施工准备一TO节段铜塔安装一下塔柱节段安装f下横梁节段安装一上塔柱节段安装一上横梁节段安装一下1.道工序3 .作业要点3.1 施工准备钢塔节段进场前,需要对钢塔节段断面尺寸、吊点、接头支架及塔吊、浮吊.吊索具进行就收及例行检查。对锚固螺杆材质、规格尺寸和加工质量进行材料险收,并对现场数据进行进一步测量、.复核。为保证注浆层与塔座混凝土顶结合面施工质量.在塔座混凝土浇筑完成后对塔座顶面混凝土及时进行凿毛。3.2 TO节段钢塔安装索塔节段在工厂制迨完成后,采用用运至码头,

3、塔柱To节段采用100Ot起重船上岸,转运至主塔处,其余节段采用码头处提升站上岸。在安装TO节段时,需要导向架(见图2)等进行辅助定位及安装。吊装过程中,当To节段底口建锚杆技口约60Cm时,导向架开始辅助定位。为保证TO节段能顺利穿过锚杆、保护锚杆螺纹和下放初定位,在TO节段内侧设置定位导向架,假角与To节段奴向假角一致.导向架与TO节段间用不锈钢板隔高,防止TO节段在下放定位时,与导向架相互摩擦损伤TO节段表面油漆。TO节段与导向架不锈钢板接触滑动。,M曲UiteeMKSHi.图2导向架结构示意图在TO节段穿过锚杆下落过程中,需设置侧向限位装置(见图3),在和导向架及手拉葫芦的配合下,使T

4、o节段下落到塔座上基本到位。测量在塔座上放出To节段的边线位置,在塔座顶面预埋件上焊接侧向限位定位板,限位板的内侧与To节段边线有5mm左右间隙。图3侧向限位装置布值图底节吊装时,100Ot浮吊站位于索塔外侧长江,浮吊前端距塔柱中心线约75m,执杆总长度108m+13.66m,利用吊具调整底节姿态,利用例链牵引,便底节上面锚杆孔对准锚杆,逐步下放底节到位。在安装时,为提高TO节段的安装精度,吊装过程中果用初定位和精确定位对TO节段进行调整。初定位是在吊装时利用导向架、葫芦及限位装置等辅助方式进行定位。在吊装过程中,当To节段下口距底座30Cm处,通过手拉葫芦的拉拽和人力碉整塔柱的底口平面位置,

5、使塔TO节段缓慢下落进入导向限位,沿着限位板下滑到塔座千斤顶上。为精确诋整底节位置,在底节外侧周边预先焊8个牛腿,底节安装到塔座上后,利用牛战下三向千斤顶精确调整底节位置,见图4。图4塔柱底节精鹤定位装厦布置图吊装前,在测量的控制下,预先将三向千斤顶顶标高设置为T(J节段满足精度要求时的反力牛腿底面的理论标高。TO节段将确谡位在合适的环境条件下进行,在测量控制下,反复调整TO节段的平面位置及标高。当通位精度满足要求后,在To节段上的反力牛腿与钢支撑平台之间用型钢撑压紧后.两鼎焊接,并将恻向眼位焊牢,再带上锚固螺帽,并适当受力,完成TO节段精调、限位和固定。3.3 To节段底板压灌浆塔座顶面设置

6、5cm灌浆层,大体积谑浆料现扬施工组织困难,将塔座顶面分区灌浆,施工中按照2个区间进行划分。各区间采用弹性像胶条隔离。钢塔安装前在塔座顶面各区间隔离位置黏贴模胶条,橡胶条栽面尺寸60mmX60mm.考虑在钢塔重量作用下压缩IOmm。用/100X1Omm角钢作为承压板与塔座顶面间的侧向挡板。塔座混凝土浇注前先将第一层N1.OOXIOnIm角钢预埋在塔座顶面作为塔座上预埋支撑构件,To段调位完成后将第二层/100XIOnun角铜分别与第一层N1.oOX1.oniIn角钢和承压板边沿果用角焊基焊接在一起,形成一个封闭结构。在压浆过程中保持压浆压力。当承压板上第1.排排浆孔溢出浆液时,保持压浆操作,直

7、到排出浆液和压入浆液质量相同时关闭第一排排气管物门,同时打开第二排排气管同悯,继续保持压浆操作.压聚过程中观测TO段箱内排气孔,当求液从气孔流出时目测浆液质量,当流出的浆液和压聚液质量相同时用木楔堵住气孔.当承压板底部战高处排气孔浆液溢出时,继续保持压浆操作,在压浆机推力的作用下把浆液内的气泡和富余的水分从衿气孔排除,在后期的补压和秘压过程中将每个塔座用浆总量的50%从顶面捧浆孔全部置换出.可有效地提高浆液的整体演量,最后关闭排气管上阀门.再持续压浆2min.关闭压浆孔闹门。当压灌的浆液达到设计允许强度后,对锚杆进行初张拉。张拉分2次进行:第一次在灌浆液达到设计允许强度的80%;第二次在钢塔全

8、部安装结束后。3.4 下塔柱及上塔柱节段安装在每节钢塔柱的对接处外侧均设有工作平台(见图5),上下层平台间用带背图的竖向是梯相连。工作平台在工厂加工、安装,与节段一起运输、吊装。图5钢塔节段外俯工作平台布图吊装过程中为使下1.架设节段能够较容易地插入,在已安装节段与待安节段四边安装限位板。在牵引系统的合下,待安节段下落时利用限位板对位。限位板在工厂内进行就拼装以保证孔位及尺寸形状能满足使用要求,将满足要求的限住板运至施工现场在吊装前安装在相应位置,当塔柱节段间完成拼装后解除限位装置。由于节段截面面积大,在高空中受风的影响大,并为了保证节段能顺利滑入限位板中,需在已安节段与待安节段间设置牵引系统

9、,以帮助节段对位.奉引系统是由4个手拉葫芦和8个卸扣组成的,手拉葫芦通过卸扣与节段连接。在吊装节段时,手拉葫芦预先安装在已安节段上,当待安节段吊至已安节段上方约100Cin处停住,桥节段下端的卸扣与葫芦另一端相连,收紧葫芦林。铜塔节段底口的精确调位是通过设置在节段上的千斤顶来完成的。吊装节段之前,在已安装节段上安装调位牛腿和水平牛腿支架。竖向调位安装在节段的调位牛朋上,千斤顶通过顶升安装在待安节段上的调住牛腿来调整节段的竖向位置。水平千斤项用于调整待安装节段的平面位置,千斤顶安装在已安装节段内恻的牛腿支架上,每个钢塔节及顶口设置4个吊耳。设计时将吊耳孔设计为与安装吊耳处节段巳有的拼接孔匹配,吊

10、耳加工及安装在工厂完成,吊耳与节段是通过高强螺栓连接。钢塔节段下落到位后,测量人员时钢塔进行检查,利用水平顶、侧面限位板将钢塔平面位置调整好,根据测量结果调整竖向位置,并检测铜塔金展接触率情况,当满足要求后,打入冲钉初步定位。塔吊松钩,却吊具,连接人员穿入螺栓井施拧,严格按照高强螺栓的旃拧工艺进行初拧与终拧施工,确保扭矩符合工艺要求。调整接头安装前必须对上一节段的候斜度、四角高差进行测量,以明确接口调整量,当各项指标均满足设计及验收要求时,可以将调整接头按正常接头进行连接,此时拼接极可直接根据厂内预拼情况进行钻孔。在钢塔安装完成后对操作平台进行拆除,拆除总体上采取“自上而下”的顺序施工。单层作

11、业平台分节段拆除,单个节段上笼梯整体吊装。3.5 水平横撑孺工塔柱水平横撑用于支撑向内倾斜的塔柱。根务施工工艺及施工阶段计算分析,在上塔柱设置3道水平横撑,分别位于T9、T14和T18节段。吊装、焊接完成相应标高处塔柱节段,腰架疾升,在温度相对恒定的时段,进行撑杆对顶作业,每垠水平撑杆间设1台千斤顶(千斤顶要先校险合格),最大顶推力约25t,实际施工时需以主塔位移量为主要调节目标,以较好的控制塔柱的线型,同时使其内力满足箱工要求。塔柱水平支撑由水平探铜管、牛腿及连接件等组成,每道水平撑钢管枭用2根1220X2Omm钢管,两端与牛腿或连接件相连。牛服由Q235B钢板加工而成,通过蝶栓固定于铜塔节

12、段处,牛腿顶部设4个高强螺栓作为防薄集措施,并在高强谈栓处开长圆孔。主动横馋下方设置圆瓠底托,与牛腿连接固定.3.6 下横梁W工下横梁采用落地钢管支架进行支撑设计,总高度54JmJ7#铜塔节段施工完成后,开始进行下横梁节段(分7节)安装。立柱采用820X10mm钢管,立柱之间采用双拼20a作为平联和斜撑。整个支架体系为装配式结构,竖向分三层采用法兰进行连接接高.钢管分层高度为14.8+2X18m,支架顶部设置三向千斤顶进行精确调位。下横梁节段采用R8000-320塔吊吊装,利用下横梁支架分配裳兼做主动横撑对合龙口的宽度进行调整,横梁节段下设置千斤顶进行平面位置和姿态进行调整。吊装时,先对称吊装

13、两侧横梁节段,最后吊装中间节段完成合龙,吊装具体顺序为吊装顺序X1.u-XH2XH3-XII4oXH3吊装完成后,利用支架顶部的三向调位千斤顶完成巴吊装钢横梁节段与塔柱的对接,对接匹配完成后及时将拼缝进行焊接。XH4合龙段吊装前,利用下横梁支架分配柒将已安装钢塔节段往两侧对顶,合龙口宽度由水平横探和焊绫间隙共同提供,按合龙段两侧各2cm净宽考虑。XH4合龙段吊装完成后,利用底部的三向千斤顶精确调整合龙段的姿态,精调完成后,完成节段间的焊接连接。3.7 上横梁施工上横荒支架为桁架结构,上弦,下弦、竖杆为双拼HW700X300型钢,分配系、斜杆为双拼HW300X300型钢。上横梁支架、牛腿、钢桥塔

14、之间均为高强螺栓连接。上横菜节段临时支点采用K)O1.螺旋千斤顶,装饰条随上横梁节段同时安装,焊处装饰条后装。上横梁采用R8000-320塔吊进行分块吊装,通过设置在支架顶部的千斤顶进行精调就位。吊装时对称吊装两他横梁块段,吊装具体顺序为吊装顺序SH1.f5H2-SH3.吊装工艺可参照钢塔节段吊袋施工。SH2吊装完成后,利用支袈顶部的调位千斤顶完成巴吊装铜横梁节段与塔柱的对接,对接匹配完成后及时将拼缝进行焊接连接。SH3合龙段吊装前,利用上横梁托架分配梁将巳安装钢塔节段往两恻对顶,合龙口宽度由水平横撑和岸绕间隙共同提供,按合龙段两侧各2cm净宽考虑.吊袋及合龙工艺可参黑下横梁节段吊装施工。上横

15、梁底部需设置调平块,在钢结构工厂将其与横柒底部用螺栓连接,通过支架顶部的千斤顶进行精调就位.3.8 环境风险管控施工区域崂近如果北航道,航道宽度1km。索塔TO节段施工期间,原则上用船作业和抢锚不存超过划定的诙工水域,特殊施工阶段锚箱作业确需超出施工水域时,申请海事专项维护.4 .安全风险及危害铜塔节段施工过程中存在的安全风险见表U表1铜塔节段地工安全风险识别表序号安全风险施工过程致除因子风险等级产生危害1起41伤看W节段吊装j塔柱吊装.横维施工1,起吊用吊具.例纥绳、卡扣等选用未经检翼I2 .起重谀备操作人员无操作贵格证,指挥通讯设备故障:3 .起吊物体M绑不当.吊点设先不当I,.未设置警戒K.人员在起童吊物下作业、停留:5,未利用湘健或倒链进行整助牵引I6 .未设置缠风到起电设备(小率、扣件)扶路,起电设备安仝找孔失灵17 .起/设备(出素.扣件缺陷.起重设备安全装置失灵Ift1:场地环境不良,如场地不平.照明不口:8 .地塞不艮.塔吊推础下沉失稳.IIM作业人员及爻其彩人员死亡2叩&IO15段安装1.塔柱底节与塔座螺栓未按妥求条Si.i强螺柱的连接帧Irt未身过检衣验收:2,塔柱节段焊接MiM未经过机竹牧收I.塔柱他时横冲设置不烧茶等:I液质丧失.塔以临时工作平台及促样在缺陷;5.塔吊、

展开阅读全文
相关资源
猜你喜欢
相关搜索

当前位置:首页 > 建筑/环境 > 施工组织

copyright@ 2008-2023 1wenmi网站版权所有

经营许可证编号:宁ICP备2022001189号-1

本站为文档C2C交易模式,即用户上传的文档直接被用户下载,本站只是中间服务平台,本站所有文档下载所得的收益归上传人(含作者)所有。第壹文秘仅提供信息存储空间,仅对用户上传内容的表现方式做保护处理,对上载内容本身不做任何修改或编辑。若文档所含内容侵犯了您的版权或隐私,请立即通知第壹文秘网,我们立即给予删除!