北江特大桥31#墩盖梁支架计算书.docx

上传人:p** 文档编号:1119730 上传时间:2024-08-04 格式:DOCX 页数:15 大小:250.84KB
下载 相关 举报
北江特大桥31#墩盖梁支架计算书.docx_第1页
第1页 / 共15页
北江特大桥31#墩盖梁支架计算书.docx_第2页
第2页 / 共15页
北江特大桥31#墩盖梁支架计算书.docx_第3页
第3页 / 共15页
北江特大桥31#墩盖梁支架计算书.docx_第4页
第4页 / 共15页
北江特大桥31#墩盖梁支架计算书.docx_第5页
第5页 / 共15页
北江特大桥31#墩盖梁支架计算书.docx_第6页
第6页 / 共15页
北江特大桥31#墩盖梁支架计算书.docx_第7页
第7页 / 共15页
北江特大桥31#墩盖梁支架计算书.docx_第8页
第8页 / 共15页
北江特大桥31#墩盖梁支架计算书.docx_第9页
第9页 / 共15页
北江特大桥31#墩盖梁支架计算书.docx_第10页
第10页 / 共15页
亲,该文档总共15页,到这儿已超出免费预览范围,如果喜欢就下载吧!
资源描述

《北江特大桥31#墩盖梁支架计算书.docx》由会员分享,可在线阅读,更多相关《北江特大桥31#墩盖梁支架计算书.docx(15页珍藏版)》请在第壹文秘上搜索。

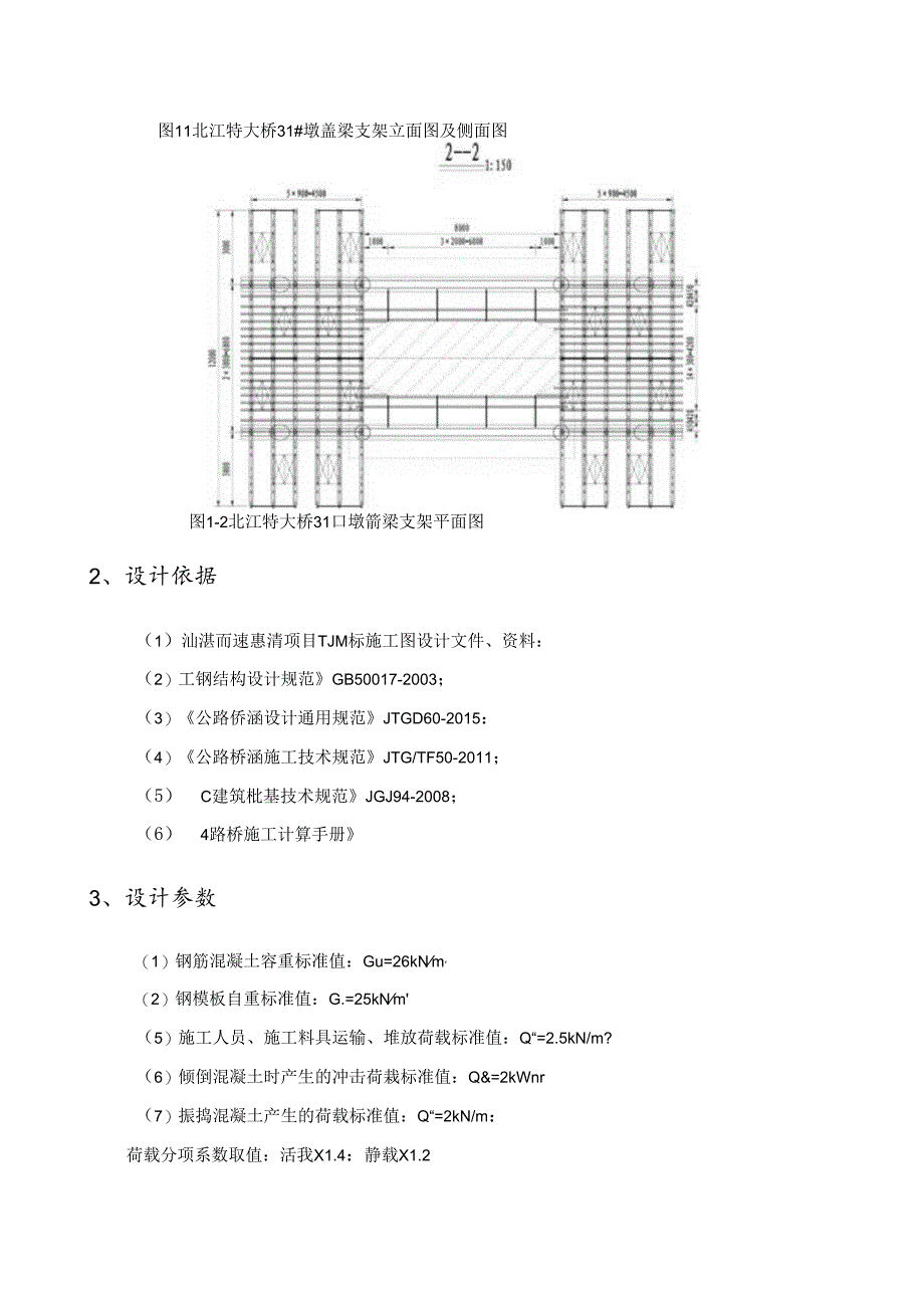
1、汕湛高速惠清项目TJ14标北江特大桥31#盖梁支架计算书计算:复核:工程部长:总工程师:中铁大桥局股份有限公司汕港高速惠清项目TJ14标项目经理部2018年2月1、工程概述12、设计依据23、设计参数24、结构计算31.1、 1、底模分配梁计算31.2、 贝雷梁计算31.3、 桩顶分配梁计算61.4、 风载计算71.5、 5、管桩强度计算84.6、 管桩处牛腿计算94.7、 基础计算115、结论12北工特大桥31#墩盖梁,全长15450mm,采用C40混凝十.,采用钢管桩+桩顶分配梁+贝雷梁-钢模施工,钢管桩采用力630X8,桩顶分配梁采用HM588型钢,盖梁钢模板底模分配梁采用I1.O型钢.

2、荷载传递方向:底模横侨向分配梁一纵桥向贝雷梁组一横桥向桩顶分配梁一管桩,总布置图详见“图IT北江.特大桥3伸墩盖梁支架立面图及侧面图”和“图1-2北江特大桥31#墩盖梁支架平面图”。图11北江特大桥31#墩盖梁支架立面图及侧面图图1-2北江特大桥31口墩箭梁支架平面图2、设计依据(1)汕湛而速惠清项目TJM标施工图设计文件、资料:(2)工钢结构设计规范GB50017-2003;(3)公路侨涵设计通用规范JTGD60-2015:(4)公路桥涵施工技术规范JTG/TF50-2011;(5) C建筑枇基技术规范JGJ94-2008;(6) 4路桥施工计算手册3、设计参数(1)钢筋混凝土容重标准值:G

3、u=26kNm,(2)钢模板自重标准值:G.=25kNm(5)施工人员、施工料具运输、堆放荷载标准值:Q“=2.5kN/m?(6)倾倒混凝土时产生的冲击荷栽标准值:Q&=2kWnr(7)振捣混凝土产生的荷载标准值:Q“=2kN/m:荷载分项系数取值:活我X1.4:静载X1.24、结构计算4.1、 底模分配梁计算采用I1.O型钢,截面特性见“图4TI1.O技面特性,盖梁梁高取引桥侧高度2.88m.盖梁底模分配梁间距30Omnb贝雷梁间距900mo荷载集度:q=0.3(262.88+25)1.2+(2.52+2)1,4=38.7KNnuMn田:-IIio1.K:100Xtt如HKIR:U1.490

4、00WS3C6362M1!:1J9WT71923581户13M4WW35(W7S*t/):图儿IT1.K)极面特性按三跨连续梁计算正应力:=丝=四=丝四吗江=6397aV团=2。5岫WW4.9XIO41.j按:.路连续梁计克变形:,八。,矶38.70.9,IO2n.-900CXf=0.677=0.677=O.34rnnmoIII30002U.Mk5/iIinIj148城,。206511935山叫WIIwI,山,IH3000图42-3贝番梁计算模型图2取受力最大苑近墩身侧内排(三排单层)贝雷梁进行计算:贝雷梁最大弯矩M=993.3KNm2246.4KNm.满足要求.图4.27贝雷梁浮矩图最大剪力

5、V=551.6KN698.9KN.满足要求.图4.2-5贝雷梁剪力图最大变形V,ut=3.5”2x3000/250=24mm,满足要求。图4.2-6贝雷梁变形图贝雷梁支反力(1)外排:Inuiiuiuiuiinnuiuuiumuiuininuii(2)内排(独近墩身恻:Iiiiiuuiiiiiiuiiuiiiiiuiuiiiiiuiiuiiiiuiiiiiiuuii图4.28贝甫梁反力图2踪上,贝需梁强度及刚度满足要求。4.3、 Ift顶分配梁计售由上步可得贝雷梁在引桥侧支反力较大,为简化计莫,计算作用于桩顶分配梁对应贝雷梁外排侧的三个荷载取均值:P产337.99/3=112.66kN:作用于

6、桩顶分配梁对应贝雷梁内排(靠近墩身侧)的三个荷载取均值:P2=584.01/3=194.67kN管机和桩顶分配梁建立整体模型如NZ6二11HHHZZ-T-一.二,7三一2Z1.I一Z.Z-T一Z6II1.M1.Z.柒I一图1.3-1管桩和桩顶分出梁整体模型图分配梁最大弯矩如图所示:MmI=25().6KN,/图(3-2分配梁弯拉图分配梁最大剪力如图所示:Qa=4723kN。图4,3-3分配梁剪力图分配梁组合应力如图所示:“=325,/c=205.”代1.满足要求,图4.3-4分配梁组合应力图分配梁变形如图所示:匕=17.3=49502250=39.6,满足要求。综上,桩顶分配梁强度及刚度满足要

7、求。4.4、 风载计算风荷载按照公路桥涵设计通用规范3进行计算,广州十年遇风速为22Es:风荷载:Ff=K/K网八*其中:K.=0.75(按施工架设期间取值)K1=K1=0.61.7=1.02(桁架风载系数)K,=1.0(按一般地区取)WI1.啜,Vf=K2K,VuK,.9(按B类地表,离地面30m高度计)K,=1.38(按B类地表)7=0.()1201Ieuawz=0.01201Ieomzy=().0119894Vf=K2K5Vn=1.1.9.3822.1.=36.311Vs2J).011989436.3081.2g29.81.盖梁迎风面积:A,=40.7/(由CAD图给出)或梁支架贝雷片迎

8、风面积:A,=0.4121.5=7.2:FT=KQK1.KMa(A=75I.021.0.81(40.7+7.2)=29.7WV雌根管桃承受风力:F=29.7/4=7.44.6、管桩强度计算钢管桩竖向反力如图所示,钢管桩最大反力1032.8kN。图4.5-1钢管桩反力图管桩最大弯矩M=7.4X30X1.4=310.8Ar,管桩最大反力F=IO328V管桩采用於30x10,管桩截面特性如下:aoen图4.5-2管桩截面特性WW9年径SRIx:1.y:y:i:iy三a*fc.):315IO拇,假面二二三D管桩应力:=-+AMyW(1.-0.8IXn8744522S6736155340861588mi

9、5534066156THOGOW2971921711O2O9221923161.23932192316t2683938152901314450:面积人=19477.9三J,/=219”则=;=翳=27.4M=I5O,查表得3=0.9451其中:7=1.15(与截面模量相应的截面鳖性发展系数):/7=1.0(等效弯矩系数)NEX112E3.1422.06IO519477.91.U21.1x27.39747914.9IO3A/-47914.9AjV一侬_.一W,(1.-0.8-)N1.X1O32.8IO1x310.8x10*0.W51.9477.9,5x2.97IO*(1.-O,8s”=1.48.

10、7MRi0.85x21.5=1.82.75MPaI()32.47914.9综上,钢管加强度及稳定性满足要求,4.6、管桩处牛解计算计算牛腿连接系NT1.和牛腿连接处A点焊缝强度,焊缝参数取值如卜丁焊Si长度/u=377sin49.3=1562”;焊健宓度e=8”,有效焊i度r=().7Az=5.6mm;通过CAD和计兑求得焊缝有效截面系数W=902499/:焊缝强度设计值f;=O)MPa。由分析结果可得到端部轴力:N=574.2kN焊拉应力:=-=必).=65.6MPaC=I60MPaheC5.6x1562三三3F三S三三三三图4.6-1牛胧连接系端部轴力图由分析结果可得到端部剪力:V=45.

11、2jW焊缝剪应力:=一=49,/;=O)MPah1.1.5.6I562图4.6-2牛腿连接系端部电力图由分析结果可得到端部弯矩:M=97RV,“焊正应力:jf=97x10-=()1.5MPa=(八)MPaW902499,三三芭三三三三三图4.6-3牛腹连接系端部弯矩图然合作用卜.,焊缝组合应力:也红生今+4.9=142MPa=1.60jWP1.22f其中,4为正面角焊缝的强度增大系数,取1.22综上,管桩处牛腿计算焊受力满足要求.4.7、基础计算1、抗冲切睑算根据管桩下预埋件45扩散角,求得基础短边实际尺寸B=1.51m,基础长边尺寸1.=1.72m.基础实际面积A-2.59m基础高度h=0.

12、46m,基础有效高度=0.42m:基础埋深d=Om:管桩底预埋铁板沿基础短边方向尺寸b,=0.84m,沿基础长边方向尺寸K=0.84m;承台混凝土采用C30,抗拉设计值f,=1.43NInmI基础底面平均压力设计值:P=FA+2Od=1032.8/(1.51?1.72)389.1.9Vw基础底面边缘最大压力值:k=P+AMM=398.19+=架,=81.618Nm病1.511.72/O基础底面净反力最大值:PSTOn=Pmtx-204=816.I8V/mm2抗冲切力:F1=0.6/A=06,(2+2丸+4)=1816.2JuV冲切力:F1=PSfA=Ps1.,uAA-B(h.+2)三4923WVvF1踪上,基础抗冲切验算满足要求。2、抗剪切殴算剪切力:V=PNnm(1.-九)8*2=541.55税抗剪切力:0.07Av=0.07ft(Bh0-(f

展开阅读全文
相关资源
猜你喜欢
相关搜索

当前位置:首页 > 办公文档 > 解决方案

copyright@ 2008-2023 1wenmi网站版权所有

经营许可证编号:宁ICP备2022001189号-1

本站为文档C2C交易模式,即用户上传的文档直接被用户下载,本站只是中间服务平台,本站所有文档下载所得的收益归上传人(含作者)所有。第壹文秘仅提供信息存储空间,仅对用户上传内容的表现方式做保护处理,对上载内容本身不做任何修改或编辑。若文档所含内容侵犯了您的版权或隐私,请立即通知第壹文秘网,我们立即给予删除!