建筑工程拟配备本工程的试验和检测仪器设备表.docx

上传人:p** 文档编号:1121601 上传时间:2024-08-04 格式:DOCX 页数:2 大小:12.67KB
下载 相关 举报
建筑工程拟配备本工程的试验和检测仪器设备表.docx_第1页
第1页 / 共2页
建筑工程拟配备本工程的试验和检测仪器设备表.docx_第2页
第2页 / 共2页
亲,该文档总共2页,全部预览完了,如果喜欢就下载吧!
资源描述

《建筑工程拟配备本工程的试验和检测仪器设备表.docx》由会员分享,可在线阅读,更多相关《建筑工程拟配备本工程的试验和检测仪器设备表.docx(2页珍藏版)》请在第壹文秘上搜索。

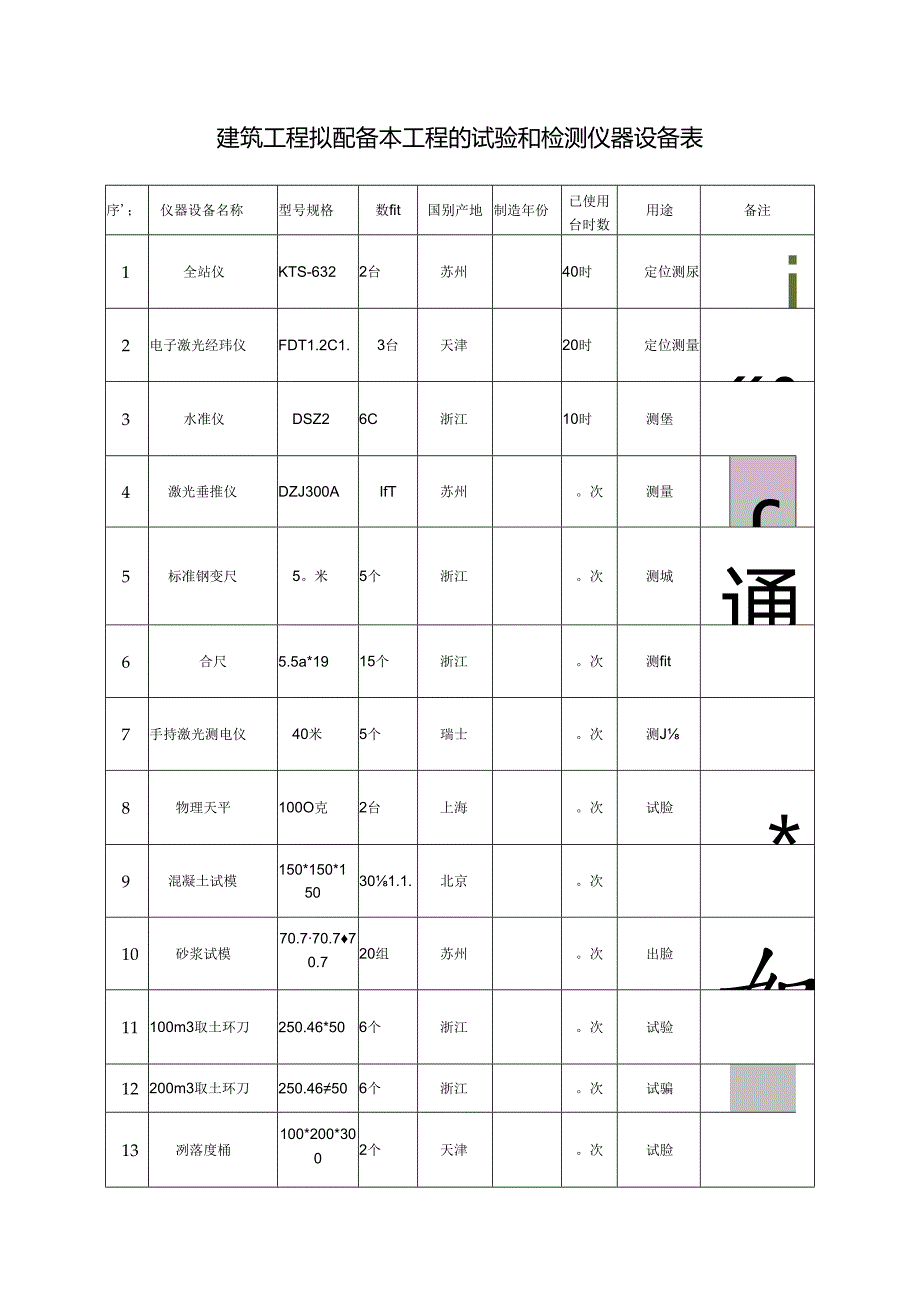
1、建筑工程拟配备本工程的试验和检测仪器设备表序;仪器设备名称型号规格数fit国别产地制造年份已使用台时数用途备注1全站仪KTS-6322台苏州40时定位测尿i2电子激光经玮仪FDT1.2C1.3台天津20时定位测量3水准仪DSZ26C浙江10时测堡.4激光垂推仪DZJ300AIfT苏州。次测量5标准钢变尺5。米5个浙江。次测城通6合尺5.5a*1915个浙江。次测fit7手持激光测电仪40米5个瑞士。次测J8物理天平100O克2台上海。次试脸*9混凝土试模150*150*150301.1.北京。次10砂浆试模70.770.770.720组苏州。次出脸如11100m3取土环刀250.46*506个

2、浙江。次试验12200m3取土环刀250.46506个浙江。次试骗13冽落度桶100*200*3002个天津。次试脸14台磅TCS-5005个天津0次僦215养护箱SIIBY90BI个天津0次试脸16混凝土回弹仪ZC3-A型2个山东。次检测混凝土强度17水泥取样器ImZ2个北京。次18靠尺3m.储1桂林。次检查平整也Z19按地电阻测试仪BY26712个西安。次电气检测20万用表V-2012个上海。次电气检测21绝缘短表DY302个上海。次电气检测22混凝土振动台I1.ZJ-A2分天津。次混澈土成坐23游标卡尺0300mm4个上海。次钢筋检测24数字式测温仪UY-3028个北京3Q次试验r25恒温干爆箱IO1.A-I1个上海60次幅

展开阅读全文
相关资源
猜你喜欢
相关搜索

当前位置:首页 > 办公文档 > 统计图表

copyright@ 2008-2023 1wenmi网站版权所有

经营许可证编号:宁ICP备2022001189号-1

本站为文档C2C交易模式,即用户上传的文档直接被用户下载,本站只是中间服务平台,本站所有文档下载所得的收益归上传人(含作者)所有。第壹文秘仅提供信息存储空间,仅对用户上传内容的表现方式做保护处理,对上载内容本身不做任何修改或编辑。若文档所含内容侵犯了您的版权或隐私,请立即通知第壹文秘网,我们立即给予删除!