数控铣床对刀教学设计.docx

上传人:p** 文档编号:1129756 上传时间:2024-08-05 格式:DOCX 页数:5 大小:35.21KB
下载 相关 举报
数控铣床对刀教学设计.docx_第1页
第1页 / 共5页
数控铣床对刀教学设计.docx_第2页
第2页 / 共5页
数控铣床对刀教学设计.docx_第3页
第3页 / 共5页
数控铣床对刀教学设计.docx_第4页
第4页 / 共5页
数控铣床对刀教学设计.docx_第5页
第5页 / 共5页
亲,该文档总共5页,全部预览完了,如果喜欢就下载吧!
资源描述

《数控铣床对刀教学设计.docx》由会员分享,可在线阅读,更多相关《数控铣床对刀教学设计.docx(5页珍藏版)》请在第壹文秘上搜索。

1、数控铳床的对刀教学设计方案使用教材:数控洗工实习与考级(高等教育出版社)授课班级:15机电(1)班(中职二年级学生)学生人数:40人授课内容:数控铳床的对刃计划学时:4课时-教材分析本课程所使用的教材为高等教育出版社编写的数控铳工实习与考级中等职业学校数控技术应用专业教学用书。教学对象是我校机电、数控专业学生,本课程是数控技术专业的一门核心专业课。本课程的任务是让学生热练掌握数控机床加工程序编制的基础知识和基本加工操作方法,重点培养学生掌握常用数控货床床编程方法及基本操作加工技能“为数控加工考证及其他后续课程的学习奠定基础,是一门职业技能课,专业核心课。二学情分析我所授课对象是中职二年级学生,

2、他们已经掌握一定的专业知识及机床的基本操作,好奇心强,动手能力强,合作能力也很好,但理论基珈普遍较差,时单纯的理论学习缺乏兴趣,因此在学习中采用小组合作的方法,既可以培养学生的团队合作精神,又可以让所有的同学都参与到教学活动中来,从而更好地发挥学生的主体作用。优势;学生喜炊实操型课程,动手能力强1对职业技能课程有较深厚的兴趣I学生具有数控铳床的操作技能一劣势:学生语言表达和逻辑能力相对较弱;对课程中涉及理论计算的部分不太感兴趣:缺乏机械制造工艺知识和经验I部分学生学习基础相对薄弱。三教学目标(一)知识目标:1 .理解数控铳床的对刀原理。2 .掌握数控铳床的对刀方法。(一)能力目标:1 .掌握数

3、控铳床对刀操作技术以及刀具的安装方法。2 .能查阅资料,培养学生搜集信息的能力。3 .培养学生的团队合作意识。(=)情感目标;1.通过任务驱动式教学教学,让学生体验学习乐趣,实现学中教、做中学。2.培养学生不怕困难和勇于探索、创新的精神。重点I数控诜床对刀操作步骤,难点:诜床对刀原理和思想。五效法与学法教法:任务驱动式教学法、理实体教学法、情景教学法、演示教学法学法:小组学习法、探究学习、自主学习,本课将通过指导学生采用自主学习和协作学习等方法,帮助学生在不断探索,不断交流、不断评价中自然达成学习目标,转变学习方式,提高学习能力。六教具数控铳床实训室主要设备:机床、毛坯料、刀库、刀架扳手、直尺

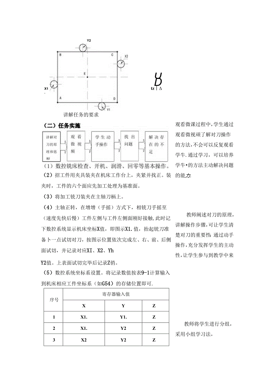
4、七教学过程教学过程设计意图任务一I对刀掾作一、创建情境,导入新课(温故而知新)教师采用创设情境的方式引入教学。教师可以认出几个工件,给学生说出大致工艺步骤,让学生知道加工每个工件都需要对刀,引出本节课的教学内容。二、传授新知(约15分钟)(一)提出任务I数控铳床对刀操作技术和铳床对刀原理和思想教师采用创设情境的方式引入教学,从而使学生更直观地了解本节课的设计任务,激发学生的学习兴趣和参与热情。通过阅读实训任务,明确本节课的实训内容,教师采用讲授法,演示法,练习法传授知识。Y2X1.UDtz讲解任务的要求Y2值。上表面试切完毕后记录Z俏。观看微课过程中,学生通过观看微视顽了解对刀操作的方法,不会

5、可以反复观看。学牛.通过学习,可以培养学牛的方法主动解决问题的能力.教师阐述对刀的原理,讲解操作步骤,可让学生清楚对刀的重要性:通过动手操作,充分发挥学生的主动性,让学生参与到教学中来。(2)招工件用夹具装夹在机床工作台上,夹紧并找正。装夹时,工件的六个面应先加工处理为基准面。(3)将加工铳刀装夹在主轴刀柄上。(4)主轴正转,在增增(手摇)方式下,相铳刀手摇至(速度先快后慢)工件左侧与工件左侧面刚好接触,此时记下数控系统显示机床坐标X值,即图示X1.值,抬起铳刀准备卜一点试切对刀,按图示位置依次完成左、右、前、后侧面试切,并记录对应XI、X2、Yh(5)数控系统坐标系设置。将记录数值按表9-1

6、计算输入到机床相应工件坐标系(如G54)的存储位置即可.序号寄存器输入值XYZ1X1.Y1.Z2X1.Y2Z3X2Y2Z教师将学生进行分组,采用小组学习法,IX2Y1.Z5(X1.+X2/2Y1.-Y2)/2Z6工件上其他任意点均可按该思想进行计算后设置对应坐标原点(二)任务评价及小结小组成员评价层面评价项目配分得分每注基本索养小组成员参与度5不合作参与度高(710)沟通5成员各持己见,不愿接受他人意见(05)成员相互注更沟通,讨论,取长补短(510)里生整洁5任务结束后,机床卫生、工、刀具等对刀操作对刀探作25对刀操作是否规范手动探作IO参数选择及熟练程度范本操作机床操作IO规范操作、安全生

7、产任务二:检设对刀是否准确(任务延伸)一:教师讲解如何检验讲解如何用程序检验对刀二:任务实施教师讲解并示范学生模仿操作并进行实训三t任务评价可加强学生的交流合作能力和团队合作意识。小组任务分工,可充分发挥学生的臼主能动性,组内采用角色分工。小组间的竞争可以加强学生的团队合作和竞争意识。教师强调操作过程中的要求,锻炼学生的动手能力,让学生在操作中尝试成功的喜悦,体会实训课的乐趣,将枯燥抽象的理论转化为生动有趣的实训操作,增强r学习的趣味性.小组成员自我评价主要评价任务完成情况及完成过程中的体验;小组互评主要评价参与程度及制作的电路完成情况:教师则总体把握评价.评价层面评价项目配分得分备注基本素养

8、小组成员叁与度5不合作。参与度不高(3x7参与度高(7*10)沟通5成员各持己见,不鹿接受他人意见(05)成员和互注正沟通,讨论,取长补短(510)卫生整沽5任务结束后,机床卫生、工、刀具等程序编制与校验基点坐标计算5各关键点计算无误程序娘制10整个零件程序编制、输入是否U漓校验5程序是否合理、正确夔木操作机床操作5规范操作、安全生产课堂小结及评价,在项目完成之后,采用自我评价与小组评价和教师评价相结合的方式对成果进行评估.评选出较好的产品进行展示。各组对制作过程中出现的问题进行交流,达到相互学习提高的目的。备组将评价结果进行评分。八、教学反思木教学设计使用的信息化手段有PPT课件,微课的交替使用可将知识形象化,直观化,充分调动和激发了学牛的学习兴趣。将理论知识和操作相结合,真正地实现了“学中教,做中学在教学中采用任务驱动式教学法和小组学习法,小组角色分工,使学生在课堂变成了其正学习的主人,学生的动手操作能力得到很大提高

展开阅读全文
相关资源
猜你喜欢
相关搜索

当前位置:首页 > 汽车/机械/制造 > 数控机床

copyright@ 2008-2023 1wenmi网站版权所有

经营许可证编号:宁ICP备2022001189号-1

本站为文档C2C交易模式,即用户上传的文档直接被用户下载,本站只是中间服务平台,本站所有文档下载所得的收益归上传人(含作者)所有。第壹文秘仅提供信息存储空间,仅对用户上传内容的表现方式做保护处理,对上载内容本身不做任何修改或编辑。若文档所含内容侵犯了您的版权或隐私,请立即通知第壹文秘网,我们立即给予删除!