视准线安装质量标准.docx

上传人:p** 文档编号:1132313 上传时间:2024-08-05 格式:DOCX 页数:2 大小:9.06KB
下载 相关 举报
视准线安装质量标准.docx_第1页
第1页 / 共2页
视准线安装质量标准.docx_第2页
第2页 / 共2页
亲,该文档总共2页,全部预览完了,如果喜欢就下载吧!
资源描述

《视准线安装质量标准.docx》由会员分享,可在线阅读,更多相关《视准线安装质量标准.docx(2页珍藏版)》请在第壹文秘上搜索。

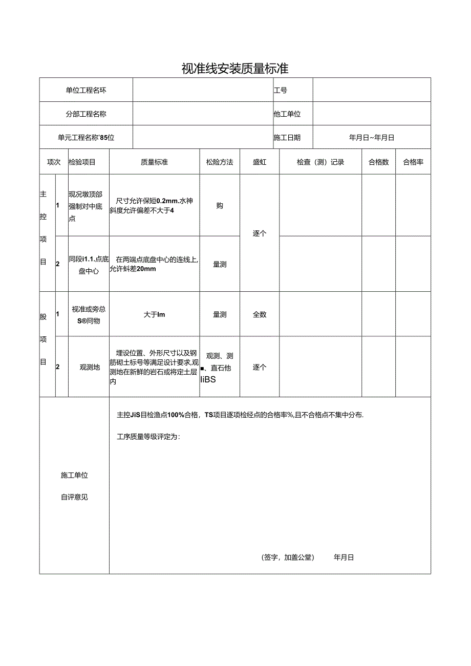
视准线安装质量标准单位工程名环工号分部工程名称他工单位单元工程名称85位施工日期年月日年月日项次检验项目质量标准松险方法盛虹桧查(测)记录合格数合格率主控项目1现况墩顶郃强制对中底点尺寸允许保短0.2mm.水神斜度允许偏差不大于4购逐个2同段i1.1.点底盘中心在两端点底盘中心的连线上,允许蚪差20mm量测股项目1视准或旁总S冏物大于Im量测全数2观测地埋设位置、外形尺寸以及钢筋砌土标号等满足设计要求,观测地在新鲜的岩石或将定土层内观测、测、直石他IiBS逐个施工单位自评意见主控JiS目检渔点100%合格,TS项目逐项检经点的合格率%,且不合格点不集中分布.工序质量等级评定为:(签字,加盖公堂)年月日监理单位复核意见受宣核,主控域目桧脸点100%合格,一般项目逐项捺蛇点的合格率%工序质等级评定为:且不合格点不集中分布.(簿字,加盖公章)年月日

展开阅读全文
相关资源
猜你喜欢
相关搜索

当前位置:首页 > 行业资料 > 国内外标准规范

copyright@ 2008-2023 1wenmi网站版权所有

经营许可证编号:宁ICP备2022001189号-1

本站为文档C2C交易模式,即用户上传的文档直接被用户下载,本站只是中间服务平台,本站所有文档下载所得的收益归上传人(含作者)所有。第壹文秘仅提供信息存储空间,仅对用户上传内容的表现方式做保护处理,对上载内容本身不做任何修改或编辑。若文档所含内容侵犯了您的版权或隐私,请立即通知第壹文秘网,我们立即给予删除!