四川省地震安全性评价收费标准.docx

上传人:p** 文档编号:114060 上传时间:2022-12-30 格式:DOCX 页数:7 大小:42.81KB
下载 相关 举报
四川省地震安全性评价收费标准.docx_第1页
第1页 / 共7页
四川省地震安全性评价收费标准.docx_第2页
第2页 / 共7页
四川省地震安全性评价收费标准.docx_第3页
第3页 / 共7页
四川省地震安全性评价收费标准.docx_第4页
第4页 / 共7页
四川省地震安全性评价收费标准.docx_第5页
第5页 / 共7页
四川省地震安全性评价收费标准.docx_第6页
第6页 / 共7页
四川省地震安全性评价收费标准.docx_第7页
第7页 / 共7页
亲,该文档总共7页,全部预览完了,如果喜欢就下载吧!
资源描述

《四川省地震安全性评价收费标准.docx》由会员分享,可在线阅读,更多相关《四川省地震安全性评价收费标准.docx(7页珍藏版)》请在第壹文秘上搜索。

1、关于转发四川省地震安全性评价收费标准批复的通知四川省物价局关于对四川省地11安全性评价收费标准批复四川省地震局,各市、州物价局:四川省物价局关于印发四川省地震安全性评价收费标准的函(川价函(2005)1号)文件,已试行两年.在这两年的试行中,收费标准的制订和执行,基本符合我省的地震环境和市场环境的实际,得到相关管理部门和各方的肯定。完善了我省地鹿安全性评价工作的管理体系,规范了地震安全性评价工作的收费行为,促进了我省地震安全性评价工作的健康、有序发展。为此,现将我省地震安全性评价收费标准正式批复如下:一、此收费标准适用于我省按照四川省工程建设场地地震安全性评价管理规定进行地震安全性评价的各类新

2、建、扩建、改建的工程项目,区域开发建设项目以及各类建设工程的震害预测、振动监测等服务项目。二、承担地震安全性评价工作的单位,必须具备国家或省级地震局颁发的地痘安全性评价资质证书,严格按照国家规定的有关技术规程和证书级别规定范围的有关要求开展地虐安全性评价工作。三、地震安全性评价收费范围:地窟安全性评价、地震小区划、地窟动参数复核、地震危险性分析、设计地震动参数确定、活动断层探测与危险性鉴定、地震地质灾害评价、震害预测、振动监测等。四、地震安全性评价承担单位应根据工程类别及其地震安全性评价工作级别,按照工程场地地震安全性评价(国家质量技术监督局GB17741-2005)的要求确定工作任务。委托方

3、与评价承担单位可根据工程的一些具体情况按本收费标准协商承担费用,并写入服务合同。五、地震安全性评价收费标准(详见附件)。六、地震安全性评价收费属经营服务性收费。在进行地宸安全性评价工作时,由建设工程项目业主按照“自愿委托”的原则,自由确定有资质证的评价机构单位。评价单位应本着有偿服务合理收费的原则,不得提高收费标准,扩大收熨范围,更不允许强制性评价和只收费不进行安全性评价服务工作。七、承担地震安全性评价工作的收费单位,应按有关规定,将收费项目、标准进行公示,接受价格部门的监督检查,并使用税务发票,依法纳税。八、本通知自发布之日起执行.附件:四川省地震安全性评价收费标准二OO七年六月八日四川省地

4、震安全性评价收费标准一、区域地震活动和地鹿构造分析主要作业方法收费标准(万元)一级工作二级工作三级工作四级工作区域地震活动11性分析_区域地窟构造收集资料、编目、计算、分析收集资料、野1.00-1.20Oo350500.200.300.14Oo20调查与综合分析外调查、分析3.004.00LOO-Io20O080-0.900.40-0.801-3地鹿区、带划分综合分析、边界确定I0OO-Io20O030-0.400.200.300.14-0.20备注:不含地震构造调查所需进行的勘察和样品分析费用(其费用可参照工程勘察设计收费标准收熨),区域范围半径超过150公里时,比照增加收费。二、近场区场区

5、地震活动和地虚活动构造断层调查收费标准(万元)序号名称主要作业方法一级工作二级工作三级工作四级工作近场区地震编目、分析O008Oo1021活动性分析0.40O060文0.20-0.30*0.10020*近场和场区搜集资料、野22地震构造综外勘查、编图、2.303。00Io302o000.801.200.40-0080合分析综合分析场区断层位置23确定及活动性物探、化探按工程勘察设计收费标准收费鉴定备注:1.*不含重要地震参数复核费用;2.近场区半径超过25公里、场区面积超过5平方公里时比照增加收费。三、场地工程地震条件评价序号名称主要作业方法收费标准(万元)一级工作二级工作三级工作四级工作31

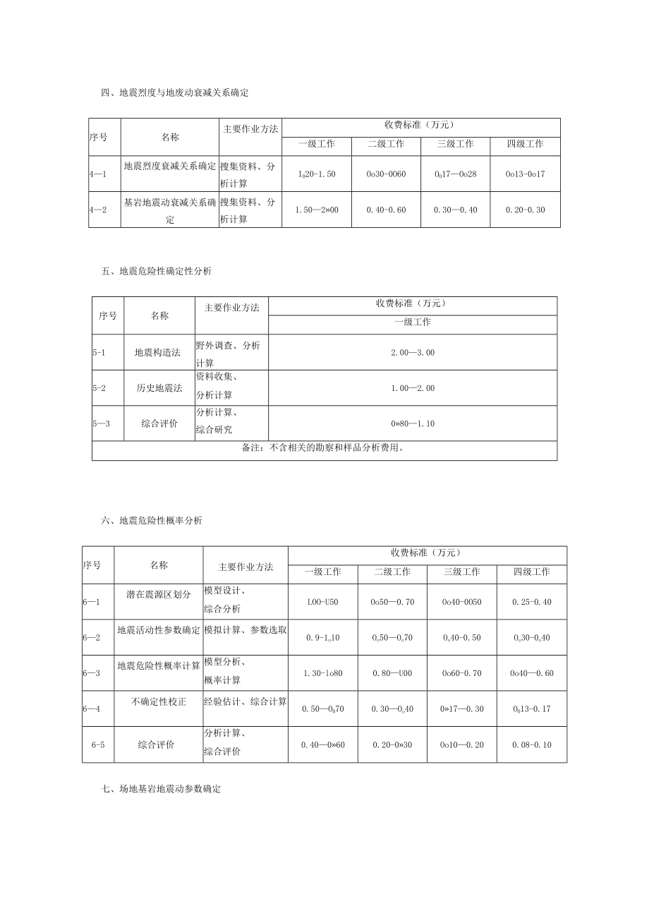
6、场地勘察现场作业按工程勘察设计收费标准收费32场地土动力性质测定现场作业室内试验按工程勘察设计收费标准收费33场地工程地震条件评价分析计算0.60O090*0400.50*O030-0.40*Oo20O030*备注:火场区面积超过2平方公里时比照增加收费。四、地震烈度与地废动衰减关系确定序号名称主要作业方法收费标准(万元)一级工作二级工作三级工作四级工作41地震烈度衰减关系确定搜集资料、分析计算I020-1.50Oo30-0O60O017Oo28Oo13-0o1742基岩地震动衰减关系确定搜集资料、分析计算1.502000.40-0.600.300.400.20-0.30五、地震危险性确定性分

7、析序号名称主要作业方法收费标准(万元)一级工作5-1地震构造法野外调查、分析计算2.003.005-2历史地震法资料收集、分析计算1.002.0053综合评价分析计算、综合研究0801.10备注:不含相关的勘察和样品分析费用。六、地震危险性概率分析序号名称主要作业方法收费标准(万元)一级工作二级工作三级工作四级工作61潜在震源区划分模型设计、综合分析LOO-U50Oo500.70Oo40-0O500.25-0.4062地震活动性参数确定模拟计算、参数选取0.9-1o10Oo50Oo70Oo40-0.50Oo30-0o4063地震危险性概率计算模型分析、概率计算1.30-lo800.80U00O

8、o60-0.70Oo400.6064不确定性校正经验估计、综合计算0.50O0700.30Oo400170.30O013-0.176-5综合评价分析计算、综合评价0.400600.20-030Oo100.200.08-0.10七、场地基岩地震动参数确定序号名称主要作业方法收费标准(万元)一级工作二级工作三级工作7-1基岩反应谱衰减关系确定收集资料、哀减规律确定、计算分析O090-1.500.25-0.450.15-0o2572基岩目标反应谱和形状函数确定形状函数设计、分析计算0.60-1.200.200.50O015-0.2073基岩加速度时程综合分析、边界确定、分析编图O0300.400.1

9、50。300.10Oo15备注:1、基岩反应谱及形状函数确定以一个场点、水平向一个概率水准为计价单彳2、基岩水平向加速度时程以一条为计价单位;3、竖向地窟动参数确定在此基础上增加20%立;八、场地设计地震动参数确定序号名称主要作业方法收费标准(万元)一级工作二级工作三级工作81计算模型及模型参数确定软件调试、资料收集、计算分析0.80-1.20Oo400500.30-0o408-2场地地震动效应分析资料收集、分析计算U001.300.25-0.40Oo20O0258-3地震动参数与场地相关反应谱确定计算分析0.8O-L200.300.50O0200.308-4场地设计地震动参数确定计算分析、综

10、合评定1000Io500.350.500.30-0。4085设计加速度时程计算分析0.30-0.40Oo150O350.10-0.15备注:1、平坦场地的地震动效应分析、地震动参数与场地相关反应谱确定及场地设计地震动参数确定以一个场点、水平方向、一个概率水准为计费单位;存在局部地形影响的非平坦场地及介质横向不均匀性较大场地,按3倍收费;2、设计加速度时程以一条为计费单位:3、大型桥梁、高层建筑等需在同一个场点多个层次提供地震动的工程,收费根据工作量议定;4、场地竖向地震动参数确定在此基础上增加20%。九、地震小区划综合分析序号名称主要作业方法收费标准(万元)91地震动小区划综合分析、地震模拟计

11、算、编图O060-01.809-2地震地质灾害小区划综合分析计算、编图0.80-1000备注:以50平方公里为计费单位,不含基础工作.十、地震地质灾害评价序号名称主要作业方法收费标准(万元)一级工作二级工作三级工作101地震地质灾害评估现场调查、综合分析1.20-1050*0.70-100*O060-0.70*备注:1、地震地质灾害指可能因地震影响引起的湖通、地裂缝、滑坡崩塌、砂土液化、软土震陷等;2、*以一个场地、一种地震地质灾害为计费单位;3、不含钻孔、物探、样品分析等基础工作.十一、震害预测序号名称主要作业方法收费标准(万元)111建筑物搜集资料、现场调查、计算、综合分析单体:LO元/m

12、?群体:0。3元m112构筑物搜集资料、现场调查、建模、计算、综合分析鉴定根据工作范围,预测对象的难易程度及工作量议定11-3生命线工程搜集资料、现场调查、建模、计算、综合分析鉴定根据工作范围,预测对象的难易程度及工作量议定备注:不含地震危险性分析等基础工作。十二、抗震性能分析序号名称主要作业方法收费标准(万元)12建、构筑物抗震性能分析收集资料、现场调查、测试、计算、综合分析不进行现场测试的1.8元/平方米,不足4000元按4000元计;现场进行测试的2o3元/平方米,不足8000元按8000元计。十三、辅助工作与评审序号名称主要作业方法收费标准(万元)一级工作二级工作三级工作四级工作13-

13、1辅助工作编写报告、清绘图件、报告打印、复印、装订U00-1.50O060Oo800.40-0o60O0300.50132工作成果评审省级评审0.801.000.60-0.80Oo500.600.40-0050国家级评审(含省级初审)2.50300U50230备注:评审费包括差旅费、会议费、专家评审费、资料费等。十四、其他名称主要作业方法收费标准(万元)地寂烈度或地震动参数咨询收集资料、计算综合分析5000-12000活动断层鉴定野外调查、钻孔勘察、样品测龄、综合分析视现场条件及采用的方法议定场区1/5万地震构造填图野外调查、综合分析、编图4000-8000元/平方公里精密磁测剖面野外勘测、计算、测线长W3公里时为10000元:综合评定超过部分按2000元/公里计算精密磁测剖网野外勘探、计算、综合分析2500元/子网(20X50mD断层气探测剖面野外勘探、计算、综合分析测线长3公里时为6000元;超过部分按2000元/公里计算CM测龄室内测

展开阅读全文
相关资源
猜你喜欢
相关搜索

当前位置:首页 > 建筑/环境 > 岩土与地质勘察

copyright@ 2008-2023 1wenmi网站版权所有

经营许可证编号:宁ICP备2022001189号-1

本站为文档C2C交易模式,即用户上传的文档直接被用户下载,本站只是中间服务平台,本站所有文档下载所得的收益归上传人(含作者)所有。第壹文秘仅提供信息存储空间,仅对用户上传内容的表现方式做保护处理,对上载内容本身不做任何修改或编辑。若文档所含内容侵犯了您的版权或隐私,请立即通知第壹文秘网,我们立即给予删除!