#8平台 钢筋验收记录.docx

上传人:p** 文档编号:1178072 上传时间:2024-09-20 格式:DOCX 页数:4 大小:21.42KB
下载 相关 举报
#8平台 钢筋验收记录.docx_第1页
第1页 / 共4页
#8平台 钢筋验收记录.docx_第2页
第2页 / 共4页
#8平台 钢筋验收记录.docx_第3页
第3页 / 共4页
#8平台 钢筋验收记录.docx_第4页
第4页 / 共4页
亲,该文档总共4页,全部预览完了,如果喜欢就下载吧!
资源描述

《#8平台 钢筋验收记录.docx》由会员分享,可在线阅读,更多相关《#8平台 钢筋验收记录.docx(4页珍藏版)》请在第壹文秘上搜索。

1、钢筋加工检验批质量验收记录单位(子冷位)工狎名称姻囱分肥(子分部)工科名称钢平台分项1:程Zr钢筋验收部位第八层炮分平台族工的位山东电力建设第:工程公司项目经理王玉河侑工执行标准名称及纲2电力建设施工质最险收及评价叔科第】郃分土建工程DIT5210.I-2012专业工长(能工员)于世茹分包的位分包项目经理/施工班祖氏崔金宙族工历fi1.i收规范的规定族工单位自检记录陈理(建议)单位验收记录1ISiM林抽检钢的近场时,应按现行出京现行相关标准的块定抽取试件进行力学科傥检船和Rtwft.r职必须符合有关标准的规定纲前原材符合有关标灌的规定2r.时仃抗熊设防耍求的结构,齐蝌向受力钢筋的性能出满足i殳

2、计要求.当设计无具体要求时.对一级、:汲、:纵抗族等找出计的框架和斜推构件(含梯段)P的纵向受力惘筋应采川HRB335E、HRB400E.KBW0E、HRBF535E、HRBI“ODE、HRBF50。钢筋,H强度和最火力下总伸长率的实源俶应符价下列现定r(D用筋的抗拉强度实测值与屈服值强度利试1的比值不应小了1.25.2)例跖的用服以度实测值。强度标准值的比值不应大于1.30.OJ领筋在公大拉力下总仲长率实测值不应小Tgt/3学分项验化成专检当发现钢筋脆断、钟接性陡不艮或力学忡能显著不正常等现象时.应对谈批钢的进行化学成分收!或其它专项检验/4(DHPB235级钢筋末斓应作1800号的,其穹弧

3、内近径不应小于网筋H径的2.5倍.弯佝的弯后平面然分长度不应小干钢前也径的3倍ID当设计要求铜航末MI需作135,弯构时,HRB335级、HRB40O级钢筋的力银内力很不应小于用筋H径的4倍,理钩的弯后平面第分长或应符合设计要求:(3)钢筋作不人干90的弓折时,窃折处的四以内H径不应小于钢前在径的5倍符合规范妥求5SE前末州有向_除焊接封闭环式弟籍外,掖好的末褶应作再钩,四的形式应符合收计要求:节设计无具体瞿求时.应符行下列规定I1)掖的穹钩的由孤内11径除应满足本表主拄项目第4项的规定外,尚应不小于受力钢跖宜径I(2)掖前四钩的穹圻角度I对-Jft结构,不应小90:对仃抗规等要求的结构,应为

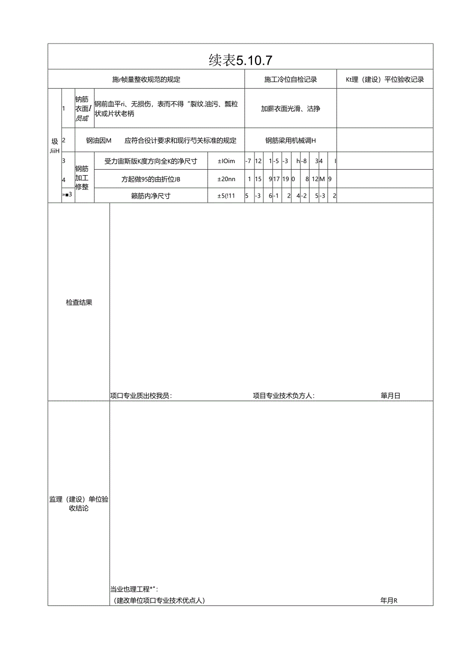
4、135:(3.花斯弯后平H部分长的I对一般姑构,不宜小于箝筋应径的5倍,对fi抗爬等要求的站构.不应小于Jft筋ftW10倍筋前码的都分为135*,平直段为IOd.表5.10.7a:000101300(M020101001续表5.10.7施r帧量整收规范的规定施工冷位自检记录Kt理(建设)平位验收记录圾JiiH1钠筋衣面I员或钢前血平ri、无损伤,表而不得“裂纹.油污、瓢粒状或片状老柄加薪衣面光滑、沽挣2钢油因M应符合役计要求和现行芍关标准的规定钢筋梁用机械调H34钢筋加工修整受力宙斯版K度方向全K的净尺寸IOim-7121-5-3h-834I方起做95的由折位JB20nn1159171908

5、12M93籁筋内净尺寸5(!115-36-124-25-32检查结果项口专业质出校我员:项目专业技术负方人:箪月日监理(建设)单位验收结论当业也理工程*:(建改单位项口专业技术优点人)年月R钢筋安装工程检验批质量验收记录单位(子单位)工程名称一囱分部(子分部)工程幺林烟肉用平台分项工程名称浏筋抬收部位第八层蛆合平台施r冷位山东电力建设第二工程公司项目径理王玉河施工执行标准名称及编号电力建设施质量脑收及评价规程第I部分土建工程D1.I5210.1-2012专业工长(此工员)Tt1.t分包的他分包项目经理/SfiXJWff1.K崔金缶施工帧后整牧域范的规定俺工柒位自检记录玄理埋设)冷位验收记录主1

6、.炳筋安装时受力钢前的种、“勺m人”1*.级别、规格也如必须符合或汴要求符合谀计要求2如向受力钢筋的连接方式理符合设H察求一一目3机械连楂和焊接接头的力学性应符合本部分曲录C的规能定I宜设在受力较小处。1.同一曲向受力.w卬产尸诵前不出设置两个或两个以上接头.2、,K11PHR接头末册至钢筋穹起点距离不应小于加筋玄径的10倍符合议计要求2抬头外现版M卜特合本部分附录C的设定符合设计要求3受力惘的机械连接头宜相互福开;同一连接区段内,纵接或焊接接头设向受力钢筋的接头面积百分率应符合7tI设计要求及现行利关标准的规定符合设计要求股珀II1.相包帆向受力领前的梆扎搭推接头直相互错开.娜扎搭接接头中钢

7、筋的横向WiK1.净距不应小于钢筋直径.且不应小于”人生I,“同一连接区段内,纵向受拉的筋搭接接头面积仃分率应符合设计要求及现行有关标准的规定符合设计要求5向受力做而疥接K度惹IH内.应按我琳露配优计要未配过Ift筋.当设计无具体要求时.应符合现行有关标准的赛定/6主筋同距俏筌20mI10211576-86IO127主防保护品偏差+15-5m-I-4IOIIOT-7施工弟位检杳结果项H,w;.;m,”:项目专业心年月日K1.理(建设单位验收结论专业监理工一师t(建议用位项H专业技术负贲人年月日表6.15.13tttOocHO1.MMMHQ2(Mo20。1隐蔽工程验收记录(钢筋工程)ix00010)30001020J03001值位工程名称烟囱分部(子分部)工程名称验收部位I=MWfSfii5节itEff1.HT(MO1.设计支更螭号/主ftWM况锵扬依别钢跖fi依,;出厂合格证体号试验报告3号接火型式接头试验报告班号IIRIM001252N00130051008GJ13122609搭接/f/惯M何IE及其处理忸况Sftt验收意见Mi工的位检杳结果项目专业原Ift板自员I项目专业技术员近人I年月日M理维位验收第论专业监理工ISf1.h建设单位项目专致技术Ift贵人)年月日

展开阅读全文
相关资源
猜你喜欢
相关搜索

当前位置:首页 > 办公文档 > 事务文书

copyright@ 2008-2023 1wenmi网站版权所有

经营许可证编号:宁ICP备2022001189号-1

本站为文档C2C交易模式,即用户上传的文档直接被用户下载,本站只是中间服务平台,本站所有文档下载所得的收益归上传人(含作者)所有。第壹文秘仅提供信息存储空间,仅对用户上传内容的表现方式做保护处理,对上载内容本身不做任何修改或编辑。若文档所含内容侵犯了您的版权或隐私,请立即通知第壹文秘网,我们立即给予删除!