N区抹灰工程技术交底.docx

上传人:p** 文档编号:1178640 上传时间:2024-09-20 格式:DOCX 页数:5 大小:18.14KB
下载 相关 举报
N区抹灰工程技术交底.docx_第1页
第1页 / 共5页
N区抹灰工程技术交底.docx_第2页
第2页 / 共5页
N区抹灰工程技术交底.docx_第3页
第3页 / 共5页
N区抹灰工程技术交底.docx_第4页
第4页 / 共5页
N区抹灰工程技术交底.docx_第5页
第5页 / 共5页
亲,该文档总共5页,全部预览完了,如果喜欢就下载吧!
资源描述

《N区抹灰工程技术交底.docx》由会员分享,可在线阅读,更多相关《N区抹灰工程技术交底.docx(5页珍藏版)》请在第壹文秘上搜索。

1、表格编号技术交底书1310项目名称花果园五里冲棚户区、危IH房、城中村改造项目N区(费阳街)项目共5页交底编号工程名称花果园五里冲棚户区、危IH房、城中村改造项目N区(R1.r)工程设计文件图号建筑施工图施工部位抹灰工程技术交底交底日期技术交底内容:一、概况及适用范围本次抹灰工程技术交底适用于N区所涉及的所有内、外墙抹灰工程。二、施工准备1、作业条件1 .抹灰部位的主体结构及二次砌筑结构经过有关单位(如质监站、建设、设计、监理、施工单位等)检查验收,并签认。2 .熟悉相关图纸、设计变更单、技术措施表、技术核定单等技术文件,保证现场与设计意图一致.3 .门窗框、消防栓箱、预埋件及需要预埋的管线盒

2、已安装完毕,并经检查验收合格。4 .抹灰用的脚手架应先搭好,架子要离开墙面200250mm,搭好脚手板,防止落灰在地面,造成浪费。5 .将混凝土墙等表面凸出部分凿平,对蜂窝、麻面、露筋、疏松部分等凿到实处,用1:2.5水泥砂浆分层补平,把外露钢筋头和铅丝头等清除掉。6 .对石砖墙、剪力墙,应在抹灰前一至两天浇水湿透.对丁加气混凝十.砌块墙面,因其吸水速度较慢,应提前两至三天进行浇水,每天宜两遍以上。7 .先做抹灰样板间,经验收合格后方可大面积施工。2、材料要求1 .水泥:P.032.5普通睢酸盐水泥或矿淹硅酸盐水泥:2 .砂:中砂,平均粒径为0.355m11u3、机具准备搅拌机、磅秤、孔径5m

3、筛子、手推车、铁板、铁锹、平锹、大桶、灰槽、胶皮管、水勺、灰勺、小水桶、喷壶、托灰板、木抹子、铁抹子、阳(阳)角抹了、塑料抹了、大杠、中杠、2m靠尺板、托线板、八字尺、57mm厚方口靠尺、软刮尺、方尺、铁制水平尺、盒尺、钢丝刷、长毛刷鸡腿刷苕帚、粉线包、小白线、塞子、锤子、钳子、钉子、钢筋卡子、线险、胶鞋、工具袋等。4、施工配合比1.各栋有施工设计图纸的,参照建筑技术措施表中施工配合比施工。2 .没有施工配合比的,底层及中层抹灰采用1:3水泥砂浆,面层采用1:2.5水泥砂浆。各层间施工配合比不应相差过大,避免造成因收缩不均造成的开裂。三、工艺流程基层处理一甩浆一吊直、套方、找规矩、贴灰饼一墙面

4、冲筋(设优标筋)抹底灰一抹中层灰一抹水泥砂浆罩面灰(包括水泥踢脚板、墙裙等)一抹墙面罩面灰一养护四、施工工艺及方法1.基U处理:清除墙面的污垢、碱膜、砂浆块等附若物,浇水湿润,对丁混凝土、砖石基础等基层表面存在以卜情况应采取以卜措施:对存在油污表面应先用5Q10浓度火喊水清洗,再用清水清洗:对泛盐、泛喊的基层用3%草酸溶液清洗:对于混凝十.表面过于光滑用钢丝刷清理一遍,并将表面灰尘除去后再用浆.3 .甩浆:在清理完基层灰尘等后用水泥浆掺108胶(1:2.51:3的水泥浆用1:4的乳胶水拌合),采用扫帚对墙面甩浆,使得堵而成毛刺状,特浆达到强度后方能抹灰,否则会形成隔离乂-4 .卅宜、套方、找规

5、矩、贴灰饼:根据战层表面平整、垂直怙况,经检杳后确定抹灰层厚度,但最少不应小于8三o用线坠、方尺、拉通线等方法贴灰饼,用托线板找好垂直,下灰饼也作为踢脚板依据.灰饼宜用1:2.5水泥砂浆做成3cm方形状,间距约为1.5m左右。5 .墙面冲筋(设置标筋):根据灰饼用与抹灰层相同的1:2.5水泥砂浆冲筋(标筋),冲筋的根数应根据房间的高度或宽度来决定,筋宽约为3cm左右。6 .抹底灰:冲筋结束2天后抹底灰,分层装档、找平,用大杠垂直水平刮找一遍,用木抹子搓毛,然后全面检查底子灰是否平整,保证阴阳角方正,管道处灰挤齐,墙与顶板交接处光滑平整,并用托线检查墙面的垂直与平整情况,抹灰后及时清理散落在地上

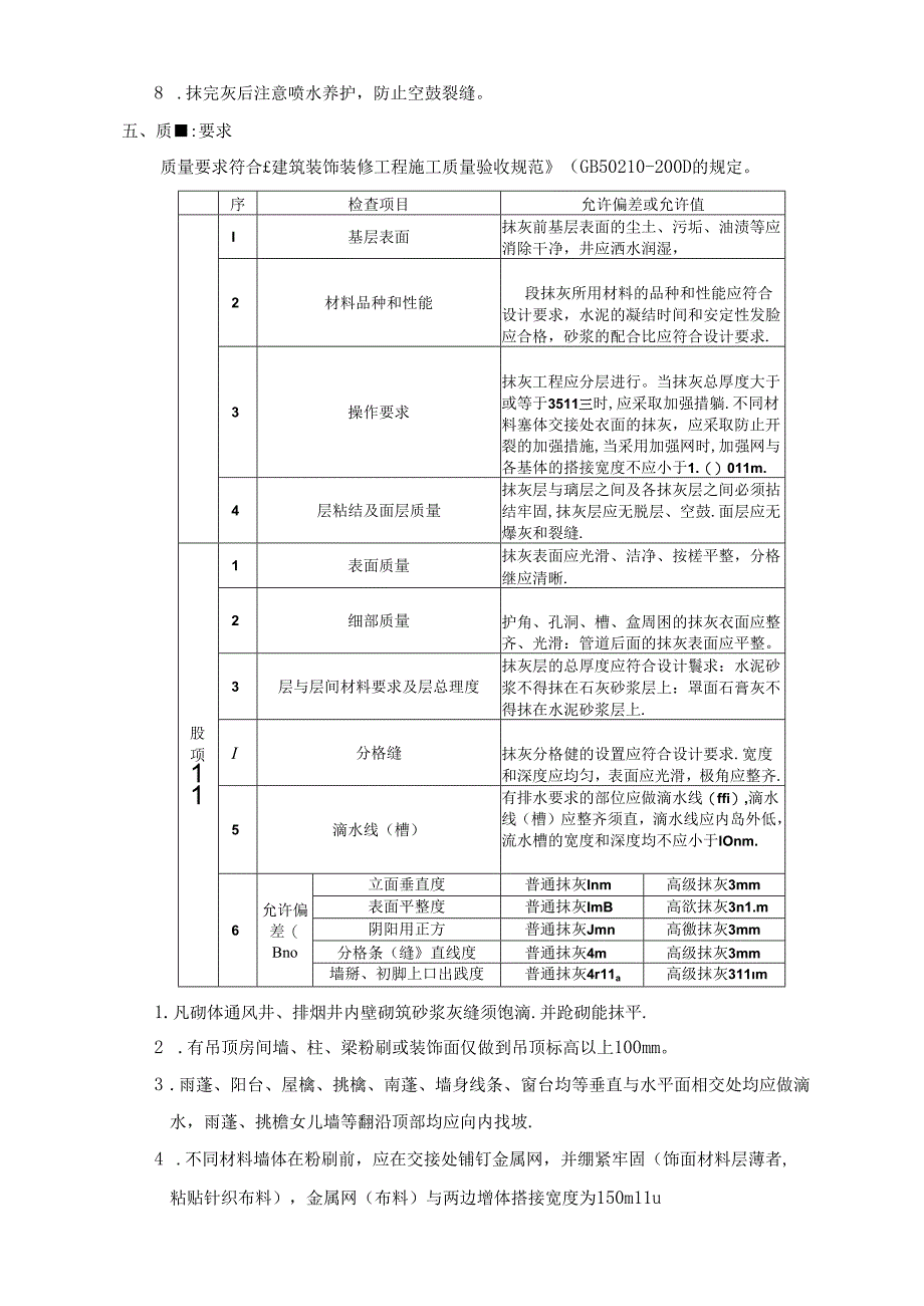
6、的砂浆。7 .抹罩面灰:当底灰抹好后,待前一层抹灰层凝固后(用大拇指用力压挤抹灰完的灰层,无指肚坑但右指纹)即可开始抹罩面灰(如底灰过干要浇水湿和,薄薄刮一遍,随即抹平。按照先上后下的顺序进行,再赶光压实,然后用钢抹子压一遍,地后用抹子顺抹纨压光,随即用毛刷难水将罩面灰污染的门窗框等消刷干净。8 .抹完灰后注意喷水养护,防止空鼓裂缝。五、质:要求质量要求符合建筑装饰装修工程施工质量验收规范(GB50210-200D的规定。序检查项目允许偏差或允许值I基层表面抹灰前基层表面的尘土、污垢、油渍等应消除干净,井应洒水润湿,2材料品种和性能段抹灰所用材料的品种和性能应符合设计要求,水泥的凝结时间和安定

7、性发脸应合格,砂浆的配合比应符合设计要求.3操作要求抹灰工程应分层进行。当抹灰总厚度大于或等于3511三时,应采取加强措躺.不同材料塞体交接处衣面的抹灰,应采取防止开裂的加强措施,当采用加强网时,加强网与各基体的搭接宽度不应小于1.()011m.4层粘结及面层质量抹灰层与璃层之间及各抹灰层之间必须拈结牢固,抹灰层应无脱层、空鼓.面层应无爆灰和裂缝.股项111表面质量抹灰表面应光滑、洁净、按槎平整,分格继应清晰.2细部质量护角、孔洞、槽、盒周困的抹灰衣面应整齐、光滑:管道后面的抹灰表面应平整。3层与层间材料要求及层总理度抹灰层的总厚度应符合设计鬟求:水泥砂浆不得抹在石灰砂浆层上:罩面石膏灰不得抹

8、在水泥砂浆层上.I分格缝抹灰分格健的设置应符合设计要求.宽度和深度应均匀,表面应光滑,极角应整齐.5滴水线(槽)有排水要求的部位应做滴水线(ffi),滴水线(槽)应整齐须直,滴水线应内岛外低,流水槽的宽度和深度均不应小于IOnm.6允许偏差(Bno立面垂直度普通抹灰Inm高级抹灰3mm表面平整度普通抹灰ImB高欲抹灰3n1.m阴阳用正方普通抹灰Jmn高徼抹灰3mm分格条(缝直线度普通抹灰4m高级抹灰3mm墙掰、初脚上口出践度普通抹灰4r11a高级抹灰311m1.凡砌体通风井、排烟井内壁砌筑砂浆灰缝须饱滴.并跄砌能抹平.2 .有吊顶房间墙、柱、梁粉刷或装饰面仅做到吊顶标高以上100mm。3 .雨

9、蓬、阳台、屋檎、挑檎、南蓬、墙身线条、窗台均等垂直与水平面相交处均应做滴水,雨蓬、挑檐女儿墙等翻沿顶部均应向内找坡.4 .不同材料墙体在粉刷前,应在交接处铺钉金属网,并绷紧牢固(饰面材料层薄者,粘贴针织布料),金属网(布料)与两边增体搭接宽度为150m11u六、成品保护要求1.推小车或搬运东西时,要注意不要碰坏口角和墙面。抹灰用的大杠和铁锹把不要靠放在墙上,严禁蹈踩窗台板,防止损坏其梭角。2 .要保护好墙上的预埋件、电线槽、盒、水暖设备和预留孔洞等,不要随意抹死。3 .抹灰值凝结硬化前,应防止快干、水冲、撞击、振动和挤压,以保证灰U有足够的强度。4 .要保护好地面、地漏,禁止在地面上拌灰和百.

10、接在地面上堆放砂浆。5 .抹过灰后随即清擦粘在门窗框上的残余砂浆,并清擦干净.对铝合金门窗框一定要粘贴保护膜,并一直持到竣工前需消擦玻璃为止。七、安全文明总工1.墙身高度超过地坪2m以上,必须及时搭设好脚手架,不准用不稳定的工具或物体在脚手板面上垫高工作。高处操作时要系好安全带,安全带而挂低用并挂靠牢固。6 .垂直运输的吊笼、滑车、绳索、刹车等,必须满足荷载要求,吊运时不得超荷,使用过程中要经常检查,发现不符合规定者,要及时修理或更换,7 .停放搅拌机械的基础要坚实平整,防止地面卜沉,造成机械帧倒。8 .进入施工现场的个人必须正确佩戴安全帽,进入施工现场后正确使用个人防护用品,禁止穿拖鞋、离跟鞋和赤脚,在没有防护设施的悬处必须系安全带,不准穿硬底鞋、带钉鞋、易滑鞋。9 .施工现场严禁吸烟,不得酒后作业。10 安全用电,不得乱接电线,应由专门电工负员管理.11 对于光线不好的地方(如核心筒)应安装低压照明灯。八、环保要求1.抹灰砂浆不得遗撒,污染作业面.12 施工垃圾应每天清理至垃圾房(池)或堆放在指定的地点。13 现场的砂石料要用帆布覆盖,水泥库应维护严密,有防潮防水措施。14 砂浆倒在楼面上使用时,底部应采用旧模板垫起,泮禁直接帧倒在楼面上,抹灰完成后应立即清理,做到工完料消。附件及附图:无接受交底人:交底人:

展开阅读全文
相关资源
猜你喜欢
相关搜索

当前位置:首页 > 建筑/环境 > 设计及方案

copyright@ 2008-2023 1wenmi网站版权所有

经营许可证编号:宁ICP备2022001189号-1

本站为文档C2C交易模式,即用户上传的文档直接被用户下载,本站只是中间服务平台,本站所有文档下载所得的收益归上传人(含作者)所有。第壹文秘仅提供信息存储空间,仅对用户上传内容的表现方式做保护处理,对上载内容本身不做任何修改或编辑。若文档所含内容侵犯了您的版权或隐私,请立即通知第壹文秘网,我们立即给予删除!