安全管控平台日报20230901(白班).docx

上传人:p** 文档编号:1182740 上传时间:2024-09-20 格式:DOCX 页数:3 大小:21.18KB
下载 相关 举报
安全管控平台日报20230901(白班).docx_第1页
第1页 / 共3页
安全管控平台日报20230901(白班).docx_第2页
第2页 / 共3页
安全管控平台日报20230901(白班).docx_第3页
第3页 / 共3页
亲,该文档总共3页,全部预览完了,如果喜欢就下载吧!
资源描述

《安全管控平台日报20230901(白班).docx》由会员分享,可在线阅读,更多相关《安全管控平台日报20230901(白班).docx(3页珍藏版)》请在第壹文秘上搜索。

1、安全管控平台日报济南轨道交通JINANRAI1.TRANSIT济南轨道交通集团安全监察部2023年9月1日一、安控中心值班记录1、 济阳有轨电车施工四标会展中心站9月1日施工单位1条隐患问题整改超期.4条陷患向时赛理总位审核迨期:2、 4号战3工区段店站监控空无人在闭:3、 4号级六工区泉城公园站现场裸上未覆盖;4、 4号线三工区段店站机械破除未采取湿法作业:5、 4号线一工区小高庄站现场人员未佩戢安全帽:6、 6号战3工区经一纬六站同部沟槽防护设置不到位:7、 6号战7工区山大南路站沟槽边防护未连续设置;8、 6号线二工区文中区间施工人员违规基坑边缘内侧作业,存在坠落风唆:9、 6号线二工区

2、文中区间现场临工人员抽烟:10、 6号我十工区济南东站现场人员未做蛾安全帽;11、 6号线一工区孟E庄站施工人员违规行走于基坑内例,存在高处坠落风险;12、 7号线二工区气象局站基坑边防护设置不到位:13、 8号线二工区胭彩区间明挖段监控室无人在岗:14、 8号战:工区因子山站同部临边防护缺失;15、 8号找六工区绣源河站至清源街站区间临边防护缺失:16、 8号线三工区春博路站山东职业学院站焊接作业未设置接火盆:17、 8号线三工区春博路站山东职业学院站监控室无人在切:18、 8号践四工区安相芳路站临边防护设祝不到位;19、 8号战五工区山东大学站现场人员未瞅戴安全帽;20、 9号线二工区胜利

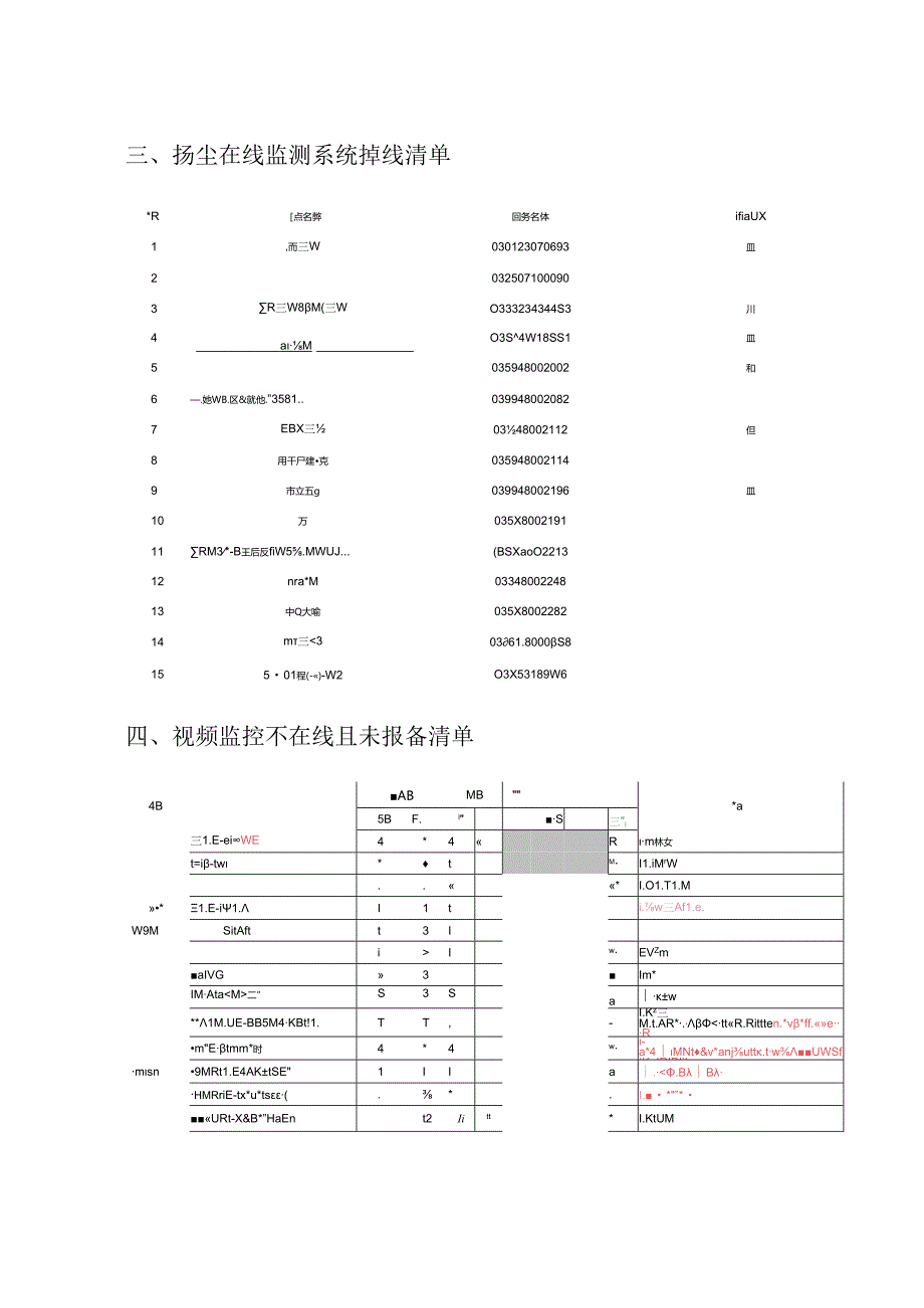
3、路站现场土方未作业区域覆盅不到位:21、 基础市政道路东进场北路值班室无人在岗;22、 租赁房王府车辆段-监控室无人在岗。二、盾构监控异常状态清单F4.tfSC116W0.伏iMI318三i*MJO24CF2M-WMSMSeOH1049理MS77S05agdemve-BjGtSn*3.11妁04I1.kSM-TCXSMMtttfCRK468WCf604IM05王人王AIRS电SCTW65046213B三、扬尘在线监测系统掉线清单*R点名弊回务名体ifiaUX1,而三W030123070693皿20325071000903R三W8M(三WO333234344S3川4aMO3S4W18SS1皿50

4、35948002002和6.她WB.区&就他.”3581.0399480020827EBX三0348002112但8用干尸建克0359480021149市立五g039948002196皿10万035X800219111RM3*-B王后反fiW5.MWUJ.(BSXaoO221312nra*M0334800224813中Q大喻035X800228214m三IwEVZmaIVG3Im*IMAta二”S3Saw*1M.UE-BB5M4KBt!1.TT,-I.Kz三M.t.AR*.,ttR.Rittten.*v*ff.eRmEtmm*时4*4w-a*4MNt&v*anjutt.twUWSftK:.IRIBIiImsn9MRt1.E4AKtSE1IIa.BBhmrriE-tx*u*ts(.*.I.*”*URt-X&B*”HaEnt2Iitt*I.KtUM

展开阅读全文
相关资源
猜你喜欢
相关搜索

当前位置:首页 > 办公文档 > 说明文书

copyright@ 2008-2023 1wenmi网站版权所有

经营许可证编号:宁ICP备2022001189号-1

本站为文档C2C交易模式,即用户上传的文档直接被用户下载,本站只是中间服务平台,本站所有文档下载所得的收益归上传人(含作者)所有。第壹文秘仅提供信息存储空间,仅对用户上传内容的表现方式做保护处理,对上载内容本身不做任何修改或编辑。若文档所含内容侵犯了您的版权或隐私,请立即通知第壹文秘网,我们立即给予删除!