松材线虫病普查抽样检测办法(附件3) .docx

上传人:p** 文档编号:1183836 上传时间:2024-09-20 格式:DOCX 页数:3 大小:13.72KB
下载 相关 举报
松材线虫病普查抽样检测办法(附件3) .docx_第1页
第1页 / 共3页
松材线虫病普查抽样检测办法(附件3) .docx_第2页
第2页 / 共3页
松材线虫病普查抽样检测办法(附件3) .docx_第3页
第3页 / 共3页
亲,该文档总共3页,全部预览完了,如果喜欢就下载吧!
资源描述

《松材线虫病普查抽样检测办法(附件3) .docx》由会员分享,可在线阅读,更多相关《松材线虫病普查抽样检测办法(附件3) .docx(3页珍藏版)》请在第壹文秘上搜索。

1、附件3松材线虫病普查抽样检测办法1主题内容及适用范围1.1 本办法规定了对松材线虫病寄主植物活体进行人工地面普查时样品抽样办法。踏查方法及样品分离技术等按国家林业局制定的松材线虫病检疫技术操作办法执行。1.2 本办法适用于松材线虫病未发生区及发生区内新发生疫情的林业小班。1.3 松材线虫病抽样植物为松属植物。2抽样对象的选择2.1 抽样对象为普查时发现的能排除其它死亡原因(如人畜破坏、森林火灾、水渍、其它病虫危害)并表现出以下松材线虫病典型外部症状的可疑松树:针叶变为黄绿、黄褐、红褐色,整株萎焉枯死或部分枝条萎焉、枯死,针叶当年不脱落;树干部有天牛侵入刻槽;树脂分泌减少,甚至停止,材质干枯;树

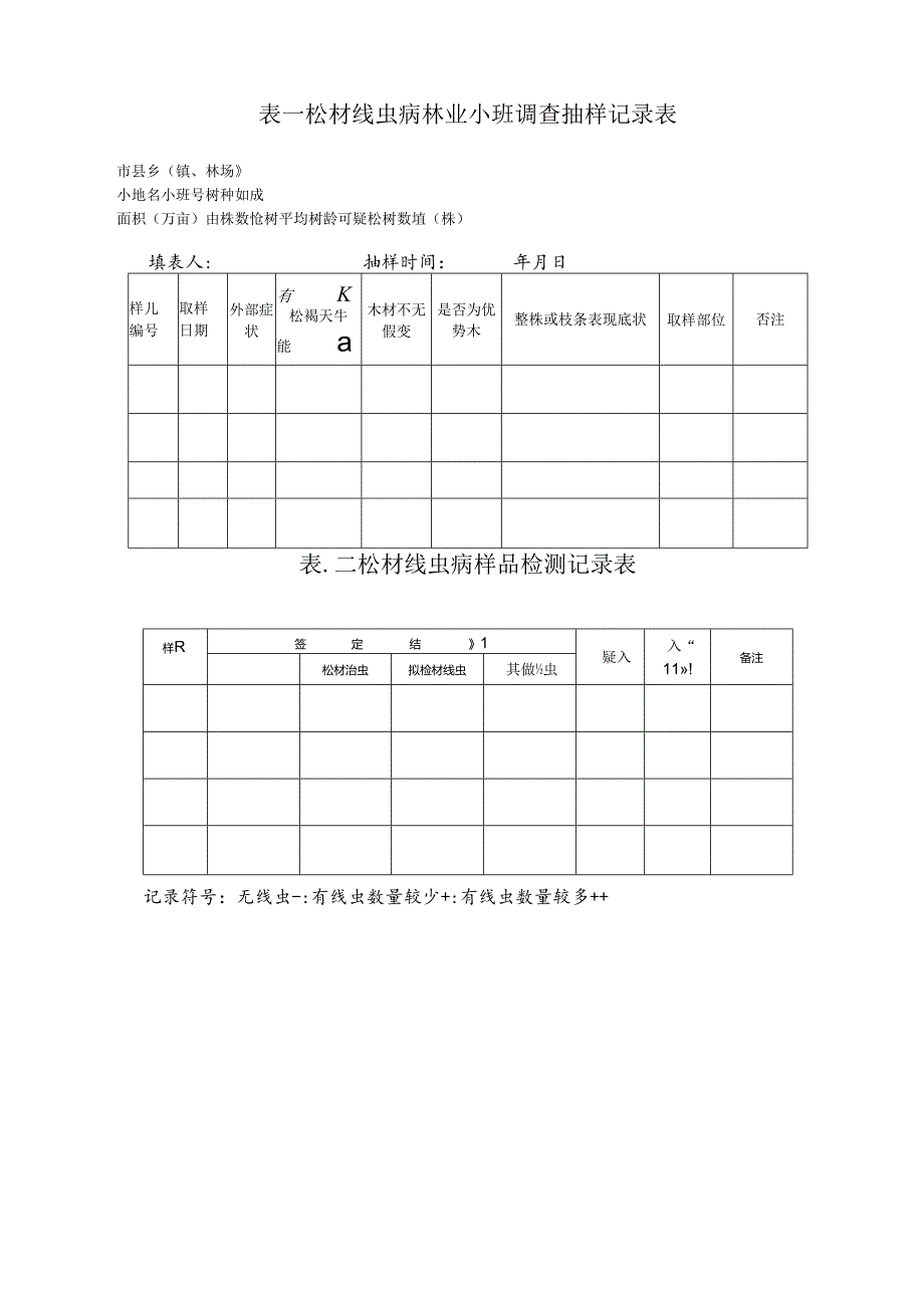
2、木木质部有蓝变现象。2.2 抽样时可考虑以下因素:2.2.1松材线虫病发病高峰期一般在610月,从染病至死亡约60天。2.2.2在林分中一般是优势木先发病。2.2.3由于潜伏侵染及抗性差异等原因,一些种类的松树仅部分枝条表现感病外部症状。这种症状在混交林中表现的尤其明显。2.2.4抽取样品时要及时和重点抽取尚未完全枯死或刚枯死不久的优势木(针叶呈黄绿或黄褐色,尚未完全枯萎,树皮尚未脱落,材质尚未腐朽3抽样数量3.1 以林业小班为单位,具有典型症状的10株以下全部取样;10株以上先抽取10株,再选取其余数量的1-5队3.2 抽样时现场填写松材线虫病林业小班调查抽样记录表(见表一)。4取样方法4.

3、1 在树干下部(胸高处)、中部(上、下部之间)、上部(主侧枝交界处)三个部位取样。4.2 取样时可锯IO-20厘米长的木段;或剥净树皮和外围木质部砍取100-200克木片;或用手摇钻从木质部至镂心钻取同样重量木屑。4.3 所取的样品要及时贴上标签。4.4 的保存取回的样品应及时分离鉴定,若需要保存时可采用以下方法:将样品装入塑料袋内,扎紧袋口,在袋上扎几个小孔,放入4oC冰箱。若需保存时间较长,要经常在样品上喷水。4.5 检测6.1 样品分离检测技术按照中华人民共和国林业行业标准松材线虫病检疫技术(1.Y/T1123-93)中的有关规定进行。6.2 将鉴定结果认真填入松材线虫病样品检测记录表(

4、见表二)。7疫情确认7.1 新发生省的疫情确认,必须经过国家林业局指定的专家检测和认定;已发生省(区、市)新发生县(区、市)的确认,由省级林业主管部门指定专家检测和认定。7.2 对于有典型症状的样株,没有分离出松材线虫的,必须于次年跟踪取样检测,直至查明树木死亡原因。表一松材线虫病林业小班调查抽样记录表市县乡(镇、林场小地名小班号树种如成面枳(万亩)由株数怆树平均树龄可疑松树数埴(株)填表人:抽样时间:年月日样儿编号取样日期外部症状有K松褐天牛能a木材不无假变是否为优势木整株或枝条表现底状取样部位否注表.二松材线虫病样品检测记录表样R签定结1疑入入“11!备注松材治虫拟检材线虫其做虫记录符号:无线虫-:有线虫数量较少+:有线虫数量较多+

展开阅读全文
相关资源
猜你喜欢
相关搜索

当前位置:首页 > 研究报告 > 统计年鉴/数据分析

copyright@ 2008-2023 1wenmi网站版权所有

经营许可证编号:宁ICP备2022001189号-1

本站为文档C2C交易模式,即用户上传的文档直接被用户下载,本站只是中间服务平台,本站所有文档下载所得的收益归上传人(含作者)所有。第壹文秘仅提供信息存储空间,仅对用户上传内容的表现方式做保护处理,对上载内容本身不做任何修改或编辑。若文档所含内容侵犯了您的版权或隐私,请立即通知第壹文秘网,我们立即给予删除!