使用CXA1691制作HX218收音机.docx

上传人:p** 文档编号:1201939 上传时间:2024-11-24 格式:DOCX 页数:11 大小:246.65KB
下载 相关 举报
使用CXA1691制作HX218收音机.docx_第1页
第1页 / 共11页
使用CXA1691制作HX218收音机.docx_第2页
第2页 / 共11页
使用CXA1691制作HX218收音机.docx_第3页
第3页 / 共11页
使用CXA1691制作HX218收音机.docx_第4页
第4页 / 共11页
使用CXA1691制作HX218收音机.docx_第5页
第5页 / 共11页
使用CXA1691制作HX218收音机.docx_第6页
第6页 / 共11页
使用CXA1691制作HX218收音机.docx_第7页
第7页 / 共11页
使用CXA1691制作HX218收音机.docx_第8页
第8页 / 共11页
使用CXA1691制作HX218收音机.docx_第9页
第9页 / 共11页
使用CXA1691制作HX218收音机.docx_第10页
第10页 / 共11页
亲,该文档总共11页,到这儿已超出免费预览范围,如果喜欢就下载吧!
资源描述

《使用CXA1691制作HX218收音机.docx》由会员分享,可在线阅读,更多相关《使用CXA1691制作HX218收音机.docx(11页珍藏版)》请在第壹文秘上搜索。

1、HX218集成电路收音机安装与调试仅用于教学1.概述一、实训目的:I,学习收音机的装配与调试.2、提高对整机电路图与电路板图的识读实力。3、驾驭收音机生产工艺流程,提高焊接与装配工艺水平。4、通过收音机组装、调试、检修,使学生提高故障分析实力和动手实力,为更高端的家用电子产品修理打下坚实的理论和实践基础。二、实训内容,1、HX218集成电路收音机电路原理分析。2.收音机元器件识别与测量“3.电路图与印制电路板的对应.4 .驾驭印制电路板的组装及焊接工艺5 .进行AM、FM中频、覆盖的调试及统调和整机测试。6 .收音机电路工作点的测量。7.故障推断及解除。三、实训基本要求;1、会识别、检测元器件

2、并判别其质量2,能独立识读电路图和印制板图并完成各测试点的测眠与整机安装。3、会解除在调试与装配过程中可能出现的问题与故障。4,所制作的产品电渊性能指标应能满遨三级机水平(国标),详细如卜丁接收频率范困:M53516()5KHZFM871()8MHZ接收灵敏度:AM达国家C类标准FM优丁FV级输出功率大于100mW供电电源:DC3V 2 .收音机的基本工作原理1、收音机的电路结构种类有许多,早期生产的收音机多为分立元件电路,目前施本上都采纳了大规模集成电路为核心的电路(本机电路采纳日本索尼公司生产的调频调幅专用集成电路CX1691M,国产型号为CD1691M)。集成电路收音机的特点是;结构比较

3、简洁,性能指标优越,体积小等优点AM,FM型的收音机电路可用如图I所示的方框图来表示。收音机通过调谐网路选出所需的电台,送到变振器与本机振荡电路送出的本振信号进行混频,然后选出差频作为中频输出(我国规定的AM中频为465KHZ,FM中频为I0.7MHZ),中频信号经过检波器检波后输出调制信号(低频信号),调制信号(低频信号)经低频放大、功率放大后获得足够的电流和电压,即功率,再推动喇叭发出洪亮的声音。图1HX218AM/FM收音机电路方框图2,本实训中采纳的收音机是一种50型的AM/FM二波段的收音机,此收音机电路主要由大规模集成电路CXA1.691M(CDI69IM)组成。由于集成电路内部不

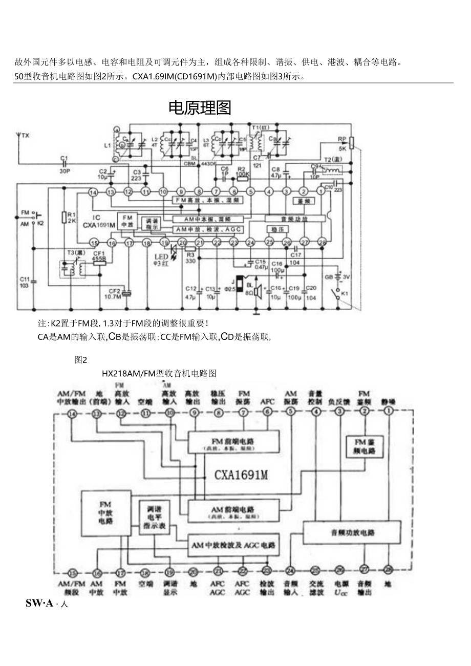
4、便制作电感、电容和大电阻以及可调元件,故外国元件多以电感、电容和电阻及可调元件为主,组成各种限制、谐振、供电、港波、耦合等电路。50型收音机电路图如图2所示。CXA1.69IM(CD1691M)内部电路图如图3所示。电原理图注:K2置于FM段,1.3对于FM段的调整很重要!CA是AM的输入联,Cb是振荡联;CC是FM输入联,Cd是振荡联,图2HX218AM/FM型收音机电路图SWA人图3CX1691M(CD1691M)内部方框图下面分别介绍收音机电路各功能块电路的作用.(1)输入调谐(即选台)与变频由于同时间内广播电台许多,收音机天线接收到的不仅仅是个电台的信号,是N个电台的信号,由于各个电台

5、放射的载波频率均不相同,收音机的选频同路通过调谐,变更自身的振荡频率,当振荡频率与某电台的栽波频率相同时,即可选中该电台的无线信号,从而完成选台。(串联谐振原理)由于我们采纳的是超外差式收音,选出的信号并不马上送到检波级,而是要进行频率的变换(即变频,目的是让收音机整个频段内的电台放大量基本样,因为频率稳定放大倍数也就相对稳定)。利用本机振荡产生的频率与外来接收到的信号进行混频,选出差频,即获得固定的中频信号(AM的中演为465KHz,FM的中频为10.7MHZ)图2所示收音机电路中,这部分电路有四个1.C调谐回路,带箭头用虚线连在一起的是一只四联可变电容器CBM-443DF,其中C与1.1.

6、并联是调幅波段的输入回路(选台回路)、CB与T1.相联的是调幅波段本机振荡电路,C7(120P)是一只垫振电容,把本振频率垫高,使本振电路频率比输入回路频率高465KHZ,Cc与1.2并联的是调领波段的输入网路(选台同路3CD与1.3并联为1.;M(调频)波段本振回路,和可变电容并联的分别是与它们适配的微调电容,用作统调。K2是波段开关,与集成电路“15”脚内部的电子开关协作完成波段转换,开关闭合是低电平为调用波段,开关断开是高电平为调频波段。以上元件与集成电路(IC)内部有美电路起构成调谐和本机振荡电路,变猱功能基本由IC内部完成“(2)中频放大与检波作用:招选台、变频后的中频调制信号(调幅

7、为465KHZ,调频为10.7M)送入中频放大电路进行中频放大,然后再进行解调,取出低频调制信号,即所须要的音频信号。在图2电路中,中频放大电路的特征是具有“中周(中频变乐器)”调谐电路或中频陶兖滤波器,IC内部变频电路送出的中频信号从“14”脚输出,10.dHZ的调频中频信号经三端陶究/波器C1.选出送往IC的“17”脚,465kHz的调幅中频信号经RI和T3中周,再经过CF三端陶瓷浦波器选出送往IC的“16”脚,中频信号进入IC内部进行放大并检波,从“23”脚输出音频信号。鉴频(调频枪波)和调幅检波电路都在IC内部。IC的“23-24”脚之间的电容Ci5是检波后得到的音频信号耦合到音频功率

8、放大输入端的耦介电容(通交隔直,让沟通的音频信号通过,直流重量隔离),“2”脚外接的C9和T2是外接FM鉴频网络.(3)低频放大与功率放大作用:解调后得到的音频信号经低频和功率放大电路放大后送到扬声落或耳机,完成电声转换。图2电路中IC的“1”、“3”、“4”、“2428”脚内部都是低频放大电路。“1”脚为静噪灌波,接有电容G(I0.022UF),“3”脚所接电容CX4.7UF)为功率放大电路的负反馈电容,“4”脚为直潦音用限制端(变更引脚电位来变更内部差动放大器的放大倍数),外接音量限制电位器中心抽头。IC的“25”脚接的C18(IOUF)是功率放大电路的自举电容,以提高OT1.功放电路的输

9、出动态范围,“26”脚为功放电路供电端,外接Ci9(100UF)和。7(OJUF)分别为电源的低频滤波和高频滤波电容。音频信号经“24”脚输入到IC中进行功率放大,放大后的音频信号从“27”脚输出,经。6(1001)耦合送到扬声器或耳机发声,C2(0.IUF)是一只富频港波电容,防止高频成分送入扬声器。(4)电源及其他电路本机的电源部分包括有两节1.5V电池、“26”脚外围的低频滤波电容Cie(100UF)Ci7(0.1UF)电源高频渔波电容,“8”脚外围的低频去耦源波电容C2(10U),电源高频波波电容C3(0.22UF)及由音量电位器连动的电源开关K,R3和1.ED构成电源指示电路.“21

10、”脚外围的C12(4.7UF),“22”脚外圉的Ci3(IOUF)是自动增益限制(AGC)电路渔波电容.此外,为了防止各部分电路的相互干扰,IC内部各部分的电路都单独接地,并通过多个引脚与外电路的地相接,如“13”脚是前置电路地,“28”脚是功放电路地。(5)天线接收部分CXAI691M(CDI691M)内部还设有调谐高放电路,目的是提高灵敏度.拉杆天线收到的调频电磁波由CI耦合进入“12”脚调频I;M高放输入,再进行混频。调幅部分则由天线磁棒汇聚接收电磁波,经1.1.的次级线园进入变频电路。 3 3.收音机电路板的装配1、收音机元件清单:序号材料名称型号,规格位号数量I集成块CXA169IB

11、MICI块2发光二极管山3红1.EDI支3三端陶瓷波波涔455BCF1.1支4三端陶谎波波罂I0.7MHZCF21支5中波振荡变压器红色(中振)T1.I支6中波中频变压器黑色(465)T3I支7调频中频滤波器绿色10.7MHZT21只8段桥级圈55135mm1.1.I套9调频天线线圈6X4圈1.2I支I0调频振荡线圈G3X6圈1.31支I1.碳膜电阻330R31支I2碳膜电阻2K.100KRKR2各I支I3电位器5KRP(KI)1支I4究片电容IP、IOPC6、C9各1支I5瓷片电容I5P、I8PC4、C5各1支I6费片电容30P、121C1.,C7各I支I7瓷片电容103C1.1.1支I8观

12、片电容223或203C3、C1.O2支I9兖片电容104C1.7、C202支2O电解电容0.47UFCI5I支2I电解电容4.7UFC8、C122支22电解电容IOUFC2、CI3、C183支2电解电容100UFC1.6、CI92支324四联电容器CBM-443DFS1.I支52扬声器巾58IttnB1.1个62波段开关K21支72拉杆天线TX一根82耳机插座2.511un1个92印刷电路板1块O3刻度盘1块13图纸装配说明书1份23连体簧、负极片、正极片3件1套33连接带线电池喇叭天线、J6根43平机螺丝巾2.5X54粒53白攻螺丝25I粒63平机螺丝1.65281粒73焊片、螺母2.52.

13、0各I个83前后盖、大小拨盘、磁棒支架I套2、收音机的装配电路板元件的插件图如图4。印刷电路板的装配是整机质量的美健.装配质量:的好坏对收音机的性能有很大的影响。因此印制电路板装配总的要求是:元器件在装配前务必检查其质量好坏,确保元叁件是正常能运用的I装插位置务必正确,不能有插错,漏插I饵点要光滑、无虚焊、假饵和连焊.(1)元器件的装插焊接:应遵循先小后大,先轻后至,先低后高,先外国再集成电路的原则。我这里还介绍一种方法就是:以集成电路为中心,从“1一28”脚外围电路元件依次一一清理的方法进行装配,这样有利于电路熟识和装配顺当进行。(2)在介电容、电解电容及三极管等元件立式安装:引线不能太长,

14、否则会降低元器件的税定性,而且简洁短路,也会导致分布参数受到影响而影响整机效果:但也不能过短,以免焊接时因过热损坏元器件。一般要求距离电路板面2mm,并且要用意电解电容的正负极性,不能插错,(3)可调电容器(四联)的装插:六脚应插到位,不要插反(中心抽头多一个引脚的一面为调嫉部分可变电容),应当先上螺钉再进行焊接。(4)音量开关电位器的安装:首先用铜卸钉固定两边开关脚,然后再进行焊接。使电位器与线路板平行,在焊电位器的三个焊接片时,应在短时间内完成,否则易焊坏电位器的动触片、从而造成音室电位器不起作用而失调或接触不良。(5)集成电路的饵接:CD1691M为双列28脚扁平式封装,焊接时首先要弄清引线脚的排列依次,并与线路板上的焊盘引脚对准,核对无误后,先焊接1、15脚用于固定IC,然后再觉夏检确认后再焊接其余脚位。由于IC引线脚较密,焊接完后要检杳有无虚焊,连焊等现象,确保焊接质量,否则会有损坏IC的危急。图4印刷电路板图4.收音机电路板的调整1、收音机电路板的调整原理收音机的调整是收音机实训的其中个重要内容.有些同学焊接完,就以为大功告成,特殊是有些同学还能收到

展开阅读全文
相关资源
猜你喜欢
相关搜索

当前位置:首页 > IT计算机 > 计算机硬件与维护

copyright@ 2008-2023 1wenmi网站版权所有

经营许可证编号:宁ICP备2022001189号-1

本站为文档C2C交易模式,即用户上传的文档直接被用户下载,本站只是中间服务平台,本站所有文档下载所得的收益归上传人(含作者)所有。第壹文秘仅提供信息存储空间,仅对用户上传内容的表现方式做保护处理,对上载内容本身不做任何修改或编辑。若文档所含内容侵犯了您的版权或隐私,请立即通知第壹文秘网,我们立即给予删除!