停车场各种设计参数和尺寸.docx

上传人:p** 文档编号:1207223 上传时间:2024-11-24 格式:DOCX 页数:6 大小:18.04KB
下载 相关 举报
停车场各种设计参数和尺寸.docx_第1页
第1页 / 共6页
停车场各种设计参数和尺寸.docx_第2页
第2页 / 共6页
停车场各种设计参数和尺寸.docx_第3页
第3页 / 共6页
停车场各种设计参数和尺寸.docx_第4页
第4页 / 共6页
停车场各种设计参数和尺寸.docx_第5页
第5页 / 共6页
停车场各种设计参数和尺寸.docx_第6页
第6页 / 共6页
亲,该文档总共6页,全部预览完了,如果喜欢就下载吧!
资源描述

《停车场各种设计参数和尺寸.docx》由会员分享,可在线阅读,更多相关《停车场各种设计参数和尺寸.docx(6页珍藏版)》请在第壹文秘上搜索。

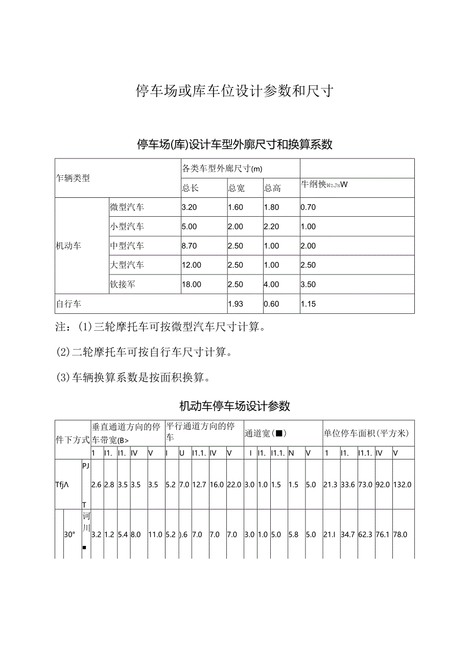
1、停车场或库车位设计参数和尺寸停车场(库)设计车型外廓尺寸和换算系数乍辆类型各类车型外廊尺寸(m)总长总宽总高牛纲怏WzJnW机动车微型汽车3.201.601.800.70小型汽车5.002.002.201.00中型汽车8.702.501.002.00大型汽车12.002.501.002.50钦接军18.002.504.003.50自行车1.930.601.15注:(1)三轮摩托车可按微型汽车尺寸计算。(2)二轮摩托车可按自行车尺寸计算。(3)车辆换算系数是按面积换算。机动车停车场设计参数件下方式垂直通道方向的停车带宽(B平行通道方向的停车带长加)通道宽()单位停车面枳(平方米)1I1.I1.1

2、.IVVIUI1.1.IVVII1.I1.1.NV1I1.I1.1.IVVTfjPJT2.62.83.53.53.55.27.012.716.022.03.01.01.51.55.021.333.673.092.0132.030诃川T3.21.25.48.011.05.2).67.07.07.03.01.05.05.85.021.I34.762.376.178.015-T3.95.28.】10.-1M.73.71.01.91.91.93.01.06.05.87.020.028.851.I67.589.260。PJ三T-1.35.J9.312.117.33.C上21.O1.01.01.f1.5.

3、0S.09.510.01H.926.953.267.IS9.260。V1.:且11.35.!J9.312.117.33.01.21.01.01.03.51.56.S7.38.0M226.150.262.985.2垂直式:1.26.C9.713.019.02.62.83.53.53.56.C9.510.013.019.018.730.151.568.399.8*,V1.世-V1.26.9.713.019.02.62.83.53.53.54.25.09.713.019.016.I25.250.868.399.8注:表中1类指微型汽车,11类指小型汽车,11I类指中型汽车,N类指大型汽车,V类指纹接

4、车。车辆纵横向净臣顼目微型汽车和小型汽车大中型汽车和校接车车间纵向净距2.004.00车背对停车时车间尾距1.001.00车间横向净距1.001.00车与围墙、护栏及其他构筑物之间纵0.500.50横1.001.00注:多层车库和地下车库的净距按国家标准GBJ67-84汽车库设计防火规范表的规定执行停车场通道的最小平曲线半径车辆类型车辆类型最小平曲线半径(m)绞接车13.00大型汽车13.00中型汽车10.50小型汽车7.OO微型汽车7.00停车场通道最大纵坡度(%)车辆类型通道形式直线曲线校接车6大型汽车108中型汽车1210小型汽车1512微型汽车1512自行车停车场主要设计指标停车方式停

5、车带宽(m)乍辆横向间距(m)过道宽度(m)总位停车面积(平方米)单排双排单排双排单排,侧停车单排两停车双排一他停车双排两侧停车斜列式301.001.600.501.202.02.202.002.001.80451.402.260.501.202.01.841.701.651.51601.702.770.501.502.61.851.731.671.55垂直式2.003.200.601.502.62.IO1.981.861.74旅馆机动车停车位指标城市类型停车位指标(车位/客房)第一类旅馆其次类旅馆大城市0.200.08中等城市0.180.06注:第一类以接待外国人、港澳同胞和华侨为主。其次类

6、接待国内旅客。饮食店停车位指标项目机动车自行车停车位指标(车位/100平方米营业面积)1.703.60办公楼停车位指标顼目停车车位(车位/100平方米建筑面积)机动车自行车一类0.400.40二类0.252.00注:1.一类:中心、省级机关、外贸机构及外国驻华办事机构。2.二类:其他机构。商业场所停车位指标项目机动车自行车停车位指标(车位/100平方米营业面积)0.307.50注:以接待外国人、港澳同胞和华侨为主的商业场所机动车停车位指标应适当增加。住宅停车位指标类别停车位指标(车位/户)机动车自行车一类D.50二类1.00注:一类:国内高级住宅以及外国人、华侨、港澳同胞等运用的住宅。二类:一般住宅。

展开阅读全文
相关资源
猜你喜欢
相关搜索

当前位置:首页 > IT计算机 > 数据结构与算法

copyright@ 2008-2023 1wenmi网站版权所有

经营许可证编号:宁ICP备2022001189号-1

本站为文档C2C交易模式,即用户上传的文档直接被用户下载,本站只是中间服务平台,本站所有文档下载所得的收益归上传人(含作者)所有。第壹文秘仅提供信息存储空间,仅对用户上传内容的表现方式做保护处理,对上载内容本身不做任何修改或编辑。若文档所含内容侵犯了您的版权或隐私,请立即通知第壹文秘网,我们立即给予删除!