槽架沿墙安装工艺标准.docx

上传人:p** 文档编号:246000 上传时间:2023-04-19 格式:DOCX 页数:3 大小:64.64KB
下载 相关 举报
槽架沿墙安装工艺标准.docx_第1页
第1页 / 共3页
槽架沿墙安装工艺标准.docx_第2页
第2页 / 共3页
槽架沿墙安装工艺标准.docx_第3页
第3页 / 共3页
亲,该文档总共3页,全部预览完了,如果喜欢就下载吧!
资源描述

《槽架沿墙安装工艺标准.docx》由会员分享,可在线阅读,更多相关《槽架沿墙安装工艺标准.docx(3页珍藏版)》请在第壹文秘上搜索。

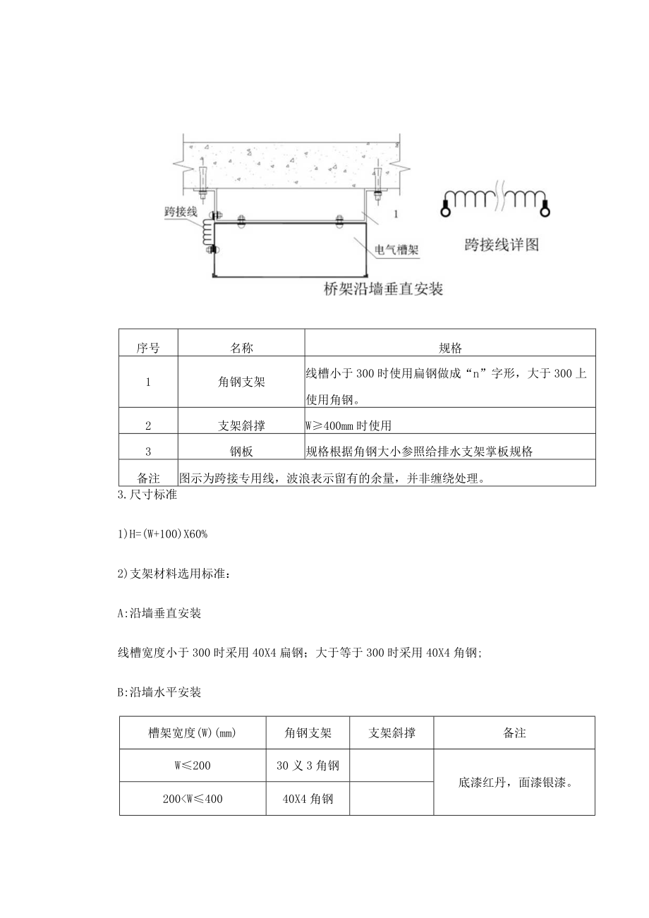
槽架沿墙安装工艺标准L适用范围槽架沿墙安装工艺。2.大样图槽架沿墙水平安装槽架沿墙垂直安装序号名称规格1角钢支架线槽小于300时使用扁钢做成“n”字形,大于300上使用角钢。2支架斜撑W400mm时使用3钢板规格根据角钢大小参照给排水支架掌板规格备注图示为跨接专用线,波浪表示留有的余量,并非缠绕处理。3.尺寸标准1)H=(W+100)X60%2)支架材料选用标准:A:沿墙垂直安装线槽宽度小于300时采用40X4扁钢;大于等于300时采用40X4角钢;B:沿墙水平安装槽架宽度(W)(mm)角钢支架支架斜撑备注W20030义3角钢底漆红丹,面漆银漆。20040030X3角钢40060050X5角钢注:当22条槽架共用一吊架时,槽架的宽度为w=Wi+w2wn(n-l)50mmo4.工艺核心要义叙述同一垂直通道内槽架安装形式应一致。

展开阅读全文
相关资源
猜你喜欢
相关搜索

当前位置:首页 > 建筑/环境 > 电气安装工程

copyright@ 2008-2023 1wenmi网站版权所有

经营许可证编号:宁ICP备2022001189号-1

本站为文档C2C交易模式,即用户上传的文档直接被用户下载,本站只是中间服务平台,本站所有文档下载所得的收益归上传人(含作者)所有。第壹文秘仅提供信息存储空间,仅对用户上传内容的表现方式做保护处理,对上载内容本身不做任何修改或编辑。若文档所含内容侵犯了您的版权或隐私,请立即通知第壹文秘网,我们立即给予删除!