Loading... -- 稻壳阅读器(99).docx

上传人:p** 文档编号:1208635 上传时间:2024-11-24 格式:DOCX 页数:4 大小:80.04KB
下载 相关 举报
Loading... -- 稻壳阅读器(99).docx_第1页
第1页 / 共4页
Loading... -- 稻壳阅读器(99).docx_第2页
第2页 / 共4页
Loading... -- 稻壳阅读器(99).docx_第3页
第3页 / 共4页
Loading... -- 稻壳阅读器(99).docx_第4页
第4页 / 共4页
亲,该文档总共4页,全部预览完了,如果喜欢就下载吧!
资源描述

《Loading... -- 稻壳阅读器(99).docx》由会员分享,可在线阅读,更多相关《Loading... -- 稻壳阅读器(99).docx(4页珍藏版)》请在第壹文秘上搜索。

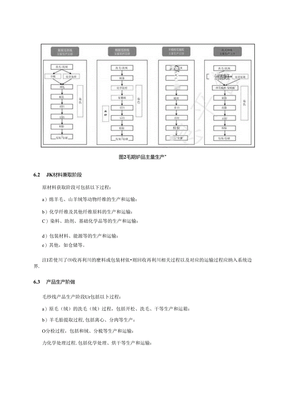
1、ICS13MK)CCSW07团体标准T/CNTAC203-2024T/CWTA1-2024产品碳足迹产品种类规则毛纱线CarbonfootprintOfproduct-Productcategoryru1.cs-Woo1.yarn2024-04-15发布2024-05-01实施中国合会中国毛缴R行业协会发布D生产者和以据信息:可依据毛纱线产品使用说明标注的生产者信息、产品的订取能号等信息,以实现产品追溯:g)生产时间信息I应包括毛妙妙产品的生产起始时间和结束时间.例如.声明单位为Ik1.ii纱战生产起始时间为原料获取,结束时间为毛纱浅包装完成,6系统边界设定6.1 产品*系嬉边界毛纱级为中间产

2、品,终端消费品.本文件界定的毛纱线产品碳足迹系统边界为政材料获取阶段、产品生产阶段,如图1所示.粗梳E纱浅,精梳Ii纱找.半精捺纱找、花式纱找产品的主要生产工序见图2.XiH1.HfitMn1毛产品破足累则界示意8BCJ1.*1.-A图2毛期炉品主量生产6.2 JK材料兼取阶段原材料获取阶段可包括以下过程:a)绵羊毛、山羊绒等动物纤维的生产和运输:b)化学纤维及其他纤维原料的生产和运输:C)染料、助剂、基础化学品等的生产和运输:d)包装材料、能源等的生产和运输:e)其他,如仓储等。注I若使川了收再利川的麽料或包装材依则回收再利川相关过程以及对应的运输过程应纳入系统边界.6.3 产品生产阶做毛纱线产品生产阶段Ur包括以卜过程:a)原毛(绒)的洗毛(绒)过程,包括开松、洗毛、干等生产和运箱:b)羊毛胎提取过程,包括离心、分肉等生产:O分检过程,包括和绒、分梳等生产和运输:力化学处理过程.包括化学处理、烘干等生产和运输:e)制条过程,包括和毛、皱毛、针梳、精梳等生产和运输:0染色过程,包括染色、酸水、煨干等生产和运输:g纺纱过程,包括纤维梳理成条、细纱、络筒、并线、加挖、蒸纱、检脸等生产和运输:

展开阅读全文
相关资源
猜你喜欢
相关搜索

当前位置:首页 > 行业资料 > 日用品

copyright@ 2008-2023 1wenmi网站版权所有

经营许可证编号:宁ICP备2022001189号-1

本站为文档C2C交易模式,即用户上传的文档直接被用户下载,本站只是中间服务平台,本站所有文档下载所得的收益归上传人(含作者)所有。第壹文秘仅提供信息存储空间,仅对用户上传内容的表现方式做保护处理,对上载内容本身不做任何修改或编辑。若文档所含内容侵犯了您的版权或隐私,请立即通知第壹文秘网,我们立即给予删除!