人货梯方案...docx

上传人:p** 文档编号:1212456 上传时间:2024-11-25 格式:DOCX 页数:16 大小:98.24KB
下载 相关 举报
人货梯方案...docx_第1页
第1页 / 共16页
人货梯方案...docx_第2页
第2页 / 共16页
人货梯方案...docx_第3页
第3页 / 共16页
人货梯方案...docx_第4页
第4页 / 共16页
人货梯方案...docx_第5页
第5页 / 共16页
人货梯方案...docx_第6页
第6页 / 共16页
人货梯方案...docx_第7页
第7页 / 共16页
人货梯方案...docx_第8页
第8页 / 共16页
人货梯方案...docx_第9页
第9页 / 共16页
人货梯方案...docx_第10页
第10页 / 共16页
亲,该文档总共16页,到这儿已超出免费预览范围,如果喜欢就下载吧!
资源描述

《人货梯方案...docx》由会员分享,可在线阅读,更多相关《人货梯方案...docx(16页珍藏版)》请在第壹文秘上搜索。

1、第一章编制依据一一-其次章工程概况2第三章基础设计及要求3-、设省概述3二、基S1.r设计3三、基础的确定5四、基础的验收要求6第四章安装锚固方案6-*、前期打算6二、施工升降机的安装7二、技术要求一-一7第五章施工升降机的拆卸8第六章平安要求及措施8第七章计算书及相关图纸9一、计算书-二、节点图-第一章编制依据1、施工升降机GB/T100S4-20052、施工升降机平安规则GB1005S-273、4建筑地基基础设计规范GB507-20114、6混凝土结构设计规范GB50010-20105、6建筑施工平安检杳标准BJGJ59-20116、万州绿地中心广场3#地块项目设计图纸7、苏州绿地中心广场

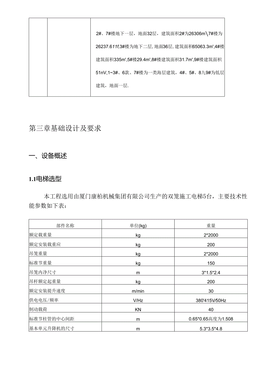
2、3#地块程施工组织设计第二章工程概况1、工程基本状况1工程名称苏州绿地中心广场三号地块项目2工程地址苏州市科技城龙山路与科发路交叉口3建设单位绿地集团苏州向新巴业有限公司4设计单位上海IE轶建筑设计有限公司5勘察单位江苏省地质工程有限公司6建筑功能地下室为库房、停车场,商铺,地面楼层为商业用房、住宅7建筑面积及规模总建筑面积:约199983.08m.其中地上建筑面积161690.38m,地下建筑面积38292.7m。层数及单体建筑面积:地下车库为地下二层,建筑面积为34367.8m,;1#楼、6#楼为地卜一层,地面33层,建筑面积1的为23611m6#楼为24149.7Itf;2#、7#楼地下

3、一层,地面32层,建筑面积2#为26306m7#楼为26237.611f,3#楼为地下二层,地面36层,建筑面积65063.3m,4#楼建筑面积335m,5#楼29.4m,8#楼建筑面枳31.7m,9#楼建筑面枳51nV,13#、6款、7#楼为一类海层建筑,4#、5#、8九9#为低层建筑,地面一层.第三章基础设计及要求一、设备概述1.1电梯选型本工程选用由厦门康柏机械集团有限公司生产的双笼施工电梯5台,主要技术性能参数如下表:部件名称单位(kg)重量额定载重量kg2*2000额定安装载重应kg200吊笼重量kg2*2000标准节重量kg150吊笼内净尺寸m3*1.5*2.4吊杆额定起重量kg2

4、00额定安装提升速度m/min30供电电压/频率V/Hz380415V50Hz制动载荷KN40标准节柱管的中心间距m0.65*0.65高度为1.508基本单元升降机的尺寸m5.3*3.5*4.81.2工作原理SC200/200E施工升降机是单导架、双笼、齿轮条式升降机,吊笼分左右两个,被提升的人员及物料乘放于吊笼内,吊笼各自都有平衡重,平衡重布置在导航架的前后两侧,吊笼和平衡重通过绕过天轮的钢丝绳连结起来。吊笼内各装有一套聊动机构。琳动机构上的齿轮与固定于导轨架上的齿条在电力驱动下作啮合运动,从而使吊笼沿导轨架上下运动,达到输送物料及人员的目的。1.3 主要部件的结构及功能吊笼吊笼是升降机的核

5、心部件,是运输物料和人员的承力结构,通过驱动装置使之沿导凯作上、下运动吊笼为一焊接钢结构体,它是槽钢和角钢焊成的吊笼闿架,四周用铁丝网用包。人和物料从单行门进入吊笼内,单行门与平衡锤相连,可停留在打开的任何位置.人和物料从双行门离开吊茏到达建筑物,开门时门扇向上卜.分开。雎、双行门都是靠人力打开和关闭。笼外侧有司机室,内有操纵台、座椅等。滚轮在吊笼运行时沿导轨架滚动。笼顶面有安装导轨架用的电动吊杆,平衡电钢丝绳吊点及电缆架。导轨架及支撑系统导轨架是吊笼的支承和导向部件,它是由标准节通过螺栓联接而成的.支撑系统(即附墙架)用来连接导轨架与建筑物,削减导轨架的自由长度,保证导轨架的稳定性,并通过它

6、可调整导轨架的垂直度。支撑系统主要由支掠架、导柱、过桥梁、角柱、斜探杆、后支撑架等组成。前支撑架与导凯架固结在一起,后支撵架固定于建筑物上,前后支撑架通过导柱连接在一起。1.4 电梯布设布设a、外用电梯导轨架中心距建筑物棚固定点平面距离为2900320OmnUb、电梯平行于外墙轴戏。c、电梯附培拉结须在钢筋混凝土外墙上,不得干脆附着于外脚手架上或其它支撑上。d、布设电梯时,须考虑塔吊的拆卸。因为,一般状况下,塔吊都在施工电梯前拆除,所以布设电梯时避开塔吊的大臂,不得影响拆除塔吊。布设位置楼号人货梯编号安装高度(出土0.00Om)建筑高度便楼1#106m104.3m2#楼2#103m101.3m

7、3#楼3年149m147.3m6#楼6#106m104.3m7#楼7#103m101.3m本工程拟布设5台电梯,1#人加梯放设停楼南立面22-27轴,2#人宽梯放置加房南立面25-30轴,3#房西立面A-B轴,64人货梯放置68房北立面21-26轴,7#人货梯放置7*房北立面25-30轴,具体位置详见施工平面布置图。电梯与建筑物连接电梯吊笼与结构之间采纳架子管进行搭设平台,与外架同步六层一-挑,平台上满铺木脚手板,并与架子平台绑坚固定,平台两侧须设1.2米高的防护栏,并设挡脚板,楼面上须设置平安防护门。安装第套附着架其距地而为6m起先,其余相邻附着架之间的垂宜距离不应超过9m。1 .4.4电悌

8、安装、拆除时间支配主体工程到卜层时起先安装,大约为2015年6月中旬起先接连安装。安装高度随楼层高度上升。外墙及室内装修基本完成时,约在2016年9月下旬左右起先拆除。依据“尚层建筑译工手册中施工电梯的基础的构造做法,结合夙门康柏机械集团有限公司供应的运用说明书中的SC200/200E型双笼施工电梯的基的技术,电梯基础选型如下:1、配双层加强钢筋网格,采纳12200.2、基础尺寸为4000X6000X480mm。3、基础险标号采纳C30。4、基础预埋件必需坚固固定在基础加强筋上,I司时埋好接地装置施工依次按施工平面布置确定基础位置一基础地板加固支设模板绑扎钢筋一安放预埋螺栓及电梯底盘(要求位置

9、精豳,标高和平控度符合要求)浇筑的拆模、养护。二、基础的确定1、基础厚度为480mm,配筋按厂家供应图纸施工,钢筋直径612,网格间距200mm.2、浇筑前预埋好4根M22底脚螺栓。3、基础预埋件必需坚固地固定在基础加强筋上。4 .基础平面度为1/1000,地脚螺栓中心距最大允许偏差5mm,5、回填土时必需夯实,保证强度。6、基础平面必需保证排水良好。7、制作基础时必需同时埋好接地装置。8、同时还必需符合当地有关平安法规。9、具体做法见后附图。三、基础的验收要求1、升降机基础按运用说明书中的标准要求制作安装,预埋框必需用水平仪调平并与基础钢筋连接。2、防雷接地装置的埋设与主体结构的接地装置连通

10、。3、预埋框四个基准点平整度(水平高差)1.X1000(1.为两点间的距离,单位为米)。4、基础验收资料必需经技术负货人、监理公司签字认可.5、只有当基础达到设计强度并满意设计要求后才能进行下一道工序操作,禁止运用不合格产品。第四章安装锚固方案一、前期打算1、将基咄方案做好,保证基础的水平及各项运用要求:2、保持施工升降机的进场道路通畅,并有足够的停放设备空间:3、确保安装地点满意平安检查机构所规定的要求,且已获得安装许可。安装工地应配备一个专用电源箱,供电熔断器的电流为升降机额定电流的1.52倍,升降机工作电源电压值上下波动不得超过5%:4、升降机的专用电源箱应干脆从工地变电室引入电源,距离

11、最好不超过30米,般每个吊笼需配置一根大于425mm的铜芯电缆,如距离过长,应适当增加电缆的截面积:5、专用配电箱内每一吊笼均用一开关限制,电源箱需采纳冲击波无动作型漏电爱护开关。6、用接地电阻测试仪测量升降机钢结构及电器设备金属外壳的接地电阻,不得大于4。用500兆欧表测证电动机及电器元件的对地绝缘电阻应不小T1MC:7、打算好停层附件,如支架、平安栏杆等:8、碑定附墙方案,按须要打算好预埋件或固定件,并提前在符合附墙要求的附。二、旅工升降机的安装1、把基础表面清扫干净:2、将基础底座安装在基础平台上,用水平尺检查水平,并填实基础,检查基础底座中心到附墙点的距离;3、按此依次上三个标准节:4

12、、安装吊笼:5、接通电源,对设备进行检测:6、应用小辈杆进行标准节安装:7、安装到高度后,安装各项限位,并进行调试:8.安装外笼后,对设备试运行良好后,方可投入运用。三、技术要求1 .每安装一道附墙架,应用经纬仪测量其垂直度:2、附墙架允许的最大水平偏角为10:3、齿轮和齿条的喷合侧隙应为O.2O.7mm,乔背轮和齿条背间隙为0.5mm:4、各滚轮与标准节间隙为05mm:5、每隔6m安装一道护线杆:6、安装对重时应保证对重与滑道间隙为0.5mm:7、上极限碰铁应安装在吊笼越过上平台15Omm处,卜极限磁铁应安装在吊笼满载卜行时自动停止在遇到缓冲赞100200mm处:8、必需保证极限开关触柄与上

13、下极限碰铁的距离,在极限开关断开时,触柄距碰铁0.52mm内.第五章施工升降机的拆卸升降机拆卸的方法与依次基本上是与安装时相反,故这里仅给出一些主要的操作及留意事项。1、将升降机旁边区域用栅栏围住,并设置标记“谨防坠物:2、把笼顶操纵盒移到吊笼顶上,并将笼顶操纵盒上的“加节/运行”开关持到“加节”位置,装好吊杆及平安围栏;3、聘出笼开到导轨架顶部,拆下两个限位撮块;4、卸下导轨架标准节,过道竖杆、附墙架等,用吊笼运到地面。留意吊笼顶部一次只能装相当于3节标准节的重星;5、同时,拆卜电缆导向架、撑杆等,直到只有3节标准节时,把吊笼开到缓冲器上:6、切断主电源,拆下电源电缆,松开吊笼电机的制动闸,

14、用吊车吊走出笼;7、拆下三节标准节、基础构架及缓冲器等.第六章平安要求及措施1、安装作业人员应按高空中作业的要求操作:佩戴平安帽、系平安带、穿防滑鞋:2、安装作业时,必需按额定载荷重量下进行安装,不许超毂:3、风速超过13ms时及恶劣天气下不能进行安装作业:4、安装作业时,应防止安装地点上方掉落物体,避开高空多层次作业:5、首层进料口一侧搭设2m的防护棚平安通道,通道两侧用密目网封闭,通道顶部用50厚木板防护:6、楼层上科平台处临边设1.5m高的防护栏;7、每层楼层处设平安防护门和楼层标识牌。第七章计算书及相关图纸一、计算书施工升降机计算书计算依据:1、6施工现场设施平安设计计算手册谢建民编著2.夕建筑地基基的设计规范GB507-20113、混凝土结构设计规通GB5OO1O-2O114、建筑施工扣件式钢管脚手架平安技术规范BJGJ130-20115、钢结构设计规位GB50017-236、砌体结构设计规范GB503-20117、夕建筑施工升降机安装、运用、拆卸平安技术规程(JGJ215-2010)8. S施工升降机GB10054-2005)一、参数信息1 .施工升降机基本弁数地工升降机电号SC22E小笼形式双吊笼架设总高慎(m148标准节长度(m)1.S08

展开阅读全文
相关资源
猜你喜欢
相关搜索

当前位置:首页 > 办公文档 > 解决方案

copyright@ 2008-2023 1wenmi网站版权所有

经营许可证编号:宁ICP备2022001189号-1

本站为文档C2C交易模式,即用户上传的文档直接被用户下载,本站只是中间服务平台,本站所有文档下载所得的收益归上传人(含作者)所有。第壹文秘仅提供信息存储空间,仅对用户上传内容的表现方式做保护处理,对上载内容本身不做任何修改或编辑。若文档所含内容侵犯了您的版权或隐私,请立即通知第壹文秘网,我们立即给予删除!