仓库控制程序(ISO版本).docx

上传人:p** 文档编号:1215053 上传时间:2024-11-25 格式:DOCX 页数:4 大小:33.09KB
下载 相关 举报
仓库控制程序(ISO版本).docx_第1页
第1页 / 共4页
仓库控制程序(ISO版本).docx_第2页
第2页 / 共4页
仓库控制程序(ISO版本).docx_第3页
第3页 / 共4页
仓库控制程序(ISO版本).docx_第4页
第4页 / 共4页
亲,该文档总共4页,全部预览完了,如果喜欢就下载吧!
资源描述

《仓库控制程序(ISO版本).docx》由会员分享,可在线阅读,更多相关《仓库控制程序(ISO版本).docx(4页珍藏版)》请在第壹文秘上搜索。

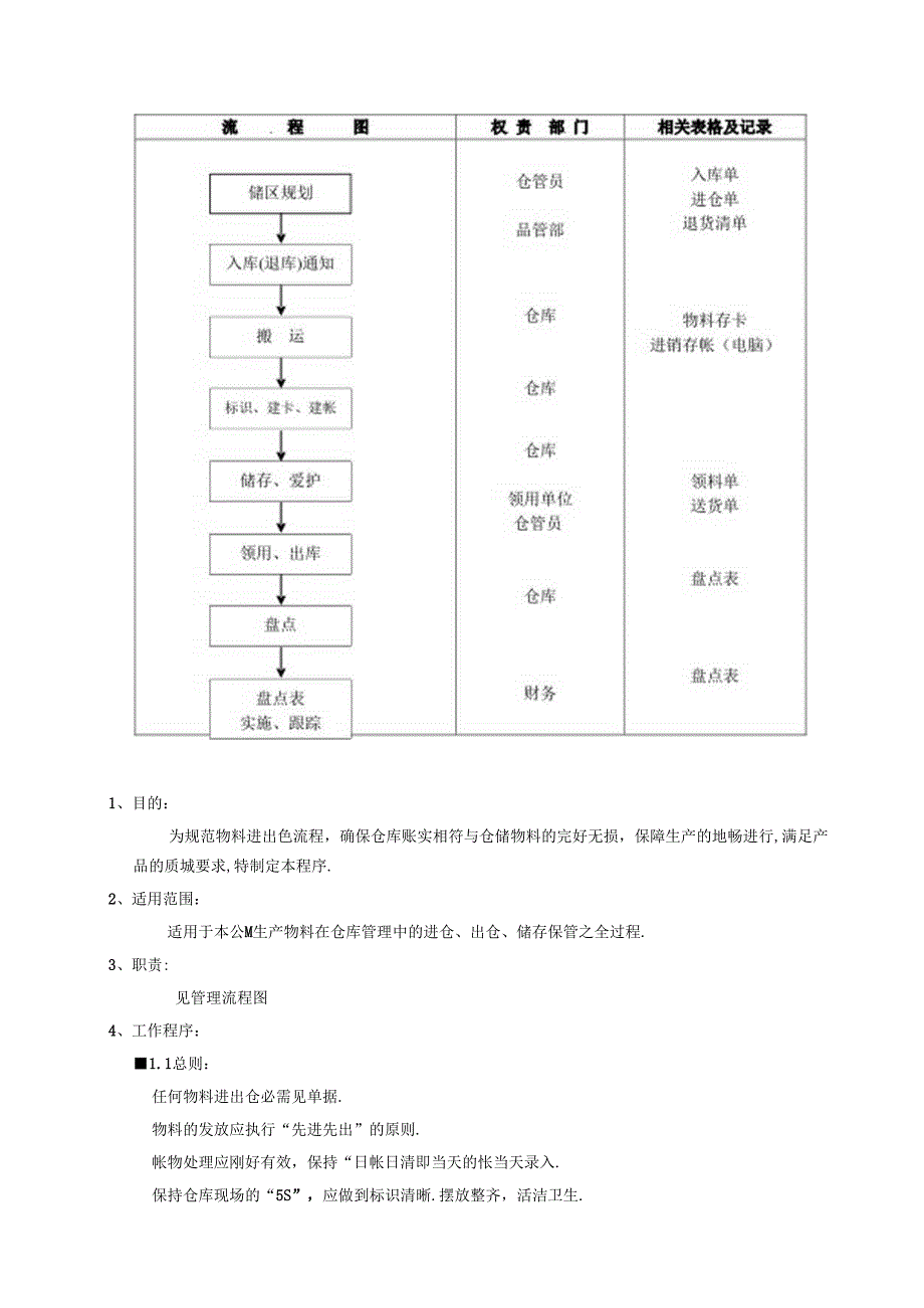
1、1、目的:为规范物料进出色流程,确保仓库账实相符与仓储物料的完好无损,保障生产的地畅进行,满足产品的质城要求,特制定本程序.2、适用范围:适用于本公M生产物料在仓库管理中的进仓、出仓、储存保管之全过程.3、职责:见管理流程图4、工作程序:1.1总则:任何物料进出仓必需见单据.物料的发放应执行“先进先出”的原则.帐物处理应刚好有效,保持“日帐日清即当天的怅当天录入.保持仓库现场的“5S”,应做到标识清晰.摆放整齐,活洁卫生.4.2储区规划及仓储要求分析:仓管员应对任库做出明确的储区位置规划,确定各类物品的放跟位置.仓管员应依据不同产品的特性确定相宜的搬运、储存、防护方法。(1)依据产品的防火、防

2、尘、防潮、防虫、防鼠、防高温等特性确定不同产品所要求的和宜的仓储环境要求.(2)依据产品防震、防撞、防压等要求确定相宜的搬运、储存方法:(3)依据产品有效期的规定确定相宜的有效期管现方法;W依据产品的其它特性确定相宜的仓储方法:(5)仓库各种物品投放不超2米,4.3收料:供应商送货到厂后,应首先将送货总递交仓管员,仓管员收到M送货单后,核对选明订单之产品名称、数册、交货H期等:核对无误后,通知IQC质检员检骆筋检员检脸不合格之物料,仓库不得收货,仓库应加以标识,隔岗,便于追溯。防检员检验合格后,知会员仓库管理员,仓管员依,送货通清点数R1.清点完后,仓管员支配人手搬运至仓库相应捱放位巴。依据清

3、点数fit.签名确认送货单并填写进仓单记卡登帐.的据的整理与分发,4.4备料:仓库依据生产制造通知单3进行先科,假如是备货仓管员必需凭部11主管审批的生产制造通知单发料.并确定备料的其有效性.单据无误后,仓管员按需出仓库.必要是在出仓库时应依据“专科专用1的原则发放,核对相关单号,防止忸发。并对有效期有要求的产品,在出库时原则上坚持“先诳先出、后进后出、推陈储新”的原则。仓管员依据实发数最,记卡登帐单据归集、分发仓管员应依据“平安库存量清单”清点物品库存状况,提出备库物品的请购清学3报物控部主管或其授权人审批后转选购实施选购。4.5 退货:生产过程中属进料不良的物料应退回供应商,生产部各组应将

4、来料不良的物料清点数M、分清类别,填写E退货单退至仓库,仓管员应通知质检员对所退之不良品进行检验,填写供应商品质异样联络书知会选购人员支配退货事宜.当供应商再次送货时,仓管员应填写土验退国办理退货.4.6 半、成品进出仓:生产部依据工作单或生产制造通知单生产,生产完毕后,经检验员检验合格后填写、成Mr入库单:仓管员收到半、成品入库单3后,应消点数Ift,核对产品型号,并加以标识,注明进仓库、出货日期:成品仓管员依市场部装柜遹知单b的要求消点数fit支配人员袋车出货,记卡登帐:单据归依、分发。4.7外发加工,依发外加工限制程序执行.4. 8呆、废料的预防及限制:为避开呆、废料的形成,仓库应进福“

5、先进先出”的原则:来料不良,退货应刚好处理:仓库应保持清洁卫生,防止物料的变质:定期盘点,将呆废料隔次、清点、有效处理.4.9搬运:仓库依据的现定实行相宜的来运方法.将经检脸合格的物品换放到规定存放的相应区域.若因故无法存放在指定区域的,仓管员应选择合适的存放地点并在仓库M进箱存帐电腑分上注明存放的位置,4. 10标识、建帐:仓管员将物品存放在仓库指定的位次,并在物品上挂上物料管制卡,注明其品名、里号。仓管员须将潦辅料、半成品、成品的入库状况登录在寸进带存帐电&湫上,确保帐、物相符.4.11盘点:每月仓管员时库存状况进行盘点,并在7日内做出盘点:表,并对所管辖物料进行清点,核对卡、帐、簿:盘点表应对仓储管理中的异样现象,如:呆料、海料、损坏、盈亏、超期等,提出处理看法,报总经理或其授权人审批后交选购、财务部、生产部、品管都各一联。6、相关文件5. 1W生产过程限制程序X5.2 进料检粉限制程序35.3 成品检验限制程序为5.4 M不令格品限制程序5. 5产品标识和追溯限制程序6、朋金记录6. 1脸收单6.2 发料单6.3 验退单6. 4退货单6.5 工作单6.6 迸销存帐36.74 盘点.我%6.75 生产制迨通知单6.76 装柜通知单6.10成品入庠

展开阅读全文
相关资源
猜你喜欢
相关搜索

当前位置:首页 > 管理/人力资源 > 质量管理

copyright@ 2008-2023 1wenmi网站版权所有

经营许可证编号:宁ICP备2022001189号-1

本站为文档C2C交易模式,即用户上传的文档直接被用户下载,本站只是中间服务平台,本站所有文档下载所得的收益归上传人(含作者)所有。第壹文秘仅提供信息存储空间,仅对用户上传内容的表现方式做保护处理,对上载内容本身不做任何修改或编辑。若文档所含内容侵犯了您的版权或隐私,请立即通知第壹文秘网,我们立即给予删除!