特种设备使用登记表1.docx

上传人:p** 文档编号:1230485 上传时间:2024-12-16 格式:DOCX 页数:2 大小:10.12KB
下载 相关 举报
特种设备使用登记表1.docx_第1页
第1页 / 共2页
特种设备使用登记表1.docx_第2页
第2页 / 共2页
亲,该文档总共2页,全部预览完了,如果喜欢就下载吧!
资源描述

《特种设备使用登记表1.docx》由会员分享,可在线阅读,更多相关《特种设备使用登记表1.docx(2页珍藏版)》请在第壹文秘上搜索。

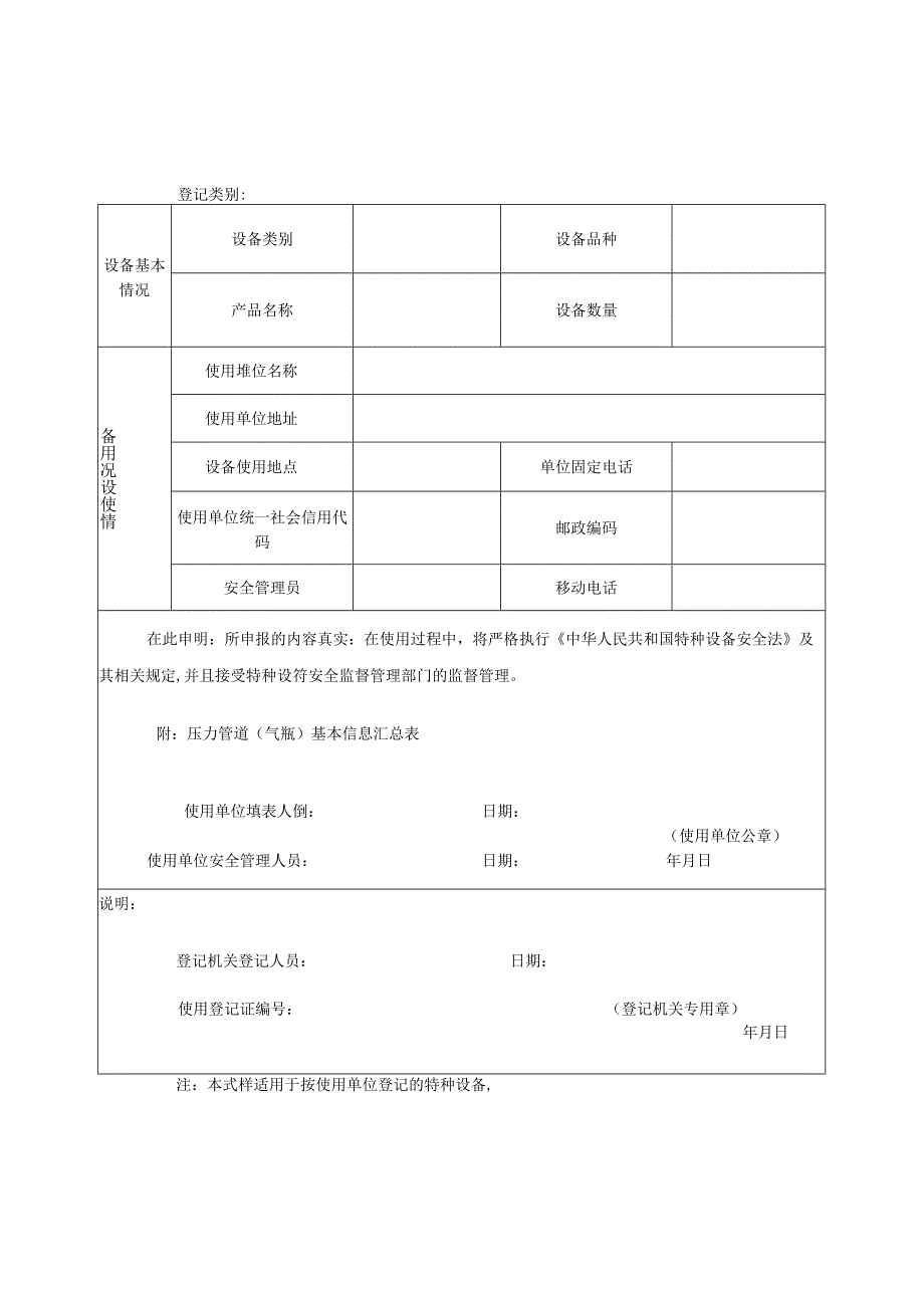
1、登记类别:设备基本情况设备类别设备品种产品名称设备数量备用况设使情使用堆位名称使用单位地址设备使用地点单位固定电话使用单位统一社会信用代码邮政编码安全管理员移动电话在此申明:所申报的内容真实:在使用过程中,将严格执行中华人民共和国特种设备安全法及其相关规定,并且接受特种设符安全监督管理部门的监督管理。附:压力管道(气瓶)基本信息汇总表使用单位填表人倒:日期:(使用单位公章)使用单位安全管理人员:日期:年月日说明:登记机关登记人员:日期:使用登记证编号:(登记机关专用章)年月日注:本式样适用于按使用单位登记的特种设备,登记类别:备本况设基情设备种类设备类别设备品种产品名称设备代码型号(规格)设计

2、使用年限设计单位名称制造单位名称,施工单位名称监督检验机构名称型式试验机构名称设备使用情况使用单位名称使用单位地址使用单位统一社会信用代码邮政编码单位内编号设备使用地点投入使用日期年月日单位固定电话安全管理员移动电话产权单位名称产权单位统社会信用代码联系电话备验况设检情检验机构名称检验类别检验报告编号检验日期检验结论下次检验日期在此申明:所申报的内容真实:在使用过程中,将严格执行C中华人民共和国特种设备安全法及其相关规定,并且接受特种设备安全监杼管理部门的监督管理,附:产品数据表使用单位填表人员:日期:(使用单位公章)使用单位安全管理人员:日期:年月日说明:登记机关登记人员:日期:(登记机关专用章)使用登记证编号:年月日注:本式样适用于按fM套)进行登记的特种设备.

展开阅读全文
相关资源
猜你喜欢
相关搜索

当前位置:首页 > 汽车/机械/制造 > 特种设备

copyright@ 2008-2023 1wenmi网站版权所有

经营许可证编号:宁ICP备2022001189号-1

本站为文档C2C交易模式,即用户上传的文档直接被用户下载,本站只是中间服务平台,本站所有文档下载所得的收益归上传人(含作者)所有。第壹文秘仅提供信息存储空间,仅对用户上传内容的表现方式做保护处理,对上载内容本身不做任何修改或编辑。若文档所含内容侵犯了您的版权或隐私,请立即通知第壹文秘网,我们立即给予删除!