钢筋混凝土楼盖课程设计指导书.docx

上传人:p** 文档编号:1253146 上传时间:2024-12-18 格式:DOCX 页数:13 大小:231.22KB
下载 相关 举报
钢筋混凝土楼盖课程设计指导书.docx_第1页
第1页 / 共13页
钢筋混凝土楼盖课程设计指导书.docx_第2页
第2页 / 共13页
钢筋混凝土楼盖课程设计指导书.docx_第3页
第3页 / 共13页
钢筋混凝土楼盖课程设计指导书.docx_第4页
第4页 / 共13页
钢筋混凝土楼盖课程设计指导书.docx_第5页
第5页 / 共13页
钢筋混凝土楼盖课程设计指导书.docx_第6页
第6页 / 共13页
钢筋混凝土楼盖课程设计指导书.docx_第7页
第7页 / 共13页
钢筋混凝土楼盖课程设计指导书.docx_第8页
第8页 / 共13页
钢筋混凝土楼盖课程设计指导书.docx_第9页
第9页 / 共13页
钢筋混凝土楼盖课程设计指导书.docx_第10页
第10页 / 共13页
亲,该文档总共13页,到这儿已超出免费预览范围,如果喜欢就下载吧!
资源描述

《钢筋混凝土楼盖课程设计指导书.docx》由会员分享,可在线阅读,更多相关《钢筋混凝土楼盖课程设计指导书.docx(13页珍藏版)》请在第壹文秘上搜索。

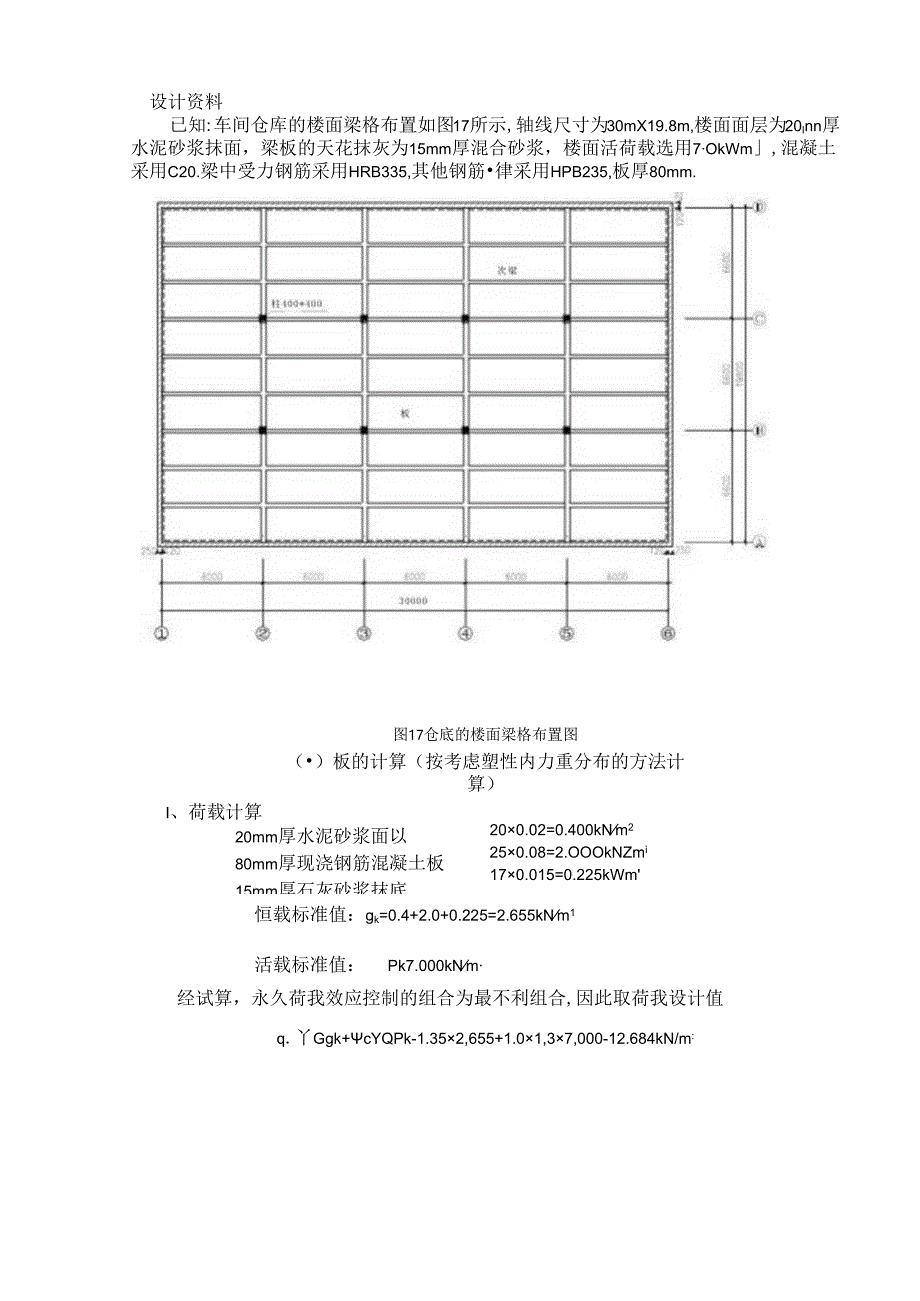
1、设计资料已知:车间仓库的楼面梁格布置如图17所示,轴线尺寸为30mX19.8m,楼面面层为20Inn厚水泥砂浆抹面,梁板的天花抹灰为15mm厚混合砂浆,楼面活荷载选用7OkWm,混凝土采用C20.梁中受力钢筋采用HRB335,其他钢筋律采用HPB235,板厚80mm.图17仓底的楼面梁格布置图I、荷载计算20mm厚水泥砂浆面以80mm厚现浇钢筋混凝土板15mm厚石灰砂浆抹底()板的计算(按考虑塑性内力重分布的方法计算)200.02=0.400kNm2250.08=2.OOOkNZmi170.015=0.225kWm恒载标准值:gk=0.4+2.0+0.225=2.655kNm1活载标准值:Pk

2、7.000kNm经试算,永久荷我效应控制的组合为最不利组合,因此取荷我设计值q.丫Ggk+cYQPk-1.352,655+1.01,37,000-12.684kN/m:2、计算简图(见图18)图18板的计算简图取Im宽板带作为计算单元,各跨的计并踏度为:ff1.1.-2板的计算向图中间跨:0-ft=2200-200-200Omm边跨:I0=In+a=2200-100-1201200/2=201Omm取I0=202011u平均跨度:=(2020*2000)2=2010mn2、 内力计算:因跨度差:(2020-2000)/2000=1/1淄故可按等跨连续板计算内力各截面的弯距计算见表6板弯距计算表

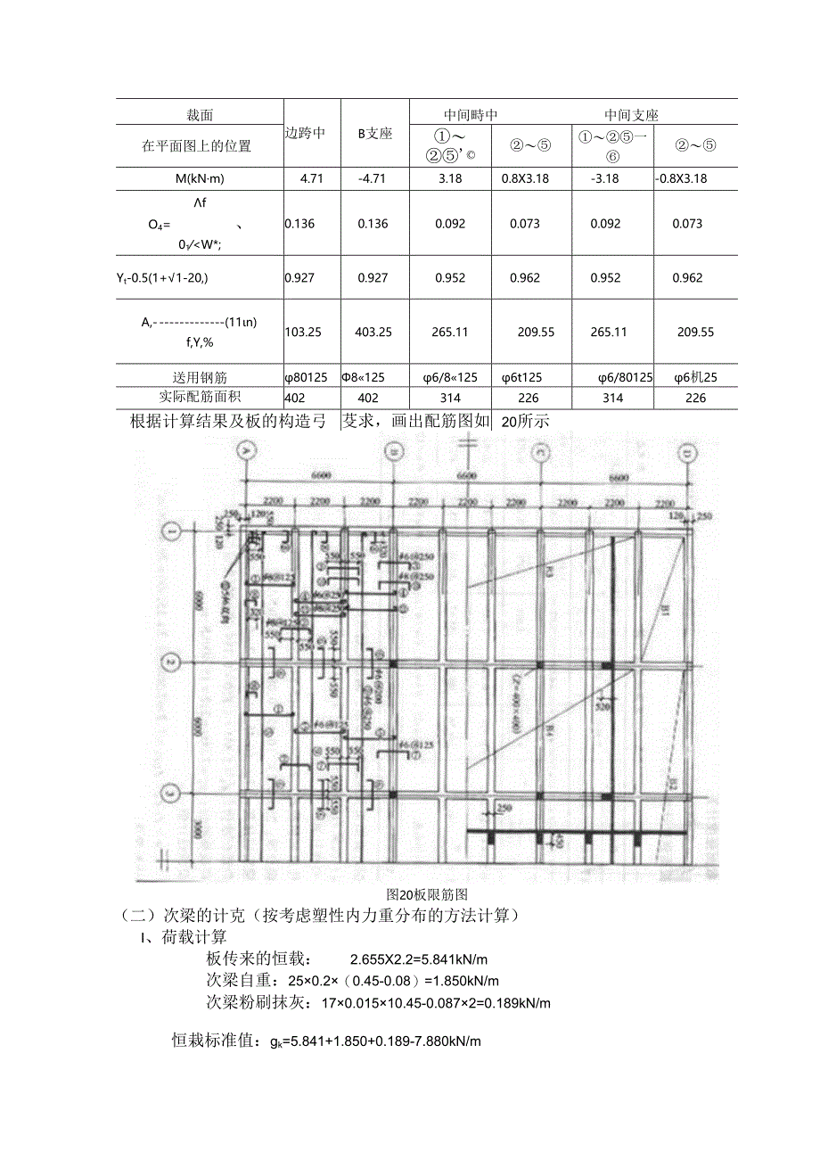
3、6截面边跨中第一内支座中间跨度中间支座弯距系数+1/11-1/11+1/16-1/162M-aq1.)1/11X12.7X2.02:=4.71-1/11X12.7X2.02=-4.711/16X12.7X2.0:=3.18-1/16X12.72.0i-3.183、 截面强度计卯fy=210N11mj,fc=9.6Nmm,=1.0,h0=8020=6011m正截面强度计兑见表7裁面边跨中B支座中间畤中中间支座在平面图上的位置一M(kNm)4.71-4.713.180.8X3.18-3.18-0.8X3.18fO4=、01W*;0.1360.1360.0920.0730.0920.073Yt-0.

4、5(1+1-20,)0.9270.9270.9520.9620.9520.962A,-(11n)f,Y,%103.25403.25265.11209.55265.11209.55送用钢筋8012581256/81256t1256/801256机25实际配筋面积402402314226314226根据计算结果及板的构造弓芟求,画出配筋图如白20所示图20板限筋图(二)次梁的计克(按考虑塑性内力重分布的方法计算)I、荷载计算板传来的恒载:2.655X2.2=5.841kN/m次梁自重:250.2(0.45-0.08)=1.850kN/m次梁粉刷抹灰:170.01510.45-0.0872=0.18

5、9kN/m恒栽标准值:gk=5.841+1.850+0.189-7.880kN/m活载标准值:Pk7.OOOX2.2=15.400kN/m经试算,永久荷载效应控制的组合为最不利组合,因此取荷载设计值q=YG9k+cYqP1=1.35X7.880+1.01.315.400=30.7kN/m2、计算简图各跨的计算跨度为:中间跨:I0=I=6000-300=570Omm边路:Io=In+a他-6000-150-120+2502-5855nm1.025In-5873.25m,取小值5855三平均跨度:1=(5855+5700)/2=5777.5mm跨度差:(58511-5700)/5700=2.7%9

6、5.7kNin(62.3kNin)属于第一类T形截面次梁止截面强度计算见表10次梁正故面强度计算表10裁而边跨中B支座中间跨中中间支座M(kNn)95.7-93.262.3-62.3b.或b(mn)19502001900200Ma5-2JV或面满足费求O.7f,bho(kN)0.7X1.1200415=63.91kNI22。II-r,4T1.-*-1.-1.P-I11,741.II/卜1I41I1.J:IJ:II1.JU,I1,3-J1.j111.:I1.jh=I,图22次梁配筋图三主梁的沙莫(按弹性理论计算)I、荷载计整:次梁传来的恒载:7.88X6.0-47.28kNm主梁自重:250,3

7、(0.7-0.08)2.2=10.23kN梁侧抹灰:170.0150.7-0.08)22.2=0.696kN恒载标准值:G卜=47.28+10.23+0.696-58.206kN活我标准值:Px15.IX6=92.400kN恒栽设计值:1.359k=1.35X58.206=78.58kN活数设计值:1.3Pk=1.392.40=120.1kN2、计算简图各跨的i1.堂跨度为:中间跨:Io=nb-6600-400+400-660011m边跨:IO=In+a/2+b/2=6600-120-200+3702+4002=6665ranI01.0251.n+b2=1.025(6600-120-200)+

8、400/2=66371111,取小值6637Inn平均跨度:I=(6637+6600)2=6619三跨度差:(6637-6600)/6600-0.56%10%主梁的计骈简图见图23。图23主梁的计算筒图3、内力计算:(1)弯距计算M=k,GI+k2P1.(k值由附表5-1查得)边跨:G1.=78.586.637=521.5kNP1.=120.1X6.637=797.1kN中跨:G1.=78,586,6=518.6kNPi=120.16,6=792.7kN平均跨:G1.=78.58X6.619=520.IkNPi=120.16.619=795kN主梁弯矩计算见表12。(2)剪力计算V-k3Gk4

9、P(k值由附表查得)剪力计算见表13.主梁弯矩及剪力包络图见图24项次荷载简图kM1kM.,kMnk工kMftkMC恒栽0.。14127.278.2-Q.267-138.90.06734.76。6734.7-0,267-138.9活我0.穿9230.4191.5-313?-105.7-105.7-105.7-OJ33-IOS.7活栽-35.6-70.7-0.133-105.70.200158.50.200158.5-0.133-105.7活教0.229182.599.8I1.21i-247.275.90.170134.8-0.089-70.8活栽-23.9-47.3-0.0X9-70.80.170134.875.9-0.311-247.2内力S合357.6272.7-244.6-71-71-244.6嚏)91.67.5-244.6193.2193.2-244.6309.7178-386.I110.6169.5-209.7崛103.330.9-209.7169.5110.6-386.1收不利内力Mnn姐合项次+3)(D*Mer1.组合位(kN)91.67.5-386.1-71-71-386.IMnu组合项次+

展开阅读全文
相关资源
猜你喜欢
相关搜索

当前位置:首页 > 论文 > 论文指导/设计

copyright@ 2008-2023 1wenmi网站版权所有

经营许可证编号:宁ICP备2022001189号-1

本站为文档C2C交易模式,即用户上传的文档直接被用户下载,本站只是中间服务平台,本站所有文档下载所得的收益归上传人(含作者)所有。第壹文秘仅提供信息存储空间,仅对用户上传内容的表现方式做保护处理,对上载内容本身不做任何修改或编辑。若文档所含内容侵犯了您的版权或隐私,请立即通知第壹文秘网,我们立即给予删除!