砌体工程技术交底.docx

上传人:p** 文档编号:1253199 上传时间:2024-12-18 格式:DOCX 页数:4 大小:36.24KB
下载 相关 举报
砌体工程技术交底.docx_第1页
第1页 / 共4页
砌体工程技术交底.docx_第2页
第2页 / 共4页
砌体工程技术交底.docx_第3页
第3页 / 共4页
砌体工程技术交底.docx_第4页
第4页 / 共4页
亲,该文档总共4页,全部预览完了,如果喜欢就下载吧!
资源描述

《砌体工程技术交底.docx》由会员分享,可在线阅读,更多相关《砌体工程技术交底.docx(4页珍藏版)》请在第壹文秘上搜索。

1、技术交底记录编号工程名眷交底日期施工单位分项工程名眷砌体工程交底提要砌筑工程技术交底交底内容:1、施工准备1.1技术准备K砌筑前认我熟悉图纸,核实门洞门位置及洞门尺寸,明确预留、预埋位盥,算出窗台、过梁定位标海,熟悉方案、及规范中相关的材料、构造等各项要求,2、准备好施工需用的施视、测后设备,并确保其在校粉有效期限内H.各项使用功能正常.3、班组负责人需依据本方案对施工队伍进行详细的技术交底.2材料要求1、蒸压加气混凝土砌块及其他材料的技术性能、强度、品种必须符合设计要求,要有出厂合格证,规定试脸项目必须符合标准。2、粘结剂等级必须符合设计要求.3、砌体自件的混凝土、钢筋的品种、规格和数最应符

2、合设计要求.4、施工前要对砌块进行检测,检测令格后方可僵工,数试满足施工进度要求。13施工机具缆拌用手持电拈、手推车、大铲、帙桃、刀据.镂梢工具带齿刃、手摇怙、线坠、托线板.小臼线、灰桶、铺灰铲、小隹、小水桶、水平尺、砂浆吊斗、射仃枪及垂直运输工具等.1.4 现场准备工作施工队伍需配符专业技术管理人员,创筑工人应具有硼筑施工经验。1.5 现场准备工作K正式脩上前,将楼地面基层水泥浮浆及施工垃圾清理干净.2、弹出楼层轴戏及墙身边纹,经笑核,办理相关手续。3、根据标高控制线及窗台、窗顶标高,预排出砌块的皮数城,皮数成Ur划在框架柱上,并标明拉结筋、洞口过梁的尺寸、标高皮数线经技术、质检部门更核并办

3、理相关手续.4、构造柱钢筋植筋并且拉拔试验合格,制筋绑扎绑扎完成.陷蔽验收完毕.5、现场各项安全防护设施布置完毕.6、外脚手架发检合格,墙体与外加之间的间隙按规定做好水平防护,防止型物;同时准备好工具式脚户架,在楼内边使用.7、物块进入施工现场和车、堆放、调运时,为避免砌块破损,不得采用他、期等野蛮袋卸的方法,应轻米轻放,物块应按品种、规格、覆度等级分别堆码整齐:现场堆放高度不宜超过152m:砌块堆珠间应用有通道,并在堆垛上设有标志。8、对缺枝掉角的砌块.其影响程度不应超过有关规定,否则在使用时应用手提式电锯切割成规则长方体,绝不允许刀劳停砍.这主要是避免造成制品内部产生微裂而影响刎刚体的寿命

4、.2、砌筑方法1、楼面需砌筑加气混凝土砌体墙部位处应进行基层清理、剔除浮浆,并弹出墙体的中找、边找与门、窗祠口位置.目的是:为了保证砌体的位置正确.并由上而下计算好皮数.2、板掘图纸各部位尺寸及构造要求排砖.3、在砌块墙底部向砌三至五皮实心砌块砌筑(免烧4)。揖於后在砌筑第皮砌块前,应先用水澜混号墙联面,再用普通砂浆铺砌,砌块的垂H灰缝应披刮粘结剂,并注意校正砌块的水平和垂口座,待第一皮物块的水平灰缝的硼筑砂浆初凝后方可进行上皮物块的砌筑,上部砌筑枭用专用粘结剂期筑,常温下.砌块的H砌筑高度宜控制在1.5m内.在船房.卫生间.沐浴室般底部宜现浇同墙厚(高度200)C20家缸4、对于所需的非规格

5、尺、!砌块应采用手提式电裾或相应的机械设备进行切割成规则长方体,严禁刀劈斧砍,切割后的I1.版彻块不得小于砌块长度的1/3。5、在每皮砌块砌筑前,要用毛蒯清理砌块表面浮砂(尘,处理干冷后再铺水平、垂直灰鼓处的粘结剂.6,每皮砌块砌筑时,应注意校正水平、垂口位置,并做到上下皮砌块错缝搭接、表面平整、水平灰缝基本平H上下搭接长度不宜小于被搭接砌块长度的1/3.竖向通缝不应大于两皮。7、砌体的转角处和交接处应同时砌筑.对不能同时砌筑的而又必须身置临时间断处,应砌成斜槎.斜槎水平投影尺度不应小于高度的2/3.接楼时,应先消埋槎口,再铺粘结材料接物,8、涂抹粘结剂时,应用专用勺将砂浆均匀地地铺在下皮砌块

6、表面,垂在灰缝可先铺粘在砌块然面,上墙后用橡皮铢轻击硼块,橡皮领的敲击应先从砌块的顶部向里劭,然后再水平方向压实,使砂浆能从灰统中海出,灰缝不得有空隙砂浆饱满度不底于9(%,并及时将溢H;的砂架消除干净.做到随耐随勒.9、砌筑墙面应平整干净、灰缝处无溢出的拈结剂.其水平和垂宜灰缝厚度应控制在8m至12mm左右。3、构造要求3.1构造柱K带要i殳花构造柱的位也:门洞及窗洞【1两例.独立墙体湘部,墙体转角处,当增长度大于6米及2倍层高时,应在墙体中间设置拘造柱。构造柱主筋4根10箍筋6间距200,局部构造柱长度大于300时设6根主筋(详楼层平面图)。门洞口宽度小于2.1米时每边设2根由筋,门洞口宽

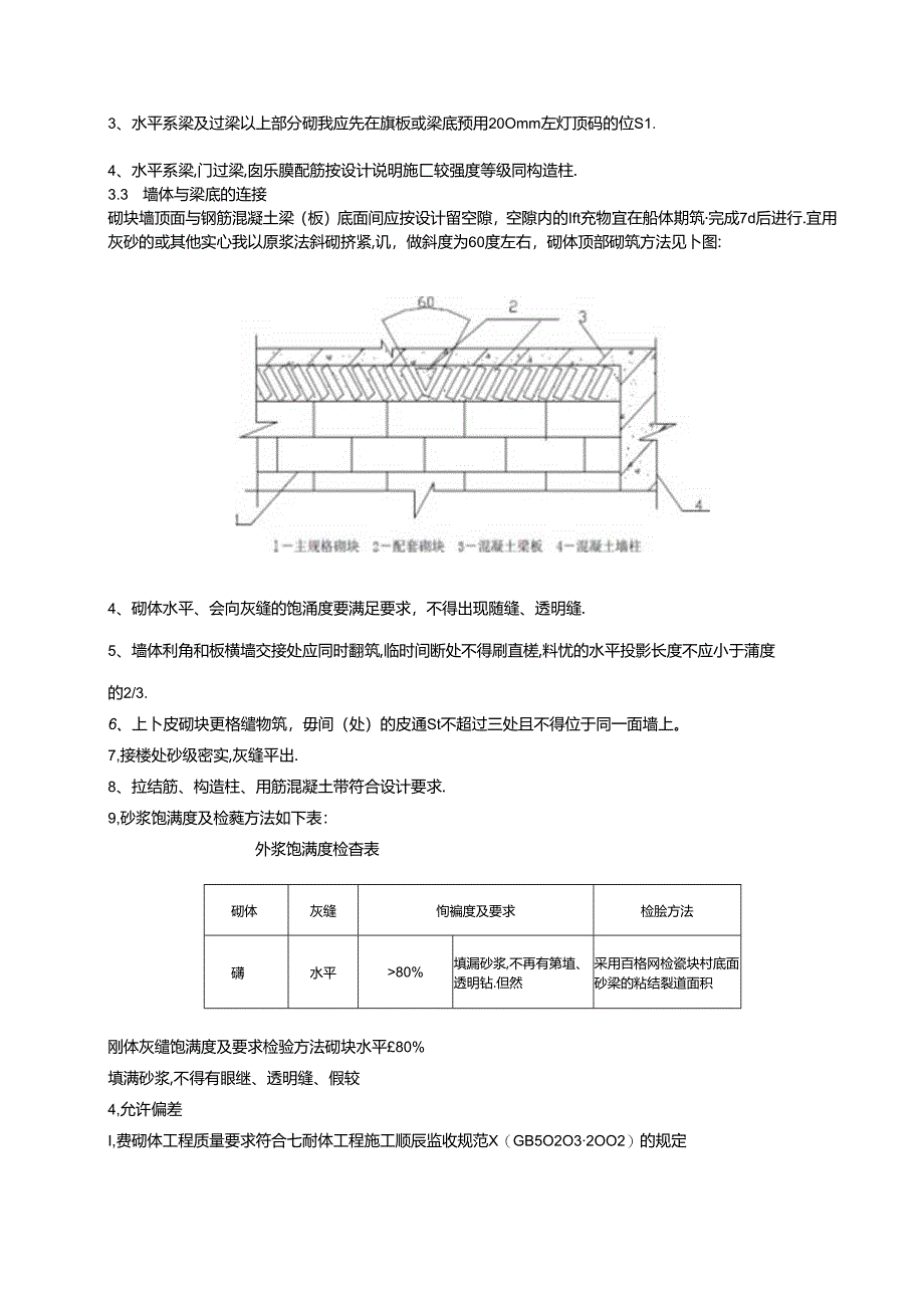
7、度大于21米时每边均设构造柱.外坳阳角应设置构造柱.支承在悬籽梁和悬臂板上的摘体,应按下图所示设置钢筋混凝土抗裂柱.M衣丁用乂20所匚*80%填漏砂浆,不再有第埴、透明钻.但然采用百格网检瓷块村底面砂梁的粘结裂道面积刚体灰缱饱满度及要求检验方法砌块水平80%填满砂浆,不得有眼继、透明缝、假较4,允许偏差I,费砌体工程质量要求符合七耐体工程施工顺辰监收规范X(GB5O2O32OO2)的规定表7.3/填充墙砌体一般尺寸允许偏差表检杳项目允许偏差或允许值1、抄浆强度等级按设计要求2、水平灰健砂级泡满度5=80%3、斜挂留部长度不小于海度的2/3,宜搓拉结钢筋及接搓处理按设计要求4、轴浅位移IOmm7

8、垂直度(每层)5mm5,组砌方法上下接缝6、轴线位移IOmm,水平版较厚度8-12mm.基础顶面、楼面标高士15mm,表面平整度Smm.门窗洞nfii、窕5mm,外墙上下窗口偏移20mm,水平灰缝平面度IOmm7、填充墙砌至接近梁、板底时,应留一定空隙.待填充墙砌筑完并应至少间隔7d后,再将其补砌挤紧。S、门板安装后施工时应将门框两侧3-600nm高度范困用I日竹胶板进行保护.防止施工中撞坏。9、砌块在袋运过程中,轻装轻放,计算好各房间的用成,分别码放整齐.搭拆脚手架时不要砸坏已砌墙体和门窗口角.10、落地砂浆及时清除,以免与地面粘结,影响下道工序施工。11,墙体拉结筋、抗震构造柱纲筋、大模板混源上墙体钢筋及各种预埋件,暖卫、电气管战等,均应注意保护,不得任近拆改或损坏.12、砂波糊度应适宜,砌墙时应防止砂浆液脏喷面.13、墙体上不能谕有脚手眼。审核人交底人接受交底人

展开阅读全文
相关资源
猜你喜欢
相关搜索

当前位置:首页 > 建筑/环境 > 设计及方案

copyright@ 2008-2023 1wenmi网站版权所有

经营许可证编号:宁ICP备2022001189号-1

本站为文档C2C交易模式,即用户上传的文档直接被用户下载,本站只是中间服务平台,本站所有文档下载所得的收益归上传人(含作者)所有。第壹文秘仅提供信息存储空间,仅对用户上传内容的表现方式做保护处理,对上载内容本身不做任何修改或编辑。若文档所含内容侵犯了您的版权或隐私,请立即通知第壹文秘网,我们立即给予删除!