企业管理仪表出现异常应急处置.docx

上传人:p** 文档编号:1268334 上传时间:2024-12-27 格式:DOCX 页数:1 大小:9.99KB
下载 相关 举报
企业管理仪表出现异常应急处置.docx_第1页
第1页 / 共1页
亲,该文档总共1页,全部预览完了,如果喜欢就下载吧!
资源描述

《企业管理仪表出现异常应急处置.docx》由会员分享,可在线阅读,更多相关《企业管理仪表出现异常应急处置.docx(1页珍藏版)》请在第壹文秘上搜索。

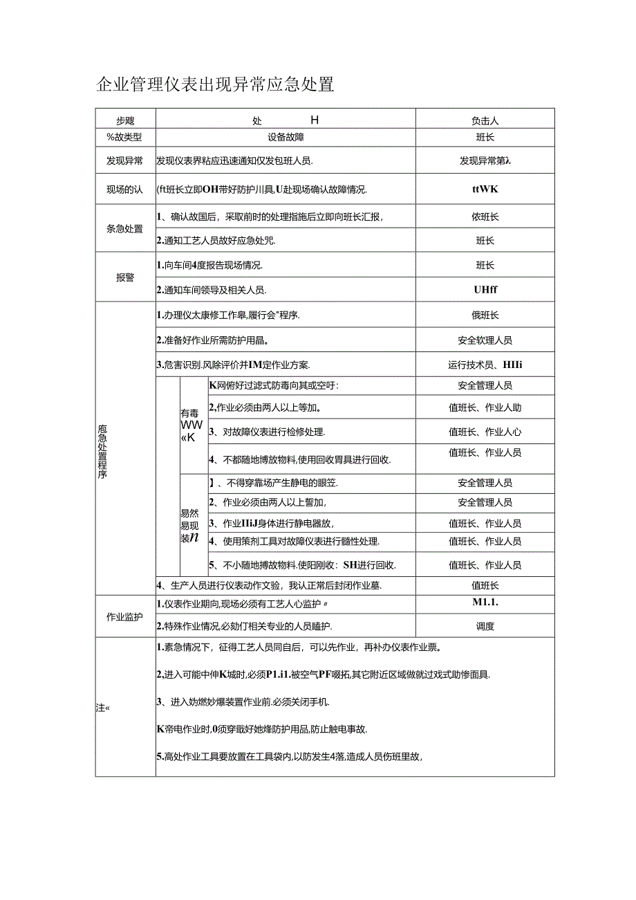
1、企业管理仪表出现异常应急处置步飕处H负击人%故类型设备故障班长发现异常发现仪表界粘应迅速通知仅发包班人员.发现异常第现场的认(ft班长立即OH带好防护川具,U赴现场确认故障情况.ttWK条急处置1、确认故国后,采取前时的处理指施后立即向班长汇报,侬班长2.通知工艺人员故好应急处咒.班长报警1.向车间4度报告现场情况.班长2.通知车间领导及相关人员.UHff庖急处置程序1.办理仪太康修工作皋,履行会程序.俄班长2.准备好作业所需防护用晶。安全软理人员3.危害识别.风除评价并IM定作业方案.运行技术员、HIIi有毒WWKK网俯好过滤式防毒向其或空吁:安全管理人员2,作业必须由两人以上等加。值班长、

2、作业人助3、对故障仪表进行检修处理.值班长、作业人心4、不都随地博放物料,使用回收胃具进行回收.值班长、作业人员易然易现装n】、不得穿靠场产生静电的眼笠.安全管理人员2、作业必须由两人以上誓加,安全管理人员3、作业IIiJ身体进行静电器放,值班长、作业人员4、使用策剂工具对故障仪表进行髓性处理.值班长、作业人员5、不小随地搏故物料.使阳刚收:SH进行回收.值班长、作业人员4、生产人员进行仪表动作文验,我认正常后封闭作业墓.值班长作业监护1.仪表作业期向,现场必须有工艺人心监护M1.1.2.特殊作业情况,必劾仃相关专业的人员瞌护.调度注1.素急情况下,征得工艺人员同自后,可以先作业,再补办仪表作业票。2,进入可能中伸K城时,必须P1.i1.被空气PF啜拓,其它附近区域做就过戏式助惨面具.3、进入妫燃妙爆装置作业前.必须关闭手机.K帝电作业时,0须穿戢好她烽防护用品,防止触电事故.5.高处作业工具要放置在工具袋内,以防发生4落,造成人员伤班里故,

展开阅读全文
相关资源
猜你喜欢
相关搜索

当前位置:首页 > 办公文档 > 规章制度

copyright@ 2008-2023 1wenmi网站版权所有

经营许可证编号:宁ICP备2022001189号-1

本站为文档C2C交易模式,即用户上传的文档直接被用户下载,本站只是中间服务平台,本站所有文档下载所得的收益归上传人(含作者)所有。第壹文秘仅提供信息存储空间,仅对用户上传内容的表现方式做保护处理,对上载内容本身不做任何修改或编辑。若文档所含内容侵犯了您的版权或隐私,请立即通知第壹文秘网,我们立即给予删除!