星级饭店工程部配电巡检程序.docx

上传人:p** 文档编号:1271667 上传时间:2024-12-27 格式:DOCX 页数:1 大小:14.68KB
下载 相关 举报
星级饭店工程部配电巡检程序.docx_第1页
第1页 / 共1页
亲,该文档总共1页,全部预览完了,如果喜欢就下载吧!
资源描述

《星级饭店工程部配电巡检程序.docx》由会员分享,可在线阅读,更多相关《星级饭店工程部配电巡检程序.docx(1页珍藏版)》请在第壹文秘上搜索。

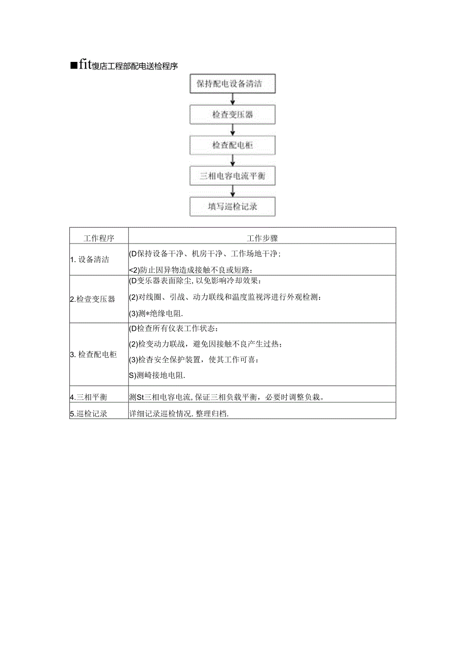
fit愎店工程部配电送检程序工作程序工作步骤1.设备清洁(D保持设备干净、机房干净、工作场地干净;2)防止因异物造成接触不良或短路:2.检壹变压器(D变乐器表面除尘,以免影响冷却效果:(2)对线圈、引战、动力联线和温度监视涔进行外观检测:(3)测*绝缘电阻.3.检查配电柜(D检查所有仪表工作状态:(2)检变动力联战,避免因接触不良产生过热;(3)检杳安全保护装置,使其工作可喜:S)测崎接地电阻.4.三相平衡测St三相电容电流,保证三相负载平衡,必要时调整负栽。5.巡检记录详细记录巡检情况.整理归档.

展开阅读全文
相关资源
猜你喜欢
相关搜索

当前位置:首页 > 建筑/环境 > 设计及方案

copyright@ 2008-2023 1wenmi网站版权所有

经营许可证编号:宁ICP备2022001189号-1

本站为文档C2C交易模式,即用户上传的文档直接被用户下载,本站只是中间服务平台,本站所有文档下载所得的收益归上传人(含作者)所有。第壹文秘仅提供信息存储空间,仅对用户上传内容的表现方式做保护处理,对上载内容本身不做任何修改或编辑。若文档所含内容侵犯了您的版权或隐私,请立即通知第壹文秘网,我们立即给予删除!