机加工作业施工现场危险源辨识与危险评价结果一览表.docx

上传人:p** 文档编号:1271940 上传时间:2024-12-27 格式:DOCX 页数:2 大小:11.57KB
下载 相关 举报
机加工作业施工现场危险源辨识与危险评价结果一览表.docx_第1页
第1页 / 共2页
机加工作业施工现场危险源辨识与危险评价结果一览表.docx_第2页
第2页 / 共2页
亲,该文档总共2页,全部预览完了,如果喜欢就下载吧!
资源描述

《机加工作业施工现场危险源辨识与危险评价结果一览表.docx》由会员分享,可在线阅读,更多相关《机加工作业施工现场危险源辨识与危险评价结果一览表.docx(2页珍藏版)》请在第壹文秘上搜索。

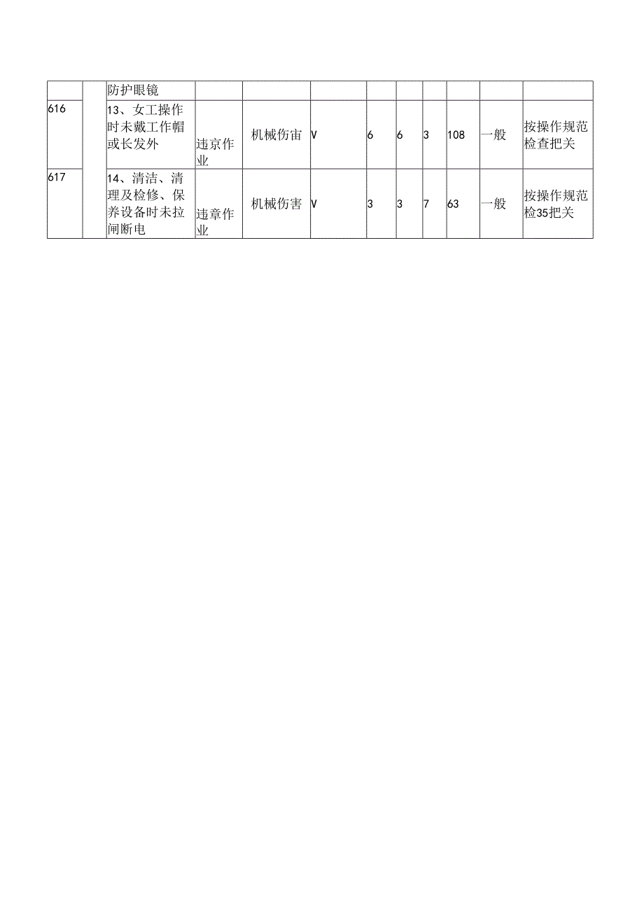
1、机加工作业施工现场危险源辨识与危险评价结果一览表序作业危险因素可能导致判别依据(I-V)作业条件危险性评价危险控制措施号活动的事故1.ECD级别6041、传动装理无防护罩设施缺陷机械伤害V663108一般检查把关6052、无接地或接零保护防护缺陷触电V663108一般检杳把关6063、固定工件未对正、卡紫、垫牢违章作业机械伤害V63354一般按操作规范检杳把关6074、加工细长工件时,未设冏合适支架或转速过高、进刀量过大业违作机械伤害V61742一般按操作规范检杳把关6085、运转中用手消除铁屑违章作业机械伤害V63354一般按操作规范检隹把关6096,运转中进行测址、找正、紧固工件违章作业机

2、械伤害V63354一股按操作规范检查把关6107、运转中手摸刀具、工件及转动部分违章作业机械伤害V61712一般按操作规范检查把关6118、运转中更换刀具等违章作业机械伤害V61712一般按操作规范检查把关6129、手直接伸至冲头F取拿冲压工件B机械伤害IV重大按操作规范检查把关61310、站在砂轮旋转切向方向操作违章作业机械伤害V61742一般按操作规范检杳把关61411、未穿紧袖工作服及戴围巾、手套操作违章作业机械伤害V61742一般按操作规范检查把关61512、高速切削及切削脆性材料时未戴违章作业机械伤害V61742一般按操作规范检杳把关防护眼镜61613、女工操作时未戴工作帽或长发外违京作业机械伤宙V663108一般按操作规范检查把关61714、清洁、清理及检修、保养设备时未拉闸断电违章作业机械伤害V33763一般按操作规范检35把关

展开阅读全文
相关资源
猜你喜欢
相关搜索

当前位置:首页 > 行业资料 > 公共安全/安全评价

copyright@ 2008-2023 1wenmi网站版权所有

经营许可证编号:宁ICP备2022001189号-1

本站为文档C2C交易模式,即用户上传的文档直接被用户下载,本站只是中间服务平台,本站所有文档下载所得的收益归上传人(含作者)所有。第壹文秘仅提供信息存储空间,仅对用户上传内容的表现方式做保护处理,对上载内容本身不做任何修改或编辑。若文档所含内容侵犯了您的版权或隐私,请立即通知第壹文秘网,我们立即给予删除!