2024年山东省职业技能等级认定试卷 真题 印刷操作员(数字印刷员) 三级(高级)技能考核-样题评分表.docx

上传人:p** 文档编号:1279646 上传时间:2025-01-16 格式:DOCX 页数:6 大小:19.70KB
下载 相关 举报
2024年山东省职业技能等级认定试卷 真题 印刷操作员(数字印刷员) 三级(高级)技能考核-样题评分表.docx_第1页
第1页 / 共6页
2024年山东省职业技能等级认定试卷 真题 印刷操作员(数字印刷员) 三级(高级)技能考核-样题评分表.docx_第2页
第2页 / 共6页
2024年山东省职业技能等级认定试卷 真题 印刷操作员(数字印刷员) 三级(高级)技能考核-样题评分表.docx_第3页
第3页 / 共6页
2024年山东省职业技能等级认定试卷 真题 印刷操作员(数字印刷员) 三级(高级)技能考核-样题评分表.docx_第4页
第4页 / 共6页
2024年山东省职业技能等级认定试卷 真题 印刷操作员(数字印刷员) 三级(高级)技能考核-样题评分表.docx_第5页
第5页 / 共6页
2024年山东省职业技能等级认定试卷 真题 印刷操作员(数字印刷员) 三级(高级)技能考核-样题评分表.docx_第6页
第6页 / 共6页
亲,该文档总共6页,全部预览完了,如果喜欢就下载吧!
资源描述

《2024年山东省职业技能等级认定试卷 真题 印刷操作员(数字印刷员) 三级(高级)技能考核-样题评分表.docx》由会员分享,可在线阅读,更多相关《2024年山东省职业技能等级认定试卷 真题 印刷操作员(数字印刷员) 三级(高级)技能考核-样题评分表.docx(6页珍藏版)》请在第壹文秘上搜索。

1、2024年山东省职业技能等级认定试卷印刷操作员(数字印刷员)国家职业技能三级(高级)技能考核评分表F卷总成绩表序号试题名称项目分值得分备注I印也准备202印刷操作453印刷质量检测304指导培训5会计I(X)统分人:年月日1印前准备(该项目分值20分)考核要求;根据要求,按操作规程。时间到,立即件止掾作,交猿考人仍封存。配分与评分标准:fc序号考检内容考核要点项I1.分评分标点扣分分1.1印刷材料准品识别纸张的纹路克城的方法7长路识别错误扣4分克arUi别懵决扣3分(考槎时间I5oin.国时I分钟扣2分)1.2输出文件枇备AdobeACrOba1.插件的出版方法8,出切样张致参数的PDF文件科

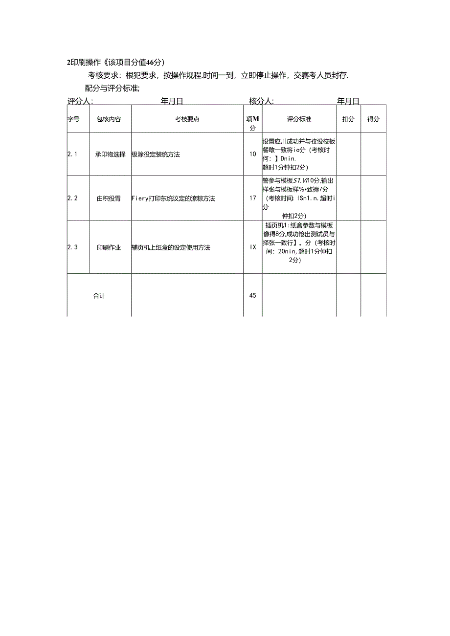
2、8分(考修时间:5nin,也时I分钟扣2分1.3设备和保芥VersofircOH?印刷机里自禽更换的隘程5谀招显示更换成功犯5分(多楼时间51IiIb趣时I分钟扣2分)合if20否定项:若考生发生下列忧况之则应及时终止其考试,考生该试现成一记为零分,(1)考生没按斓定要求*1.i为保用出,(2操作设备过和中出现产申述毁Ift作.(3)造成人介伤券或设芾恂坏.评分人:年M日核分人:年月日2印刷操作该项目分值46分)考核要求:根犯要求,按操作规程.时间一到,立即停止操作,交赛考人员封存.配分与评分标准;评分人:年月日核分人:年月日字号包核内容考枝要点项M分评分标准扣分得分2.1承卬物选择级除役定装

3、统方法10设置应川成功并与孜设校板餐敢一致将io分(考核时何:】Dnin.超时1分钟扣2分)2.2由积役胃Fiery打印东统议定的潦粽方法17警参与模板S1.Vi10分,输出样张与模板样%致褥7分(考核时间:ISn1.n.超时i分仲扣2分)2.3印刷作业辅页机上纸盒的设定使用方法IX插页机1:纸盒参数与模板像得8分,成功怆出测试员与择张一致行】。分(考核时间:20nin,超时1分仲扣2分)合计45否定项:1考生发生下列情况之则应及时终止其考成.考生读试18成9记为1分.(1)考生没按规定要未穿戴先保用品(2)操作设法过程中出现产业连战操作.(3)造成人身饬讲或设符摘焯,3印刷质,检窝该项目分值

4、30分)考核要求:根据要求,按操作规程.时间一到,立即停止操作,交赛考人员封存.充分马评分标准;序号考核内容考核要点项目分评分标准扣分得分3.1过程防S1.检测eXact比对色差使用方法12测定出印出样,然样数更差比对标注依士3福12分.5都6分T核时何:IOnin,超时1分钟加2分)3.2成拈帧M气测打孔参Ik的检it18比对给定值每谀茏1面扣5分(考核时间Iomin.粗时1分种扪2分)合itW否定项:若考生发生下列悔况之.则应及时卷止其考M(1)考生没按奴定要求中稣为保用Ai(2操作设番过和中出现厚富作.(3)造成人身伤力或设备损M;.考生该试幽成演记为零分,案评分人:年M日核分入:年月日

5、4指导培训(该项目分值6分)您3序号考核内容考核要点项目分评分标准扣分得分1.1指导掾作安全开关印制机器的流程3符介答案参流程用3分(考核时间:5min.超时1分的扣2分4.2理论珞训数字印楸机工作及佳环境2符合拧案叁效流程得3分(考核时间:5cin.超时1分W扣2分)合计5否定项:生发生携带文字稿或电子稿资料,则应及时终Ih其考试,考生该试Ia成缴记为W分.配分与评分标准:评分人:年月日核分人:年月日参考答案:4.1 陈述参考答案要点:、开关机的基本步骤.(1分)(2)、开关机时严禁的违规操作.(1分)(3)、清防与环境保护鬟求.(I分)4.2 陈述答案要点:(I)、描述数字印刷机工作环境要求,(1分(2)、陈述如何组织新普员工学习数字印刷机工作环境要求知识.(1分)

展开阅读全文
相关资源
猜你喜欢
相关搜索

当前位置:首页 > 高等教育 > 习题/试题

copyright@ 2008-2023 1wenmi网站版权所有

经营许可证编号:宁ICP备2022001189号-1

本站为文档C2C交易模式,即用户上传的文档直接被用户下载,本站只是中间服务平台,本站所有文档下载所得的收益归上传人(含作者)所有。第壹文秘仅提供信息存储空间,仅对用户上传内容的表现方式做保护处理,对上载内容本身不做任何修改或编辑。若文档所含内容侵犯了您的版权或隐私,请立即通知第壹文秘网,我们立即给予删除!