2024年山东省职业技能等级认定试卷 真题 印刷操作员(平版印刷员) 四级(中级)技能考核-样考场准备通知单.docx

上传人:p** 文档编号:1279683 上传时间:2025-01-16 格式:DOCX 页数:6 大小:18.35KB
下载 相关 举报
2024年山东省职业技能等级认定试卷 真题 印刷操作员(平版印刷员) 四级(中级)技能考核-样考场准备通知单.docx_第1页
第1页 / 共6页
2024年山东省职业技能等级认定试卷 真题 印刷操作员(平版印刷员) 四级(中级)技能考核-样考场准备通知单.docx_第2页
第2页 / 共6页
2024年山东省职业技能等级认定试卷 真题 印刷操作员(平版印刷员) 四级(中级)技能考核-样考场准备通知单.docx_第3页
第3页 / 共6页
2024年山东省职业技能等级认定试卷 真题 印刷操作员(平版印刷员) 四级(中级)技能考核-样考场准备通知单.docx_第4页
第4页 / 共6页
2024年山东省职业技能等级认定试卷 真题 印刷操作员(平版印刷员) 四级(中级)技能考核-样考场准备通知单.docx_第5页
第5页 / 共6页
2024年山东省职业技能等级认定试卷 真题 印刷操作员(平版印刷员) 四级(中级)技能考核-样考场准备通知单.docx_第6页
第6页 / 共6页
亲,该文档总共6页,全部预览完了,如果喜欢就下载吧!
资源描述

《2024年山东省职业技能等级认定试卷 真题 印刷操作员(平版印刷员) 四级(中级)技能考核-样考场准备通知单.docx》由会员分享,可在线阅读,更多相关《2024年山东省职业技能等级认定试卷 真题 印刷操作员(平版印刷员) 四级(中级)技能考核-样考场准备通知单.docx(6页珍藏版)》请在第壹文秘上搜索。

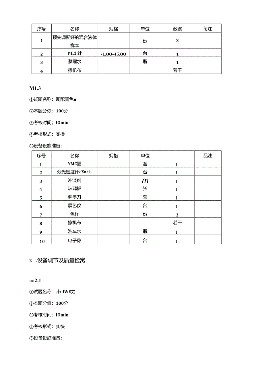
1、2024年山东省职业技能等级认定试卷印刷操作员(平版印刷员)技能等级认定四级(中级)技能考核试卷(样题)准备通知单(考场)1 .印前准备工作试施各称;根据横皮布选算正於村装本题分值:100分考核时间:IOmin考核形式:实悚设备设施准需:序号名称规格单位备注I檄皮布张I2千分尺把I3预先装订好的探皮布村,纸份34数显讷标卡尺0-200把15蒸馈水StI6擦机布若干7洗车水瓶18签字笔支19草稿纸张若干W1.2试题Z称:浦猫洞版液的PH值本题分值:100分考核时间:IOInin考核形式:实操i殳备设施准备:序号名称规格单位数蹊每注1预先调配好的混合液体样本份32P1.1.计-1.OOI5.OO台

2、13蔡耀水瓶14擦机布若干M1.3试题名称:调配闾色本题分依:100分考核时间;IOmin考核形式:实操设备设族准备:序号名称规格单位品注IYMC墨套I2分光密度计cXac1.台I3冲淡剂mI4玻璃板张I5调墨刀套I6展色仪台I7色样份38擦机布若干9洗车水瓶I10电子称台I2 .设备调节及质量检窝2.1试题名称:,节IWE力本题分值:100分考核时间:IOmin考核形式:实快设备设施准备;序号名称规格单位数fit备注I四开胶印机台I2钢片套I3擦机布若干4洗车水瓶15扳手、内六角扳手套各IM2.2试感Z称:调节牙排咬力本也分值:100分考核时间:I5min考核形式:实操设备设施准各:序号名称

3、规格单位数显备注I收纸牙排台I2扳手、内六角扳手套各13测试咬力的纸条条若干4擦机布若干5洗车水瓶1M2.3试题名称:调节便规本趣分值:100分考核时间:I5min考核形式:实操设备设施准的:序号名称规格单位数Ift密注I四开胶印机台12扳手内六角扳手套各13手电筒只I4擦机布若干5洗车水瓶16四开股版纸张若干2.4试题名称:印品质分析本题分值:100分考核时间:IOmin考核形式:实操设备设施准备:序号名称规格单位数Ift密注I样张张52放大镜把13于电筒只I4宜尺把I3 .印刷操作M3.1试题Z称:单色印刷一红版本也分值:100分考核时间:40min考核形式:实操设备设施准的:序号名称规格单位数JS备注I四开胶印机台12放大镜把I3手电筒只I4宜尺把15扳手、内衣用扳手套各16样张张I7千分尺0-2(把I8印版套I9油墨套110洗车水瓶1I1.喷粉包I12沽版液瓶I13擦机布若干14四开胶版纸(白张20

展开阅读全文
相关资源
猜你喜欢
相关搜索

当前位置:首页 > 高等教育 > 大学课件

copyright@ 2008-2023 1wenmi网站版权所有

经营许可证编号:宁ICP备2022001189号-1

本站为文档C2C交易模式,即用户上传的文档直接被用户下载,本站只是中间服务平台,本站所有文档下载所得的收益归上传人(含作者)所有。第壹文秘仅提供信息存储空间,仅对用户上传内容的表现方式做保护处理,对上载内容本身不做任何修改或编辑。若文档所含内容侵犯了您的版权或隐私,请立即通知第壹文秘网,我们立即给予删除!