吊篮悬挂机构安装方案.docx

上传人:p** 文档编号:1289394 上传时间:2025-01-16 格式:DOCX 页数:3 大小:23.65KB
下载 相关 举报
吊篮悬挂机构安装方案.docx_第1页
第1页 / 共3页
吊篮悬挂机构安装方案.docx_第2页
第2页 / 共3页
吊篮悬挂机构安装方案.docx_第3页
第3页 / 共3页
亲,该文档总共3页,全部预览完了,如果喜欢就下载吧!
资源描述

《吊篮悬挂机构安装方案.docx》由会员分享,可在线阅读,更多相关《吊篮悬挂机构安装方案.docx(3页珍藏版)》请在第壹文秘上搜索。

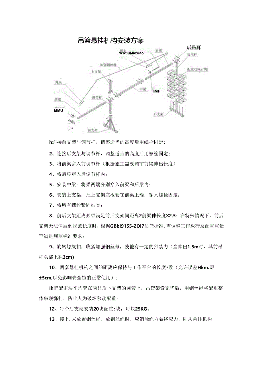
1、后吊耳吊篮悬挂机构安装方案WKtiuMiexiaoIiMHMMUh连接前支架与调节杆,调整适当的高度后用螺栓固定:2、连接后支架与调节杆,调整适当的高度后用螺栓固定;3、将前梁穿入前调节杆(根据施工需要调节前梁伸出长度)4、将后梁穿入后调节杆内:5、安装中梁:将梁两端分别穿入前梁和后梁内:6、安装上支架:把上支架座板套在前梁上端,穿入螺栓固定:7、将所有螺栓紧固结实;8、前后支架距离必须满足前后支架间距离2前梁伸长度X2.5:在特殊情况下,前后支架无法伸展到规范长度时,根据GBbI9155-2OI7吊篮标准,需调整工作载荷及配重重量至满足规范标准要求:9、旋转螺旋扣,收紧加强钢丝傩,使他有一定

2、的预禁力(当伸出1.5m时,其前吊杆头部上翘3cm)10、两套悬挂机构之间的距离应保持与工作平台的长度致(允许误差Hkm.即5cm,以免影响安全锁的正常使用):Ih把配宙块平均套在两只后卜支架的圆管上,吊篮架设完毕后,用钢丝绳将配重整体串联绑扎,防止人为破坏移动配重:12、每个后支架安装20块配重:块,每块25KG。13、接卜.来放置钢丝绳,放钢丝绳时,应消除绳内卷绕应力,即从悬挂机构顶部放绳后,绳呈自然垂吊状态;14、钢丝绳长度按实际需要悬挂,如有余量,应安排在后支架上,并理顺,网起后捆扎好,防止损伤:15、钢丝绳夹具:装夹钢丝绳时,绳夹的数量不得少于4个,U形开门在钢丝绳尾端对侧,且方向一致。绳夹应从吊装点处开始依次夹紧,并在最后一个绳夹和前一个绳夹间,使钢丝绳有少许拱起.16、本工程根据现场施工环境吊篮安全绳可栓系在屋顶出屋面构架梁柱,若无凸出结构供安全绳拴系,可以在女儿墙内恻或屋面上设置埋板,埋板与女儿墙或屋面采用锚栓进行连接固定,然后在埋板上方设置U型圆钢满焊连接,安全绳穿过U型圆钢打结固定:安全绳与结构转角接触处采用软材料进行包裹保护,防止安全绳与结构摩擦带来的损耗造成安全事件。在磨损处包裹保护层(如橡胶轮胎等),以防割断,严格遵守与篮体分开的原则。且安全绳的锚固位罚,必须经验收合格后方可使用吊篮。

展开阅读全文
相关资源
猜你喜欢
相关搜索

当前位置:首页 > 汽车/机械/制造 > 制造加工工艺

copyright@ 2008-2023 1wenmi网站版权所有

经营许可证编号:宁ICP备2022001189号-1

本站为文档C2C交易模式,即用户上传的文档直接被用户下载,本站只是中间服务平台,本站所有文档下载所得的收益归上传人(含作者)所有。第壹文秘仅提供信息存储空间,仅对用户上传内容的表现方式做保护处理,对上载内容本身不做任何修改或编辑。若文档所含内容侵犯了您的版权或隐私,请立即通知第壹文秘网,我们立即给予删除!