年产11.7万吨聚甲基丙烯酸甲酯项目设计9-HAZOP分析.docx

上传人:p** 文档编号:1296781 上传时间:2025-01-16 格式:DOCX 页数:19 大小:463.47KB
下载 相关 举报
年产11.7万吨聚甲基丙烯酸甲酯项目设计9-HAZOP分析.docx_第1页
第1页 / 共19页
年产11.7万吨聚甲基丙烯酸甲酯项目设计9-HAZOP分析.docx_第2页
第2页 / 共19页
年产11.7万吨聚甲基丙烯酸甲酯项目设计9-HAZOP分析.docx_第3页
第3页 / 共19页
年产11.7万吨聚甲基丙烯酸甲酯项目设计9-HAZOP分析.docx_第4页
第4页 / 共19页
年产11.7万吨聚甲基丙烯酸甲酯项目设计9-HAZOP分析.docx_第5页
第5页 / 共19页
年产11.7万吨聚甲基丙烯酸甲酯项目设计9-HAZOP分析.docx_第6页
第6页 / 共19页
年产11.7万吨聚甲基丙烯酸甲酯项目设计9-HAZOP分析.docx_第7页
第7页 / 共19页
年产11.7万吨聚甲基丙烯酸甲酯项目设计9-HAZOP分析.docx_第8页
第8页 / 共19页
年产11.7万吨聚甲基丙烯酸甲酯项目设计9-HAZOP分析.docx_第9页
第9页 / 共19页
年产11.7万吨聚甲基丙烯酸甲酯项目设计9-HAZOP分析.docx_第10页
第10页 / 共19页
亲,该文档总共19页,到这儿已超出免费预览范围,如果喜欢就下载吧!
资源描述

《年产11.7万吨聚甲基丙烯酸甲酯项目设计9-HAZOP分析.docx》由会员分享,可在线阅读,更多相关《年产11.7万吨聚甲基丙烯酸甲酯项目设计9-HAZOP分析.docx(19页珍藏版)》请在第壹文秘上搜索。

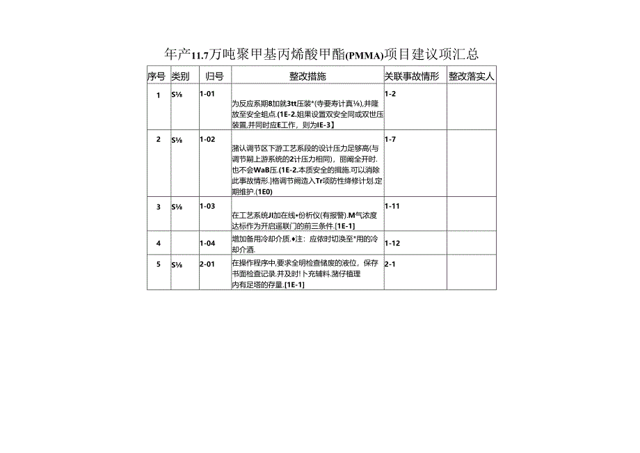
1、HAZOP分析年产11.7万吨聚甲基丙烯酸甲酯(PMMA)项目分析小组姓名部门专业参与节点1,2,345,6123,4,5,6123,4,5,6123,4,5,6123,4,5,6年产11.7万吨聚甲基丙烯酸甲酯(PMMA)项目建议项汇总序号类别归号整改措施关联事故情形整改落实人1S1-01为反应系期8加就3tt压装*(寺要寿计真),井隆放至安全蛆点.(1E-2.姐果设置双安全同或双世压装置,并同时应E工作,则为IE-3】1-22S1-02潴认调节区下游工艺系段的设计压力足够高(与调节嗣上游系统的2计压力相同),丽阚全开时.也不会WaB压.(1E-2.本质安全的揖施.可以消除此事故情形.格调节

2、阙造入Tr项防性绛修计划.定期维护.(1E0)1-73S1-03在工艺系统JI加在线份析仪(有报警).M气浓度达标作为开启遥联门的前三条件.1E-11-1141-04增加备用冷却介质.注:应侬时切涣至*用的冷却介酒.1-125S2-01在操作程序中,要求全明检查储废的液位,保存书面检查记录.并及时!卜充辅料.潴仔植理内有足塔的存量.1E-12-1153-02塔加备用容箫.笄确俣能及时切换到备用容1.为下游工艺系统供应窈H.1E-13-1016安全3-03在下游没务上瑁加泄庄H.并廷放至安全空点.【1E-2】3-11173-04在反应上设三曲!(Sciff1.S)1.瓶放至安全塔受.1E-23-

3、1218三4-02在满足工艺需要的f1.1.况下.利用热水或低温加热介质可能导致面a的介质(如蒸汽g热).以限鼾加热介图的温度上限.【1E-2,这是消除本SM本不安全的指4-119S4-01为反应系统HJ!S3tJ装58(需饕存计苣书),用K放至安全她点.1E-2.如果设亶双安全01Ge压并同时曲江作.则为IE-3】4-6205-01在满足工艺需要的情况下.利用热水或低温加热介腰换可转导致高温的介质(如蒸汽或导热油),以原制加热介质的温度上限.1E-2,这是消除本事故情形的本四安全的措5-1216-01增力厚功率四节装置,埸加进科泵液位任用报誉6-122S6-02定期对象进行巡检,两个泉契流使

4、用Iwm2科雄中直液位高/报警6-22356-03将调P种纳入工F五防性溟幡计划,定期维护.1E0J6-324安全6-04领次人口压力6-425安全6-05采用卡扣越头,在卡扣接头处没彳骨定带.防止卡扣脱落.1E-16-5年产11.7万吨聚甲基丙烯酸甲酯(PMMA)项目现有措施汇总序号现有措施关联事故情形整改落实人11储理周围设置7K其系统:2 .安装液位计高怎限报警;3 .建体下即设注水口,并有高压水系.以鲁下部曲B町空水1-12告O1.t的过谢!若在线排污和反耳洗,并有进出口压差指示,并且有青用过滤券.理作人员可以在辽泳S1.E。大町切换至备用的过滓器.(IE-I)反应26进料芭上有任流量

5、报警(声光报警),振作人员听硼8警后,电及时停反应.1E1.如H作AA在听到报警io伸内.不能采取行动,就会士现事故JSJrE0.反应I1.M进料比例控制,当反应酶进料比例异常时,切断其它送料.终止反应.(1E-1及成器有联啦停车(工艺状态异粒1.如反应遣配BS或压力过三B1.停反应21,切断其它选科)1E-1.如果是安全仪表系统,考安全仪表的警圾.如安全仪表控制叵路力等级早SI1.-2.JH为IE-21-23液相出口设寿紧急切断涵;现ZKS*M两个安全端并联仅用;-5.管茂搂也1-34端理周圉设置小葛系统:安装液位计隆砌报警:谖体下都谓主水口.并玄三历E,以管下部曲啊!&水.1-45箍谖内设

6、温度报警1-56选用低温没者材料防止冷岭1-67管道上有流量计高流量报警.溟作人员可以及时发现,关闭告道上的其它房门,切断套料供应.1E-1.根痣工艺情况而三:可能要要设置声元投警,81保报警告10钟内建作人员可以礴?!施,并且不合导致三5年票,否则取1E0】博方词下游设务压力高联锁,当其中压力过HS时.白动关闭入1E-1,喇EC求,Ittit1E0;91E-1,必须与失效的而同是完全投立的回路,如果是安全仪表案就.,考安全仪表的等级.如安全仪表控制回路的等级SSI1.2,则为1E-2】1-781-89储遽质置港液位报警1-9序号现有措施关联事故情形整改落实人10u::尺寸放大1-1011建作

7、程序0,要求在工艺系统首次启用或维修后启用前,对工艺薮说的气S登(出M弼检三表0才加氮气S/V).1E-11-1112氟气入匚S三三fS三IIt回阀:1-1213选用3管澧并设置分析朝三封闭系统1-1314工FiT受限空间迸入的告理程序,包括隔离.清洗.侬.气体监测及监护等要求.1E-2,这星安全的措施】1-1415近距离或人工操作隔离告戌的能力;1.ti三f1.:羽品;或作/维修及必须隔离时应按要求进行:建成其:EMSt:瓦底器有联锁停车(工之状态异簟时.如反应温度过高或压力过者町,停反应器,切断其它进料).1E-1.如果是安全仪表系统,考安全仪衰的等圾,如安全仪表控制回踣的等物SSI1.-

8、2,8J1E-22-11.rRr安全R遑议编号建议项通用建*工别现有指俺R建议编号遑议项通用建议交别Sr1.rRr诊效管效引导向僦插建4TX度度过鬲峻谷温度过高温度过总透平气体*度过高4度过低透平捧气:度过低整K0砒作原圾有指施S1.R过议塘号1.rRrIff1.建议类别Srri一3I1Ir增号箜效i*ss偏离Ig述原因覆有“-s1.47温度EEie机入口温度If)前系统工况异常;跳舞翻般rsp734T压力压力过高透平排气压力过高三?赛蒸汽流岸地:fc134f组分浓度过高气体浓财高三Ii134-7组分浓度过低一气体和!过避三i4入口垢站塞三i三T亍R建议增号建议顶通用建议支别Sr11安全1r1

9、1.rRr使M1.行壹HSKS个旅对CW定检用026-0冷停自9缰教大卡当av全开C1.B-IJ我立过小天置过大票派置过大量数+引导同)*星因后果6-16-2IXeISrt1.AtHSR三皆的首芽民气黎发造亡X介3下大,气,伤功2下、惠sae身HZ1.e内升仪43K多stt)85SK泉奋g一次DDCCBA2.停F1.(Xe一次DDDCCB3.妙91000年一次EDDDCCB4.QoooOe一次EDDDCC5.可100000一次小NRDDDC6.无不可181000000一次EEDDD序号后里后里说明可忽修操作人员受伤但很轻at不是震记录的伤W泄漏至收筌系统以内的地方,泄漏量非常少,影响可以忽也.设缶损失V=2万元.设衽圾生间短M停产V=*JN1.轻内想作人员受伤但不按失工作日,客记录的伤害泄漏至收集系统以内的te方.设缶挨关=10万元.设备或生间停产V=I无较爱掾作人员震就医搅失工作日厂外人员需急救泄漏收集素统以外的施方(取墨较少并不超出工界区).设冬损失10万元V=100万元.XXX设号或主间停产1天.少干或等干1曲.

展开阅读全文
相关资源
猜你喜欢
相关搜索

当前位置:首页 > 论文 > 毕业论文

copyright@ 2008-2023 1wenmi网站版权所有

经营许可证编号:宁ICP备2022001189号-1

本站为文档C2C交易模式,即用户上传的文档直接被用户下载,本站只是中间服务平台,本站所有文档下载所得的收益归上传人(含作者)所有。第壹文秘仅提供信息存储空间,仅对用户上传内容的表现方式做保护处理,对上载内容本身不做任何修改或编辑。若文档所含内容侵犯了您的版权或隐私,请立即通知第壹文秘网,我们立即给予删除!