构件验算计算书.docx

上传人:p** 文档编号:1297484 上传时间:2025-01-16 格式:DOCX 页数:33 大小:135.24KB
下载 相关 举报
构件验算计算书.docx_第1页
第1页 / 共33页
构件验算计算书.docx_第2页
第2页 / 共33页
构件验算计算书.docx_第3页
第3页 / 共33页
构件验算计算书.docx_第4页
第4页 / 共33页
构件验算计算书.docx_第5页
第5页 / 共33页
构件验算计算书.docx_第6页
第6页 / 共33页
构件验算计算书.docx_第7页
第7页 / 共33页
构件验算计算书.docx_第8页
第8页 / 共33页
构件验算计算书.docx_第9页
第9页 / 共33页
构件验算计算书.docx_第10页
第10页 / 共33页
亲,该文档总共33页,到这儿已超出免费预览范围,如果喜欢就下载吧!
资源描述

《构件验算计算书.docx》由会员分享,可在线阅读,更多相关《构件验算计算书.docx(33页珍藏版)》请在第壹文秘上搜索。

1、铜舫美里钢筋&价掰的排布向即沿板究度方向IKMOO8190沿板长度方向NRB4008辆汕相对也置沿优度方向制前在上(3)WBtt1.RMk桁架Me格A30排列叁数150,600X2.150桁架处接点JJB(Ps)200m.HrSttftft(三)Whn桁柒两变(Bt)Whn(di8(v上弦钢筋等级IffiMOO下弦IWMN椅(d38卜农捌场等领I1.RB-100H杆蝌礴磔校(d26区轩恻够济筑1.PB300(4)吊式埋件类里Mf第前等线1.tff三0吊件长度626uhWWftK12吊的IKK&55mv310mWW2KK655OIVIIgomI吊的314直251.5tm,310m吊钩4ttK25

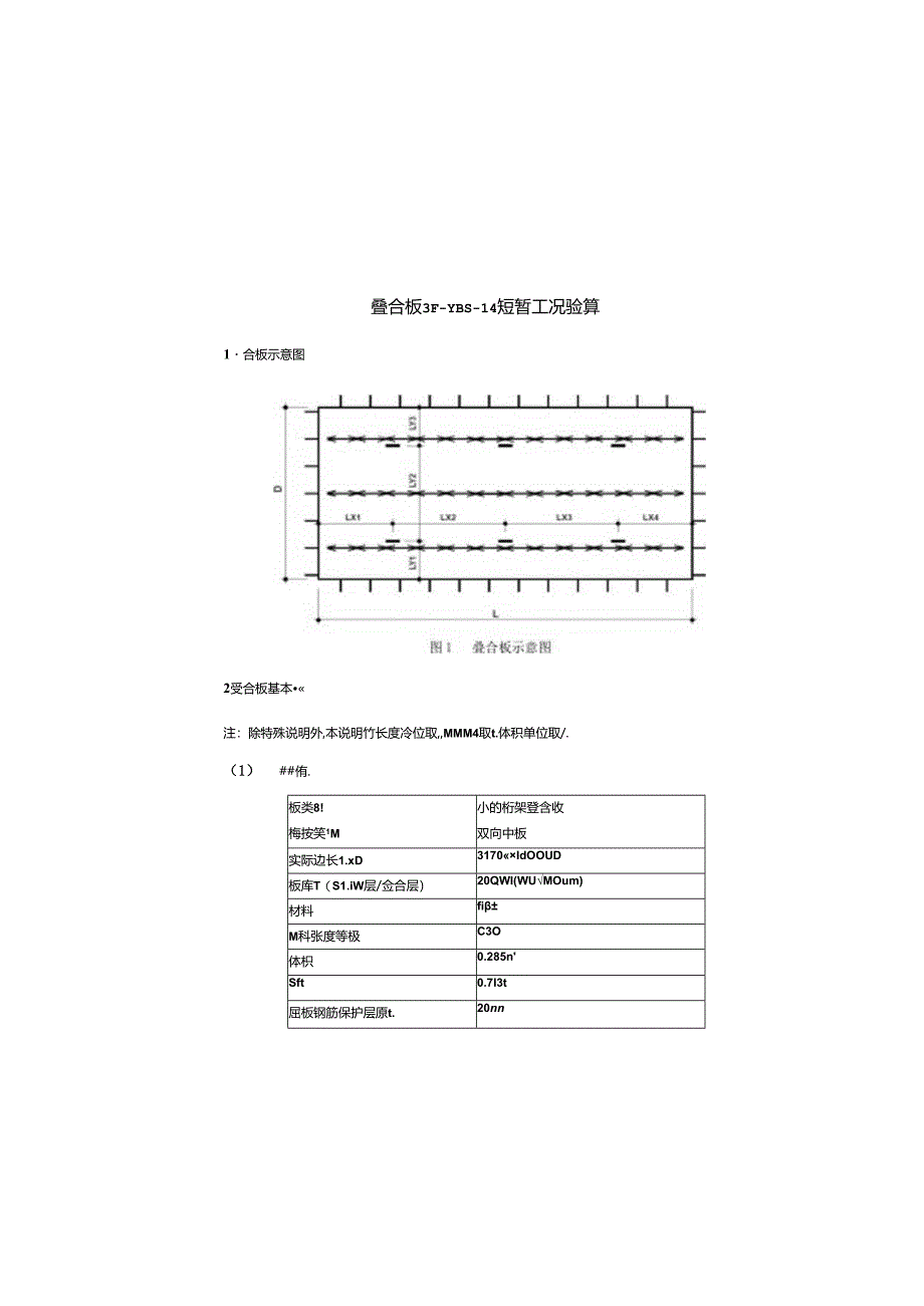
2、1m.1.)9Orn叠合板3F-YBS-14短暂工况验算1合板示意图2受合板基本注:除特殊说明外,本说明竹长度冷位取,MMM4取t.体积单位取/.(1) #侑.板类8!小的桁架登含收梅按笑1M双向中板实际边长1.xD3170IdOOUD板库T(S1.iW层/佥合层)20QWI(WUMOum)材料fiM科张度等极C3O体枳0.285nSft0.7I3t屈板钢筋保护层原t.20nn5覆制枷艮模吊装容许应力It算根露濯凝土鳍构工H!施工规范GB5)1.弟9,2.3条(1)平行桁架方内展及吊虹况“第吊点冷氏1.1.(0踏长2(ran)粉氏1.3Ig)B1.tf6S51860655第2行6S518606

3、55计灯线荷载q-/矩量大水小,-0.39kN”:桁架方向支座号舱最大位U,-0,39kN崎中时,W-I,-378868三,游中时.油土北应力:=J仆=1.MSm支原时,ttift1.1.ttft.*=A,=399Mem支座时,泥凝土拉应力:。“-1.J%-O.97N.m版摸时按构件混凝土强度达到标准值的75.01.ftW。tMcXa根幅公式37.代入相关价求*y=3(1.tti2.惯性矩(含桁架舫合成板曲)2221O=ACXQEh-yp)A1*y0-(h-hsAKa-1.)t213*(vq-g)B1-2b1公式37根械公式37及公式3-1代入相关Ift樗】产“668q0m3.故而抵抗矩(含粉

4、架的介或低而)I)i.MFo6n2)混凝土鼓面下边推IV.=Iye=378868m,3)A1.令做而上边缭(上弦助位置):It=1.0ryc)=594O8三*(2)jue方角板面分析计算电也桁架方向,取任意蚊带器凝土底板的IttSi粱逆心计W.为与平行桁架方向结果方便对比分析.板俗邂度依取的有依宽度B1.ft.做而抵抗而:富Bt76328310m4WtM根幅笠配A混凝土站构技术规程JGJ-20126.22条、6.2.3条:板口R标准值G=VXy=0.2853X25.0=7.13kN脱桢荷孜1Q.=G1.21.5VH=7.131.21.50.29/0.06-15.69kN脱模荷栽28GX1.5-

5、7.I3).5-JO.70kN吊装荷就Qm-G1.5-7.131.5-10.70kN荷载标准依Qrnnx(,(,Qj-15.69kN板哭堂第的札契帝介板上搐类型双向中板实际边长1.XD3170nXIROQin蚊IuT(预MJA融合屈200r11(60fnM0m)MWs土材料蹙度警察1(M0.856t左板铜第保护层即t8上弦钢筋等atIKBtOOF弦钢舫亶校(d3&IT,用殳钢助等级HRB-100腹杆钢筋M1.粒(d26段纤纲前/短IB1IkWO吊构Bu卜承维力fy65X.,m吊构敢St4个3个蛆个吊件脱模吊装荷我计鸵:z1./cosB-1.000F=Gan=2.38kN尾物起吊最大故:R.=1

6、114742651000=20.01.kNRVR,吊拘於足襄求.叠合板3F-YBS-3短哲工况验算1受合板示意图2合板基本分效it.除特殊说明外.本说明书长度0位取m常皆的位取t,体积单位取”.(1)平行桁架方向收分析也忏曲,而而出A=I1.1.i计算Xhh的啜分别为,h-o08808/2-IOImiIf1.3款合板“效宽度示急图上就前侬南而2!A-x80.25-50.W下建筋破面曲枳A=潸VxD.25X2=Ig5mn:ftiO.25=2氏3n底料上依瞄形心的曲道h0登台礴平行的版内分布钢筋彩心到和上弦筋的形心心Wh:h1=10t-20-8-82=72mh=BO-(8*8)2=72m组合梁的有

7、效宽度8:ft=b.4x,E笠埋件奘型1吊的纲动等破IIPB30062611nMWftt12同构I位置655m,37511n吊的2位贸655m,i425m吊为3位寅2515(a375m吊的4也置251.50n1.1.25cn(6)tSM犍款土强及埠级讹般土容玳25.0kNo,力装动力系数1.5脱桢动力素教1.2脱根吸附力1.5kNn,吊*与Tst方灯的夹角Bo.o脱根时SWJ土强度口分比75.0楼板吊点计口方式是否按照全陆吊R计打否忸的计。受力效政3个根弘(裴旭式混凝上玷构技术视JGJ20146.2,2,6.2,3收自Jft标准位JV丫-0.SI2425.0-8.56k蛇模荷栽IQu-GX1.

8、2.5V1I-.56X1.2I.5X0.W0.06=18.4kX膜极荷欣26产CX1.s=8.56X1.5=12.a4kN吊装荷俄a=C1.5=a561.5=12.MkX新罪标准IS=nax(t.Qe.)=18.83kNS1.iM板展模吊装容许应力险算根器(混凝土藉构工程施工规范GB5O三20H9.2.3(1)干行桁获方向IMM1.吊QBMIMr吊点峰长1.1.CmO跨长2(ran)牌长1.3Om)第1.行两I860655第2行655I860655“无线荷敦q二Q.B(1.D)1000-1.806k平行桁架方向为中号矩最大俄曲产0.39kNTi平行彷桀方向支海商矩最大处Ki-0.39kNm聆中

9、时,被而抵抗矩:*1-X1.378868m静中时,泥凝土拉应力:%=j8=1.0N.W支座时被面抵抗矩:$:琮399M6.9W三1.核小时按构件混凝土强慢达科怀设你的75.S,Oa7.f,1.51MZfAJHU,v%b三i5a0-3V,o此处:公式3-2、当叫时=02X%;相之和果卜登扬形心同印J1.T100-808-528MV1./3170e;1.=O,5-0,3528/3J70)X528=233617m:即B-237.6172t72547.233m1.hiho)(op-I)Yq=h-公式3-3BXt+(A,)(e-DUc三e根据公武3-3.代入相美值求得”=M.n2.惯性矩(奇桁架的合成桃

10、面)1OMCafh-yp)2川-(h-h0)2Aj,%-(h-q)2AJeT)+281+81.3公式37根据公忒53及公式37,代入相关依R1.-1.1.66SSMm,3.敌而抵抗也(含桁柒鲂合成钱而)D泡凝土敛而上边蜂:V1.MrA39960n2)淞凝土Si面下边缘I.=!公K6-2代入相关但求生M,=4.83kNt(3)MHuB失)(力V=pjNsinXsin公式6-3其中:-nrct.m(Hh.)-0.6747!n-1.IO7!5注:%为卜花筋外包距图,此时位为ROn1;%为桁架墀接点旃度,此时值为80m;。XAsrrt*:f.-n.(w)y2三R-Egg)一s我中,%为段杆右筋强度标准hnW杆倒的KfW比影响乐数,取值G9476-验/容许小711J50.71i-35.9:1.计货公武如下I)r=Jh2(b02)2(1.2)j-XrB1.nO81n=76.89m求知狼忏制的关利应力.,-2(56.OON.WWJN二。“XA产7520.89N因此:Y-21.5Xsin5Jin-5.60kN(4)ffiJHB1.k*M*

展开阅读全文
相关资源
猜你喜欢
相关搜索

当前位置:首页 > 建筑/环境 > 建筑资料

copyright@ 2008-2023 1wenmi网站版权所有

经营许可证编号:宁ICP备2022001189号-1

本站为文档C2C交易模式,即用户上传的文档直接被用户下载,本站只是中间服务平台,本站所有文档下载所得的收益归上传人(含作者)所有。第壹文秘仅提供信息存储空间,仅对用户上传内容的表现方式做保护处理,对上载内容本身不做任何修改或编辑。若文档所含内容侵犯了您的版权或隐私,请立即通知第壹文秘网,我们立即给予删除!