机组管路管道安装质量评定表.docx

上传人:p** 文档编号:1297656 上传时间:2025-01-16 格式:DOCX 页数:2 大小:10.87KB
下载 相关 举报
机组管路管道安装质量评定表.docx_第1页
第1页 / 共2页
机组管路管道安装质量评定表.docx_第2页
第2页 / 共2页
亲,该文档总共2页,全部预览完了,如果喜欢就下载吧!
资源描述

《机组管路管道安装质量评定表.docx》由会员分享,可在线阅读,更多相关《机组管路管道安装质量评定表.docx(2页珍藏版)》请在第壹文秘上搜索。

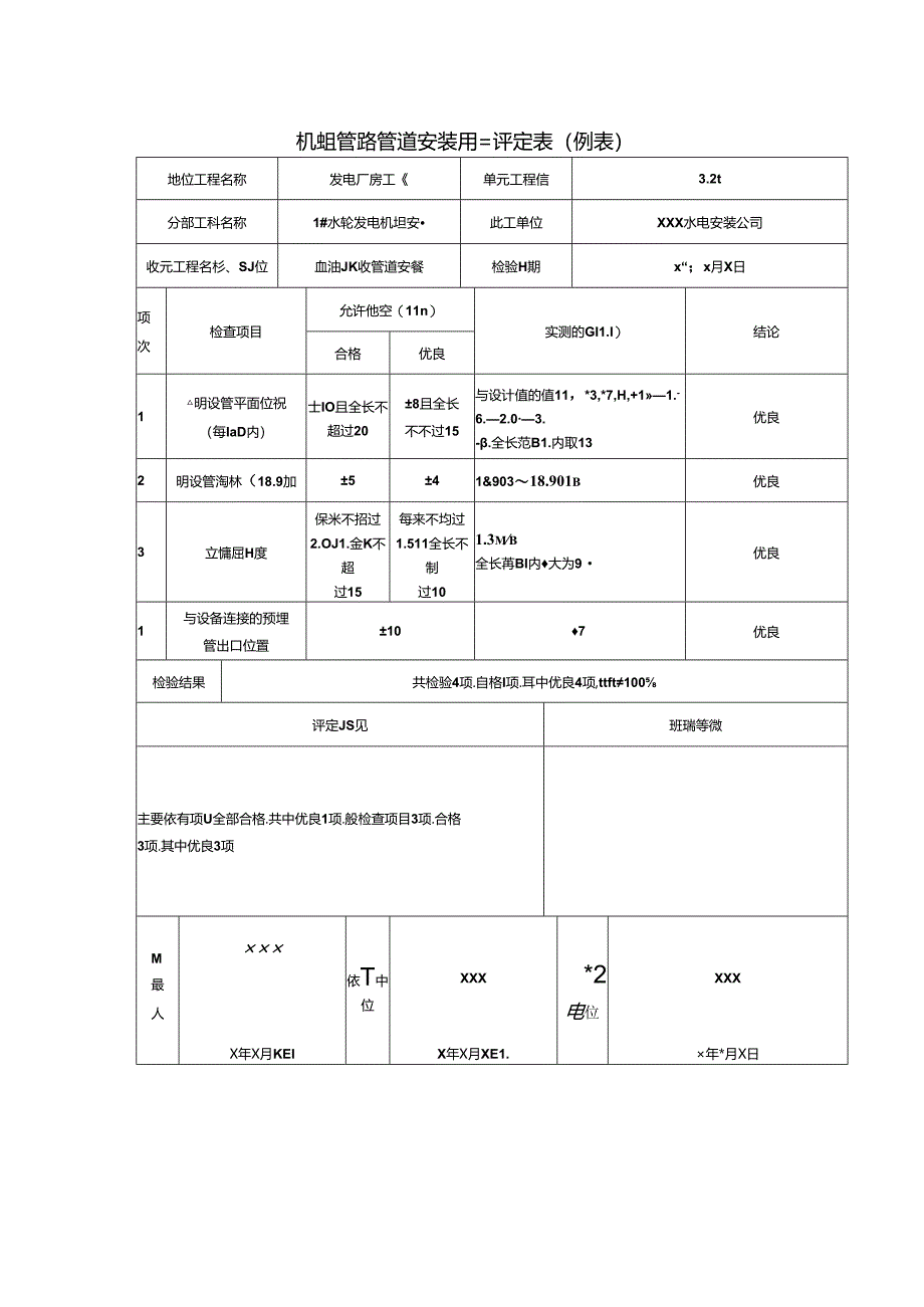
1、机蛆管路管道安装用=评定表(例表)地位工程名称发电厂房工单元工程信3.2t分部工科名称1#水轮发电机坦安此工单位XXX水电安装公司收元工程名杉、SJ位血油JK收管道安餐检验H期x“;x月X日项次检查项目允许他空(11n)实测的GI1.I)结论合格优良1明设管平面位祝(每IaD内)士IO且全长不超过208且全长不不过15与设计值的值11,*3,*7,H,+11.-6.2.03.-.全长范B1.内取13优良2明设管淘林(18.9加541&90318.901b优良3立慵屈H度保米不招过2.OJ1.金K不超过15每来不均过1.511全长不制过101.3mb全长苒BI内大为9优良1与设备连接的预埋管出口

2、位置107优良检验结果共检验4项.自格I项.耳中优良4项,ttft100评定JS见班瑞等微主要依有项U全部合格.共中优良1项.般检查项目3项.合格3项.其中优良3项M最人X年X月KEI依T中位XXXX年X月XE1.*2电位XXX年*月X日填表说明填表时必须遵守“填表基本规定”,并符合本部分说明及以下要求.I.友义填写相同.2.各项目的检验方法如下。项次板杳项目检验方法明地管面位FKfiHM内)拉线用钢卷尺检ft2明设管高秘用水布仪IK板尺履查3立曾用M度吊姣语用辆板尺椅合4与设备it接的预埋管出口位置用钢卷尺检我3.按祖成该系统的音道长度每50m检食两处,不足50m桧杳,处的方式检验,具体检脸部位出现场商定.

展开阅读全文
相关资源
猜你喜欢
相关搜索

当前位置:首页 > 管理/人力资源 > 质量管理

copyright@ 2008-2023 1wenmi网站版权所有

经营许可证编号:宁ICP备2022001189号-1

本站为文档C2C交易模式,即用户上传的文档直接被用户下载,本站只是中间服务平台,本站所有文档下载所得的收益归上传人(含作者)所有。第壹文秘仅提供信息存储空间,仅对用户上传内容的表现方式做保护处理,对上载内容本身不做任何修改或编辑。若文档所含内容侵犯了您的版权或隐私,请立即通知第壹文秘网,我们立即给予删除!